0101 Frame System 车身系统
0102 Frame System(FVD5-C) 车身系统(FVD5-C)
0103 Overhead Guard 安全棚
0104 Front Cover 前外罩
0105 Back Cover 后外罩
0201 Steer And Brake Control System操作和制动系统
0202 Hand Brake Assembly 手刹总成
0203 Service Brake行车制动
0204 Steering Assembly 转向柱总成
0205 Valve Control Linkage 多路阀操作杆
0301 Driving System 驱动系统
0302 Gearbox Assembly 变速箱总成
0303 Driving Wheel 驱动轮
0401 Rear Axle Steering Assembly 后桥转向总成
0402 Steering Axle 转向桥
0403 Steering Axle Cylinder 转向桥油缸
0404 Steering Wheel 转向轮
0501 Control Bracket Assembly 控制器安装板总成
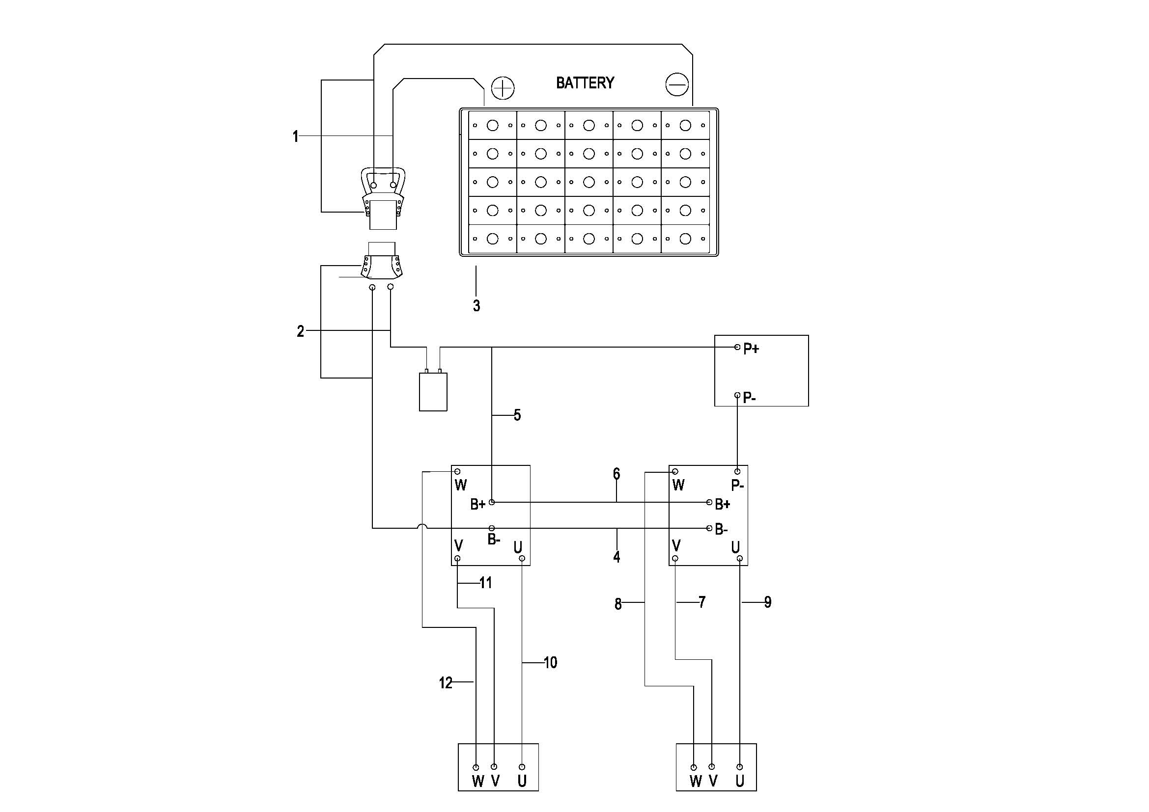
0502 Wiring Harness Assembly 线束总成
0503 Cable Assembly 电缆总成
0504 Side Car Assembly (FVD5-C) 侧拉小车总成 (FVD5-C)
0601 Hydraulic SystemⅠ 液压管路Ⅰ
0602 Hydraulic SystemⅡ 液压管路Ⅱ
0603 Pump Motor and Pump 泵电机和泵
0604 Oil Tank 油箱