01 495BPG 机体总成及附件Body assembly and accessory
02 495BT 机体总成及附件Body assembly and accessory
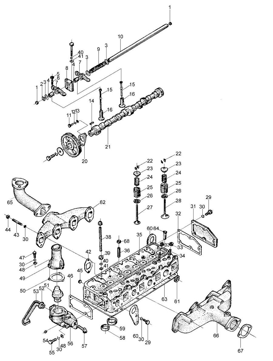
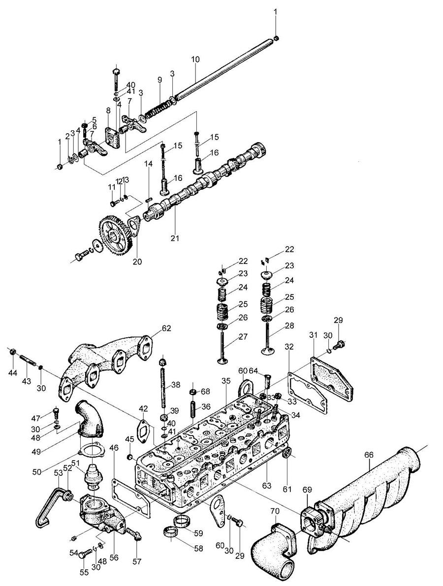
03 495BPG 气缸盖及配气机构Cylinder head and gas exchanging
04 495BT 气缸盖及配气机构Cylinder head and gas exchanging
05 495BT 油底壳总成Oil sump assembly
06 495BT 油底壳总成Oil sump assembly
07 495BPG 曲轴飞轮总成Crankshaft flywheel assembly
08 495BT 曲轴飞轮总成Crankshaft flywheel assembly
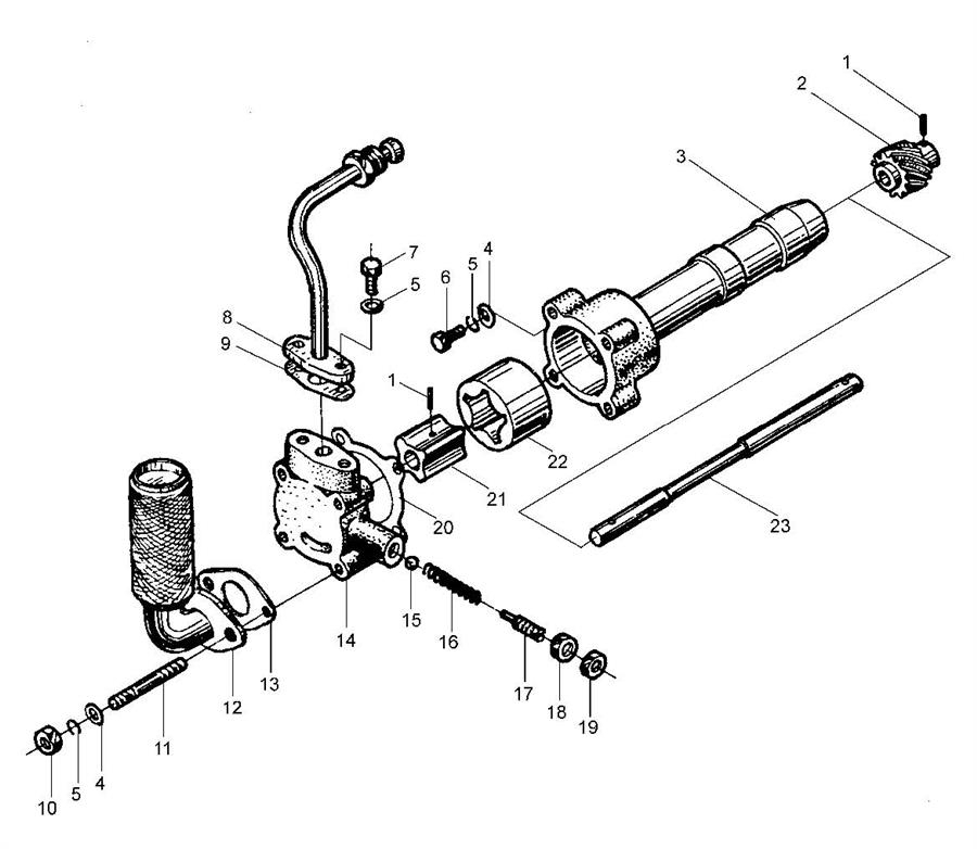
09 495BPG 正时齿轮传动系总成Timing gear train assembly
10 495BT 正时齿轮传动系总成Timing gear train assembly
11 气缸盖罩总成Cylinder head cover assembly
12 机油泵尧机油管路总成Oil pump and oil pipe assembly
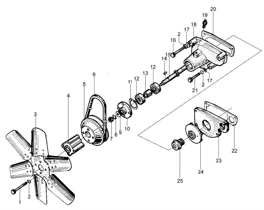
13 495BPG 冷却水泵尧风扇部件Cooling water pump and fan assembly
14 495BT 冷却水泵尧风扇部件Cooling water pump and fan assembly
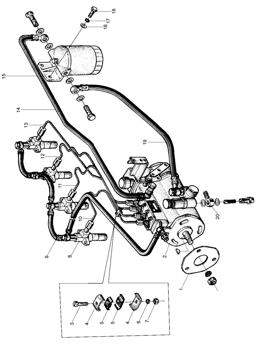
15 燃油供油系统Fuel supply system assembly
16 机油滤清器尧起动电机及充电发电机总成Oil filter尧starting motor