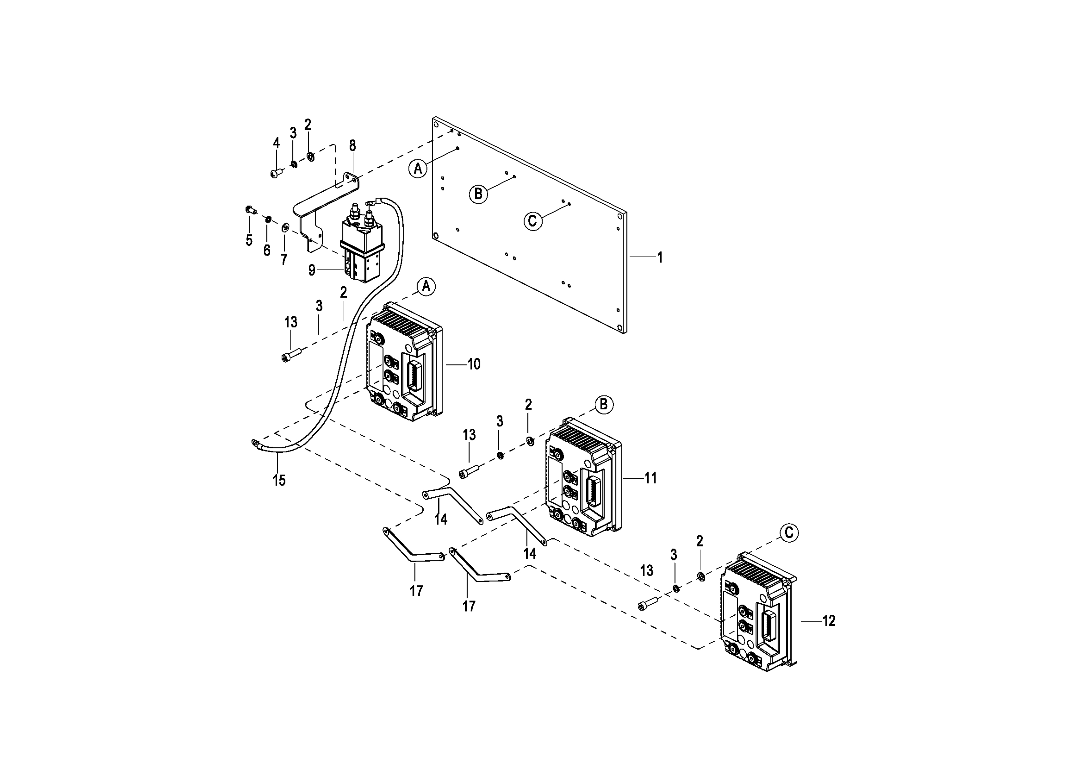
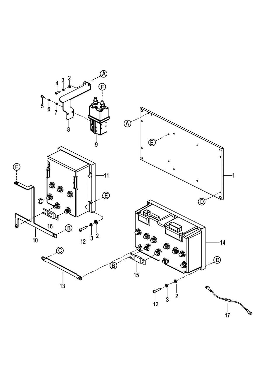
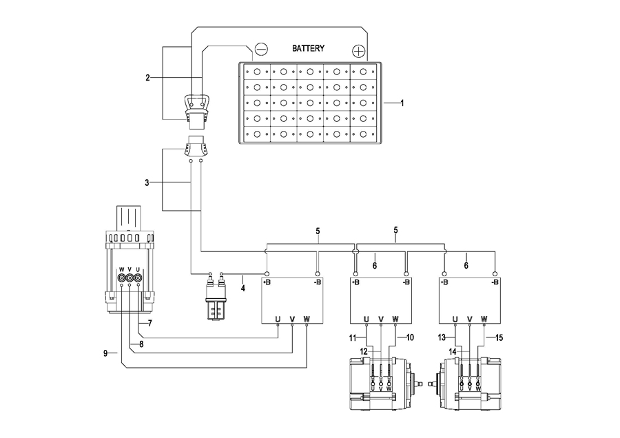
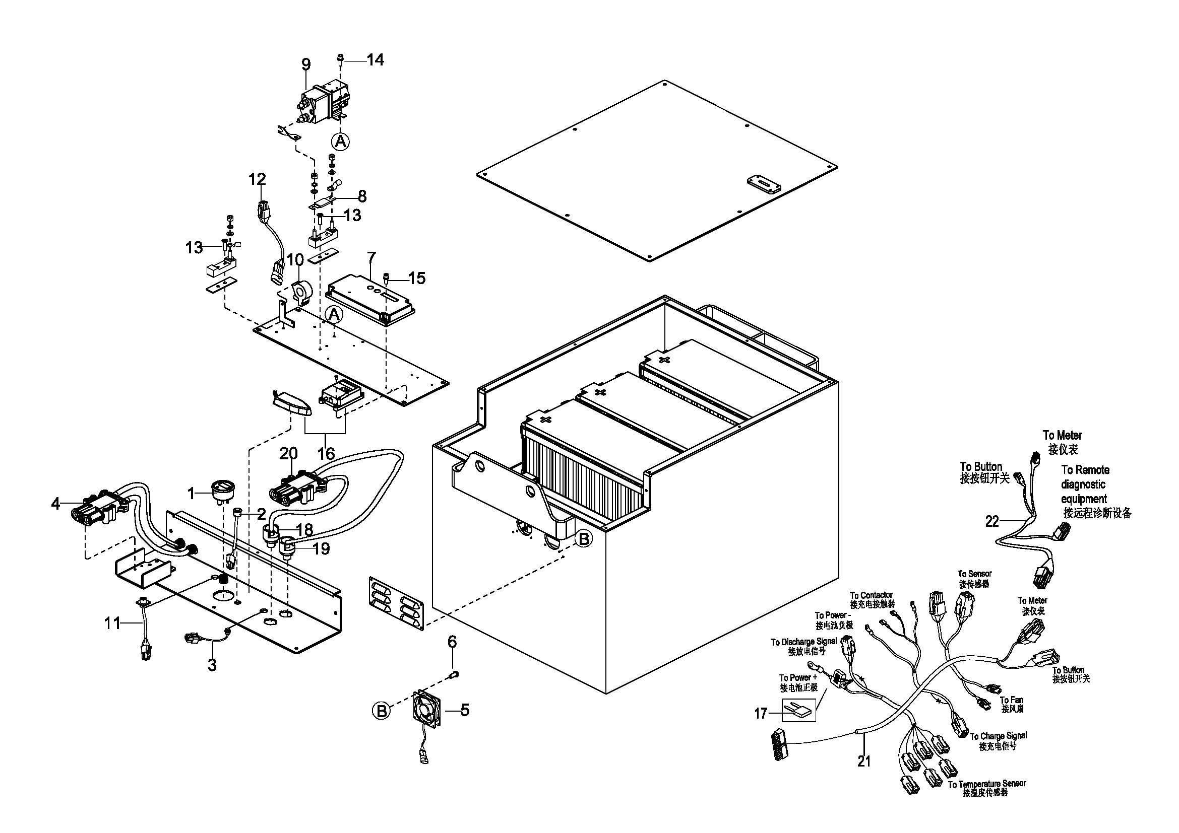
Запчасти на Электрический погрузчик EP Equipment CPD13~20TV8/TW8(TW8:Series Number up to 2281400495) Серия TV

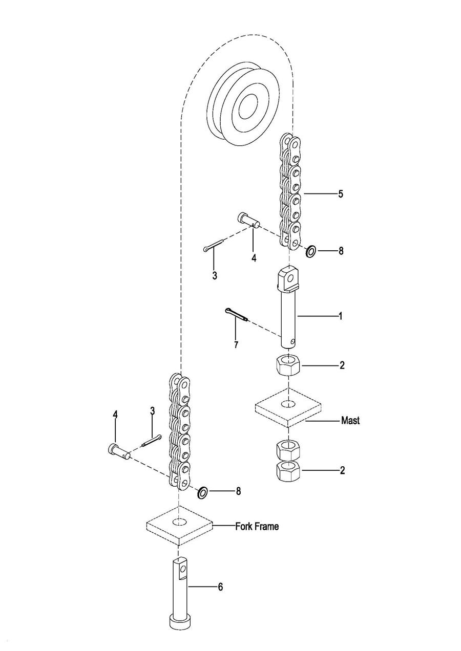
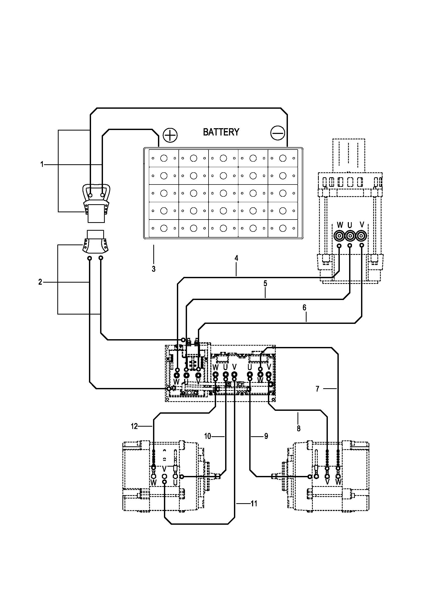
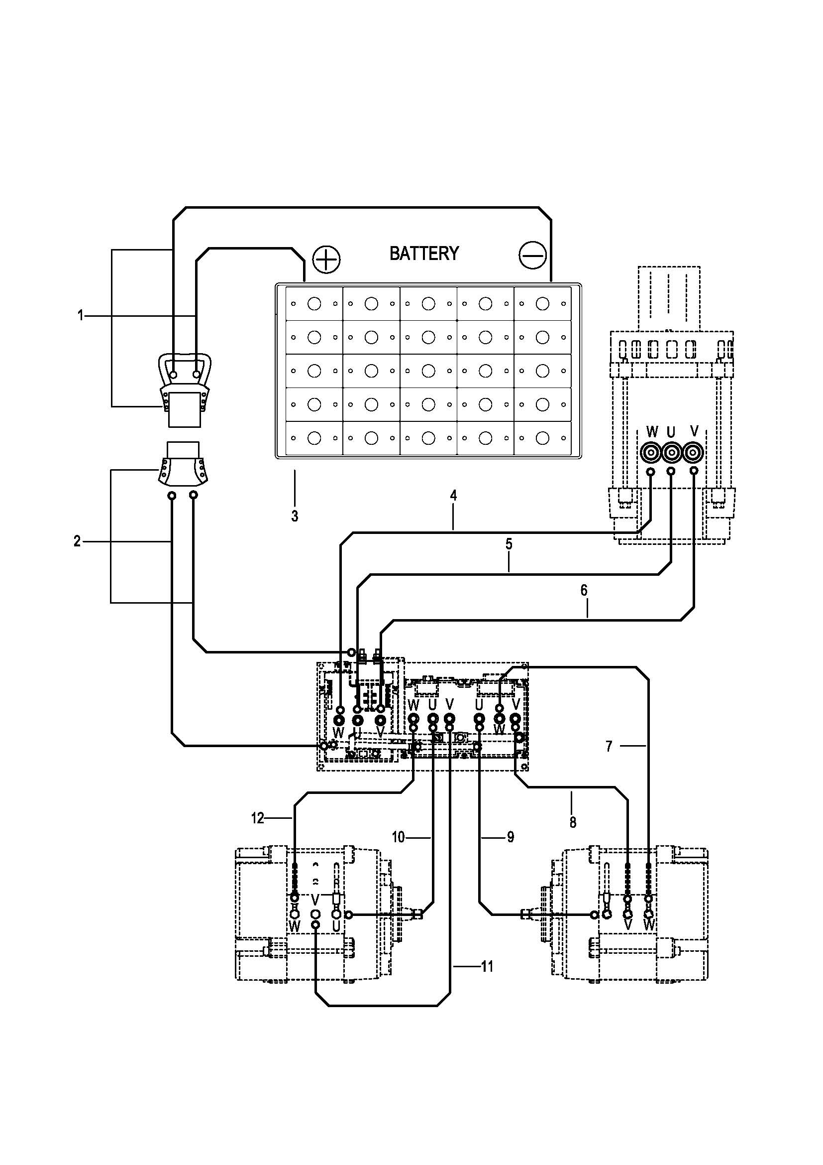
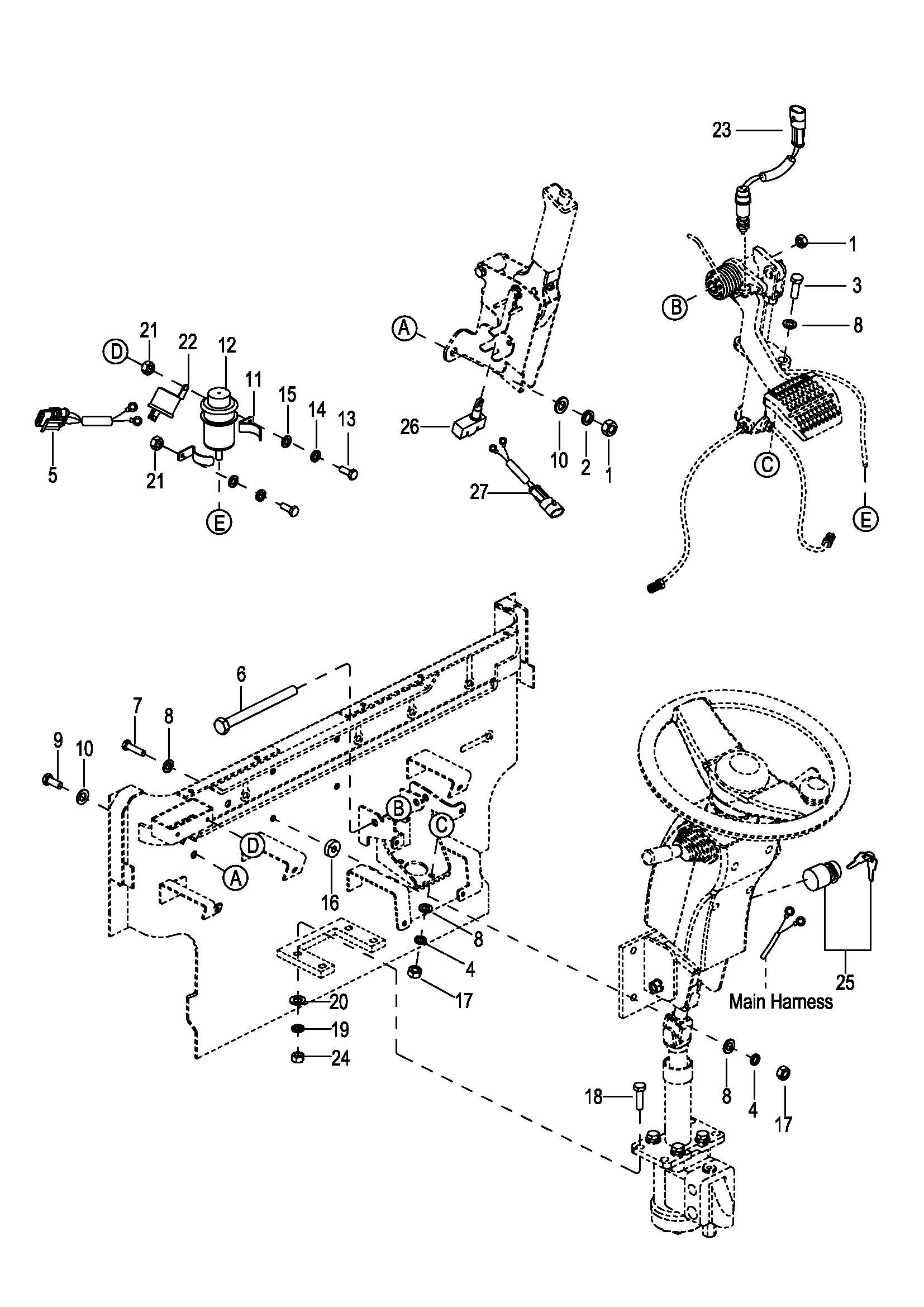
0101 Frame Assembly 车架总成 010101 Frame System车身系统 0102 Frame Assembly(CPD18TV8-C)车架总成(CPD18TV8-C)(Note:Other Fitting parts See 0101) 010201 Frame System(TV8-C)车身系统(TV8-C)(Other Fitting parts See 010101) 0103 Overhead Guard 安全棚 010301 Overhead Guard 安全棚 010302 Overhead Guard安全棚 010303 Overhead Guard安全棚 0104 Front Cover 前外罩 0105 Back Cover 后外罩 010501 Back Cover后外罩 010502 Back Cover后外罩 010503 Back Cover后外罩 0106 Back Cover TW8 后外罩TW8 0201 Steer And Brake Control System操作和制动系统 0202 Hand Brake Assembly 手刹总成 0203 Service Brake行车制动 0204 Steering Assembly 转向柱总成 020401 Steering Assembly 转向柱总成 020402 Steering Assembly转向柱总成 0205 Valve Control Linkage 多路阀操作杆 0206 Armrest assembly TW8 扶手总成TW8(Parts being phased out) 0301 Driving System 驱动系统 0302 Gearbox assembly(SN up to -2311201017) 变速箱总成 030201 Gearbox assembly(SN from 2311201018-)变速箱总成 0303 Driving Wheel 驱动轮 0401 Rear Axle Steering Assembly 后桥转向总成 040101 Rear Axle Steering Assembly后桥转向总成 0402 Steering Axle 转向桥 0403 Steering Wheel 转向轮 0501 Electrical components 电器元件 0502 Control Bracket Assembly 控制器安装板总成 050201 Control Bracket Assembly控制器安装板总成 0503 Wiring Harness Assembly 线束总成 050301 Wiring Harness Assembly线束总成 0504 Wiring Harness Assembly TW8 线束总成TW8 0505 Cable Assembly 电缆总成 050501 Cable Assembly电缆总成 050601 Cable Assembly (TV8-C)电缆总成 (TV8-C) 0506 Cable Assembly (CPD18TV8-C) 电缆总成 (CPD18TV8-C) 0510 Side car Assembly(CPD18TV8-C) 侧拉小车总成(CPD18TV8-C) 0507 Cable Assembly(Lithium Battery)电缆总成(锂电池) 0508 Lithium Battery Assembly锂电瓶总成 050801 Lithium Battery Assembly 锂电瓶总成 050802 Lithium Battery Assembly 锂电瓶总成 0509 Lithium Battery Assembly锂电瓶总成 050901 Lithium Battery Assembly 锂电瓶总成 0602 Hydraulic SystemⅠ(Four)液压管路Ⅰ(四联) 0601 Hydraulic SystemⅠ 液压管路Ⅰ 0603 Hydraulic SystemⅡ 液压管路 Ⅱ 0604 Hydraulic SystemⅠTW8 液压管路Ⅰ TW8 0605 Hydraulic SystemⅠTW8(Four)液压管路Ⅰ TW8(四联) 0606 Hydraulic SystemⅡ TW8 液压管路Ⅱ TW8 0607 Solenoid Valve Assembly TW8 电磁阀总成TW8 0608 Pump Motor and Pump 泵电机和泵 0609 Oil Tank 油箱 0701 Full Free 3-Stage Mast 全自由三级门架 0702 Full Free 3-Stage Mast Assembly全自由三级门架总成 0703 Full Free 3-Stage Mast Assembly(Four)全自由三级门架总成(四联) 070301 Full Free 3-Stage Mast Assembly(Four)全自由三级门架总成(四联) 0704 Full Free 3-Stage Mast Hose Assembly(Bulit-in)全自由三级门架油管总成(内置式) 0705 Full Free 3-Stage Mast Hose Assembly(Externa)全自由三级门架油管总成(外挂式) 0706 Full Free 3-Stage Mast Hose Assembly(Four)全自由三级门架油管总成(四联) 070601 Full Free 3-Stage Mast Hose Assembly(Four)全自由三级门架油管总成(四联) 0707 Free Lift Cylinder自由起升缸 0708 Full Free 3-Stage Mast Lift Cylinder全自由三级门架起升油缸 0709 Tilt Cylinder倾斜油缸 0710 Fork Frame 货叉架 0711 Full Free 2-Stage Mast全自由二级门架 0712 Full Free 2-Stage Mast Assembly全自由二级门架总成 0713 Full Free 2-Stage Mast Assembly(Four)全自由二级门架总成(四联) 0714 Full Free 2-Stage mast Hose Assembly(Bulit-in)全自由二级门架油管总成(内置式) 0715 Full Free 2-Stage mast Hose Assembly(Externa)全自由二级门架油管总成(外挂式) 0716 Full Free 2-Stage mast Hose Assembly(Four)全自由二级门架油管总成(四联) 0717 Full Free 2-Stage Mast Lift Cylinder-R全自由二级门架右升降油缸 0718 Full Free 2-Stage Mast Lift Cylinder-L全自由二级门架左升降油缸 0719 Fork Frame 货叉架 0720 Wide-View 2-Stage Mast 宽视野二级门架 0721 Wide-View 2-Stage Mast Assembly宽视野二级门架总成 0722 Wide-View 2-Stage Mast Assembly(Four)宽视野二级门架总成(四联) 0723 Wide-View 2-Stage Mast Hose Assembly宽视野二级门架油管总成 072301 Wide-View 2-Stage Mast Hose Assembly宽视野二级门架油管总成 0724 Wide-View 2-Stage Mast Hose Assembly(Four)宽视野二级门架油管总成(四联) 0725 Wide-View 2-Stage Mast Lift Cylinder宽视野二级门架起升缸 0726 Fork Frame 货叉架 0727 Chain Assembly 链条总成 0728 Built-in Sideshifter内置式侧移器 0729 External Sideshifter(Non-domestic)外挂式侧移器(非国产) 0730 External Sideshifter(Domestic)外挂式侧移器(国产)