0101 Frame Assembly 车架系统(S.N.before-Z332000000)
010101 Frame Assembly 车架系统(S.N.afterZ332000001-)
0102 Connecting Link Assembly(double wheel) 连杆总成(双轮)
0103 Caster Assembly 万向轮
0201 Driving System(1/2) 驱动系统(1/2)
0202 Driving System (2/2) 驱动系统 (2/2)
0301 Operating Control System操作系统
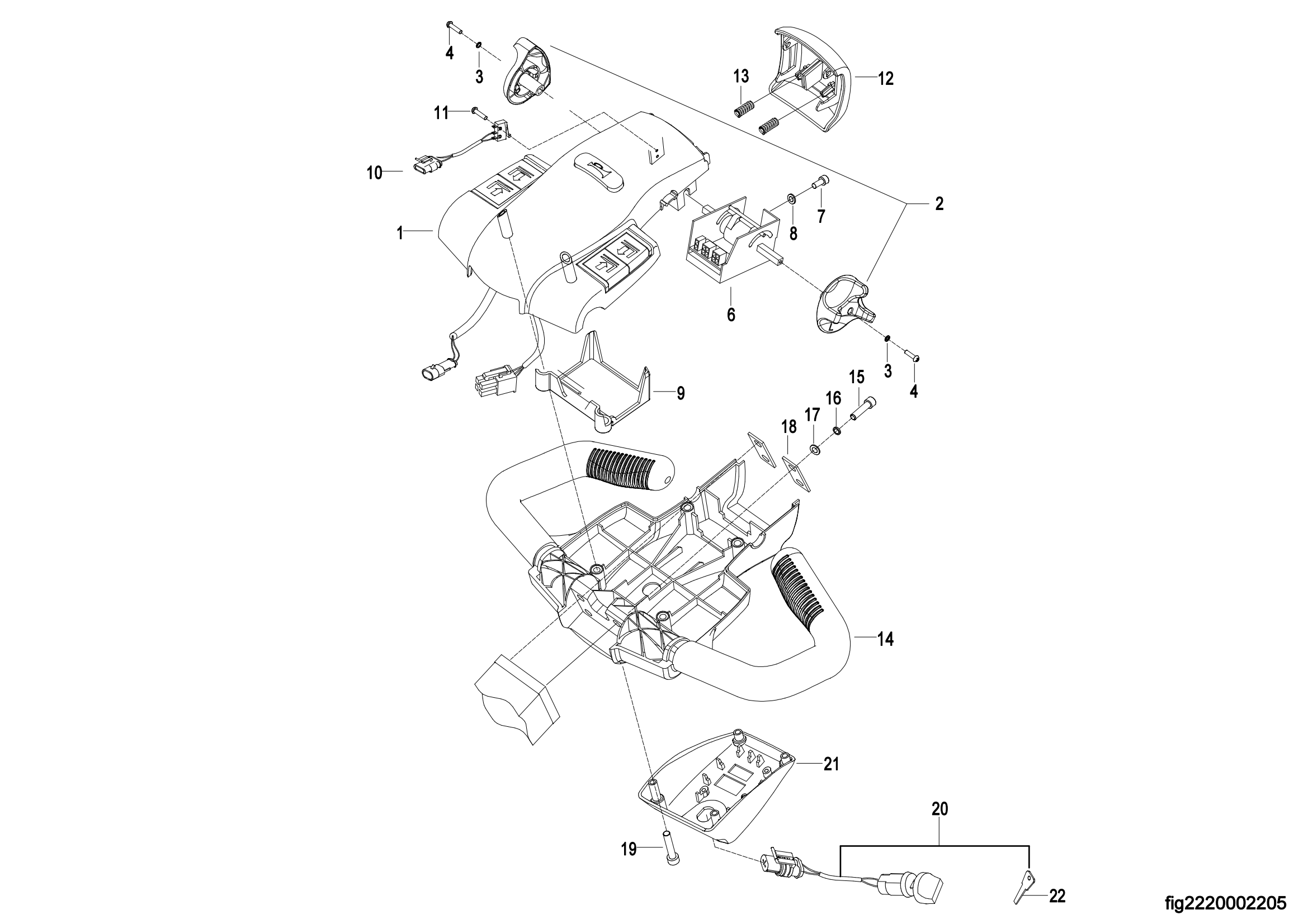
0302 Control Pod Assembly 操作手柄头总成
0303 Upper Cover Assembly 上盖总成
0401 Hydraulic System液压系统
0402 Lifting Cylinder 起升油缸
0403 Pump & Motor Assembly 液压站总成
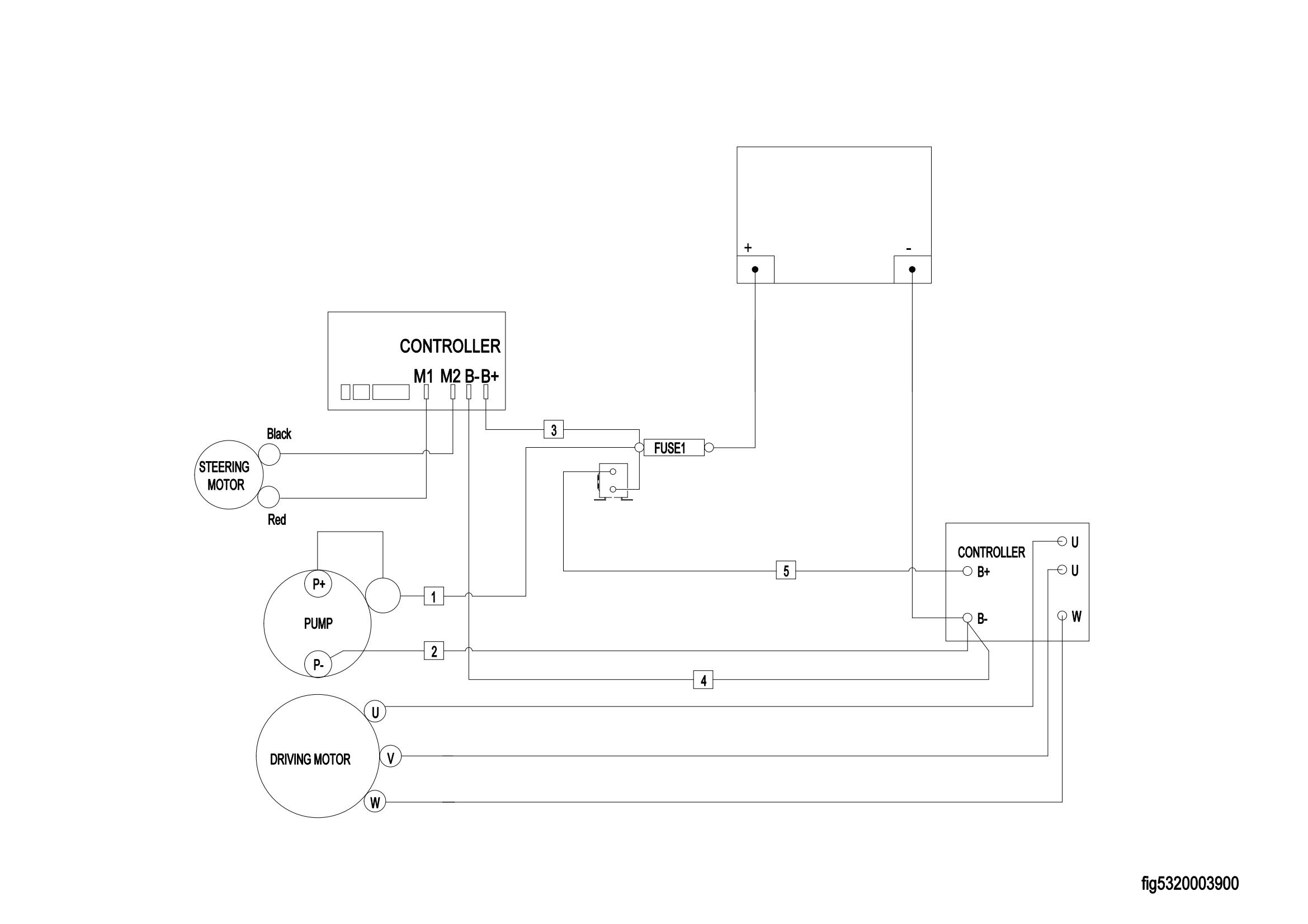
0501 Electrical Assembly电气总成
0502 Controller Board Assembly 电气安装板总成
0503 Lithium Battery 锂电池(S.N. before -Z321500017)
050301 Lithium Battery 锂电池(S.N. after Z321500018-)
0504 Wiring Harness 1 线束1
0505 Wiring Harness 2 线束2
0506 Cable Assembly 电缆总成
0507 Charger Assembly 外置充电器总成
0901 Label 标贴
0902 Special Accessories 特殊配件