0101 Double-Wheels Lifting Structure 双轮起升结构
010101 Double-Wheels Lifting Structure 双轮起升结构
010201 Single Wheel Lifting Structure 单轮起升结构
0102 Single Wheel Lifting Structure 单轮起升结构
0103 Double Load Wheel 双轮承载轮
0104 Single-Load Wheel 单轮承载轮
0105 Frame System 车身系统
0106 Battery Box (For Side) 电瓶箱(侧拉)
0107 Caster Assembly 万向轮
010701 Caster Assembly 万向轮
010801 Battery Cover 电瓶盒盖
0108 Battery Cover 电瓶盒盖
0109 Battery Cover (For Side) 电瓶盒盖(侧拉)
010901 Battery Cover (For Side) 电瓶盒盖(侧拉)
0110 Cover Assembly 外罩总成
0111 Handrails Assembly 护臂组件
011101 Handrails Assembly护臂组件
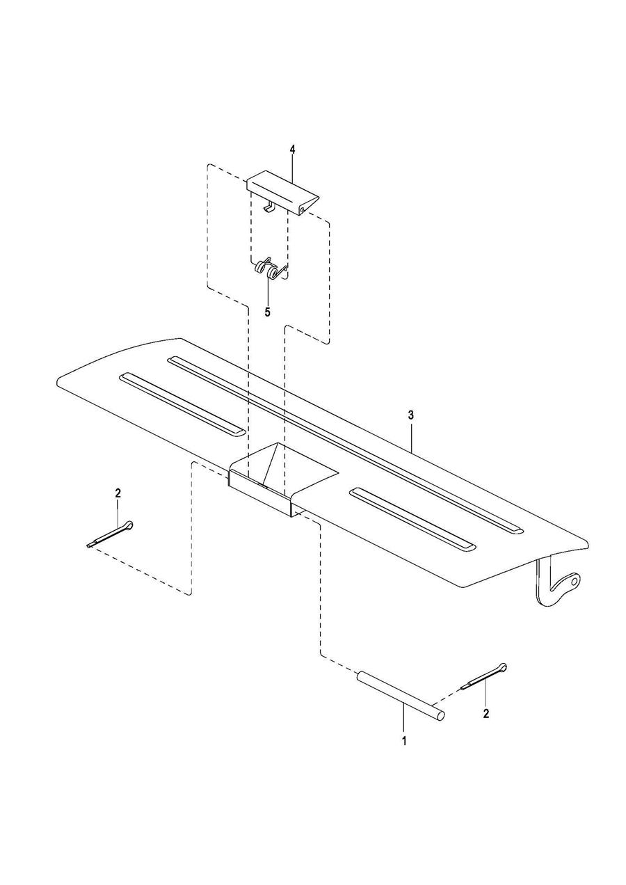
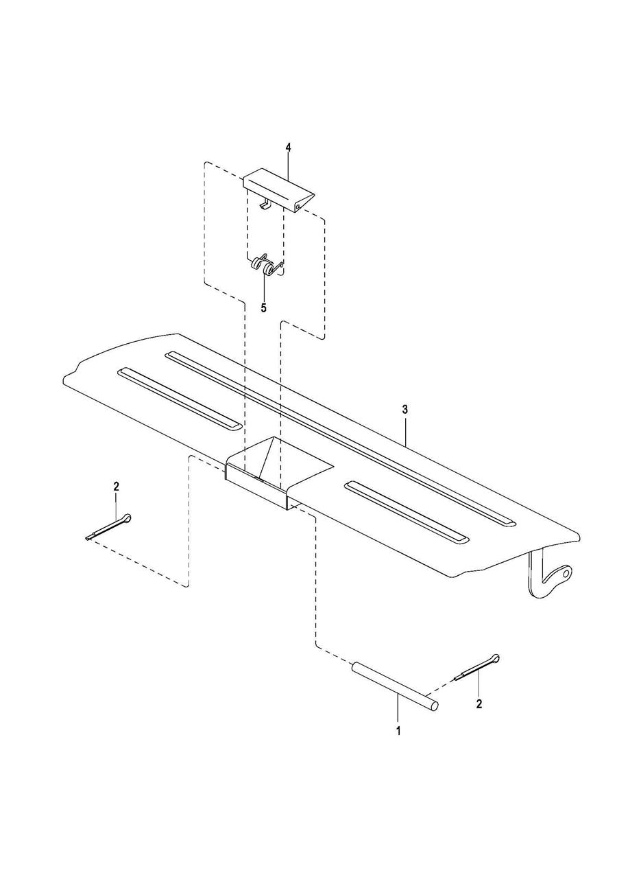
0112 Platform Assembly 踏板总成
0201 Driving Assembly 驱动总成
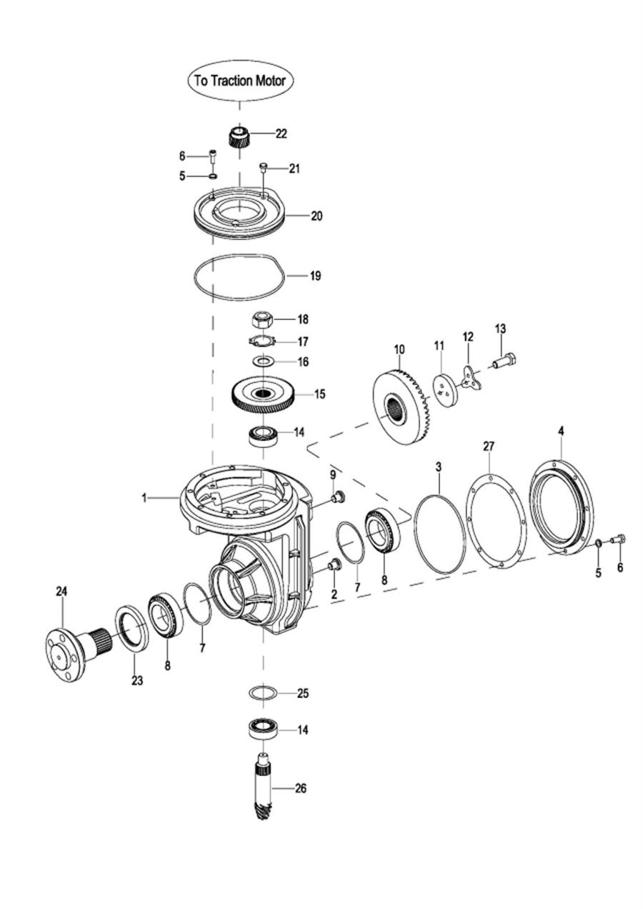
0202 Gear Case Assembly 减速箱总成
0301 Operating Control System 操作系统
0302 Control Pod Assembly 操作手柄头总成
030201 Control Pod Assembly操作手柄头总成
030301 Upper Cover Assembly上盖总成
0303 Upper Cover Assembly 上盖总成
0304 Button Reverser Assembly 紧急反向开关总成
0401 Hydraulic System 液压系统
0402 Pump & Motor Assembly 液压站总成
0403 Cylinder Assembly 油缸总成
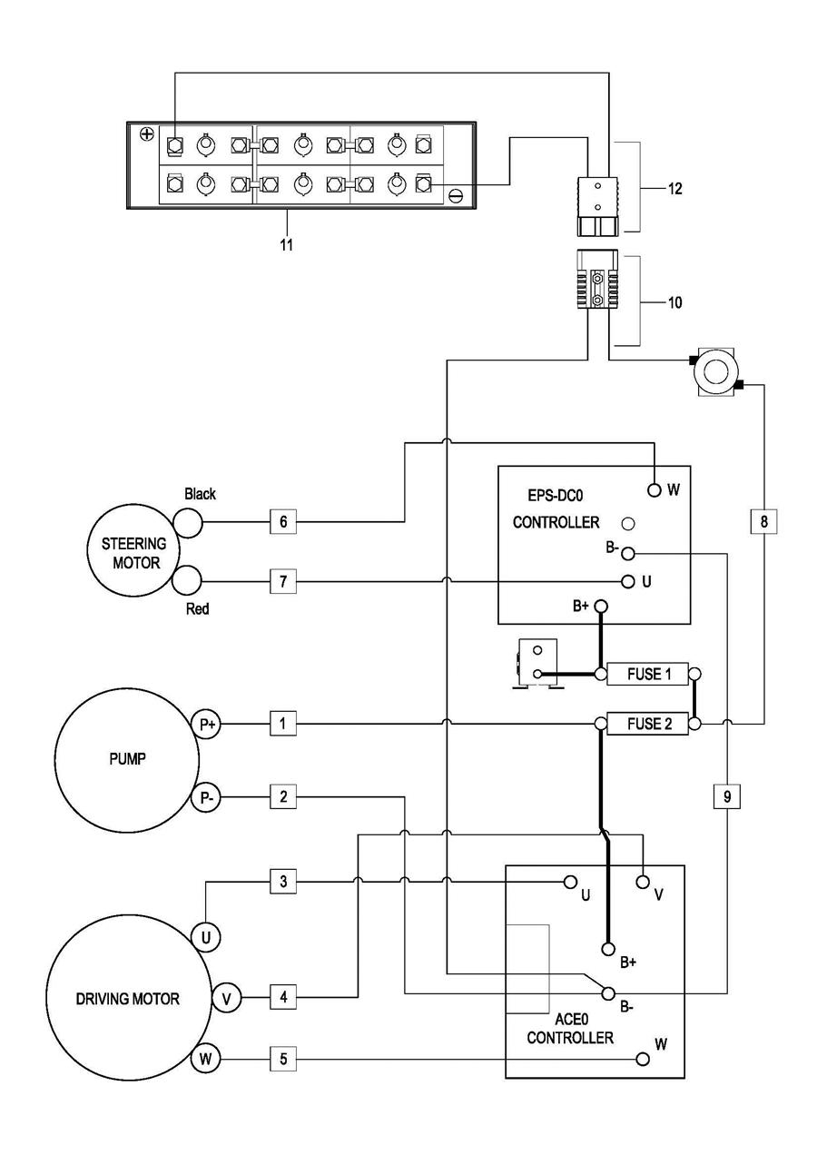
0501 Electrical System 电气系统
0502 Controller Board Assembly 电气安装板总成
0503 Wire Harness Assembly 线束总成
0504 Cable Assembly 电缆总成