0101 Frame System 车身系统(S.N.before-2321800514)
010101 Frame System 车身系统(S.N.from 2321800515 to 2331800039)
010102 Frame System 车身系统(S.N.after2331800040-)
0102 Overhead Guard安全棚
0103 Front Cover前外罩
0104 Back Cover 后外罩
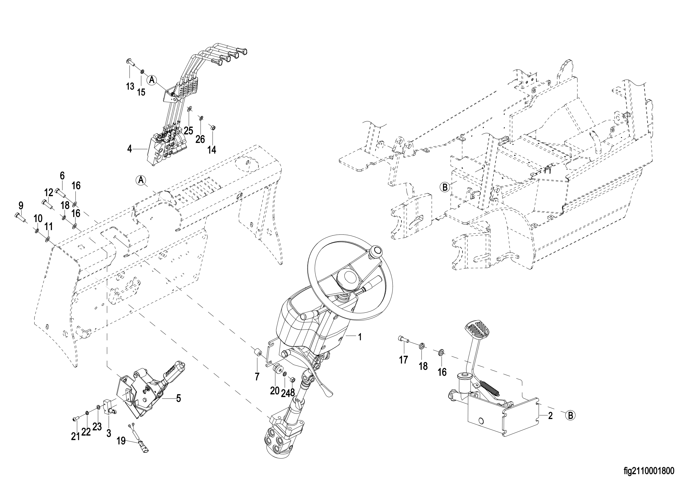
0201 Steer And Brake Control System操作和制动系统
0202 Service Brake行车制动
0203 Steering Assembly 转向柱总成
0204 Valve Control Linkage多路阀操作杆
0205 Meter仪表
0301 Drive System 驱动系统
0302 Drive axle assembly 驱动桥总成
0303 Brake assembly 制动器总成
0304 Drive wheel - single tire 驱动轮-单胎
0305 Differential 差速器
0306 Gearbox Assembly减速箱总成(SN.Before-2331700790)
030601 Gearbox Assembly减速箱总成(SN.After 2331700791-)
0401 Steering System转向系统
0402 Steering Axle 转向桥
0403 Steering Cylinder 转向油缸
0501 Electrical Components电器元件(S.N.before- 2331800005)
050101 Electrical Components电器元件(S.N.After 2331800006-)
0502 Wiring Harness Assembly线束总成
0503 Cable电缆总成
0504 Battery Assembly电瓶总成
0505 Battery Assembly(80V280Ah)电瓶总成(80V280Ah)
0601 Hydraulic SystemⅠ液压管路Ⅰ
0602 Hydraulic SystemⅡ液压管路Ⅱ
0603 Oil Tank油箱
0901 Label标贴