remzona-parts.ru
88007754294
sales@remzona-parts.ru
remzona-parts.ru
88007754294
sales@remzona-parts.ru
Обратный звонок
Заказать запчасть
Иконка корзина
0 позиций 0 руб.
Оформить заказ
Вход Регистрация
  • Каталог запасных частей
    • Bobcat
      • Шарнирно-сочлененный погрузчик
      • Навесное оборудование
      • Экскаватор–погрузчик
      • Мини-трактор
      • Мини-экскаватор
      • Другая техника
      • Мини-погрузчик
      • Телескопический погрузчик
      • Дизельные автомобили
      • Электрокар
    • Doosan
      • Бульдозеры
      • Экскаваторы
      • Колесные погрузчики
      • Погрузчики с бортовым поворотом
      • Лесотехнические машины
      • Самосвалы Moxy
      • Быстросъем
      • Навесное оборудование
      • Специальное исполнение
      • Прочие запчасти (другие)
    • EP Equipment
  • Запчасти для ТО
  • Шины для спецтехники
  • Гусеницы для спецтехники
  • Навесное оборудование
  • Прицепы для перевозки мини-спецтехники
  • Дополнительное оборудование
  • Новости
  • Ремонт и сервис
  • О проекте
    • Проект Ремзона
    • Оптовикам
    • Поставщикам
    • Регионам
    • Отзывы
  • Акции
  • Статьи
  • Контакты
  • Помощь
    • Как оформить заказ
    • Оплата
    • Доставка
    • Поиск запасных частей
    • Возврат деталей
Авторизация
Забыли пароль? Регистрация
Обратный звонок
  1. Главная
  2. Каталог запасных частей
  3. EP Equipment
  4. Электротележка для поддонов
  5. Max Series
  6. TPL301

Запчасти на Электротележка для поддонов EP Equipment TPL301 Max Series

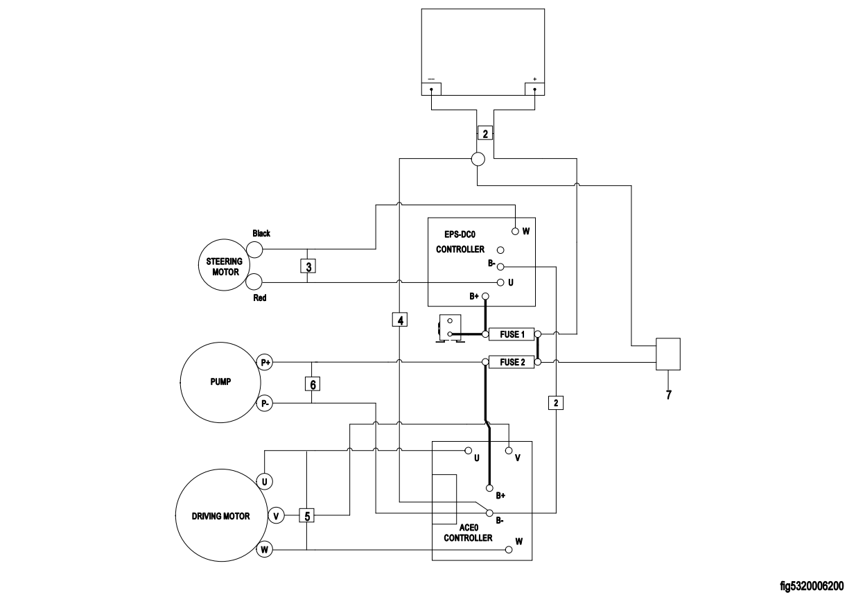
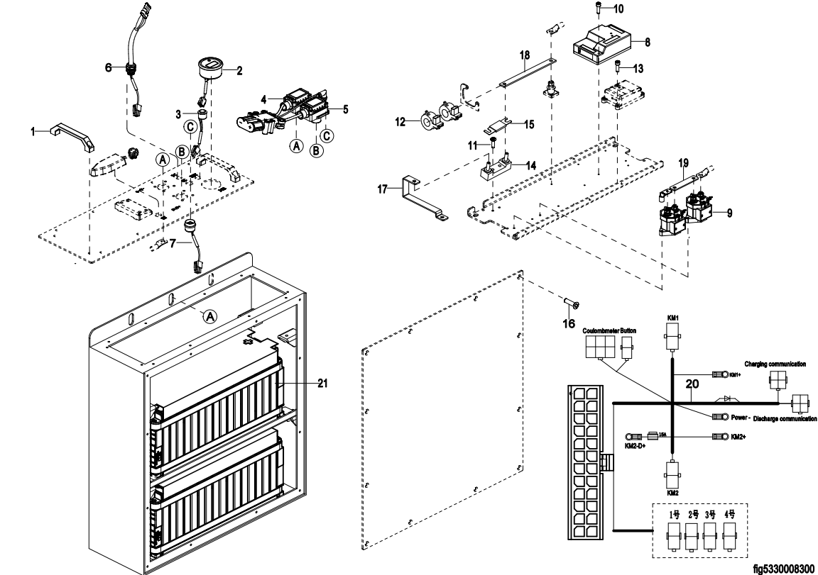
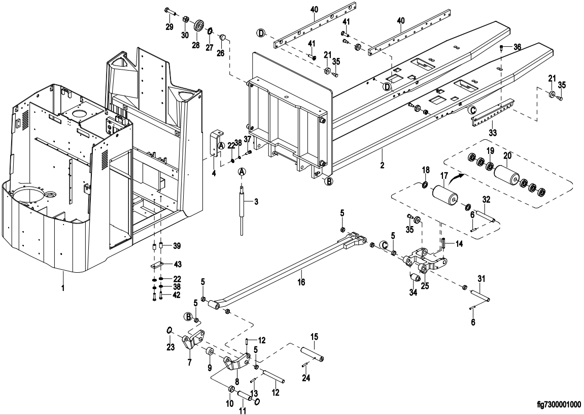
0101 Single Wheel Lifting Structure 单轮起升结构 0102 Frame System 车身系统 0103 Caster Assembly万向轮总成 0201 Driving System 驱动系统 0202 Gear Case Assembly减速箱总成 0301 Operating Control System 操作系统 0302 Control Pod Assembly 手柄头总成 0303 Accelerator Assembly 加速器总成 0401 Hydraulic Assembly液压总成 0402 Cylinder Assembly 油缸总成 0403 Motor & Pump Assembly 液压站总成 0501 Electrical System电气系统 0502 Controller Board Assembly 电器安装板总成 0503 wire Harness Assembly线束总成 0504 Cable Assembly 电缆总成 0505 Battery Assembly 电瓶总成 0506 Battery Assembl电瓶总成 0601 Labels(For China)标贴 0602 Labels(For Overseas)标贴
Мы в соц.сетях vk.com youtube.com telegram rutube
88007754294

Данный сайт носит исключительно информационный характер и ни при каких условиях информационные материалы и цены, размещенные на сайте, не являются публичной офертой, определяемой положениями Статей 435 и 437 гражданского кодекса РФ.

Пользовательское соглашение

Наши проекты: nationalrent.ru bobcatrussia.ru disd-loaders.ru mitforklift.com.ru earthforcerussia.com sunward-nak.ru ep-com.ru rigorus.ru
(c) remzona-parts.ru, 2026
Создание сайта Астра Сити
Реквизиты Карта сайта
  • Bobcat
  • Doosan
  • EP Equipment