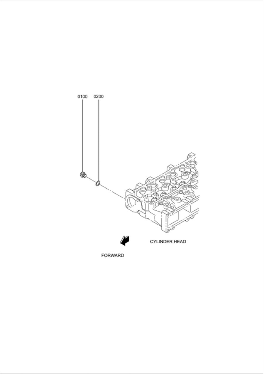
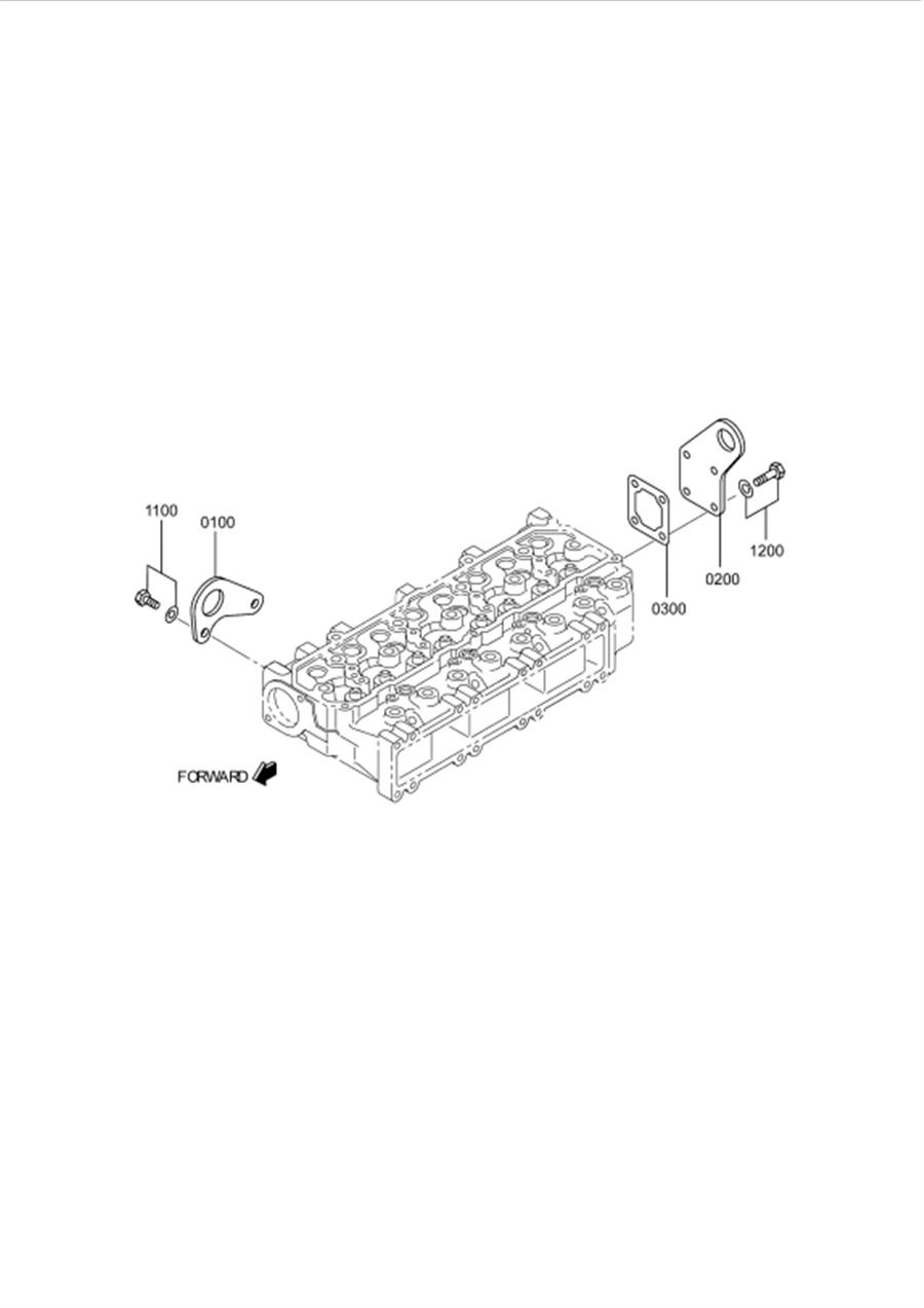
01 CYLINDER HEAD 气缸盖
02LIFTING EYE 吊耳
03 PLUG(CYLINDER HEAD)插头(汽缸)
04VALVE MECHANISM 气门机构
05ROCKER COVER 摇杆盖
06CAMSHAFT & TAPPET凸轮轴,推杆
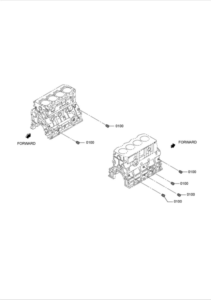
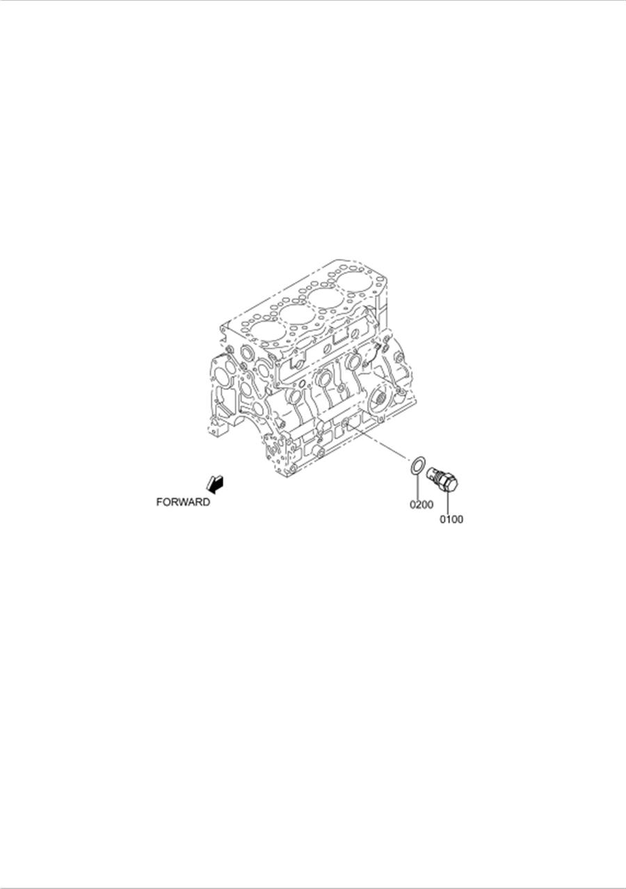
07 CRANKCASE 曲轴箱
08DRAIN COCK & PIPE排气阀
09 1/8 PLUG (CRANKCASE)1/8塞子(曲轴箱)
10 3/8 PLUG (CRANKCASE)3/8塞子(曲轴箱)
11REAR PLATE后板
12 MAIN METAL 主金属件
13TIMING GEAR CASE正时齿轮箱
14GAGE,OIL LEVEL油位计,
15PISTON 活塞
16CONNECTING ROD连杆
17CRANKSHAFT曲轴
18CRANK PULLEY曲轴皮带轮
19FLYWHEEL飞轮
20TIMING GEAR正时齿轮
21 SIDE PTO转利和商标
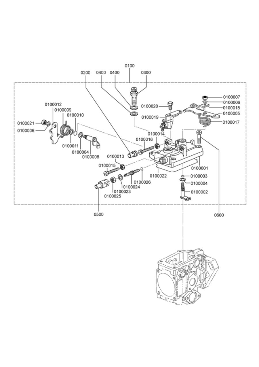
22INLET SYSTEM进气系统
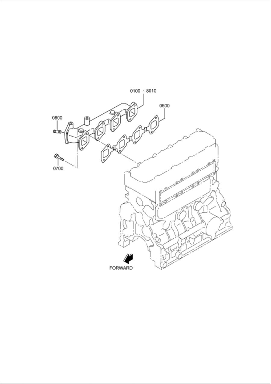
23INLET PIPE 进气管
24EXHAUST SYSTEM排气系统
25OIL PUMP油泵
26OIL STRAINER油过滤器
27OIL SYSTEM油系统
28OIL COOLER油冷却器
29 OIL FILTER 滤油机
30 BREATHER通气阀
31WATER PUMP水泵
32 WATER PUMP PULLEY水泵皮带轮
33COOLING SYSTEM冷却系统
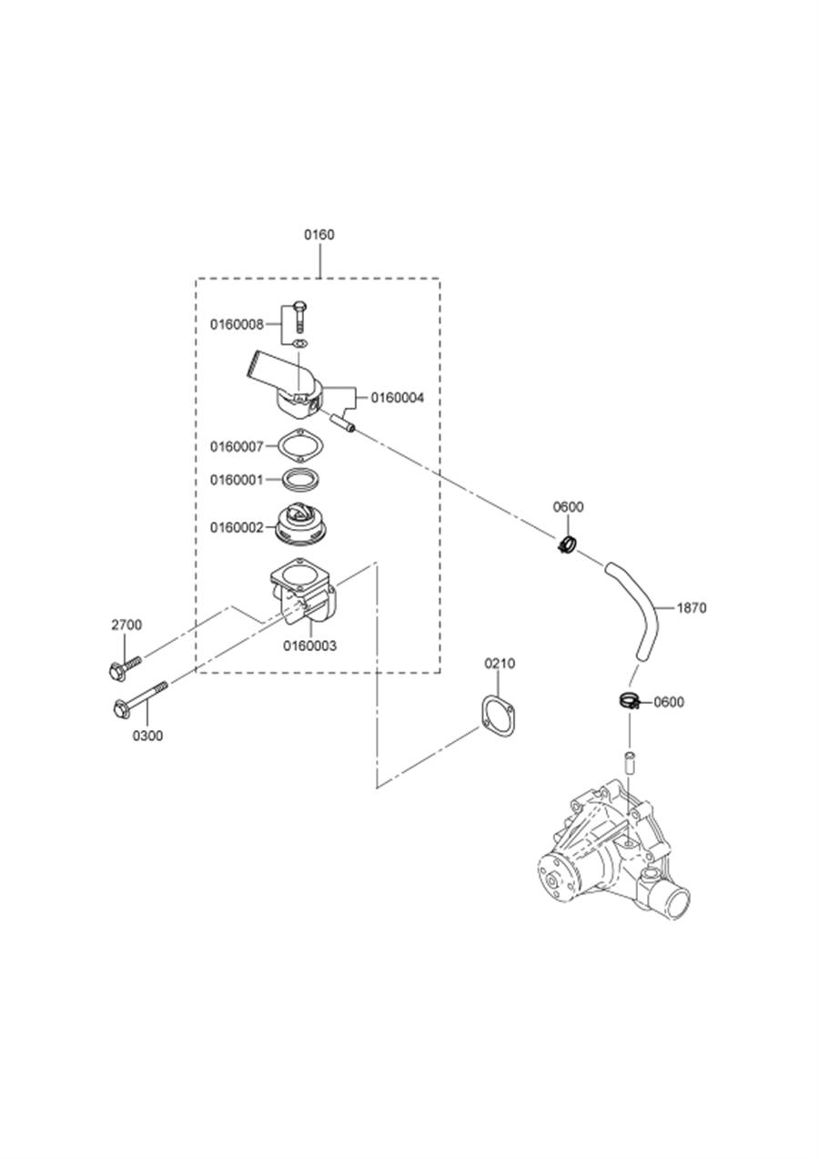
34FAN风扇
35FAN SPACER风扇垫片
36V-BELT V形带
37FUEL SYSTEM燃油系统
38NOZZLE ASSY喷嘴总成
39FUEL FILTER燃料过滤器
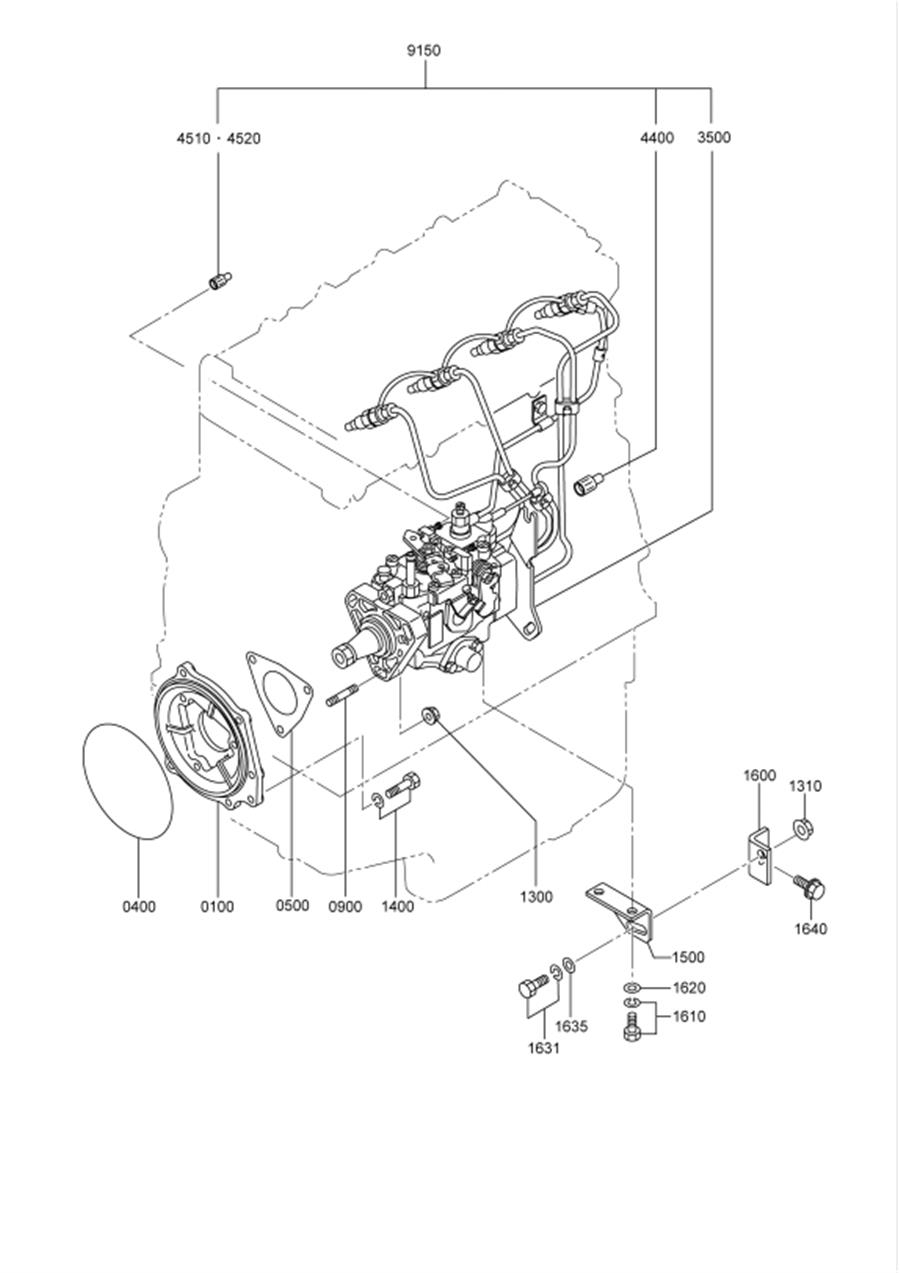
40INJECTION PUMP GENERAL喷射泵
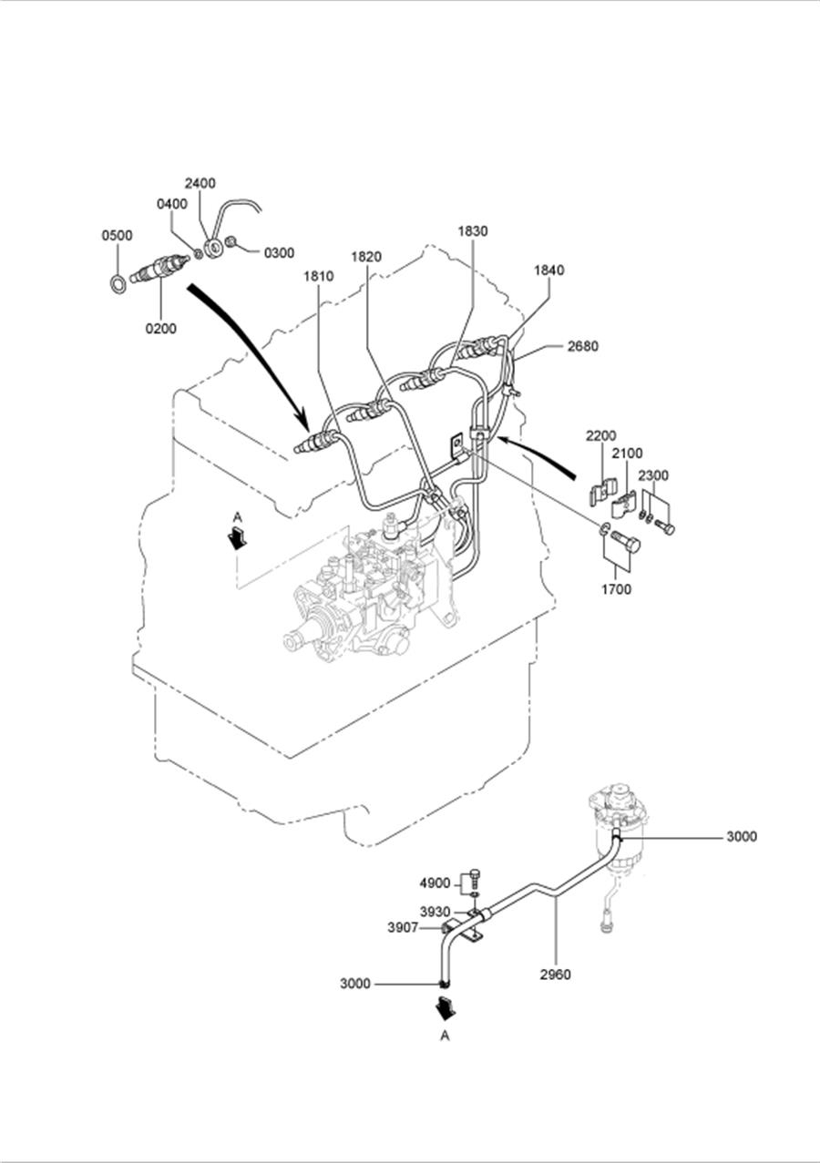
41INJECTION PUMP(PART-1)喷射泵(第1部分)
42INJECTION PUMP(PART-2)注射泵(第2部分)
43STARTER ASSY起动机总成
44GLOW PLUG & WIRE电热塞&线
45ALTERNATOR交流发电机
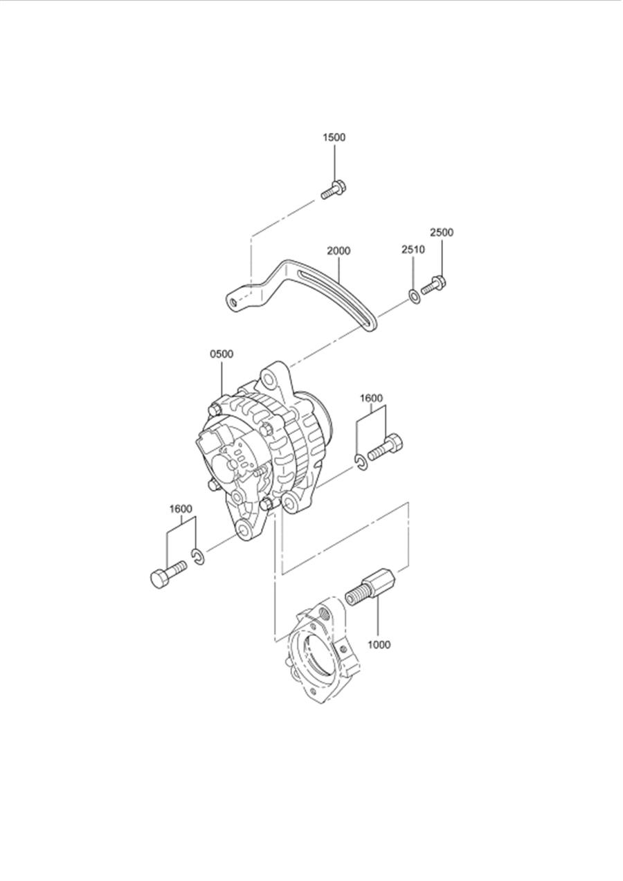
46ALTERNATOR ASSY交流发电机
47INSTRUMENT工具
48ACCESSORY附件
49NAME PLATE商标
50OVERHAUL GASKET KIT调整垫片套件