0101 Frame Assembly 车架系统
0102 Connecting Link Assembly(double wheel)连杆总成(双轮)
0103 Connecting Link Assembly(single wheel)连杆总成(单轮)
0201 Driving System驱动系统
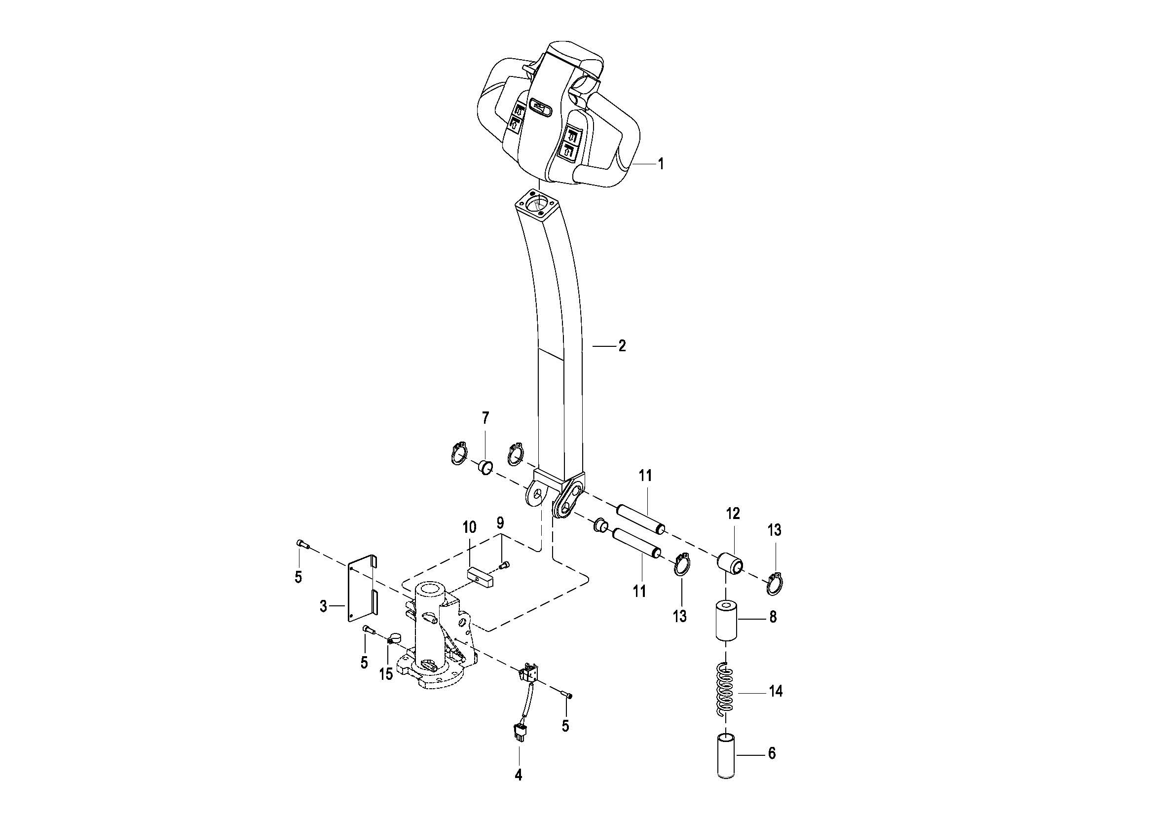
0301 Operating Control System操作系统
030101 Operating Control System 操作系统
0302 Handle head assembly手柄头总成
0303 Upper Cover Assembly上盖总成
0401 Hydraulic System液压系统
0402 Lifting Cylinder起升油缸
040201 Lifting Cylinder 起升油缸
0403 Pump&Motor Assembly(WB) 液压站总成
0403 Pump&Motor Assembly(EP) 液压站总成
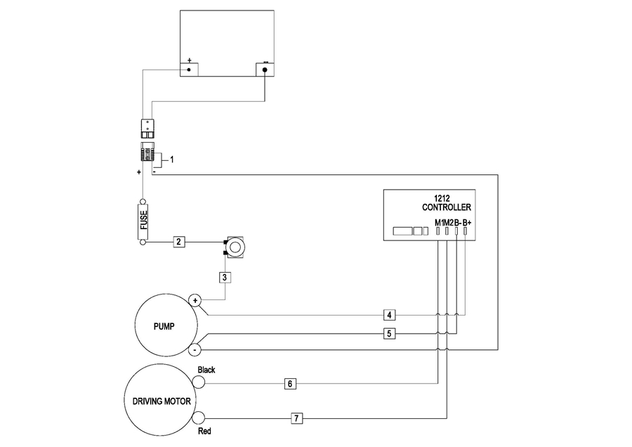
0501 Electrical Assembly电气总成
0502 Battery Assembly电瓶总成
0503 Wiring Harness(S.N. before -4321604024)线束
050301 Wiring Harness(S.N. after 4321604025-)线束
0504 Cable Assembly电缆总成
0601 Labels(标贴)