0101 Frame System 车身系统
0102 Connecting Link Assembly(double whee) 连杆总成(双轮)
0102 Connecting Link Assembly(single wheel) 连杆总成(单轮)
0103 Cover Assembly 外罩总成
0104 Caster Assembly 万向轮
0201 Driving System 驱动系统
0301 Operating Control System 操作系统
0302 Control Pod Assembly(For Lithium Battery) 手柄头总成(锂电)
0302 Control Pod Assembly(For Lead Acid Battery) 手柄头总成(铅酸)
0303 Upper Cover Assembly 上盖总成
0401 Hydraulic Assembly 液压总成
0402 Lifting Cylinder 起升油缸
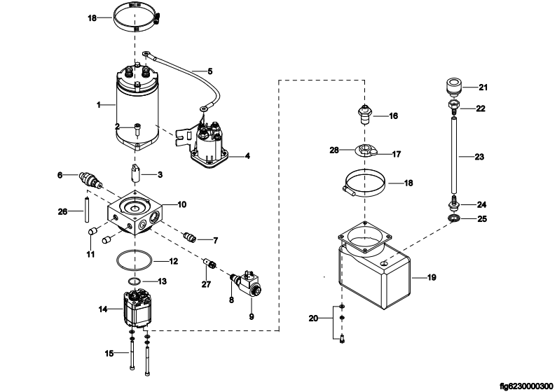
0403 Pump & Motor Assembly(EP) 液压站总成
0501 Setting Board Assembly 电器板总成
0502 Battery Assembly 电瓶总成
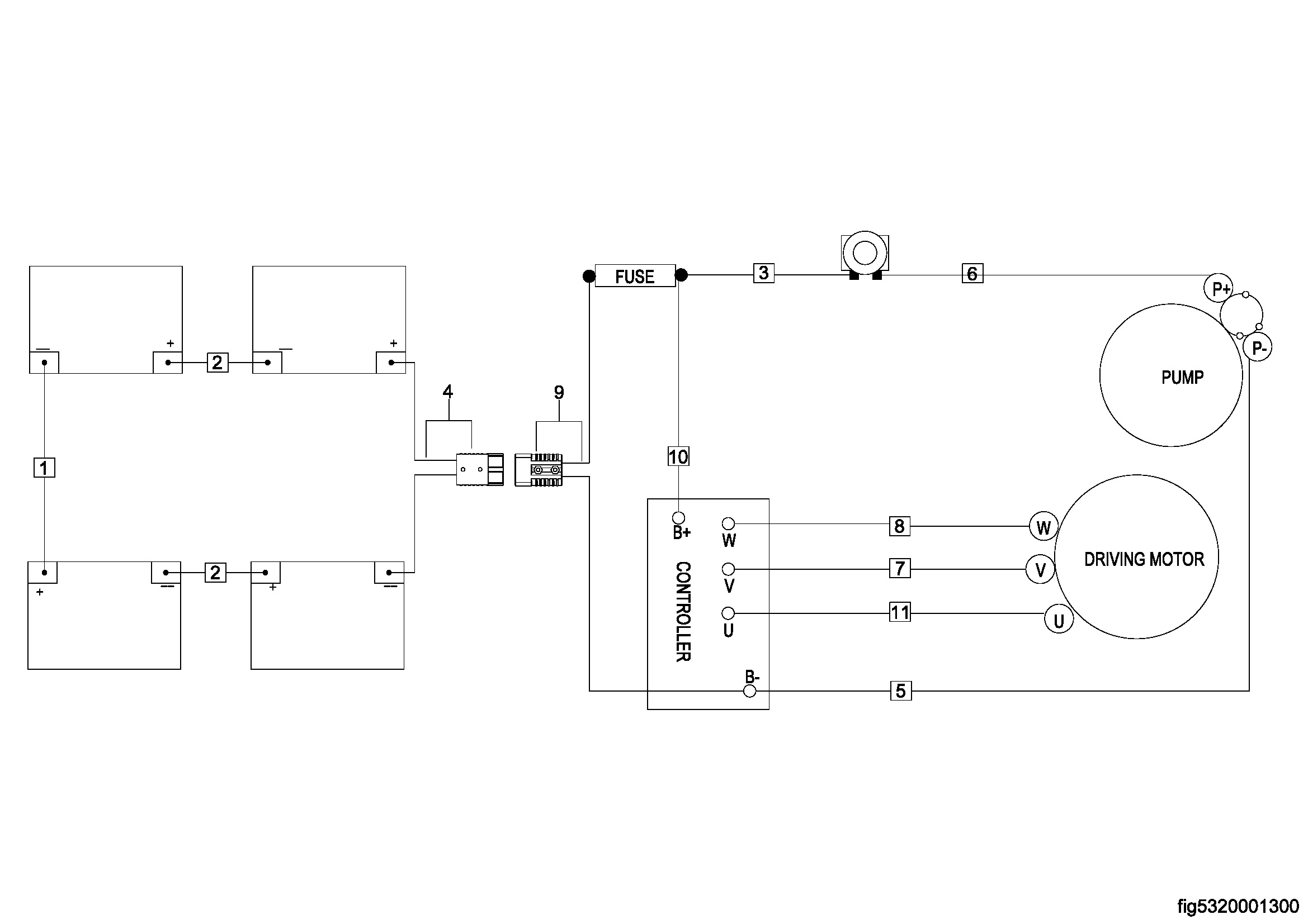
0503 Wire Harness Assembly(For Lithium Battery) 线束总成(锂电)
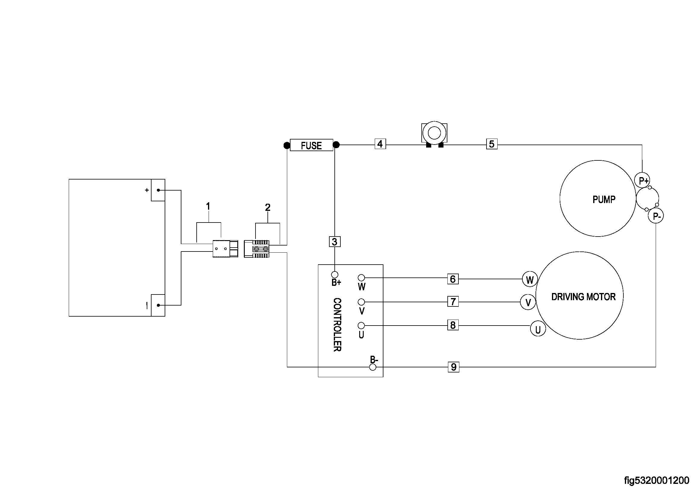
0503 Wire Harness Assembly(For Lead Acid Battery) 线束总成(铅酸)
0504 Cable Assembly(For Lithium Battery) 电缆总成(锂电)
0504 Cable Assembly(For Lead Acid Battery) 电缆总成(铅酸)
0901 Label 标贴