Запчасти на Электрический штабелер EP Equipment WSA161I Double-lift Stacker

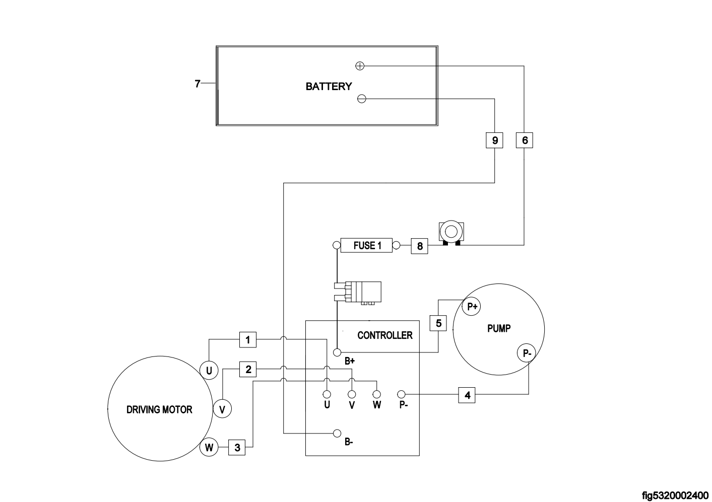
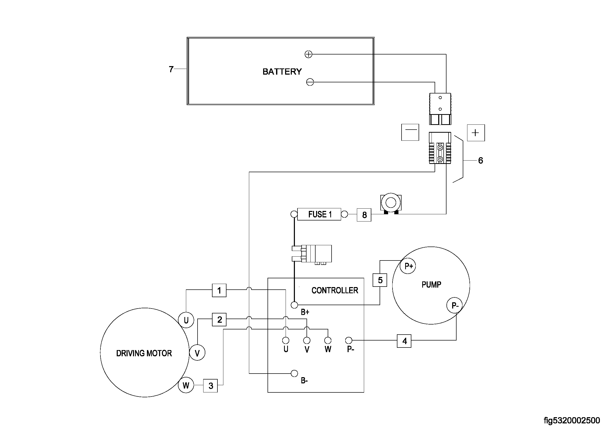
0101 Frame System 车架系统 0102 Lifting Structure 起升结构 0103 Caster Assembly 万向轮 0201 Driving System 驱动系统 0202 Gear Case Assembly 减速箱总成 0301 Operating Control System 操作系统 0302 Control Pod Assembly 手柄头总成 0303 Accelerator Assembly 加速器总成 0401 Hydraulic Assembly 液压总成 0402Pump & Motor Assembly 液压站总成 0501 Electric Assembly 电气总成 0502 Wire Harness Assembly 线束总成 0503 Cable Assembly(For Lithium Battery) 电缆总成(锂电) 0504 Cable Assembly(For Lead Acid Battery) 电缆总成(铅酸) 0505 Battery Assembly,205Ah 电瓶总成 0506 Battery Assembly(For CE,100Ah) 电池总成 0507 Battery Assembly(For CE 205h) 电瓶总成 0508 Battery Assembly(For Non CE,100Ah) 电池总成 0509 Optional,选配项 0601 3-Stage Mast Assembly三级门架总成 0602 Lifting Cylinder起升油缸 0603 Freedom Lifting Cylinder 自由起升油缸 0604 Full Free3-Stage Mast Hose Assembly全自由三级门架油管总成(S.N before-3341302262) 060401 Full Free3-Stage Mast Hose Assembly全自由三级门架油管总成(S.N after 3341302263-) 0605 Fork Frame Assembly货叉架总成 0606 Wide-View 2-Stage Mast 宽视野二级门架 0607 Wide-View 2-Stage Mast Lifting Cylinder宽视野二级门架起升油缸 0608 Wide-View 2-Stage Mast Hose Assembly宽视野二级门架油管总成 0609 2 Wide-View 2-Stage Mast Fork Frame Assembly宽视野二级门架货叉架总成 0610 Full Free 2-Stage Mast Assembly全自由二级门架总成 0611 Full Free 2-Stage MastLifting Cylinder全自由二级门架起升油缸 0612 Full Free 2-Stage Mast Freedom Lifting Cylinder全自由二级门架自由起升油缸 0613 Full Free 2-Stage Mast Hose Assembly全自由二级门架油管总成 0614 Full Free 2-Stage Mast Fork Frame Assembly货叉架总成 0615 Mast Windshield Assembly门架安全挡板总成 0901 Label 标贴