-
Главная
-
Каталог запасных частей
-
EP Equipment
-
Электротележка для поддонов
-
Mini Series
-
EPL154(Z)
Запчасти на Электротележка для поддонов EP Equipment EPL154(Z) Mini Series
0101 Frame Assembly车架系统 S.N before 043020 (April 30th,2020)
010101 Frame Assembly 车架系统 S.N after 050120 (May 1st,2020)
0102 Connecting Link Assembly(double wheel)连杆总成(双轮)
0103 Connecting Link Assembly(single wheel)连杆总成(单轮)
0104 Caster Assembly万向轮
0201 Driving System驱动系统
0301 Operating Control System操作系统
0302 Handle head assembly手柄头总成
0303 Upper Cover Assembly上盖总成
0401 Hydraulic System液压系统
0402 Lifting Cylinder起升油缸
0403 Pump&Motor Assembly 液压站总成 S.N before 043020 (April 30th,2020)
040301 Pump&Motor Assembly液压站总成 S.N. from 050120 to 7311903729
040302 Pump&Motor Assembly 液压站总成 S.N. after 7311903730-
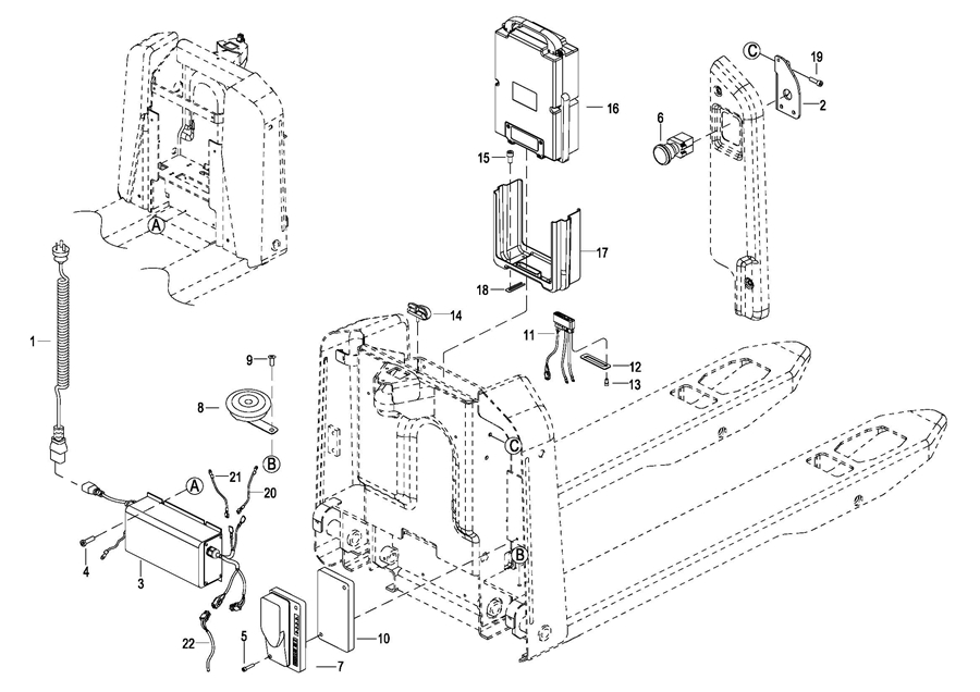
0501 Electrical Assembly电气总成 S.N. before 043020 (April 30th,2020)
050101 Electrical Assembly电气总成 S.N after 050120 (May 1st,2020)
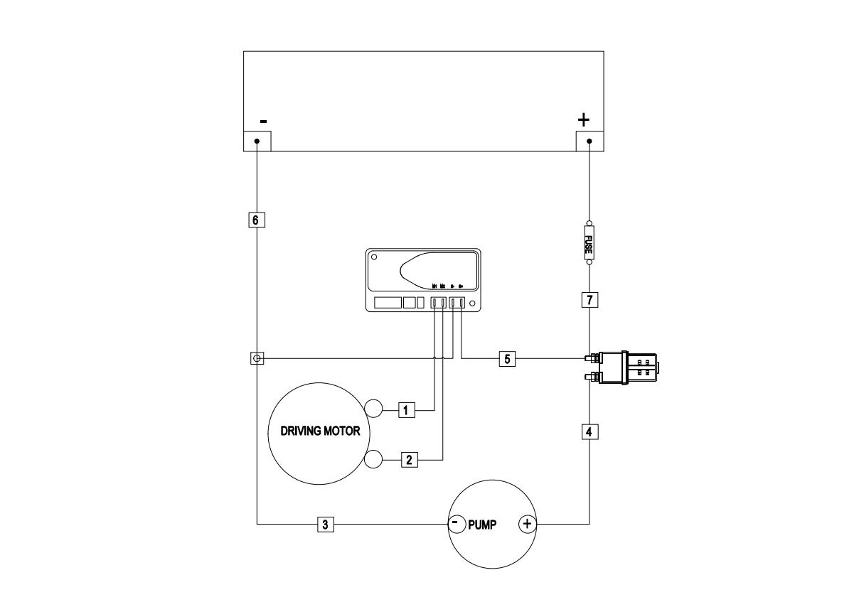
0502 Wiring Harness 线束 S.N before 043020 (April 30th,2020)
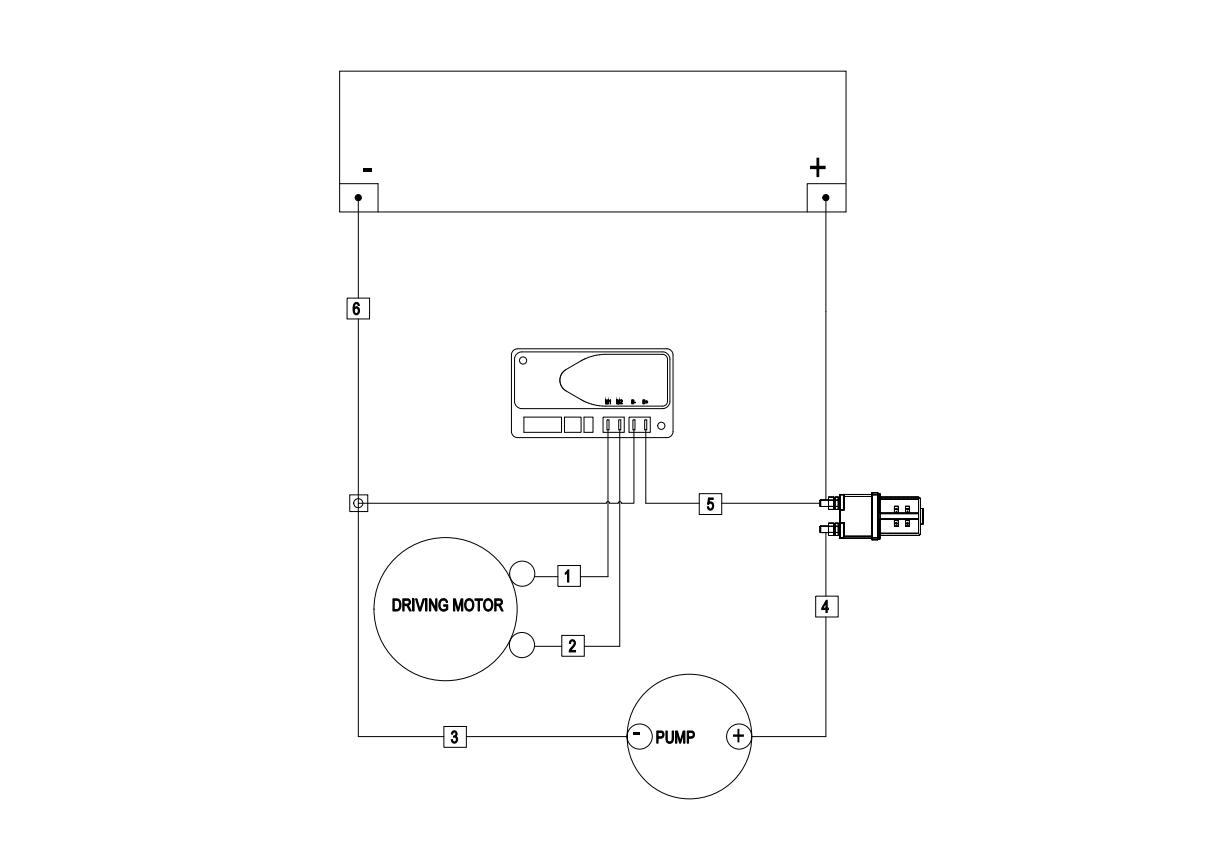
050201 Wiring Harness, 线束 For CE Area, S.N. after 050120 (May 1st,2020)
050201 Wiring Harness 线束 For Non CE Area, S.N after 050120 (May 1st,2020)
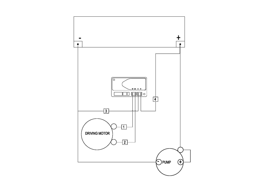
0503 Cable Assembly 电缆 S.N before 043020 (April 30th,2020)
050301 Cable Assembly 电缆 For Non CE Area, S.N. after 050120 (May,1st,2020)
050301 Cable Assembly, 电缆 For CE Area, S.N after 050120 (May 1st,2020)
0504 Battery 锂电池 For Old CE and Non CE
0505 Battery, 锂电池 For New CE
0601 Blocking Shelf Assembly(Optional) 挡货架总成(选配)
0701 Charger assembly (Exteral) 充电器总成(外置)
0702 DC-DC Charger assembly (Exteral) DC-DC充电器总成(外置)
0801 Labels(标贴)