Запчасти на Электрический погрузчик EP Equipment CPD15/18/20FVD8 Серия FVD

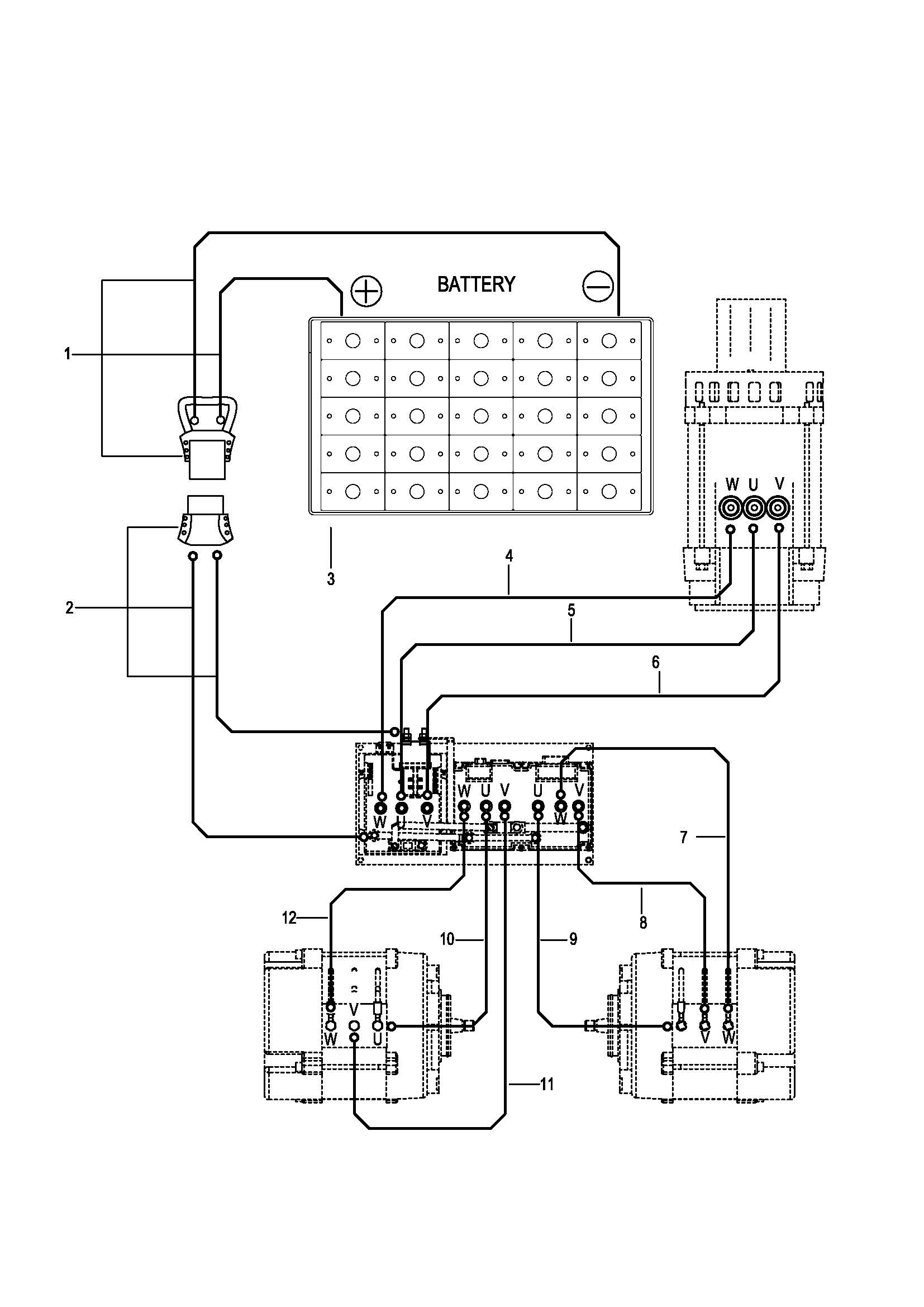
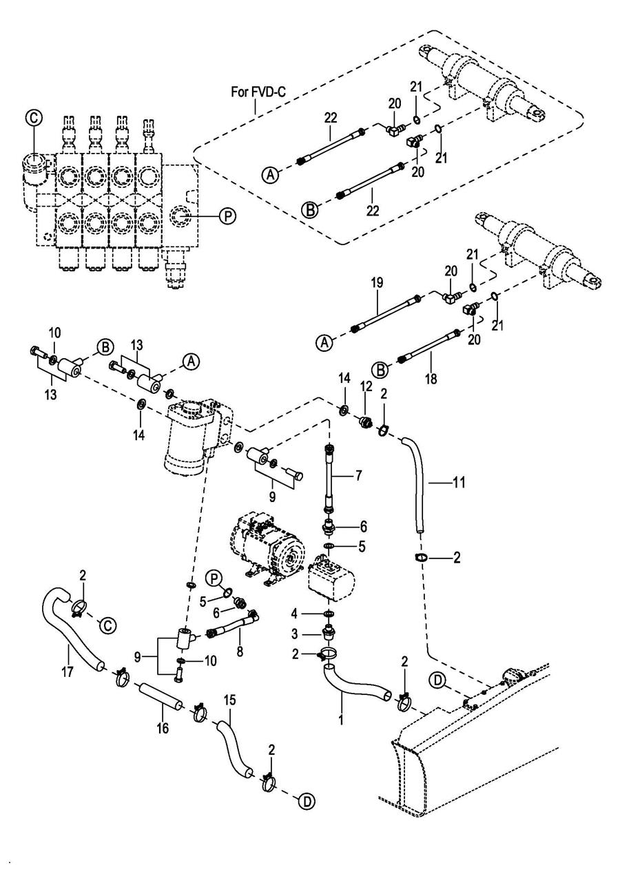
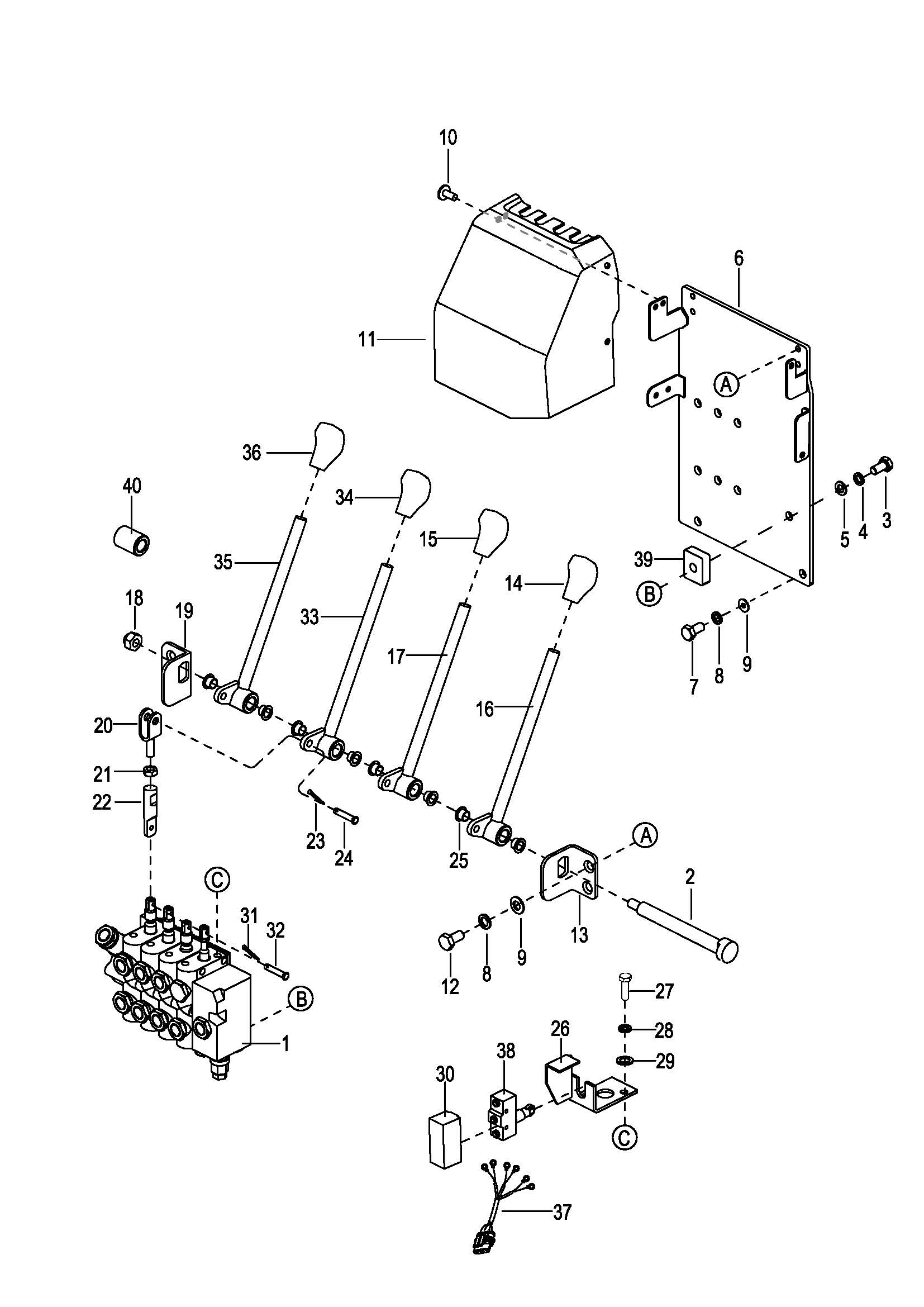
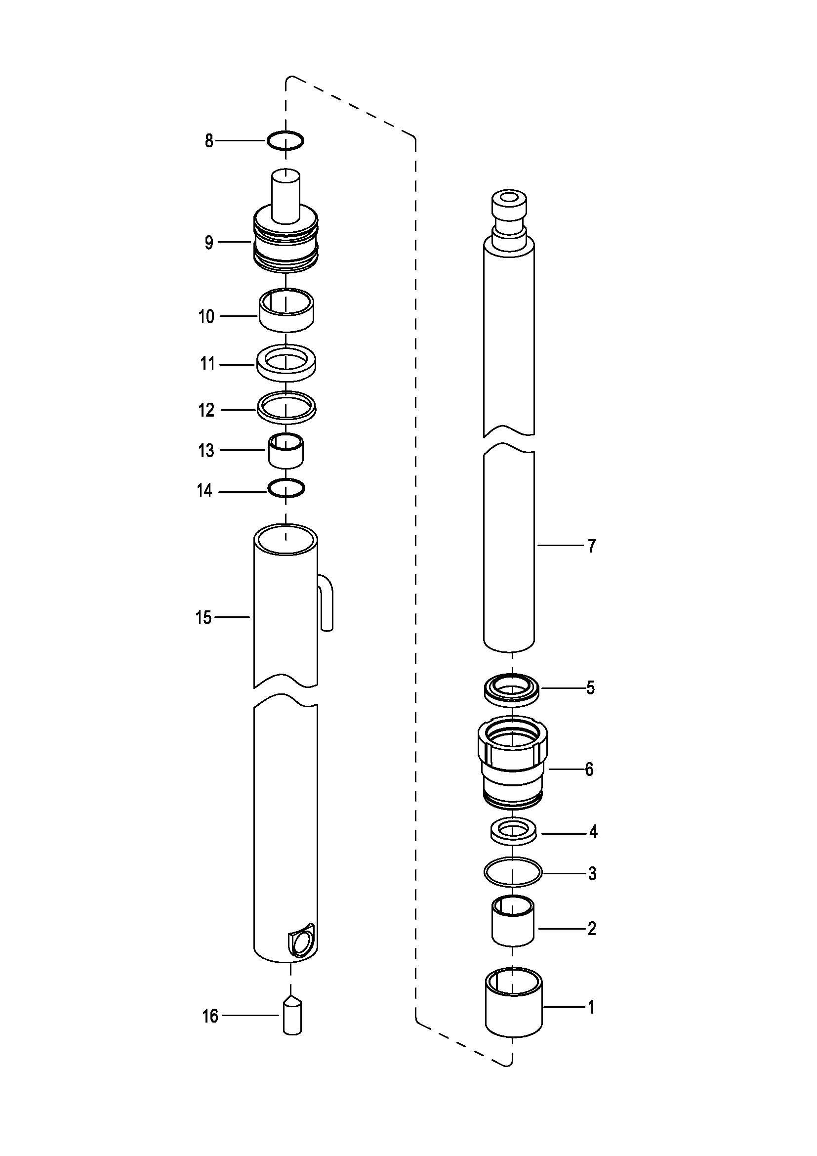
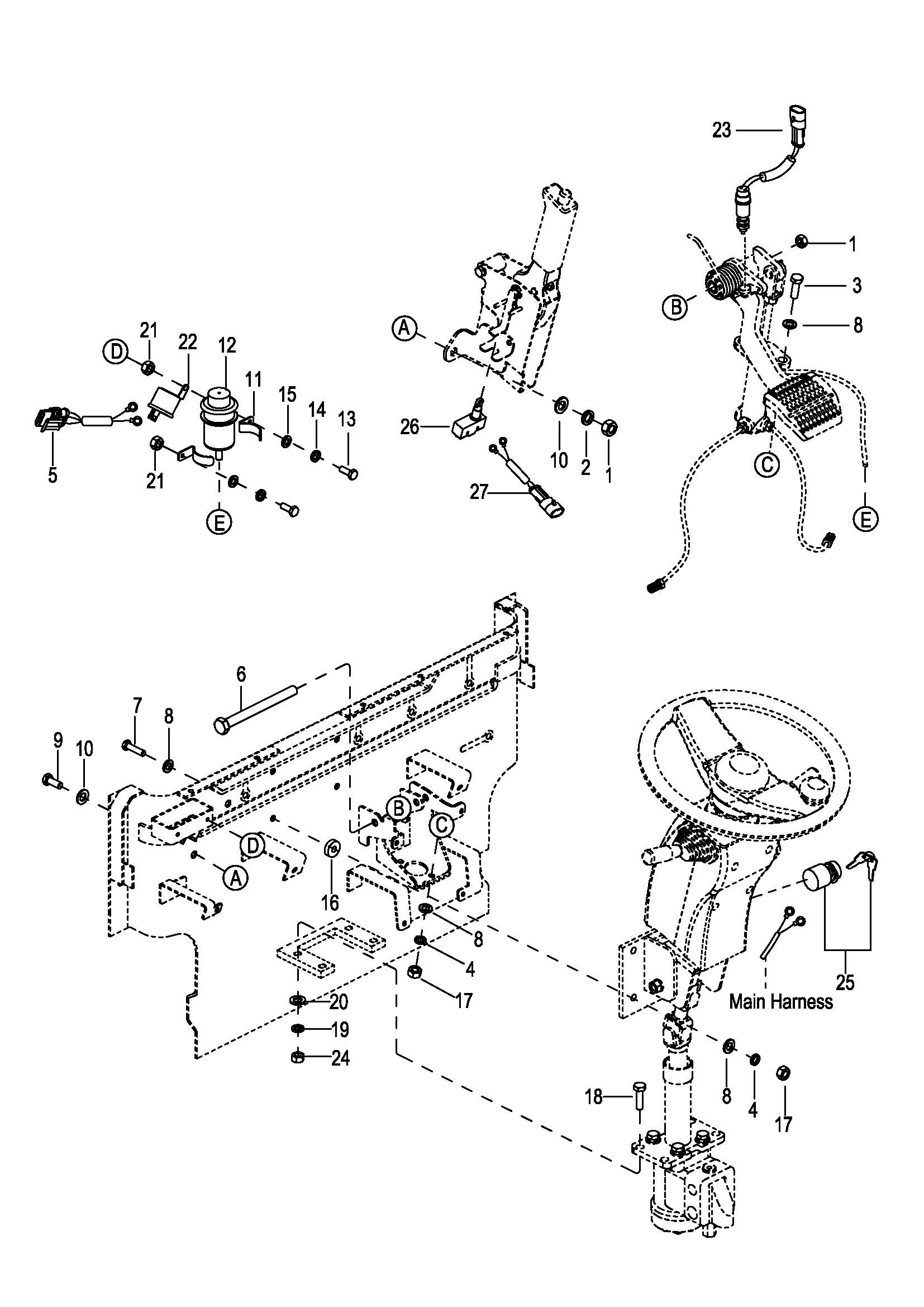
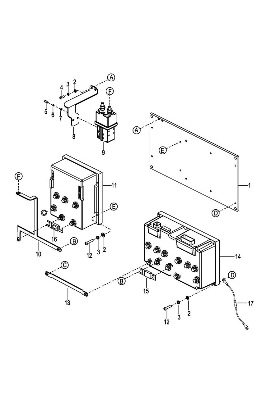
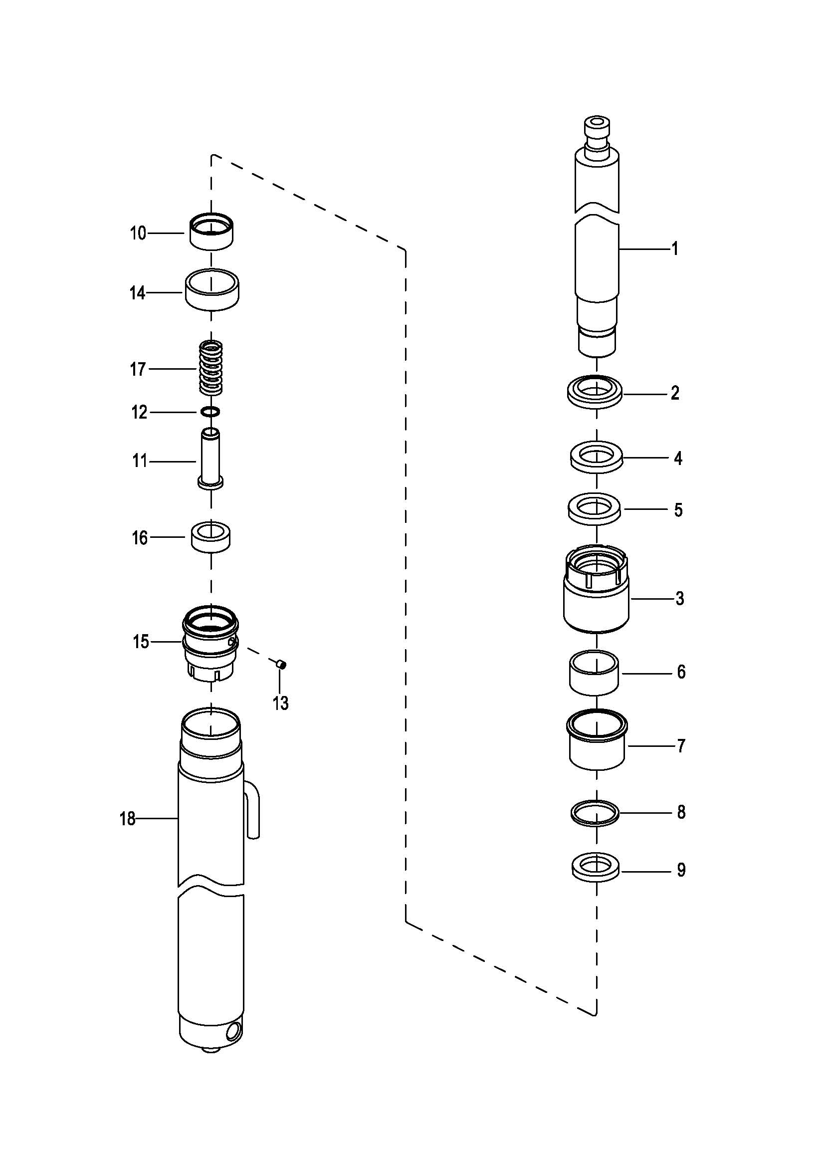
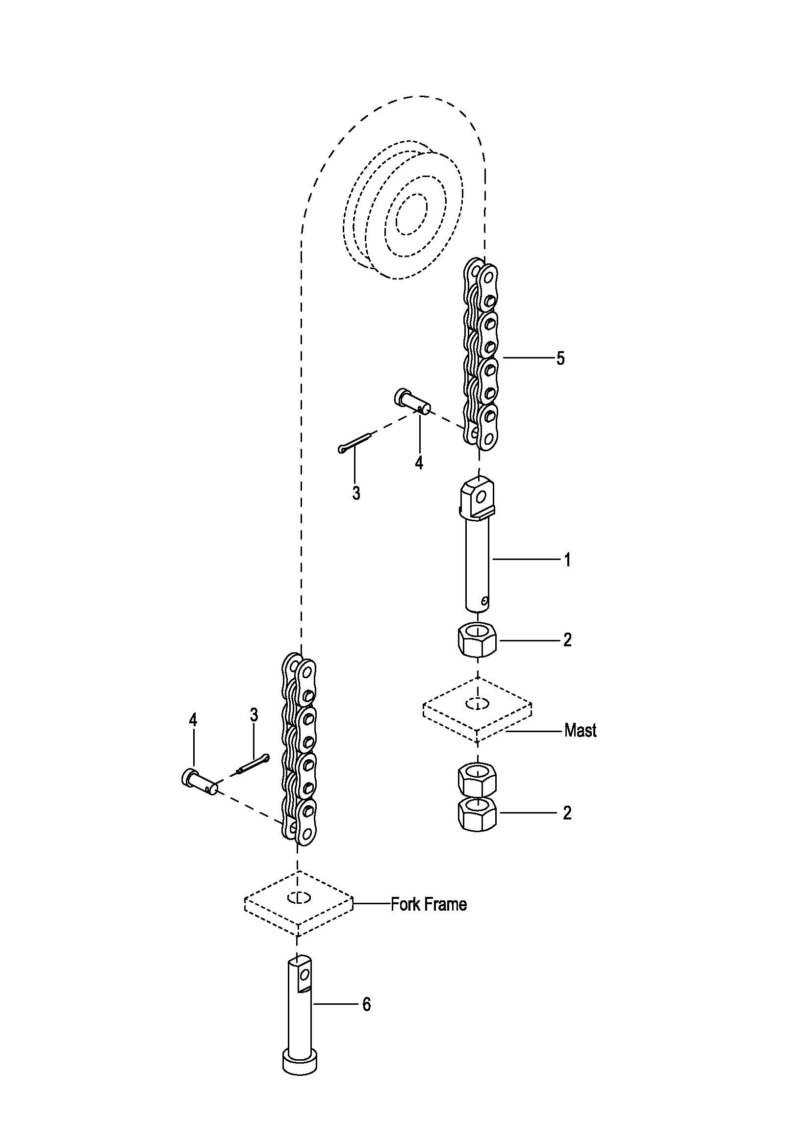
0101 Frame Assembly 车架总成(S.N. after 224160020) 0102 Frame Assembly(CPD18FVD8-C) 车架总成(CPD18FVD8-C) 0103 Overhead Guard 安全棚(S.N. before F24150012) 010301 Overhead Guard 安全棚(S.N. after F24150013) 0104 Front Cover 前外罩 0105 Back Cover 后外罩(S.N. before F24130051) 010501 Back Cover后外罩(S.N. after F24130052) 0201 Steer And Brake Control System操作和制动系统 0202 Hand Brake Assembly 手刹总成 0203 Service Brake行车制动 0204 Steering Assembly 转向柱总成(S.N. before F2313034) 020401 Steering Assembly 转向柱总成(S.N. after F2313035) 0205 Valve Control Linkage 多路阀操作杆 0301 Driving System 驱动系统 0302 Gearbox assembly (SN up to -2311201017) 变速箱总成 030201 Gearbox assembly(SN from 2311201018-)变速箱总成 0303 Driving Wheel 驱动轮 0401 Rear Axle Steering Assembly 后桥转向总成(S.N. before 082613) 040101 Rear Axle Steering Assembly 后桥转向总成(S.N. after 082613) 0402 Steering Axle 转向桥 0403 Steering Axle Cylinder 转向桥油缸 0404 Steering Wheel 转向轮 0501 Control Bracket Assembly (S.N Before -227190006)控制器安装板总成 050101 Control Bracket Assembly 控制器安装板总成(S.N After 227190007-) 0502 Wiring Harness Assembly 线束总成 050201 Wiring Harness Assembly 线束总成 0503 Cable Assembly 电缆总成(S.N. before 227180019,S.N. after 227180020) 0504 Side car Assembly(CPD18FVD8-C) 侧拉小车总成(CPD18FVD8-C) 0601 Hydraulic System Ⅰ 液压管路Ⅰ 0602 Hydraulic SystemⅠ(Four)液压管路Ⅰ(四联) 0603 Hydraulic System Ⅱ 液压管路Ⅱ 0604 Pump Motor and Pump 泵电机和泵 0605 Oil Tank 油箱 0701 Full Free 3-Stage Mast 全自由三级门架 0702 Full Free 3-Stage Mast Assembly 全自由三级门架总成 0703 Full Free 3-Stage Mast Assembly(Four)全自由三级门架总成(四联) 0704 Full Free 3-Stage Mast Hose Assembly(Bulit-in)全自由三级门架油管总成(内置式) 0705 Full Free 3-Stage Mast Hose Assembly(Externa)全自由三级门架油管总成(外挂式) 0706 Full Free 3-Stage Mast Hose Assembly(Four)全自由三级门架油管总成(四联) 0707 Free Lift Cylinder自由起升缸 0708 Full Free 3-Stage Mast Lift Cylinder全自由三级门架起升油缸 0709 Tilt Cylinder 倾斜油缸 0710 Fork Frame 货叉架 0711 Full Free 2-Stage Mast 全自由二级门架 0712 Full Free 2-Stage Mast Assembly全自由二级门架总成 0713 Full Free 2-Stage Mast Assembly(Four)全自由二级门架总成(四联) 0714 Full Free 2-Stage mast Hose Assembly(Bulit-in)全自由二级门架油管总成(内置式) 0715 Full Free 2-Stage mast Hose Assembly(Externa)全自由二级门架油管总成(外挂式) 0716 Full Free 2-Stage mast Hose Assembly(Four)全自由二级门架油管总成(四联) 0717 Full Free 2-Stage Mast Lift Cylinder-R全自由二级门架右升降油缸 0718 Full Free 2-Stage Mast Lift Cylinder-L全自由二级门架左升降油缸 0719 Fork Frame 货叉架 0720 Wide-View 2-Stage Mast 宽视野二级门架 0721 Wide-View 2-Stage Mast Assembly宽视野二级门架总成 0722 Wide-View 2-Stage Mast Assembly(Four)宽视野二级门架总成(四联) 0723 Wide-View 2-Stage Mast Hose Assembly宽视野二级门架油管总成(S.N. before 051513) 072301 Wide-View 2-Stage Mast Hose Assembly宽视野二级门架油管总成 0724 Wide-View 2-Stage Mast Hose Assembly(Four)宽视野二级门架油管总成(四联) 0725 Wide-View 2-Stage Mast Lift Cylinder宽视野二级门架起升缸 0726 Fork Frame 货叉架 0727 Chain Assembly 链条总成 0728 Built-in Sideshifter内置式侧移器 0729 External Sideshifter(Non-domestic)外挂式侧移器(非国产) 0730 External Sideshifter(Domestic)外挂式侧移器(国产)