0101 Frame Assembly For Non CE Area 车架系统
0101 Frame Assembly,For CE Area 车架系统
0101 Frame Assembly,For Ultralow Fork 低放60mm车架系统
0102 Cover外罩
0201 Driving System驱动系统
0301 operating grip操作杆
0302 Handle head assembly手柄头总成
0401 Hydraulic System液压系统
0501 Electrical Assembly电气总成
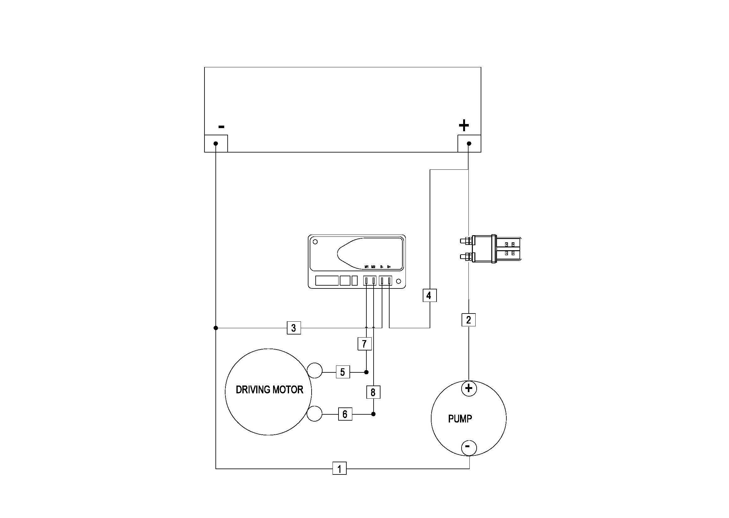
0502 Wiring Harness For Non CE Area 线束
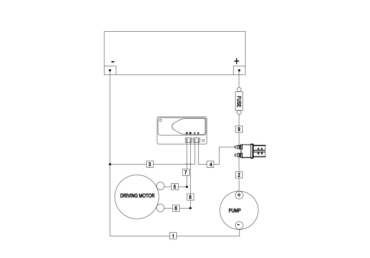
0502 Wiring Harness, For CE Area 线束
0503 Cable Assembly For Non CE Area 电缆
0503 Cable Assembly, For CE Area 电缆
0504 Charger Assembly 充电器总成
0601 Labels(标贴)