0101 Frame System 车身系统
0102 Connecting Link( Double Wheel )连杆总成
0103 Connecting Link( Single Wheel ) 连杆总成
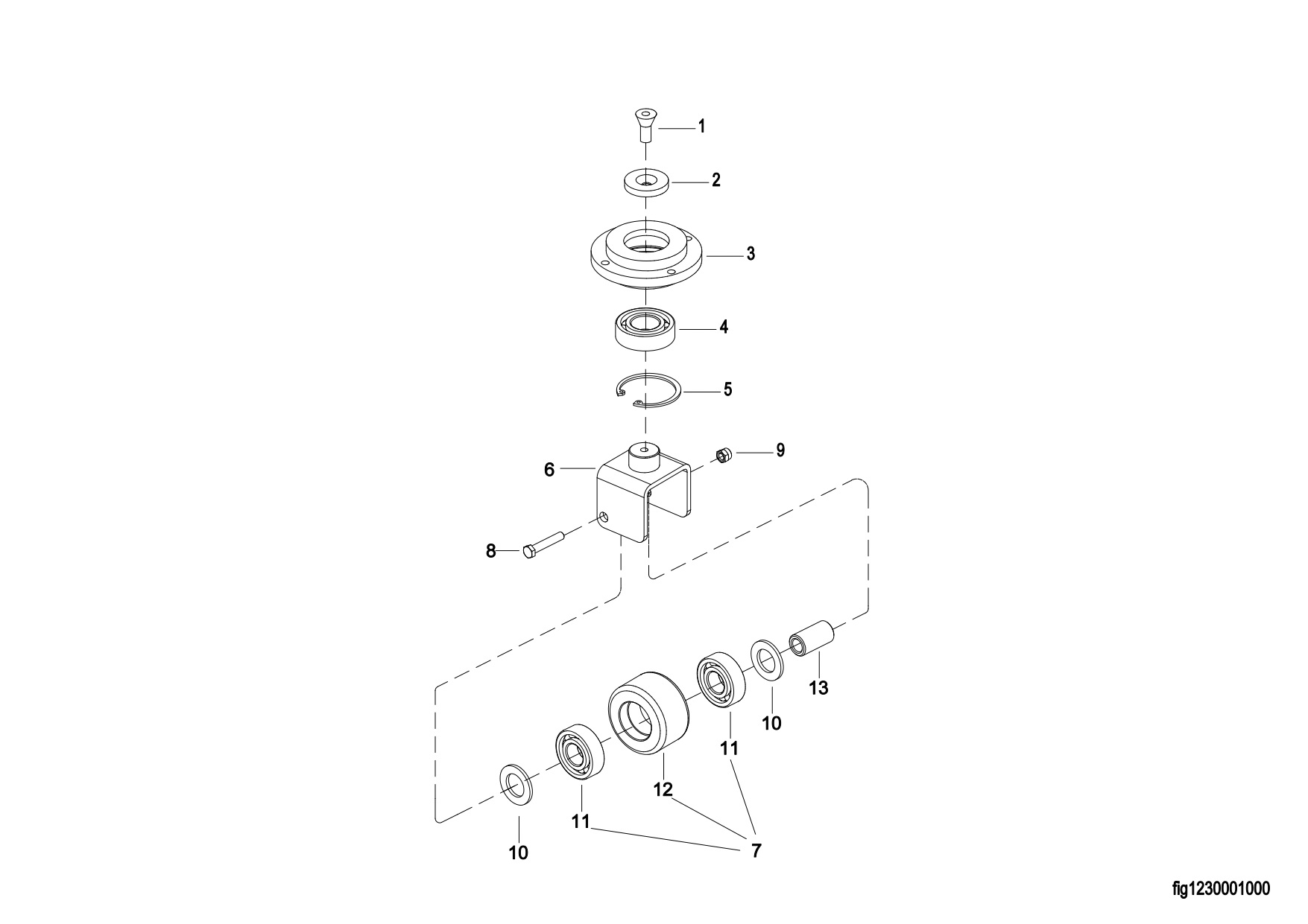
0104 Caster Assembly 万向轮总成
0201 Driving System 驱动系统
0202 Gear Case Assembly 减速箱总成
0301 Operating Control System 操作系统
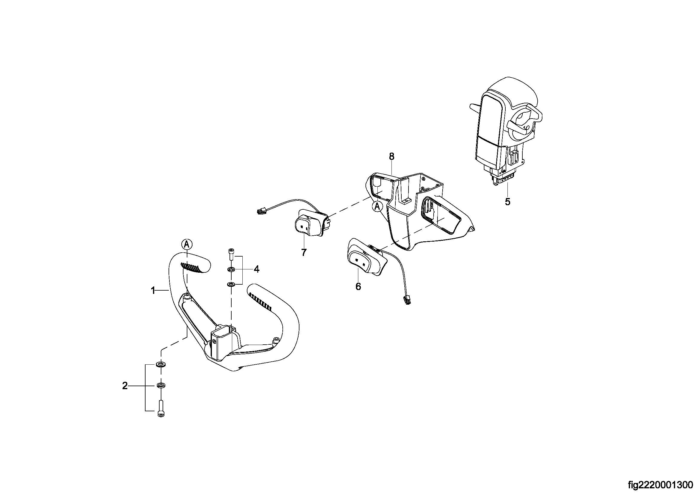
0302 Control Pod Assembly 手柄头总成
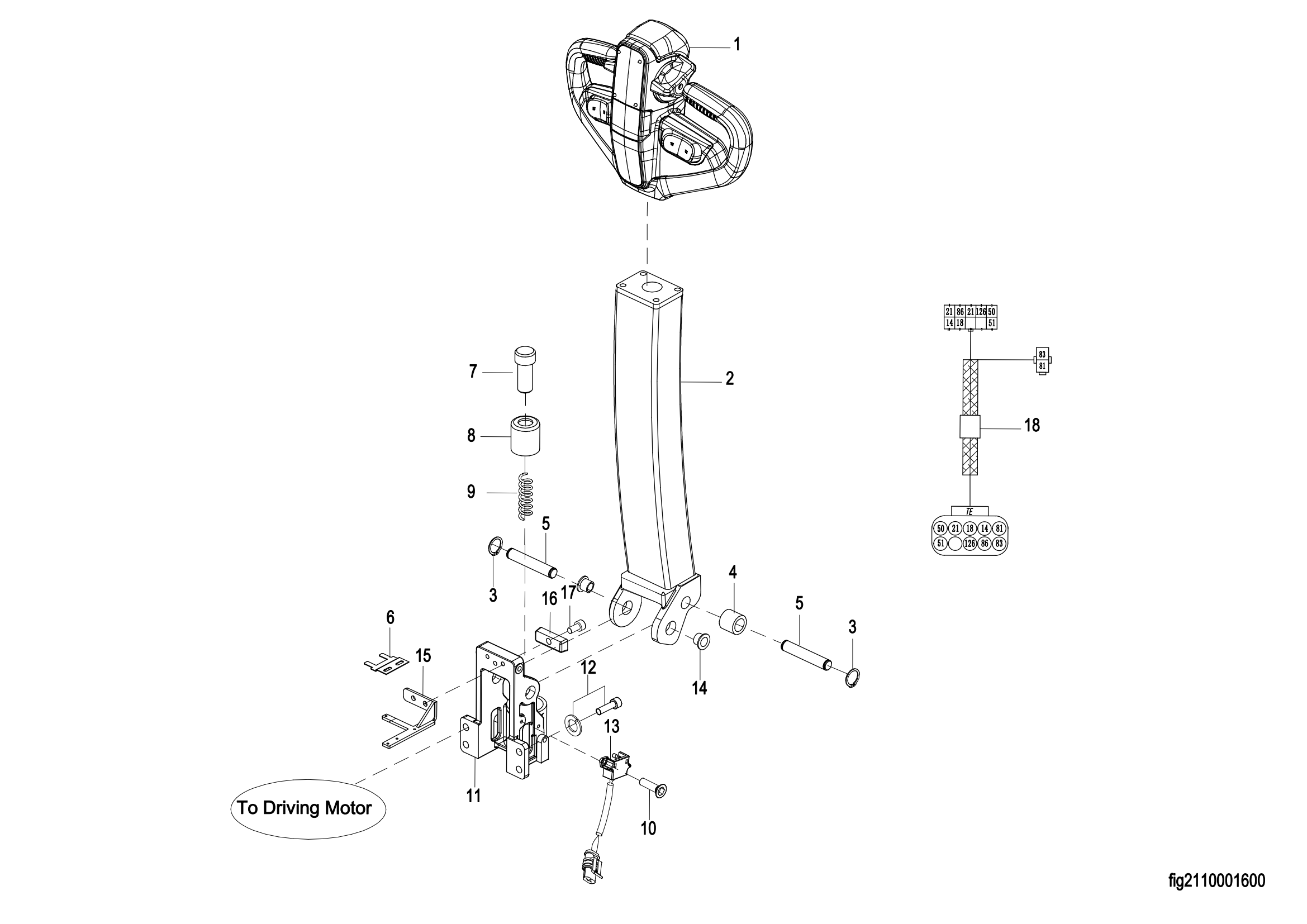
0303 Accelerator Assembly 加速器总成
0401 Hydraulic Assembly 液压总成
0402 Lifting Cylinde 起升油缸(S.N. before -3321302088)
040201 Lifting Cylinder 起升油缸(S.N. After 3321302089-)
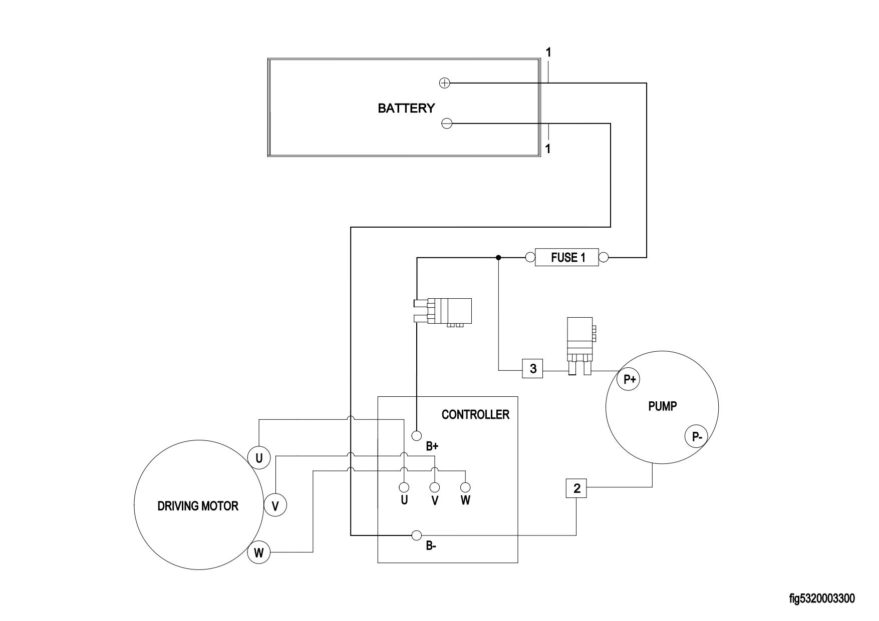
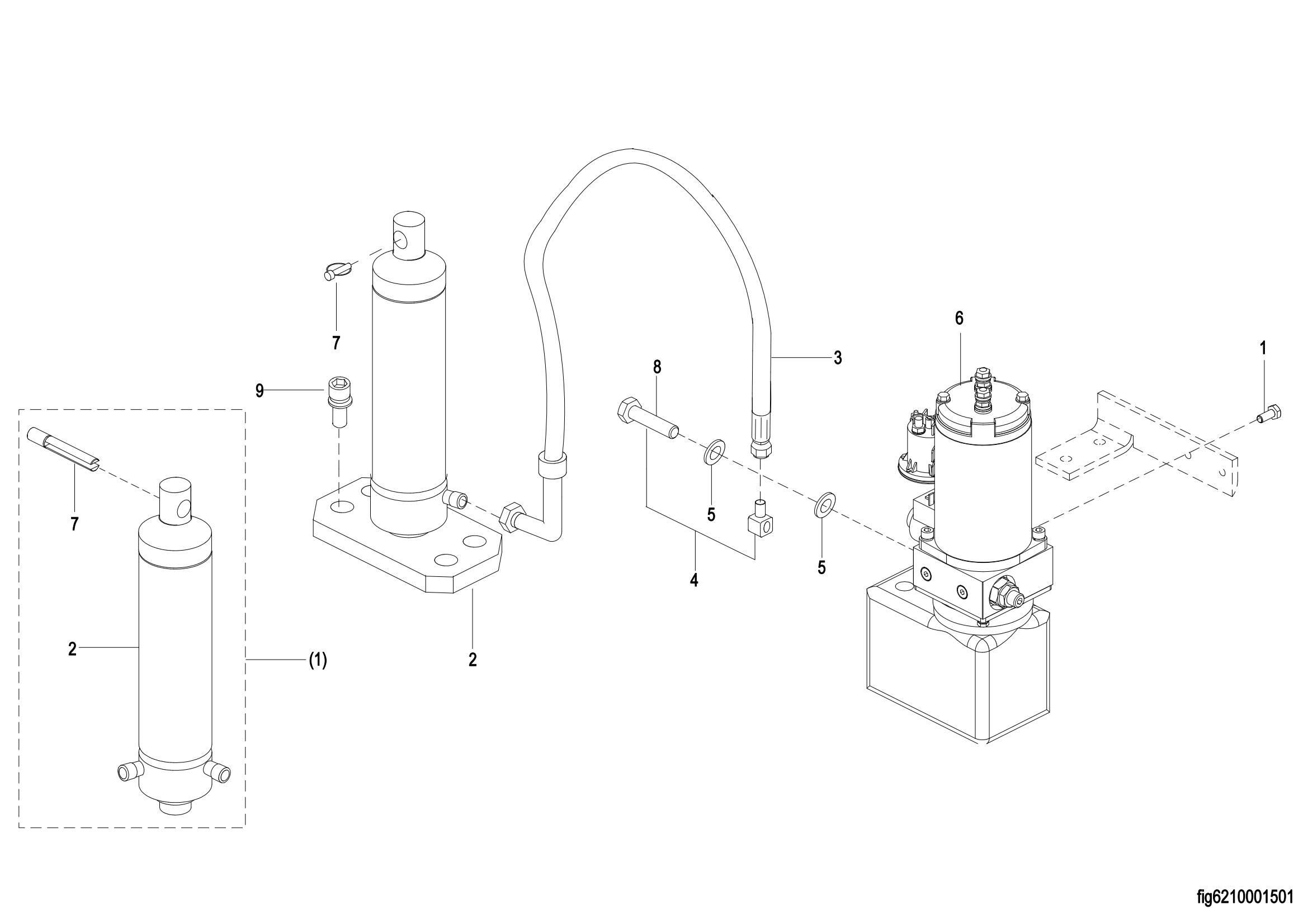
0403 Pump & Motor Assembly 液压站总成
0501 Electrical Assembly 电气总成
0502 Controller Board Assembly 电气板总成
0503 Battery Assembly(For 2023 New CE) 电瓶总成
0504 Battery Assembly (For Non CE&For Old CE) 电池总成
0505 Wire Harness Assembly 线束总成
0506 Cable Assembly 电缆总成
0601 Labels标贴