Запчасти на Электрический штабелер EP Equipment WSA121 / WSA161(SN Afer 3331202268-) Standard Stacker

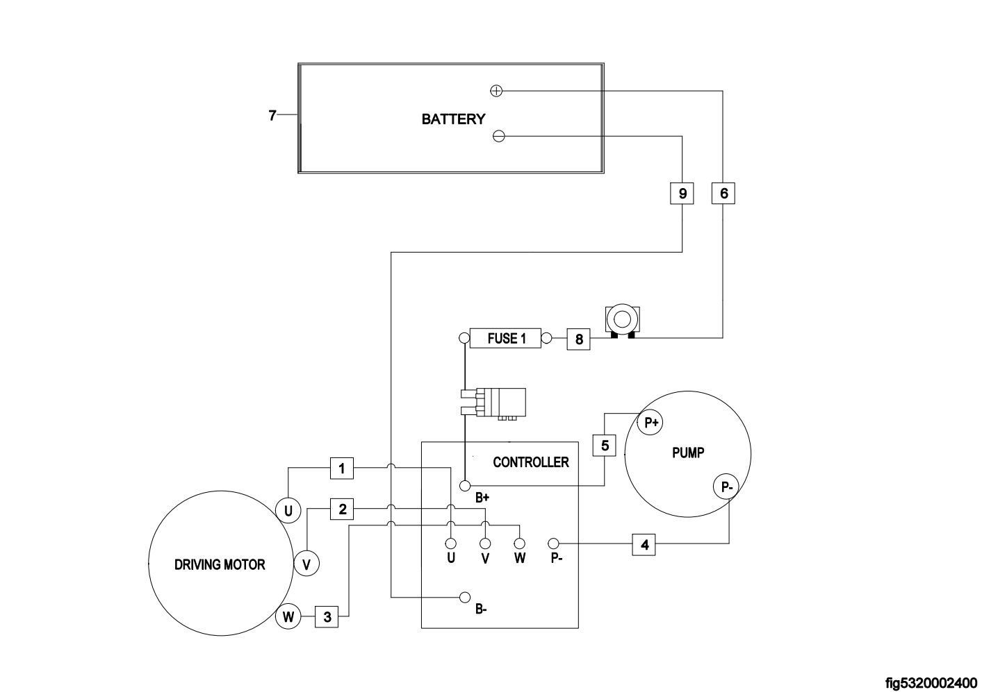
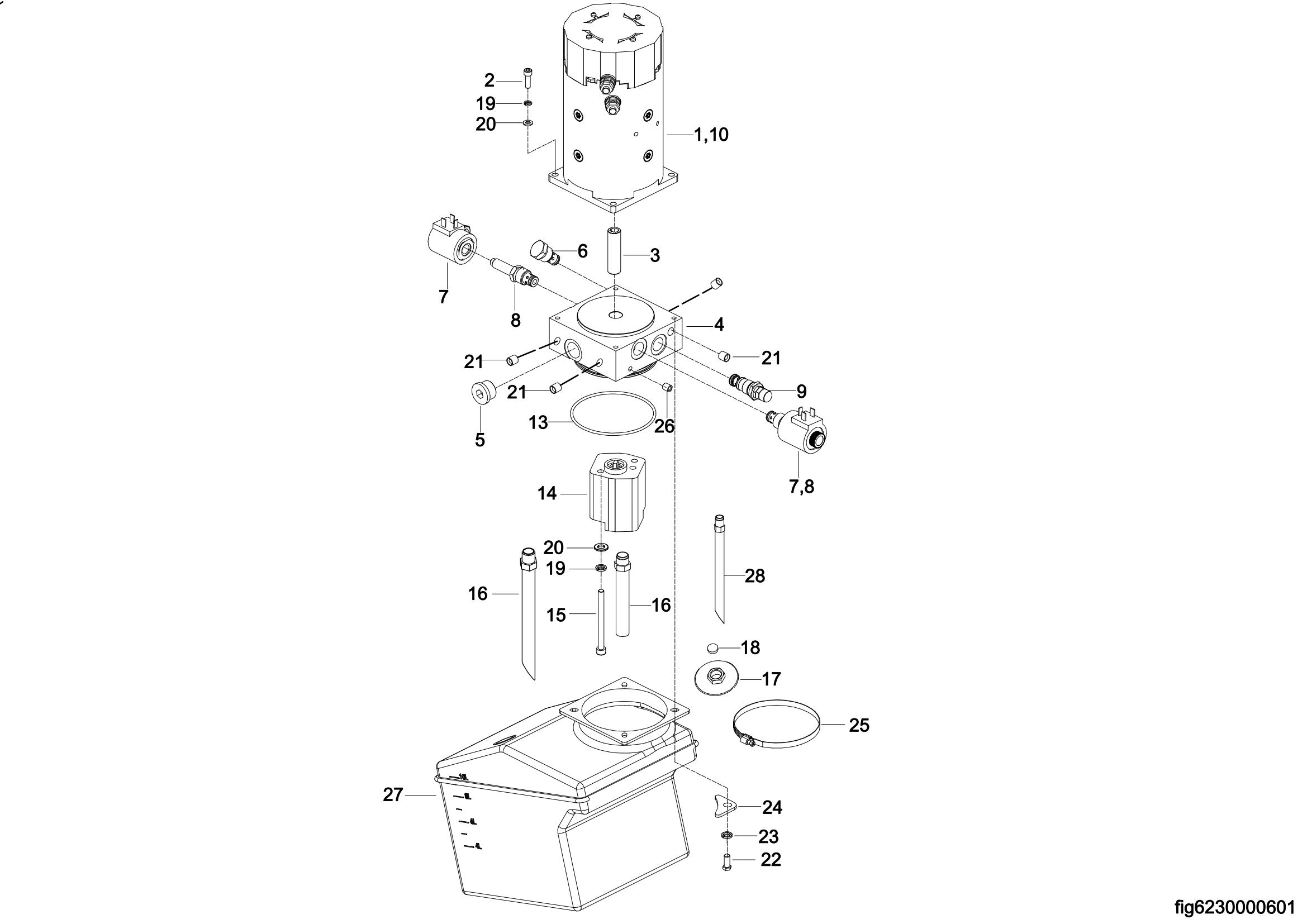
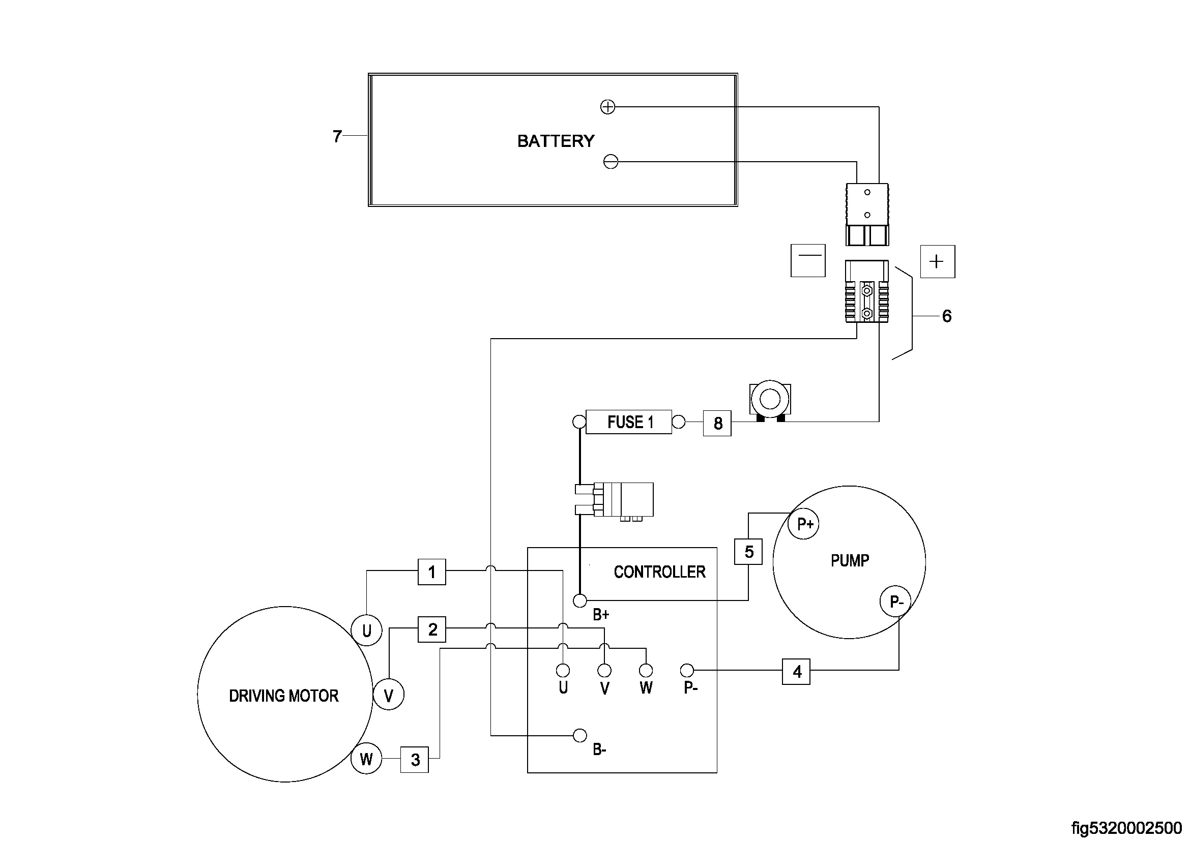
0101 Frame System 车架系统 0102 Caster Assembly 万向轮 0201 Driving System 驱动系统 0202 Gear Case Assembly 减速箱总成 0301 Operating Control System 操作系统 0302 Control Pod Assembly 手柄头总成 0303 Accelerator Assembly 加速器总成 0401 Hydraulic Assembly 液压总成 0402 Pump & Motor Assembly 液压站总成 0501 Electric Assembly 电气总成 0502 Wire Harness Assembly 线束总成 0503 Cable Assembly(For Lithium Battery) 电缆总成(锂电) 0504 Cable Assembly(For Lead Acid Battery)only for WSA161 电缆总成(铅酸)仅限于WSA161 0505 Battery Assembly 电瓶总成 0506 Battery Assembly(For CE,100Ah) 电池总成 0507Battery Assembly(For CE,205h) 电瓶总成 0508 Battery Assembly 电池总成 0509 Optional,选配项 0601 Full Free 3-Stage Mast Assembly全自由三级门架总成 0602 Lifting Cylinder起升油缸 0603 Freedom Lifting Cylinder 自由起升油缸 0604 Full Free3-Stage Mast Hose Assembly全自由三级门架油管总成 (S.N before-3341302262) 060401 Full Free3-Stage Mast Hose Assembly全自由三级门架油管总成 (S.N after 3341302263-) 0605Fork Frame Assembly 货叉架总成 0606 Wide-View 2-Stage Mast Assembly 宽视野二级门架总成 0607 Wide-View 2-Stage Mast Hose Assembly宽视野二级门架油管总成 0608 Wide-View 2-Stage Mast Fork Frame Assembly宽视野二级门架货叉架总成 0609 Wide-View 2-Stage Mast Lifting Cylinder宽视野二级门架起升油缸 0610 Single-cylinder 2-Stage Mast Assembly (For WSA121)单缸二级门架总成(仅限于WSA121) 0611 Single-cylinder 2-Stage Mast Lifting Cylinder 单缸二级门架起升油缸 0612 Single-cylinder 2-Stage Mast Fork Frame Assembly单缸二级门架货叉架总成 0613 Full Free 2-Stage Mast Assembly全自由二级门架总成 0614 Full Free 2-Stage Mast Lifting Cylinder全自由二级门架起升油缸 0615 Full Free 2-Stage Mast Freedom Lifting Cylinder 全自由二级门架自由起升油缸 0616 Full Free 2-Stage Mast Hose Assembly全自由二级门架油管总成 0617 Full Free 2-Stage Mast Fork Frame Assembly 全自由二级门架货叉架总成 0618 Mast Windshield Assembly门架安全挡板总成 0619 Single-cylinder 2-Stage Windshield Assembly单缸二级安全挡板总成 0701 Labels(标贴)