Запчасти на Автопогрузчик EP Equipment CPC(Q)D 20/25/30/35T3 Серия T3

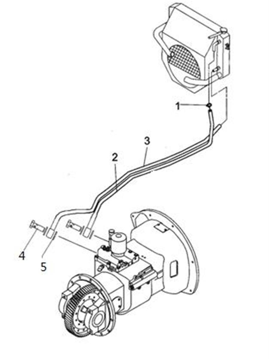
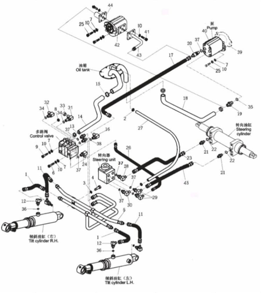
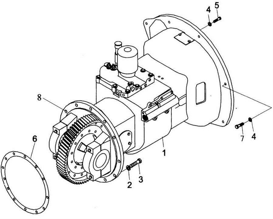
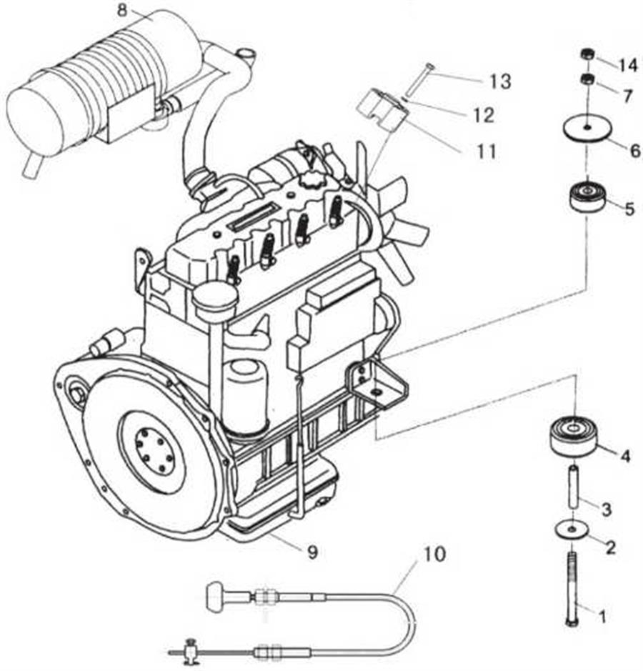
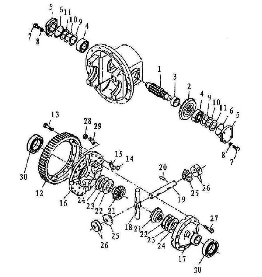
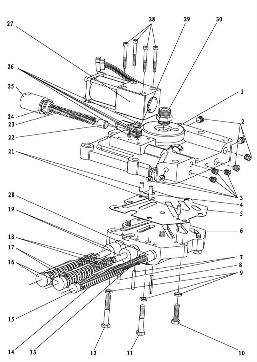
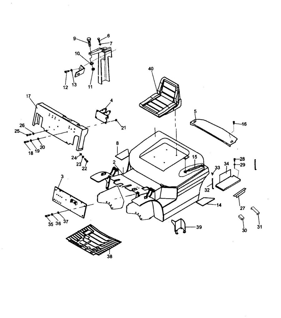
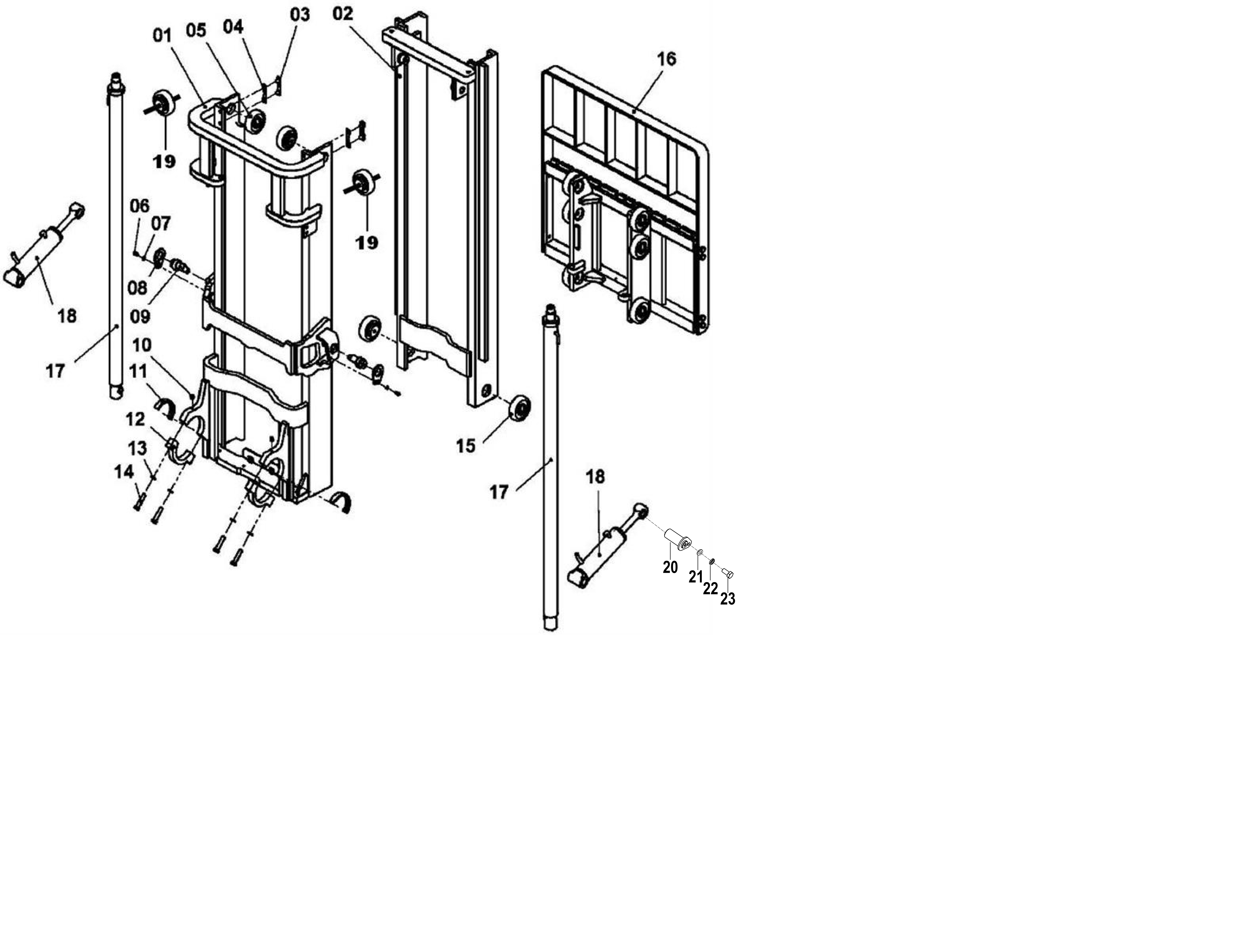
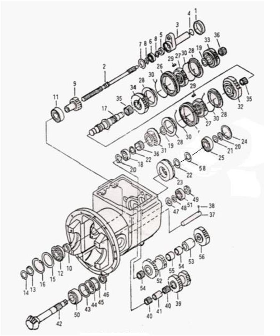
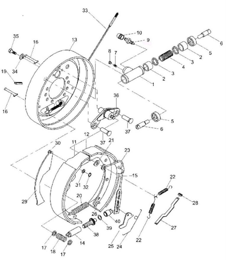
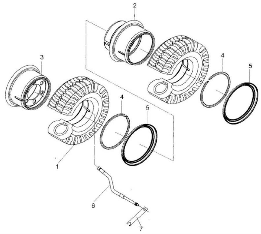
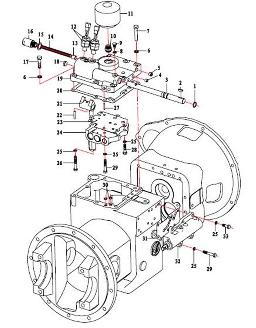
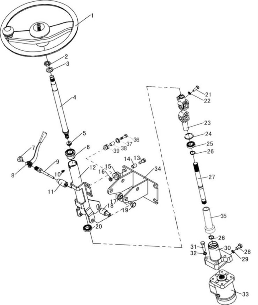
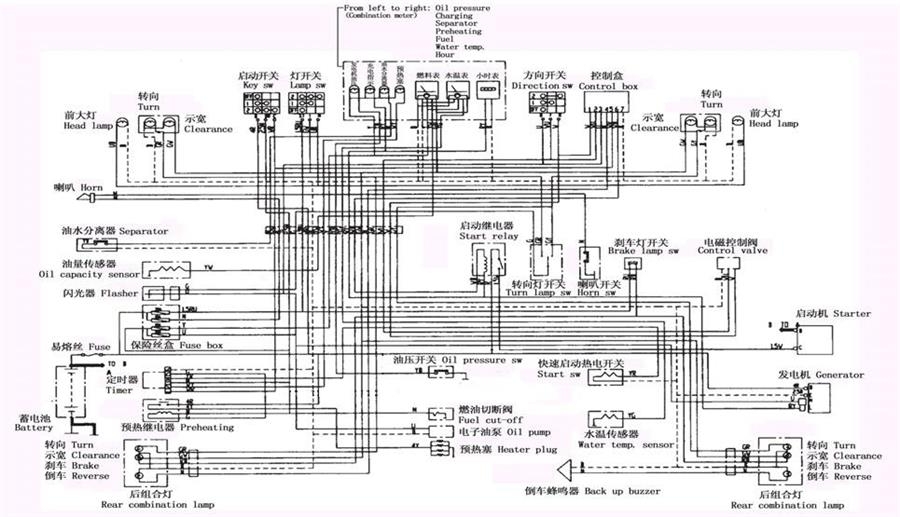
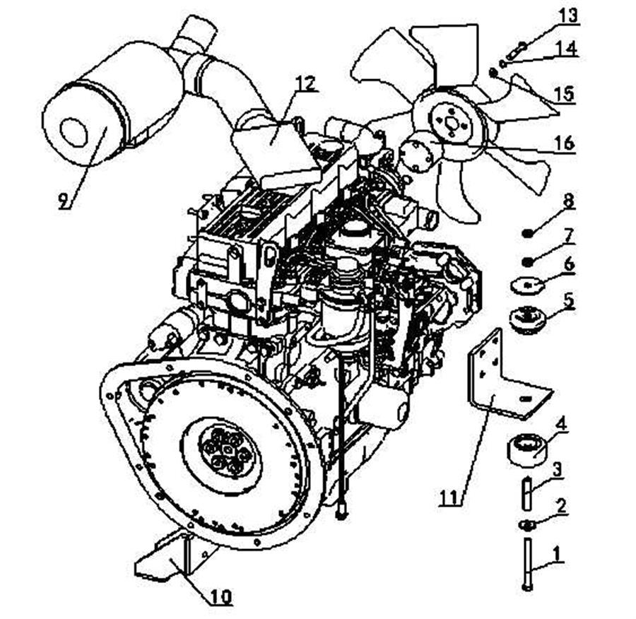
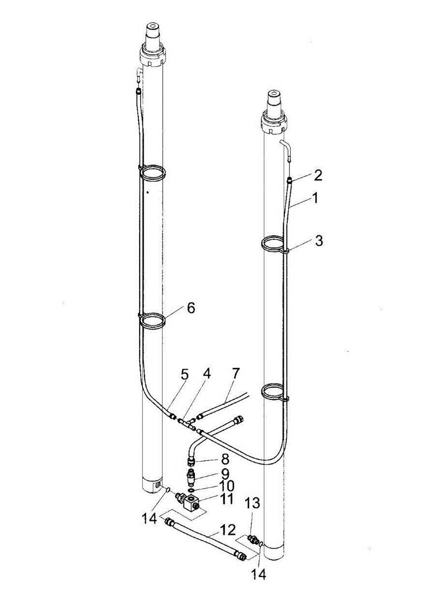
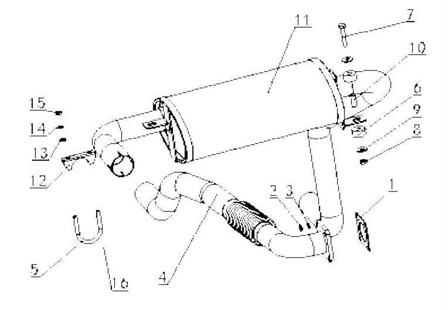
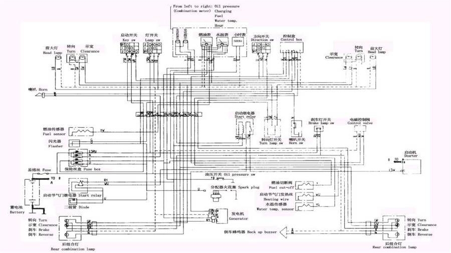
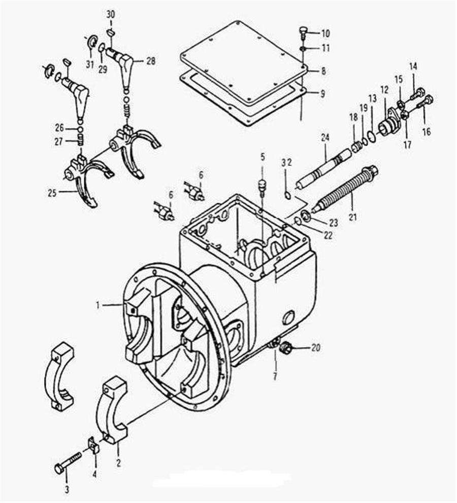
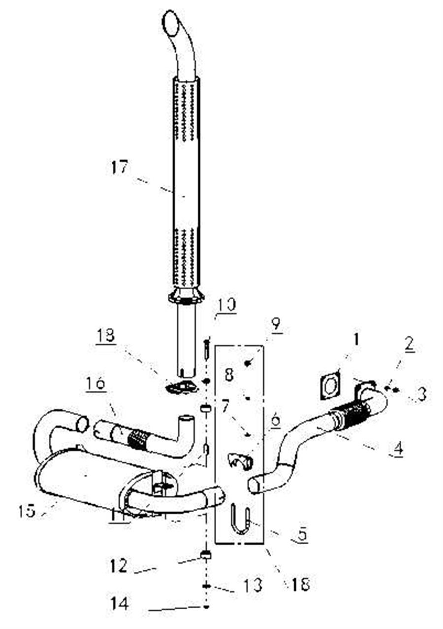
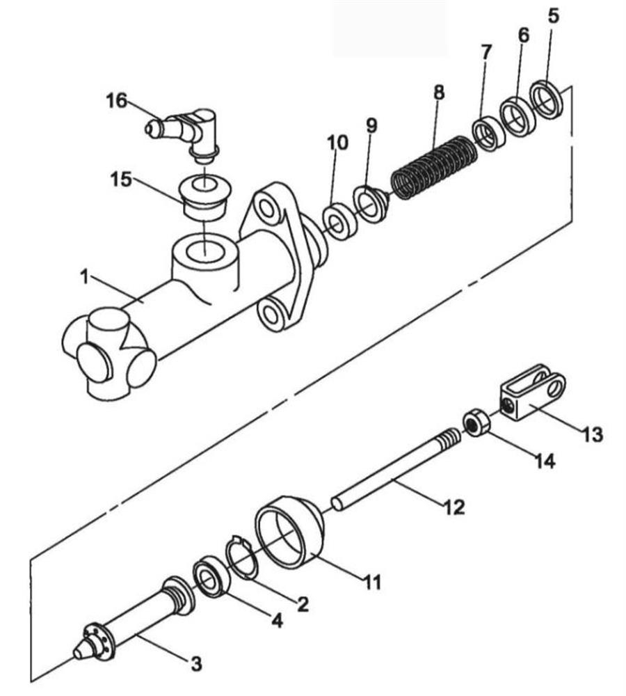
01 ДВИГАТЕЛЬ(дизель) 02 YANMAR ДВИГАТЕЛЬ 03 AIR CLEANER ASSY 04 INLETING SYSTEM 05 СИСТЕМА ОХЛАЖДЕНИЯ 06 СИСТЕМА ОХЛАЖДЕНИЯ 07 TOR-CON OIL COOLING SYSTEM 08 FUEL SYSTEM 09 EXHAUST SYSTEM 10 EXHAUST SYSTEM 11 EXHAUST SYSTEM, UPPER 12 EXHAUST SYSTEM, UPPER 13 EXHAUST SYSTEM, MIDDLE 14 Electric system 15 Wiring diagram (Diesel engine) 16 Wiring diagram (Gasoline engine) 17 Combination meter 18 Electric control box 19 Head lamp 20 Front combination lamp 21 Rear combination lamp 22 DRIVE UNIT MOUNT (TOR-CON TYPE) 23 TORQUE CONVERTER 24 DRIVE UNIT MOUNT (COVER & INCHING VALVE) 25 CHARGING PUMP (TOR-CON TYPE) 26 HYDRAULIC CLUTCH (TOR-CON TYPE) 27 CONTROL VALVE (TOR-CON TYPE) 28 ELECTROMAGNETIC CONTROL VALVE 29 INCHING VALVE (TOR-CON TYPE) 30 ДИФФЕРЕНЦИАЛ В СБОРЕ 31 DRIVE UNIT MOUNT (CLUTCH TYPE) 32 GEAR SHIFT PART Ⅰ 33 GEAR SHIFT PART Ⅱ 34 Reducer drive & differential 35 Clutch 36 DRIVE AXLE (2 - 2.5t SINGLE TYRE) 37 DRIVE AXLE (3 - 3.5t SINGLE TYRE) 38 DRIVE AXLE (2 - 2.5t DOUBLE TYRE) 39 DRIVE AXLE (3 - 3.5t DOUBLE TYRE) 40 DRIVE WHEEL (2 - 2.5t SINGLE TYRE) 41 DRIVE WHEEL (2 - 2.5t DOUBLE TYRE) 42 DRIVE WHEEL (3 - 3.5t SINGLE TYRE) 43 DRIVE WHEEL (3 - 3.5t SINGLE TYRE) 44 DRIVE WHEEL (3 - 3.5t DOUBLE TYRE) 45 WHEEL BRAKE (2 - 2,5t) 46 WHEEL BRAKE (3 - 3.5t) 47 STEERING OPERATION 48 STEERING UNIT 49 STEERING AXLE 50 STEERING WHEEL (2-2.5t) 51 STEERING WHEEL (3-3.5t) 52 STEERING CYLINDER 53 TRANSMISSION CONTROL LINKAGE (HYDRAULIC TYPE) 54 ACCELERATION CONTROL 55 BRAKE & INCHING CONTROL (HYDRAULIC TYPE) 56 BRAKE & INCHING CONTROL (CLUTCH TYPE) 57 ГЛАВНЫЙ ТОРМОЗНОЙ ЦИЛИНДР 58 СТОЯНОЧНЫЙ ТОРМОЗ 59 VALVE CONTROL LINKAGE (TWO-THROW) 60 VALVE CONTROL LINKAGE (THREE-THROW) 61 VALVE CONTROL LINKAGE (FOUR-THROW) 62 FRAME&COUNTER WEIGHT 63 HOOD, FLOOR BOARD & SEAT 64 HOOD LOCK ASSY 65 GASKET & INSULATOR 66 HYDRAULIC SYSTEM 67 OIL TANK 68 MAST PIPE-LINE SYSTEM 69 FORK (NORMAL) 70 LIFT BRACKET (NORMAL) 71 МАЧТА (NORMAL) 72 LIFT CYLINDER (NORMAL MAST) 73 TILT CYLINDER 74 DECAL