88007754294
sales@remzona-parts.ru
Найти
88007754294
sales@remzona-parts.ru
Обратный звонок
Заказать запчасть
0 позиций
0 руб.
Оформить заказ
Вход
Регистрация
Найти
Каталог запасных частей
Bobcat
Шарнирно-сочлененный погрузчик
Навесное оборудование
Экскаватор–погрузчик
Мини-трактор
Мини-экскаватор
Другая техника
Мини-погрузчик
Телескопический погрузчик
Дизельные автомобили
Электрокар
Doosan
Бульдозеры
Экскаваторы
Колесные погрузчики
Погрузчики с бортовым поворотом
Лесотехнические машины
Самосвалы Moxy
Быстросъем
Навесное оборудование
Специальное исполнение
Прочие запчасти (другие)
EP Equipment
Запчасти для ТО
Шины для спецтехники
Гусеницы для спецтехники
Навесное оборудование
Прицепы для перевозки мини-спецтехники
Дополнительное оборудование
Новости
Ремонт и сервис
О проекте
Проект Ремзона
Оптовикам
Поставщикам
Регионам
Отзывы
Акции
Статьи
Контакты
Помощь
Как оформить заказ
Оплата
Доставка
Поиск запасных частей
Возврат деталей
Авторизация
Войти
Забыли пароль?
Регистрация
Обратный звонок
Главная
Каталог запасных частей
Каталог запасных частей Doosan
Лесотехнические машины
SOLAR 225LL
10 КОРПУСНЫЕ ДЕТАЛИ
10 КОРПУСНЫЕ ДЕТАЛИ на лесотехнические машины Doosan SOLAR 225LL
Ничего не найдено
1100 MAIN FRAME
МОНТАЖ ДВИГАТЕЛЯ
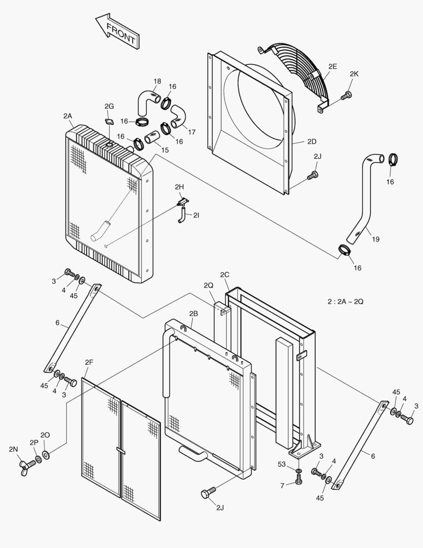
1120 RADIATOR
ЗАПАСНОЙ БАК
1140 MUFFLER
ВОЗДУХООЧИСТИТЕЛЬ
1155 AIR CLEANER
НАСОСНАЯ УСТАНОВКА
1170 FUEL TANK
ТОПЛИВНЫЕ ТРУБОПРОВОДЫ
ПОВОРОТНОЕ УСТРОЙСТВО В СБОРЕ
РЕЗЕРВУАР ДЛЯ МАСЛА
ТУБОПРОВОД МАСЛЯНОГО РАДИАТОРА(1)
ТУБОПРОВОД МАСЛЯНОГО РАДИАТОРА(2)
ТУБОПРОВОД МАСЛЯНОГО РАДИАТОРА(3)
ГЛАВНАЯ МАГИСТРАЛЬ(1)-НАСОС
ГЛАВНАЯ МАГИСТРАЛЬ(2)-СТРЕЛА
ГЛАВНАЯ МАГИСТРАЛЬ(3)-РУКОЯТЬ.КОВШ
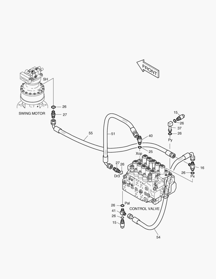
ГЛАВНАЯ МАГИСТРАЛЬ(4)-ПОВОРОТ
ГЛАВНАЯ МАГИСТРАЛЬ(5)-ХОД
УПРАВЛЕНИЕ ДВИГАТЕЛЕМ В СБОРЕ
ТРУБОПРОВОД СЕРВОУПРАВЛЕНИЯ(1)
ТРУБОПРОВОД СЕРВОУПРАВЛЕНИЯ(2)
ТРУБОПРОВОД СЕРВОУПРАВЛЕНИЯ(3)
ТРУБОПРОВОД СЕРВОУПРАВЛЕНИЯ(4)
ТРУБОПРОВОД СЕРВОУПРАВЛЕНИЯ(5)
ТРУБОПРОВОД СЕРВОУПРАВЛЕНИЯ(6)
ТРУБОПРОВОД СЕРВОУПРАВЛЕНИЯ(7)
ТРУБОПРОВОД СЕРВОУПРАВЛЕНИЯ(8)
ТРУБОПРОВОД СЕРВОУПРАВЛЕНИЯ(1)-СОЕДИНЕНИЕ
ТРУБОПРОВОД СЕРВОУПРАВЛЕНИЯ(2)-СОЕДИНЕНИЕ
ТРУБОПРОВОД СЕРВОУПРАВЛЕНИЯ(3)-СОЕДИНЕНИЕ
ГРЕЙФЕР ТРУБОПРОВОДА-ОПЦИЯ
ПУЛЬТ УПРАВЛЕНИЯ-ЛЕВОСТОРОННИЙ
ПУЛЬТ УПРАВЛЕНИЯ-ПРАВОСТОРОННИЙ
1440 SEAT & ELECTRIC BOX
УСТАНОВКА СИДЕНЬЯ
1460 SEAT
ТРУБОПРОВОД В СБОРЕ
КРЫШКА ОБОГРЕВАТЕЛЯ
СТУПЕНЬ КАБИНЫ В СБОРЕ
НАКЛОН ТРУБОПРОВОДА
КРЕПЛЕНИЕ КАБИНЫ В СБОРЕ
КАБИНА В СБОРЕ
1530 CABIN(1)
1540 CABIN(2)
1550 CABIN(3)
1560 CABIN(4)
КАБИНА(5)
КРОНШТЕЙН(1)
КРОНШТЕЙН(2)
БОКОВАЯ ДВЕРЬ-ЛЕВОСТОРОННИЙ
БОКОВАЯ ДВЕРЬ-ПРАВОСТОРОННИЙ
1620 COVER
КРЫШКА АККУМУЛЯТОРА
КРЫШКА ДВИГАТЕЛЯ
ДЕФЛЕКТОР В СБОРЕ
АКУСТИЧЕСКАЯ НОПЛАСТОВАЯ ИЗОЛЯЦИЯ В СБОРЕ
ОБТЕКАЕМАЯ ПОДКУЗОВНАЯ ПАНЕЛЬ
ТРУБОПРОВОД СМАЗОЧНОЙ СИСТЕМЫ
ЭЛЕКТРОШКАФ В СБОРЕ(1)-ЯЩИК
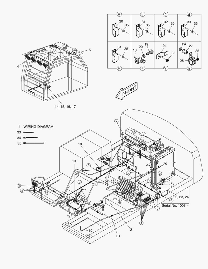
ЭЛЕКТРОШКАФ В СБОРЕ(2)-ЭЛЕКТРИЧЕСКИЕ ЗАПЧАСТИ
1710 ELECTRIC PARTS(1)-GAUGE & SWITCH PANEL
ЭЛЕКТРИЧЕСКИЕ ЗАПЧАСТИ(2)-СТАНДАРТНЫЙ ПРАВОСТОРОННИЙ
ЭЛЕКТРИЧЕСКИЕ ЗАПЧАСТИ(3)-СТАНДАРТНЫЙ ЛЕВОСТОРОННИЙ
ЭЛЕКТРИЧЕСКИЕ ЗАПЧАСТИ(4)-КАБИНА
ЭЛЕКТРИЧЕСКИЕ ЗАПЧАСТИ(5)-АККУМУЛЯТОР
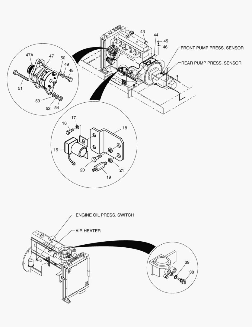
ЭЛЕКТРИЧЕСКИЕ ЗАПЧАСТИ(6)-ДВИГАТЕЛЬ
ЭЛЕКТРИЧЕСКИЕ ЗАПЧАСТИ(7)-СОПРЯЖЕННЫЕ ДЕТАЛИ
ЭЛЕКТРОПРОВОДКА(1)-АККУМУЛЯТОР
ЭЛЕКТРОПРОВОДКА(2)-ДВИГАТЕЛЬ
ЭЛЕКТРОПРОВОДКА(3)-СОПРЯЖЕННЫЕ ДЕТАЛИ
1810 COOLER & HEATER ASS`Y(1)-CABIN PART
БЛОК КОНДИЦИОНЕРА
1830 COOLER & HEATER ASS`Y(2)-ENGINE PART