88007754294
sales@remzona-parts.ru
Найти
88007754294
sales@remzona-parts.ru
Обратный звонок
Заказать запчасть
0 позиций
0 руб.
Оформить заказ
Вход
Регистрация
Найти
Каталог запасных частей
Bobcat
Шарнирно-сочлененный погрузчик
Навесное оборудование
Экскаватор–погрузчик
Мини-трактор
Мини-экскаватор
Другая техника
Мини-погрузчик
Телескопический погрузчик
Дизельные автомобили
Электрокар
Doosan
Бульдозеры
Экскаваторы
Колесные погрузчики
Погрузчики с бортовым поворотом
Лесотехнические машины
Самосвалы Moxy
Быстросъем
Навесное оборудование
Специальное исполнение
Прочие запчасти (другие)
EP Equipment
Запчасти для ТО
Шины для спецтехники
Гусеницы для спецтехники
Навесное оборудование
Прицепы для перевозки мини-спецтехники
Дополнительное оборудование
Новости
Ремонт и сервис
О проекте
Проект Ремзона
Оптовикам
Поставщикам
Регионам
Отзывы
Акции
Статьи
Контакты
Помощь
Как оформить заказ
Оплата
Доставка
Поиск запасных частей
Возврат деталей
Авторизация
Войти
Забыли пароль?
Регистрация
Обратный звонок
Главная
Каталог запасных частей
Каталог запасных частей Doosan
Лесотехнические машины
SOLAR 225LL
00 ДЕТАЛИ ДВИГАТЕЛЯ
00 ДЕТАЛИ ДВИГАТЕЛЯ на лесотехнические машины Doosan SOLAR 225LL
Ничего не найдено
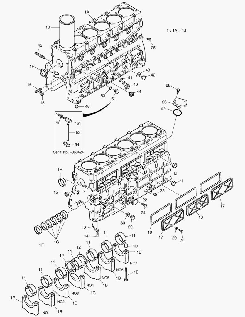
БЛОК ЦИЛИНДРОВ
КАРТЕР РАСПРЕДЕЛИТЕЛЬНЫХ ШЕСТЕРЕН
КАРТЕР МАХОВИКА
ВАЛ КРИВОШИПА
005 CYLINDER HEAD
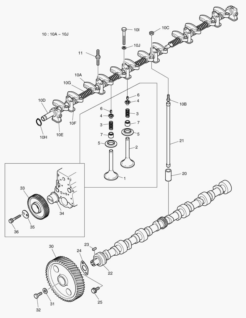
КЛАПАННЫЙ МЕХАНИЗМ
МАСЛЯНЫЙ НАСОС
МАСЛЯНЫЙ ФИЛЬТР
009 OIL COOLER
010 OIL PAN
011 THERMOSTAT
012 WATER PUMP & COOLING FAN
013 INTAKE & EXHAUST MANIFOLD
014 TURBO CHARGER & OIL PIPE
015 FUEL SYSTEM
ТОПЛИВНЫЙ ФИЛЬТР
УСТАНОВКА ГЕНЕРАТОРА ПЕРЕМЕННОГО ТОКА
018 STARTER
КОМПЛЕКТ ПРОКЛАДОК ДЛЯ КАПИТАЛЬНОГО РЕМОНТА-ВЕРХНИЙ
КОМПЛЕКТ ПРОКЛАДОК ДЛЯ КАПИТАЛЬНОГО РЕМОНТА-ВСЕ