88007754294
sales@remzona-parts.ru
Найти
88007754294
sales@remzona-parts.ru
Обратный звонок
Заказать запчасть
0 позиций
0 руб.
Оформить заказ
Вход
Регистрация
Найти
Каталог запасных частей
Bobcat
Шарнирно-сочлененный погрузчик
Навесное оборудование
Экскаватор–погрузчик
Мини-трактор
Мини-экскаватор
Другая техника
Мини-погрузчик
Телескопический погрузчик
Дизельные автомобили
Электрокар
Doosan
Бульдозеры
Экскаваторы
Колесные погрузчики
Погрузчики с бортовым поворотом
Лесотехнические машины
Самосвалы Moxy
Быстросъем
Навесное оборудование
Специальное исполнение
Прочие запчасти (другие)
EP Equipment
Запчасти для ТО
Шины для спецтехники
Гусеницы для спецтехники
Навесное оборудование
Прицепы для перевозки мини-спецтехники
Дополнительное оборудование
Новости
Ремонт и сервис
О проекте
Проект Ремзона
Оптовикам
Поставщикам
Регионам
Отзывы
Акции
Статьи
Контакты
Помощь
Как оформить заказ
Оплата
Доставка
Поиск запасных частей
Возврат деталей
Авторизация
Войти
Забыли пароль?
Регистрация
Обратный звонок
Главная
Каталог запасных частей
Каталог запасных частей Doosan
Экскаваторы
SOLAR 75-V
10 КОРПУСНЫЕ ДЕТАЛИ
10 КОРПУСНЫЕ ДЕТАЛИ на экскаваторы Doosan SOLAR 75-V
Ничего не найдено
1100 FRAME
МОНТАЖ ДВИГАТЕЛЯ-БУФЕР
1120 ENGINE MOUNTING-RADIATOR & BAFFLE COVER
1125 RADIATOR
МОНТАЖ ДВИГАТЕЛЯ-ВОЗДУХООЧИСТИТЕЛЬ
МОНТАЖ ДВИГАТЕЛЯ-ГЛУШИТЕЛЬ
НАСОСНАЯ УСТАНОВКА
1160 SWING DEVICE
1170 OIL & FUEL TANK
ТОПЛИВНЫЕ ТРУБОПРОВОДЫ
1190 ENGINE CONTROL [1001~1679]
ТРУБОПРОВОД НИЗКОГО ДАВЛЕНИЯ
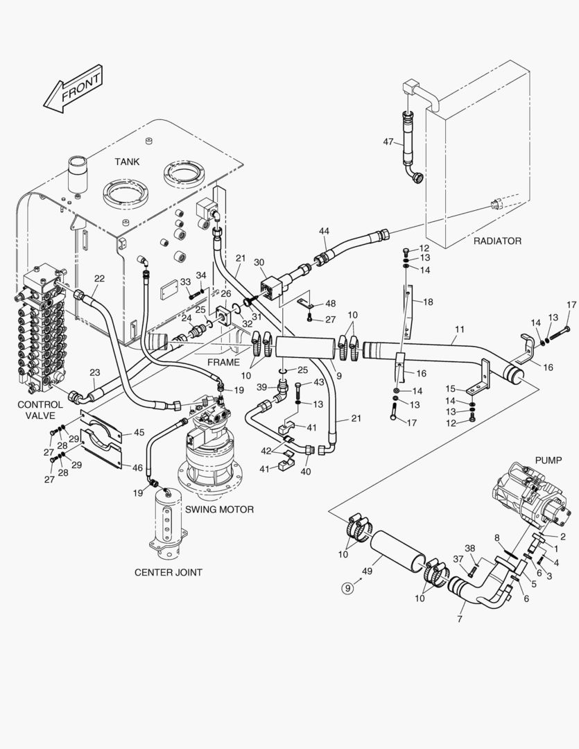
ГЛАВНАЯ МАГИСТРАЛЬ(1)
ГЛАВНАЯ МАГИСТРАЛЬ(2)
ГЛАВНАЯ МАГИСТРАЛЬ(3)
ТРУБОПРОВОД СЕРВОУПРАВЛЕНИЯ(1)
ТРУБОПРОВОД СЕРВОУПРАВЛЕНИЯ(2)
ТРУБОПРОВОД СЕРВОУПРАВЛЕНИЯ(3)
ТРУБОПРОВОД СЕРВОУПРАВЛЕНИЯ(4)
ТРУБОПРОВОД СЕРВОУПРАВЛЕНИЯ(5)
ПУЛЬТ УПРАВЛЕНИЯ-ЛЕВОСТОРОННИЙ
ПУЛЬТ УПРАВЛЕНИЯ-ПРАВОСТОРОННИЙ
УСТАНОВКА СИДЕНЬЯ
1320 HEATER & DUCT ASS`Y
ВНУТРЕННЯЯ ПАНЕЛЬ-БЕЗ КАССЕТЫ
ЗАДНЯЯ КРЫШКА-БЕЗ КОНДИЦИОНЕРА
ЛИСТ НАСТИЛА В СБОРЕ
КРЕПЛЕНИЕ КАБИНЫ В СБОРЕ
1362 SEAT MOUNTING-EUROPE & U.S.A [1176~]
1363 SEAT MOUNTING-EXCEPT EUROPE & U.S.A [1176~]
1365 SEAT-EUROPE & U.S.A
1367 SEAT-EXCEPT EUROPE & U.S.A [1176~]
1370 CABIN(1)
1380 CABIN(2)
1390 CABIN(3)
1400 CABIN(4)
1410 BONNET & SUPPORT
ОБТЕКАЕМАЯ ПОДКУЗОВНАЯ ПАНЕЛЬ
СМАЗКА ТРУБОПРОВОДА
1440 BOOM SWING
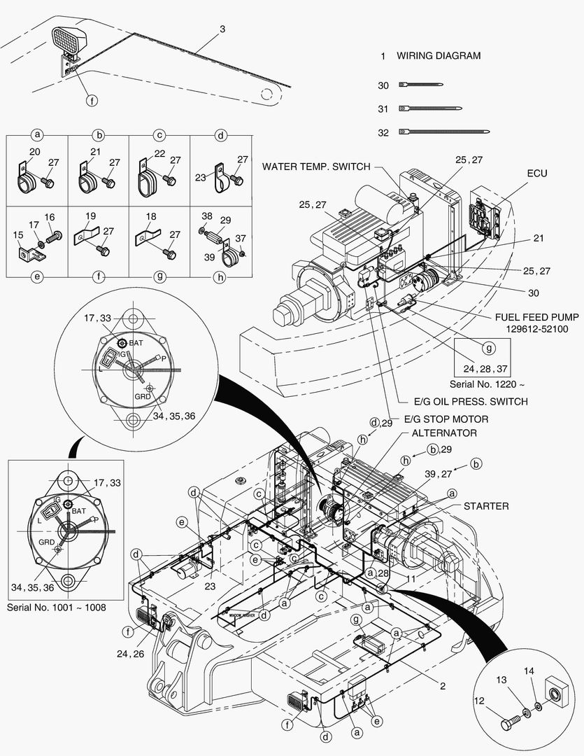
ЭЛЕКТРИЧЕСКИЕ ЗАПЧАСТИ(1)-ЭЛЕКТРОШКАФ
ЭЛЕКТРИЧЕСКИЕ ЗАПЧАСТИ(2)-КОРОБКА ПЕРЕКЛЮЧАТЕЛЕЙ
ЭЛЕКТРИЧЕСКИЕ ЗАПЧАСТИ(3)-КАБИНА
ЭЛЕКТРИЧЕСКИЕ ЗАПЧАСТИ(4)-СТЕНД(ЛЕВОСТОРОННИЙ)
ЭЛЕКТРИЧЕСКИЕ ЗАПЧАСТИ(5)-ЛИСТ НАСТИЛА
ЭЛЕКТРИЧЕСКИЕ ЗАПЧАСТИ(6)-АККУМУЛЯТОР
ЭЛЕКТРИЧЕСКИЕ ЗАПЧАСТИ(7)-СОПРЯЖЕННЫЕ ДЕТАЛИ
ЭЛЕКТРОПРОВОДКА(1)-АККУМУЛЯТОР
ЭЛЕКТРОПРОВОДКА(2)-СОПРЯЖЕННЫЕ ДЕТАЛИ
ОБОГРЕВАТЕЛЬ В СБОРЕ