88007754294
sales@remzona-parts.ru
Найти
88007754294
sales@remzona-parts.ru
Обратный звонок
Заказать запчасть
0 позиций
0 руб.
Оформить заказ
Вход
Регистрация
Найти
Каталог запасных частей
Bobcat
Шарнирно-сочлененный погрузчик
Навесное оборудование
Экскаватор–погрузчик
Мини-трактор
Мини-экскаватор
Другая техника
Мини-погрузчик
Телескопический погрузчик
Дизельные автомобили
Электрокар
Doosan
Бульдозеры
Экскаваторы
Колесные погрузчики
Погрузчики с бортовым поворотом
Лесотехнические машины
Самосвалы Moxy
Быстросъем
Навесное оборудование
Специальное исполнение
Прочие запчасти (другие)
EP Equipment
Запчасти для ТО
Шины для спецтехники
Гусеницы для спецтехники
Навесное оборудование
Прицепы для перевозки мини-спецтехники
Дополнительное оборудование
Новости
Ремонт и сервис
О проекте
Проект Ремзона
Оптовикам
Поставщикам
Регионам
Отзывы
Акции
Статьи
Контакты
Помощь
Как оформить заказ
Оплата
Доставка
Поиск запасных частей
Возврат деталей
Авторизация
Войти
Забыли пароль?
Регистрация
Обратный звонок
Главная
Каталог запасных частей
Каталог запасных частей Doosan
Экскаваторы
DX380LC-3(T4i)
60 ОПЦИОННЫЕ ЗАПЧАСТИ
60 ОПЦИОННЫЕ ЗАПЧАСТИ на экскаваторы Doosan DX380LC-3(T4i)
Ничего не найдено
6100 FUEL FILLER PUMP
ВОЗДУХООЧИСТИТЕЛЬ - НЕФТЯНАЯ СМАЗКА
МОНТАЖ ДИЗЕЛЬНОГО НАГРЕВАТЕЛЯ
6130 DIESEL HEATER
ТОПЛИВНЫЙ ФИЛЬТР - С ПОДОГРЕВАТЕЛЬНОЙ ЧАШЕЙ
6150 MAIN PIPING - ONE & TWO WAY
ГЛАВНАЯ МАГИСТРАЛЬ - ОДИН ПУТЬ
ТРУБОПРОВОД - С ФИЛЬТРОМ
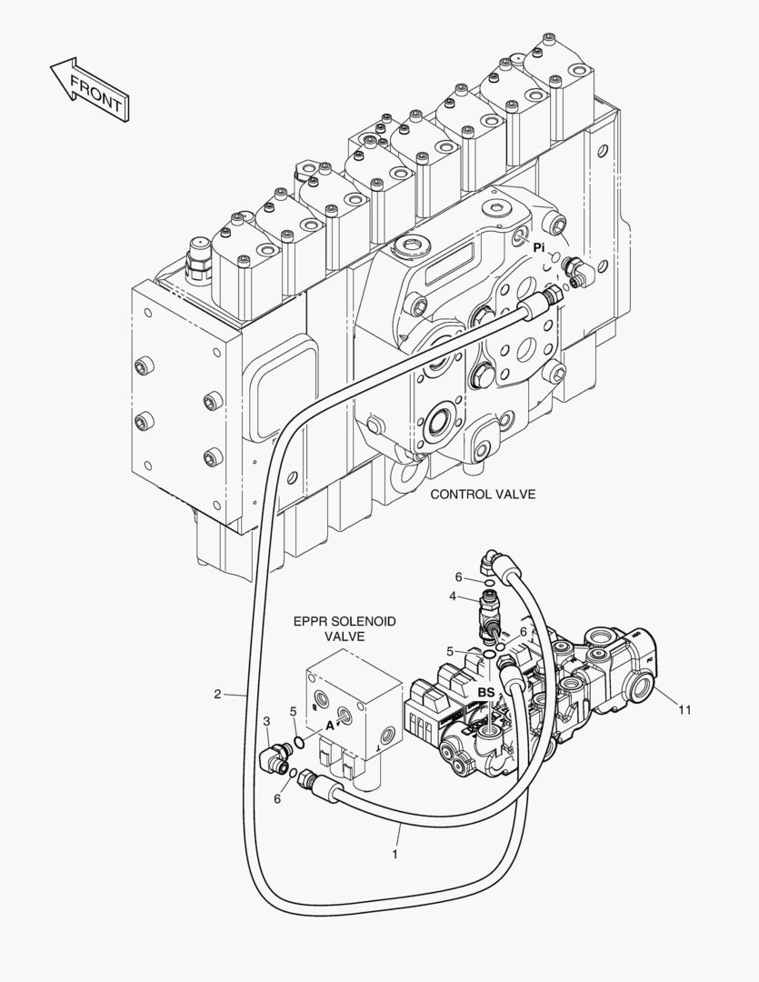
6180 PILOT PIPING - ONE & TWO WAY
ГЛАВНАЯ МАГИСТРАЛЬ - ДВА ПУТИ
2 ТРУБОПРОВОДА - С ФИЛЬТРОМ
ТРУБОПРОВОД СЕРВОУПРАВЛЕНИЯ(1) - 2 ПУТИ
ТРУБОПРОВОД СЕРВОУПРАВЛЕНИЯ(2) - 2 ПУТИ
6230 BOOM PIPING - ONE & TWO WAY
6240 ARM PIPING - ONE & TWO WAY(ARM 3.2m)
ГЛАВНАЯ МАГИСТРАЛЬ - БЫСТРАЯ ПОСАДКА
ЭЛЕКТРИЧЕСКИЕ ЗАПЧАСТИ-БЫСТРОУСТАНАВЛИВАЕМЫЙ ФИКСАТОР
6270 BOOM PIPING - QUICK CLAMP
ГИДРОСИСТЕМА РУКОЯТИ - БЫСТРАЯ ПОСАДКА(РУКОЯТЬ 3.2 м)
ГЛАВНАЯ МАГИСТРАЛЬ-ВРАЩАЮЩИЙСЯ
ТРУБОПРОВОД СЕРВОУПРАВЛЕНИЯ - ВРАЩАЮЩИЙСЯ
ГИДРОСИСТЕМА СТРЕЛЫ-ВРАЩЕНИЕ
6320 ARM PIPING - ROTATING(ARM 3.2m)
ТРУБОПРОВОД СЕРВОУПРАВЛЕНИЯ-ГИДРОЗАМОК СТРЕЛЫ
ГИДРОСИСТЕМА СТРЕЛЫ-ГИДРОЗАМОК
СИГНАЛИЗАЦИЯ О ПЕРЕГРУЗКЕ
ТРУБОПРОВОД СЕРВОУПРАВЛЕНИЯ-КЛАПАН ЗАМКА РУКОЯТИ
ГИДРОСИСТЕМА РУКОЯТИ-ГИДРОЗАМОК
ГЛАВНАЯ МАГИСТРАЛЬ - СТРЕЛА ПЛАВАЮЩЕГО ТИПА
ТРУБОПРОВОД СЕРВОУПРАВЛЕНИЯ - СТРЕЛА ПЛАВАЮЩЕГО ТИПА
ГЛАВНАЯ МАГИСТРАЛЬ - СТРЕЛА ПЛАВАЮЩЕГО ТИПА(ЗАМОК)
6410 PILOT PIPING - TWO PUMP [10001~10053]
ОБТЕКАЕМАЯ ПОДКУЗОВНАЯ ПАНЕЛЬ-ОСОБО ПРОЧНЫЙ
ПРЕДОХРАНИТЕЛЬ ГУСЕНИЦЫ - ПОЛНОСТЬЮ
БАШМАК ГУСЕНИЦЫ-600G(ДВОЙНОЙ ГРУНТОЗАЦЕП)
БАШМАК ГУСЕНИЦЫ В СБОРЕ - 750G
БАШМАК ГУСЕНИЦЫ В СБОРЕ - 800G
БАШМАК ГУСЕНИЦЫ В СБОРЕ - 900G
РАМА ГУСЕНИЦЫ-3 м ГУСЕНИЦЫ
ТРУБОПРОВОД ХОДА-3 м ГУСЕНИЦЫ
6500 ALTERNATOR - 80A [10001~10054]
6510 TRAVEL ALARM
СТЕКЛООЧИСТИТЕЛЬ НИЖНЕГО СТЕКЛА
КАМЕРА БОКОВОГО ВИДА
РАДИО
РАБОЧАЯ ФАРА - 2 ЛАМПЫ
РАБОЧАЯ ФАРА - 6 ЛАМПЫ
РАБОЧАЯ ФАРА - 2 ЛАМПЫ(КОЖУХ)
РАБОЧАЯ ФАРА - 6 ЛАМПЫ(КОЖУХ)
МАЯЧОК ТЕЛЕСКОПА
6600 TELESCOPIC BEACON(WITH LAMP) [10001~10222]
6610 ROTATING BEACON
ПРОБЛЕСКОВЫЙ МАЯЧОК - С ЛАМПОЙ
ПРОБЛЕСКОВЫЙ МАЯЧОК - ЗАЖИТА
ЧЕХОЛ КРЫШКИ - ИЗ СТАЛИ
ЗАЩИТА ОТ ДОЖДЯ
КАБИНА С НИЗКИМ ЗАЩИТНЫМ ОГРАЖДЕНИЯ
6670 WINDOW GUARD
ЗАЩИТНЫЙ КОРПУС ПРОТИВОТУМАННЫХ ФАР
СТРЕЛА - 6.5 м(ОСОБО ПРОЧНЫЙ)
РУКОЯТЬ - 3.2 м(ОСОБО ПРОЧНЫЙ)
РУКОЯТЬ - 2.6 м
ГИДРОСИСТЕМА РУКОЯТИ - РУКОЯТЬ 2.6 м
ТРУБОПРОВОД СМАЗОЧНОЙ СИСТЕМЫ - РУКОЯТЬ 2.6 м
6740 ARM PIPING - ONE & TWO WAY(ARM 2.6m)
ГИДРОСИСТЕМА РУКОЯТИ - БЫСТРАЯ ПОСАДКА(РУКОЯТЬ 2.6 м)
ГИДРОСИСТЕМА РУКОЯТИ - ВРАЩАЮЩИЙСЯ (РУКОЯТЬ 2.6 м)
РУКОЯТЬ - 3.95 м
ГИДРОСИСТЕМА РУКОЯТИ - РУКОЯТЬ 3.95 м
ТРУБОПРОВОД СМАЗОЧНОЙ СИСТЕМЫ -РУКОЯТЬ 3.95 м
6800 ARM PIPING - ONE & TWO WAY(ARM 3.95m)
ГИДРОСИСТЕМА РУКОЯТИ - БЫСТРАЯ ПОСАДКА(РУКОЯТЬ 3.95 м)
ГИДРОСИСТЕМА РУКОЯТИ - ВРАЩАЮЩИЙСЯ (РУКОЯТЬ 3.95 м)
6830 BUCKET - 1.25mВі
6840 BUCKET - 1.83mВі
6850 ROCK BUCKET - 1.37mВі(HEAVY DUTY)
6860 BUCKET ASS`Y - 1.20mВі(42`) - SIDE PIN [10001~10231]
6870 BUCKET ASS`Y - 1.42mВі(48`) - SIDE PIN [10001~10231]
6880 BUCKET ASS`Y - 1.65mВі(54`) - SIDE PIN [10001~10231]
6890 BUCKET ASS`Y - 1.79mВі(57`) - SIDE PIN [10001~10231]
6900 BUCKET ASS`Y - 2.01mВі(63`) - SIDE PIN [10001~10231]
ТРУБОПРОВОД СЕРВОУПРАВЛЕНИЯ - ИЗМЕНЕНИЕ РЕЖИМА(1)
ТРУБОПРОВОД СЕРВОУПРАВЛЕНИЯ - ИЗМЕНЕНИЕ РЕЖИМА(2)
ТРУБОПРОВОД СЕРВОУПРАВЛЕНИЯ - ПРЯМОЙ ВАЛ ХОДА
КОВРИК НА ПОЛУ КУЗОВА - ОДНА ПЕДАЛЬ
6950 CABIN - ROPS(NA)
6960 BUCKET ASSВґY - 1.44mВі - H CLASS
6970 BUCKET ASSВґY - 1.66mВі - H CLASS
6980 BUCKET ASS`Y - 1.81mВі - H CLASS
6990 BUCKET ASS`Y - 2.03mВі - H CLASS
7000 BUCKET ASSВґY - 2.32mВі - H CLASS
7005 BUCKET ASSВґY - 1.56mВі - S CLASS
7010 BUCKET ASSВґY - 1.71mВі - S CLASS
7020 BUCKET ASSВґY - 1.92mВі - S CLASS
7030 BUCKET ASSВґY - 2.22mВі - S CLASS
7040 TMS(NA) - CELLULAR & SATELLITE(V1.5) [10183~]
7050 TMS - CELLULAR & SATELLITE(V1.5) [10183~]
7060 BUCKET ASSВґY - 1.49mВі - G CLASS [10001~10231]
7070 BUCKET ASSВґY - 1.61mВі - G CLASS [10001~10231]
7080 BUCKET ASSВґY - 1.83mВі - G CLASS [10001~10231]
7090 SUN VISOR [10219~]
7100 TMS - CELLULAR(V2.0) [10231~]
7110 TMS - CELLULAR & SATELLITE(V2.0) [10231~]
7120 WORKING LAMP - BOOM(LED)