88007754294
sales@remzona-parts.ru
Найти
88007754294
sales@remzona-parts.ru
Обратный звонок
Заказать запчасть
0 позиций
0 руб.
Оформить заказ
Вход
Регистрация
Найти
Каталог запасных частей
Bobcat
Шарнирно-сочлененный погрузчик
Навесное оборудование
Экскаватор–погрузчик
Мини-трактор
Мини-экскаватор
Другая техника
Мини-погрузчик
Телескопический погрузчик
Дизельные автомобили
Электрокар
Doosan
Бульдозеры
Экскаваторы
Колесные погрузчики
Погрузчики с бортовым поворотом
Лесотехнические машины
Самосвалы Moxy
Быстросъем
Навесное оборудование
Специальное исполнение
Прочие запчасти (другие)
EP Equipment
Запчасти для ТО
Шины для спецтехники
Гусеницы для спецтехники
Навесное оборудование
Прицепы для перевозки мини-спецтехники
Дополнительное оборудование
Новости
Ремонт и сервис
О проекте
Проект Ремзона
Оптовикам
Поставщикам
Регионам
Отзывы
Акции
Статьи
Контакты
Помощь
Как оформить заказ
Оплата
Доставка
Поиск запасных частей
Возврат деталей
Авторизация
Войти
Забыли пароль?
Регистрация
Обратный звонок
Главная
Каталог запасных частей
Каталог запасных частей Doosan
Экскаваторы
DX225LCA / DX220A
60 ОПЦИОННЫЕ ЗАПЧАСТИ
60 ОПЦИОННЫЕ ЗАПЧАСТИ на экскаваторы Doosan DX225LCA / DX220A
Ничего не найдено
6100 FUEL FILLER PUMP
6105 AIR CLEANER - PRE CLEANER [16132~]
6110 MAIN PIPING - ONE WAY [5001~19556]
6111 MAIN PIPING - ONE WAY [19557~]
6120 ONE WAY PIPING - WITH FILTER [5001~18825]
6121 ONE WAY PIPING - WITH FILTER [18826~]
6130 MAIN PIPING - TWO WAY [5001~19556]
6131 MAIN PIPING - TWO WAY [19557~]
6140 TWO WAY PIPING - WITH FILTER [5001~18825]
6141 TWO WAY PIPING - WITH FILTER [18826~]
6150 PILOT PIPING - ONE OR TWO WAY [5001~7754]
6151 PILOT PIPING - ONE OR TWO WAY [7755~]
6155 PILOT PIPING - ONE WAY [5001~17093]
6156 PILOT PIPING - ONE WAY [17094~]
6160 PILOT PIPING - TWO WAY(1) [5001~19556]
6161 PILOT PIPING - TWO WAY(1) [19557~]
ТРУБОПРОВОД СЕРВОУПРАВЛЕНИЯ - 2 ПУТИ(2)
6180 BOOM PIPING - BOOM 5.7m(ONE & TWO WAY)
6190 ARM PIPING - ARM 2.9m(ONE & TWO WAY)
ГЛАВНАЯ МАГИСТРАЛЬ - БЫСТРАЯ ПОСАДКА
ЭЛЕКТРИЧЕСКИЕ ЗАПЧАСТИ - БЫСТРОУСТАНАВЛИВАЕМЫЙ ФИКСАТОР
ГИДРОСИСТЕМА СТРЕЛЫ - СТРЕЛА 5.7 м(БЫСТРОУСТАНАВЛИВАЕМЫЙ ФИКСАТОР)
ГИДРОСИСТЕМА РУКОЯТИ - РУКОЯТЬ 2.9 м(БЫСТРОУСТАНАВЛИВАЕМЫЙ ФИКСАТОР)
ГЕНЕРАТОР ПЕРЕМЕННОГО ТОКА - 80A
6250 CD PLAYER [5001~18447]
КРЫШКА ЛЮКА
ЗАЩИТА ОТ ДОЖДЯ
6280 RAIN SHIELD & LAMP MOUNTING
НИЖНЕЕ ОГРАЖДЕНИЕ КАБИНЫ
6300 WINDOW GUARD
6310 FLOOR MAT - TWO WAY OR OEP
КОВРИК НА ПОЛУ КУЗОВА - ВРАЩАЮЩИЙСЯ
6330 FLOOR MAT - TWO WAY OR OEP(ROTATING)
ЗАЩИТНЫЙ КОРПУС ПРОТИВОТУМАННЫХ ФАР В СБОРЕ
БАШМАК ГУСЕНИЦЫ В СБОРЕ - 700G(DX225LCA)
БАШМАК ГУСЕНИЦЫ В СБОРЕ - 800G(DX225LCA)
БАШМАК ГУСЕНИЦЫ В СБОРЕ - 800G(DX220A)
БАШМАК ГУСЕНИЦЫ В СБОРЕ - 900G(DX225LCA)
6380 SWING ALARM - NOT ONE OR TWO WAY [5001~17093]
6381 SWING ALARM - NON TWO WAY [17094~]
6390 SWING ALARM - ONE OR TWO WAY [5001~13861]
6395 SWING ALARM - TWO WAY [13862~]
6397 SWING ALARM - ONE WAY [13862~17093]
РАДИО
6410 LOCK VALVE PIPING - BOOM [5001~17093]
6411 LOCK VALVE PIPING - BOOM [17094~]
ГИДРОСИСТЕМА СТРЕЛЫ - ГИДРОЗАМОК
ТРУБОПРОВОД СЕРВОУПРАВЛЕНИЯ - КЛАПАН ЗАМКА РУКОЯТИ
ГИДРОСИСТЕМА РУКОЯТИ - ГИДРОЗАМОК
ГИДРОСИСТЕМА РУКОЯТИ - РУКОЯТЬ 2.9 м(ГРЕЙФЕРНЫЙ КОВШ)
6460 MAIN PIPING-ROTATION [5001~17093]
6461 MAIN PIPING-ROTATION [17094~]
ТРУБОПРОВОД СЕРВОУПРАВЛЕНИЯ(1) - ВРАЩАЮЩИЙСЯ
ТРУБОПРОВОД СЕРВОУПРАВЛЕНИЯ(2) - ВРАЩАЮЩИЙСЯ
ГИДРОСИСТЕМА СТРЕЛЫ - ВРАЩАЮЩИЙСЯ(СТРЕЛА 5.7 м)
ГИДРОСИСТЕМА РУКОЯТИ - ВРАЩАЮЩИЙСЯ(РУКОЯТЬ 2.9 м)
6510 BUCKET ASS`Y - 0.73mВі(36`) - SIDE PIN [5001~20042]
6520 BUCKET ASS`Y - 0.90mВі(42`) - SIDE PIN [5001~20042]
6530 BUCKET ASS`Y - 1.07mВі(48`) - SIDE PIN [5001~20042]
6540 BUCKET ASS`Y - 1.24mВі(54`) - SIDE PIN [5001~20042]
6550 BUCKET ASS`Y - 1.32mВі(57`) - SIDE PIN [5001~20042]
6560 BUCKET ASS`Y - 1.49mВі(63`) - SIDE PIN [5001~20042]
6570 ARM - 2.0m [5001~13005]
6571 ARM - 2.0m [13006~]
ГИДРОСИСТЕМА РУКОЯТИ - РУКОЯТЬ 2.0 м
ТРУБОПРОВОД СМАЗОЧНОЙ СИСТЕМЫ - РУКОЯТЬ 2.0 м
6600 ARM PIPING - ARM 2.0m(ONE & TWO WAY)
ГИДРОСИСТЕМА РУКОЯТИ - РУКОЯТЬ 2.0 м(БЫСТРОУСТАНАВЛИВАЕМЫЙ ФИКСАТОР)
ГИДРОСИСТЕМА РУКОЯТИ - РУКОЯТЬ 2.0 м(ГРЕЙФЕРНЫЙ КОВШ)
ГИДРОСИСТЕМА РУКОЯТИ - РУКОЯТЬ 2.0 м(ВРАЩАЮЩИЙСЯ)
6640 ARM - 2.4m [5001~13005]
6641 ARM - 2.4m [13006~]
ГИДРОСИСТЕМА РУКОЯТИ - РУКОЯТЬ 2.4 м
ТРУБОПРОВОД СМАЗОЧНОЙ СИСТЕМЫ - РУКОЯТЬ 2.4 м
6670 ARM PIPING - ARM 2.4m(ONE & TWO WAY)
ГИДРОСИСТЕМА РУКОЯТИ - РУКОЯТЬ 2.4 м(БЫСТРОУСТАНАВЛИВАЕМЫЙ ФИКСАТОР)
ГИДРОСИСТЕМА РУКОЯТИ - РУКОЯТЬ 2.4 м(ГРЕЙФЕРНЫЙ КОВШ)
ГИДРОСИСТЕМА РУКОЯТИ - РУКОЯТЬ 2.4 м(ВРАЩАЮЩИЙСЯ)
6710 ARM - 3.5m [5001~13005]
6711 ARM - 3.5m [13006~]
ГИДРОСИСТЕМА РУКОЯТИ - РУКОЯТЬ 3.5 м
ТРУБОПРОВОД СМАЗОЧНОЙ СИСТЕМЫ - РУКОЯТЬ 3.5 м
6740 ARM PIPING - ARM 3.5m(ONE & TWO WAY)
ГИДРОСИСТЕМА РУКОЯТИ - РУКОЯТЬ 3.5 м(БЫСТРОУСТАНАВЛИВАЕМЫЙ ФИКСАТОР)
ГИДРОСИСТЕМА РУКОЯТИ - РУКОЯТЬ 3.5 м(ГРЕЙФЕРНЫЙ КОВШ)
ГИДРОСИСТЕМА РУКОЯТИ - РУКОЯТЬ 3.5 м(ВРАЩАЮЩИЙСЯ)
6780 BUCKET ASS`Y - 0.51mВі
6790 BUCKET ASS`Y - 0.81mВі
6800 BUCKET ASS`Y - 1.05mВі
6810 BUCKET ASS`Y - 1.17mВі
6820 BUCKET ASS`Y - 1.28mВі
6830 BOOM - 5.2m [5001~18443]
6831 BOOM - 5.2m [18444~]
ГИДРОСИСТЕМА СТРЕЛЫ - СТРЕЛА 5.2 м
ТРУБОПРОВОД СМАЗОЧНОЙ СИСТЕМЫ - СТРЕЛА 5.2 м
6860 BOOM PIPING - BOOM 5.2m(ONE & TWO WAY)
ГИДРОСИСТЕМА СТРЕЛЫ - СТРЕЛА 5.2 м(БЫСТРАЯ ПОСАДКА)
ГИДРОСИСТЕМА СТРЕЛЫ - СТРЕЛА 5.2 м(ВРАЩАЮЩИЙСЯ)
ГИДРОЗАМОК ТРУБОПРОВОДА - СТРЕЛА 5.2 м
СТРЕЛА - 8.5 м
РУКОЯТЬ - 6.2 м
ПРОТИВОВЕС - ОЧЕНЬ ДЛИННЫЙ(DX225LCA)
ПРОТИВОВЕС - 5.3ТОНН(КОМПЛЕКТ ШУМОПОДАВЛЕНИЯ - DX225LCA)
6940 BUCKET ASS`Y - 0.39mВі
6950 BUCKET ASS`Y - 0.45mВі - DITCH CLEANING
6960 BUCKET ASS`Y - 0.54mВі - DITCH CLEANING
ГИДРОСИСТЕМА СТРЕЛЫ - СТРЕЛА 8.5 м
ТРУБОПРОВОД СМАЗОЧНОЙ СИСТЕМЫ - СТРЕЛА 8.5 м
ГИДРОЗАМОК ТРУБОПРОВОДА - СТРЕЛА 8.5 м
ГИДРОСИСТЕМА СТРЕЛЫ - СТРЕЛА 8.5 м(ВРАЩАЮЩИЙСЯ)
ГИДРОСИСТЕМА РУКОЯТИ - РУКОЯТЬ 6.2 м
ТРУБОПРОВОД СМАЗОЧНОЙ СИСТЕМЫ - РУКОЯТЬ 6.2 м
ГИДРОСИСТЕМА РУКОЯТИ - РУКОЯТЬ 6.2 м(ВРАЩАЮЩИЙСЯ)
7040 TRAVEL ALARM
РАБОЧАЯ ФАРА(2-ЛАМПЫ)
РАБОЧАЯ ФАРА(4-ЛАМПЫ)
РАБОЧАЯ ФАРА - ЗАДНИЙ
7080 ROTATING BEACON [5001~19748]
7081 ROTATING BEACON WITH 6 LAMP [19749~]
КРОНШТЕЙН ПРОБЛЕСКОВОГО МАЯЧКА
7100 ROTATING BEACON(TELESCOPIC) WITH LAMP [5001~19073]
7110 ROTATING BEACON(TELESCOPIC) W/O LAMP [5001~19073]
СИГНАЛИЗАЦИЯ О ПЕРЕГРУЗКЕ
7130 LOWER WIPER [5001~15939]
РАБОЧАЯ ФАРА(2-ЛАМПЫ)
РАБОЧАЯ ФАРА(4-ЛАМПЫ)
ПРОБЛЕСКОВЫЙ МАЯЧОК-С ПРОТИВОТУМАННЫМИ ФАРАМИ
БОКОВАЯ ДВЕРЬ - ЛЕВОСТОРОННИЙ (В ТРОПИЧЕСКИХ УСЛОВИЯХ)
ЗАПЧАСТИ ДЛЯ ТРОПИЧЕСКОЙ ЧАСТИ
АКУСТИЧЕСКАЯ НОПЛАСТОВАЯ ИЗОЛЯЦИЯ - КОМПЛЕКТ ШУМОПОДАВЛЕНИЯ
ИЗМЕНЕНИЯ РЕЖИМА ТРУБОПРОВОДА(1)
ИЗМЕНЕНИЯ РЕЖИМА ТРУБОПРОВОДА(2)
ПРОТИВОВЕС - 3.8ТОНН(КОМПЛЕКТ ШУМОПОДАВЛЕНИЯ - DX220A)
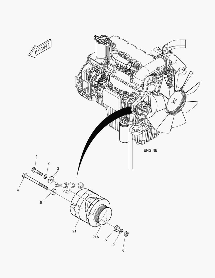
7230 ALTERNATOR - 50A [5001~18573]
7240 ALTERNATOR
7250 ELECTRIC PARTS - ENGINE(ALTERNATOR-50A)
РУКОЯТЬ - 2.9 м(ОСОБО ПРОЧНЫЙ)
СТРЕЛА - 5.7 м - ГИДРАВЛИЧЕСКОГО ТИПА
7280 BUCKET ASS`Y - 0.92mВі(S.H TYPE) [5001~18653]
7281 BUCKET ASS`Y - 0.92mВі - H CLASS BUCKET FLAT [18654~]
7290 BUCKET ASS`Y - 1.05mВі(S.H TYPE) [5001~18653]
7291 BUCKET ASS`Y - 1.05mВі - H CLASS BUCKET FLAT [18654~]
7300 BUCKET ASS`Y - 1.17mВі(S.H TYPE) [5001~18653]
7301 BUCKET ASS`Y - 1.17mВі - H CLASS BUCKET FLAT [18654~]
7310 TRACK FRAME - HEAVY DUTY(DX225LCA)
7320 UNDER COVER - HEAVY DUTY(DX225LCA) [5001~18443]
7321 UNDER COVER - HEAVY DUTY(DX225LCA) [18444~]
7330 BUCKET ASSВґY - 0.60mВі - H CLASS
7340 BUCKET ASSВґY - 0.76mВі - H CLASS
7350 BUCKET ASSВґY - 0.92mВі - H CLASS
7360 BUCKET ASSВґY - 1.08mВі - H CLASS
7370 BUCKET ASSВґY - 1.24mВі - H CLASS
7380 BUCKET ASSВґY - 1.35mВі - H CLASS
7390 BUCKET ASSВґY - 1.40mВі - H CLASS
7400 BUCKET ASSВґY - 1.51mВі - H CLASS
7405 FUEL PIPING - DUAL PRE FILTER [16132~17579]
7406 FUEL PIPING - DUAL PRE FILTER [17580~]
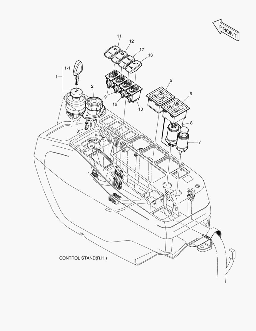
ПУЛЬТ УПРАВЛЕНИЯ - ЛЕВОСТОРОННИЙ(СИСТЕМА ЗАЩИТЫ ПРИ ОПРОКИДЫВАНИИ)
ПУЛЬТ УПРАВЛЕНИЯ - ПРАВОСТОРОННИЙ(СИСТЕМА ЗАЩИТЫ ПРИ ОПРОКИДЫВАНИИ)
СКОЛЬЗЯЩАЯ ПЛИТА СИДЕНИЯ - СИСТЕМА ЗАЩИТЫ ПРИ ОПРОКИДЫВАНИИ
7440 SEAT BASE - ROPS
ПОДВЕСКА - СИСТЕМА ЗАЩИТЫ ПРИ ОПРОКИДЫВАНИИ
УСТАНОВКА СИДЕНЬЯ - СИСТЕМА ЗАЩИТЫ ПРИ ОПРОКИДЫВАНИИ
КРЕСЛО - СИСТЕМА ЗАЩИТЫ ПРИ ОПРОКИДЫВАНИИ
КРЫШКА ТРУБОПРОВОДА - СИСТЕМА ЗАЩИТЫ ПРИ ОПРОКИДЫВАНИИ
КРЫШКА ОБОГРЕВАТЕЛЯ - СИСТЕМА ЗАЩИТЫ ПРИ ОПРОКИДЫВАНИИ
7495 HEATER COVER - ROPS(DIESEL HEATER) [18238~]
УСТАНОВКА КАБИНЫ - СИСТЕМА ЗАЩИТЫ ПРИ ОПРОКИДЫВАНИИ
КАБИНА(1) - СИСТЕМА ЗАЩИТЫ ПРИ ОПРОКИДЫВАНИИ
КАБИНА(2) - СИСТЕМА ЗАЩИТЫ ПРИ ОПРОКИДЫВАНИИ
КАБИНА(3) - СИСТЕМА ЗАЩИТЫ ПРИ ОПРОКИДЫВАНИИ
КАБИНА(4) - СИСТЕМА ЗАЩИТЫ ПРИ ОПРОКИДЫВАНИИ
РУКОЯТКА - КАБИНА(СИСТЕМА ЗАЩИТЫ ПРИ ОПРОКИДЫВАНИИ)
ЗЕРКАЛО - ДОПОЛНИТЕЛЬНЫЙ(КАБИНА)
ЧЕХОЛ КРЫШКИ - PC(СИСТЕМА ЗАЩИТЫ ПРИ ОПРОКИДЫВАНИИ)
ЧЕХОЛ КРЫШКИ - ИЗ СТАЛИ(СИСТЕМА ЗАЩИТЫ ПРИ ОПРОКИДЫВАНИИ)
7590 FLOOR PLATE - ROPS [5001~19149]
7591 FLOOR PLATE - ROPS [19150~]
ПОДСТАВКА ДЛЯ НОГ - ЛЕВОСТОРОННИЙ(СИСТЕМА ЗАЩИТЫ ПРИ ОПРОКИДЫВАНИИ)
ПОДСТАВКА ДЛЯ НОГ - ПРАВОСТОРОННИЙ(СИСТЕМА ЗАЩИТЫ ПРИ ОПРОКИДЫВАНИИ)
КОВРИК НА ПОЛУ КУЗОВА - СИСТЕМА ЗАЩИТЫ ПРИ ОПРОКИДЫВАНИИ
КОВРИК НА ПОЛУ КУЗОВА - ОДНА ПЕДАЛЬ(ПРАВОСТОРОННИЙ)(СИСТЕМА ЗАЩИТЫ ПРИ ОПРОКИДЫВАНИИ)
КОВРИК НА ПОЛУ КУЗОВА - ОДНА ПЕДАЛЬ(ЛЕВОСТОРОННИЙ)(СИСТЕМА ЗАЩИТЫ ПРИ ОПРОКИДЫВАНИИ)
КОВРИК НА ПОЛУ КУЗОВА - 2 ПЕДАЛИ(СИСТЕМА ЗАЩИТЫ ПРИ ОПРОКИДЫВАНИИ)
ЗАЩИТА ОТ ДОЖДЯ - СИСТЕМА ЗАЩИТЫ ПРИ ОПРОКИДЫВАНИИ
КАБИНА С НИЗКИМ ЗАЩИТНЫМ ОГРАЖДЕНИЯ - СИСТЕМА ЗАЩИТЫ ПРИ ОПРОКИДЫВАНИИ
РЕШЕТКА СТЕКЛА - СИСТЕМА ЗАЩИТЫ ПРИ ОПРОКИДЫВАНИИ
ЗАЩИТНЫЙ КОРПУС ПРОТИВОТУМАННЫХ ФАР - СИСТЕМА ЗАЩИТЫ ПРИ ОПРОКИДЫВАНИИ
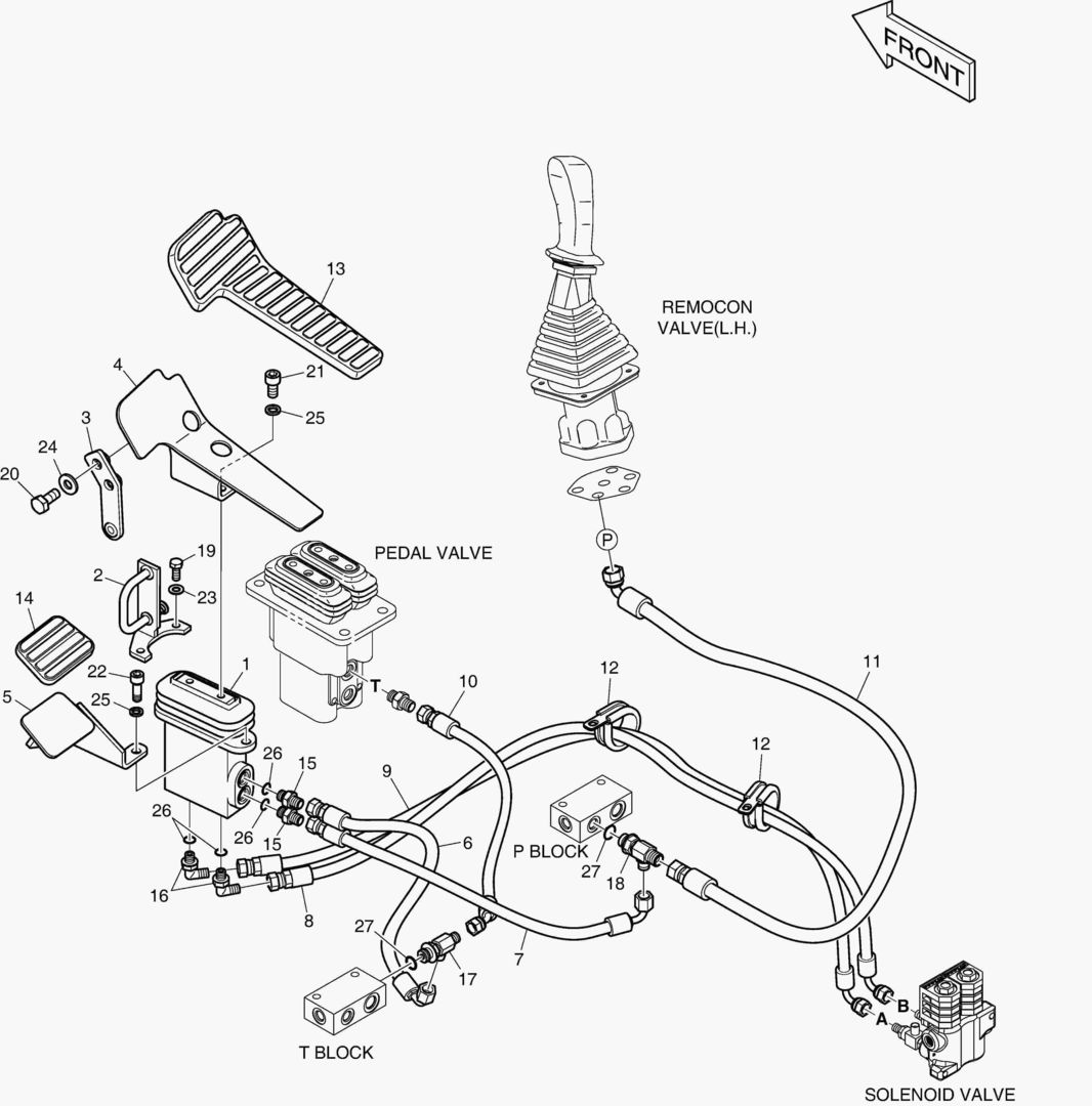
7700 PILOT PIPING(1) - ROPS
7710 PILOT PIPING(2) - ROPS
7720 PILOT PIPING(3) - ROPS
7730 PILOT PIPING - TWO WAY(ROPS)
7740 PILOT PIPING - ROTATING(ROPS)
ЭЛЕКТРИЧЕСКИЕ ЗАПЧАСТИ - КАБИНА(СИСТЕМА ЗАЩИТЫ ПРИ ОПРОКИДЫВАНИИ)
ЭЛЕКТРИЧЕСКИЕ ЗАПЧАСТИ - ПУЛЬТ УПРАВЛЕНИЯ(СИСТЕМА ЗАЩИТЫ ПРИ ОПРОКИДЫВАНИИ)
ЗВУКОВОСПРОИЗВОДЯЩАЯ АППАРАТУРА - СИСТЕМА ЗАЩИТЫ ПРИ ОПРОКИДЫВАНИИ
РАБОЧАЯ ФАРА(2-ЛАМПЫ) - СИСТЕМА ЗАЩИТЫ ПРИ ОПРОКИДЫВАНИИ
РАБОЧАЯ ФАРА(6-ЛАМПЫ) - СИСТЕМА ЗАЩИТЫ ПРИ ОПРОКИДЫВАНИИ
РАБОЧАЯ ФАРА(2-ЛАМПЫ) - СИСТЕМА ЗАЩИТЫ ПРИ ОПРОКИДЫВАНИИ
РАБОЧАЯ ФАРА(6-ЛАМПЫ) - СИСТЕМА ЗАЩИТЫ ПРИ ОПРОКИДЫВАНИИ
ПРОБЛЕСКОВЫЙ МАЯЧОК - СИСТЕМА ЗАЩИТЫ ПРИ ОПРОКИДЫВАНИИ
7830 ROTATING BEACON - WITH LAMP(ROPS)
7840 ROTATING BEACON - WITH GUARD(ROPS)
7850 ROTATING BEACON - WITH GUARD & LAMP(ROPS)
МАЯЧОК ТЕЛЕСКОПА - СИСТЕМА ЗАЩИТЫ ПРИ ОПРОКИДЫВАНИИ
7870 TELESCOPIC BEACON - WITH LAMP(ROPS) [5001~19073]
ВЕНТИЛЯЦИЯ - СИСТЕМА ЗАЩИТЫ ПРИ ОПРОКИДЫВАНИИ
КОНДИЦИОНЕР - СИСТЕМА ЗАЩИТЫ ПРИ ОПРОКИДЫВАНИИ
СИГНАЛ ЗАДНЕГО ХОДА - СИСТЕМА ЗАЩИТЫ ПРИ ОПРОКИДЫВАНИИ
БЫСТРОУСТАНАВЛИВАЕМЫЙ ФИКСАТОР ВКЛЮЧАТЕЛЯ - СИСТЕМА ЗАЩИТЫ ПРИ ОПРОКИДЫВАНИИ
СИГНАЛИЗАЦИЯ О ПЕРЕГРУЗКЕ - СИСТЕМА ЗАЩИТЫ ПРИ ОПРОКИДЫВАНИИ
7930 ELECTRIC WIRING - ROPS [5001~19556]
7931 ELECTRIC WIRING - ROPS [19557~]
7940 BUCKET ASSВґY - 0.91mВі - S CLASS
7950 BUCKET ASSВґY - 1.07mВі - S CLASS
7960 BUCKET ASSВґY - 1.23mВі - S CLASS
7970 TMS - CELLULAR & SATELLITE(V1.5) [17258~]
7980 TMS - CELLULAR & SATELLITE & ROPS(V1.5) [17258~]
7985 TMS - CELLULAR & SATELLITE & FOGS(V1.5) [20885~~]
7990 RESERVE TANK(TROPICAL) [18414~]
8000 FUEL FILTER - WITH BOWL HEATER [17094~]
8010 ELECTRIC PARTS - PEDAL(BREAKER) [18715~]
8020 SUN VISOR [18715~]
8030 DIESEL HEATER [19150~]
8040 AIR CONDITIONER - DIESEL HEATER [19150~]
8050 AIR CONDITIONER - DIESEL HEATER(ROPS) [19150~]
8060 SUPPORT - WITH DIESEL HEATER [19150~]
8070 COVER - WITH DIESEL HEATER [19150~]
8080 ARM - 2.4m(HEAVY DUTY) [18444~]
8090 CABLE - OPERATION MANUAL [19461~]
8100 TMS - CELLULAR(V2.0) [19673~]
8110 TMS - CELLULAR & ROPS(V2.0) [19673~]
8120 TMS - CELLULAR & FOGS(V2.0) [19673~]
8130 TMS - CELLULAR & SATELLITE(V2.0) [19673~]
8140 TMS - CELLULAR & SATELLITE & ROPS(V2.0) [19673~]
8150 TMS - CELLULAR & SATELLITE & FOGS(V2.0) [19673~]
8160 WORKING LAMP - BOOM(LED)