88007754294
sales@remzona-parts.ru
Найти
88007754294
sales@remzona-parts.ru
Обратный звонок
Заказать запчасть
0 позиций
0 руб.
Оформить заказ
Вход
Регистрация
Найти
Каталог запасных частей
Bobcat
Шарнирно-сочлененный погрузчик
Навесное оборудование
Экскаватор–погрузчик
Мини-трактор
Мини-экскаватор
Другая техника
Мини-погрузчик
Телескопический погрузчик
Дизельные автомобили
Электрокар
Doosan
Бульдозеры
Экскаваторы
Колесные погрузчики
Погрузчики с бортовым поворотом
Лесотехнические машины
Самосвалы Moxy
Быстросъем
Навесное оборудование
Специальное исполнение
Прочие запчасти (другие)
EP Equipment
Запчасти для ТО
Шины для спецтехники
Гусеницы для спецтехники
Навесное оборудование
Прицепы для перевозки мини-спецтехники
Дополнительное оборудование
Новости
Ремонт и сервис
О проекте
Проект Ремзона
Оптовикам
Поставщикам
Регионам
Отзывы
Акции
Статьи
Контакты
Помощь
Как оформить заказ
Оплата
Доставка
Поиск запасных частей
Возврат деталей
Авторизация
Войти
Забыли пароль?
Регистрация
Обратный звонок
Главная
Каталог запасных частей
Каталог запасных частей Bobcat
Дизельные автомобили
Bobcat 2200S
A5A011001 И ВЫШЕ, A5A111001 И ВЫШЕ
АКСЕСCУАРЫ И ОПЦИИ
АКСЕСCУАРЫ И ОПЦИИ на дизельные автомобили Bobcat 2200SA5A011001 И ВЫШЕ, A5A111001 И ВЫШЕ
Ничего не найдено
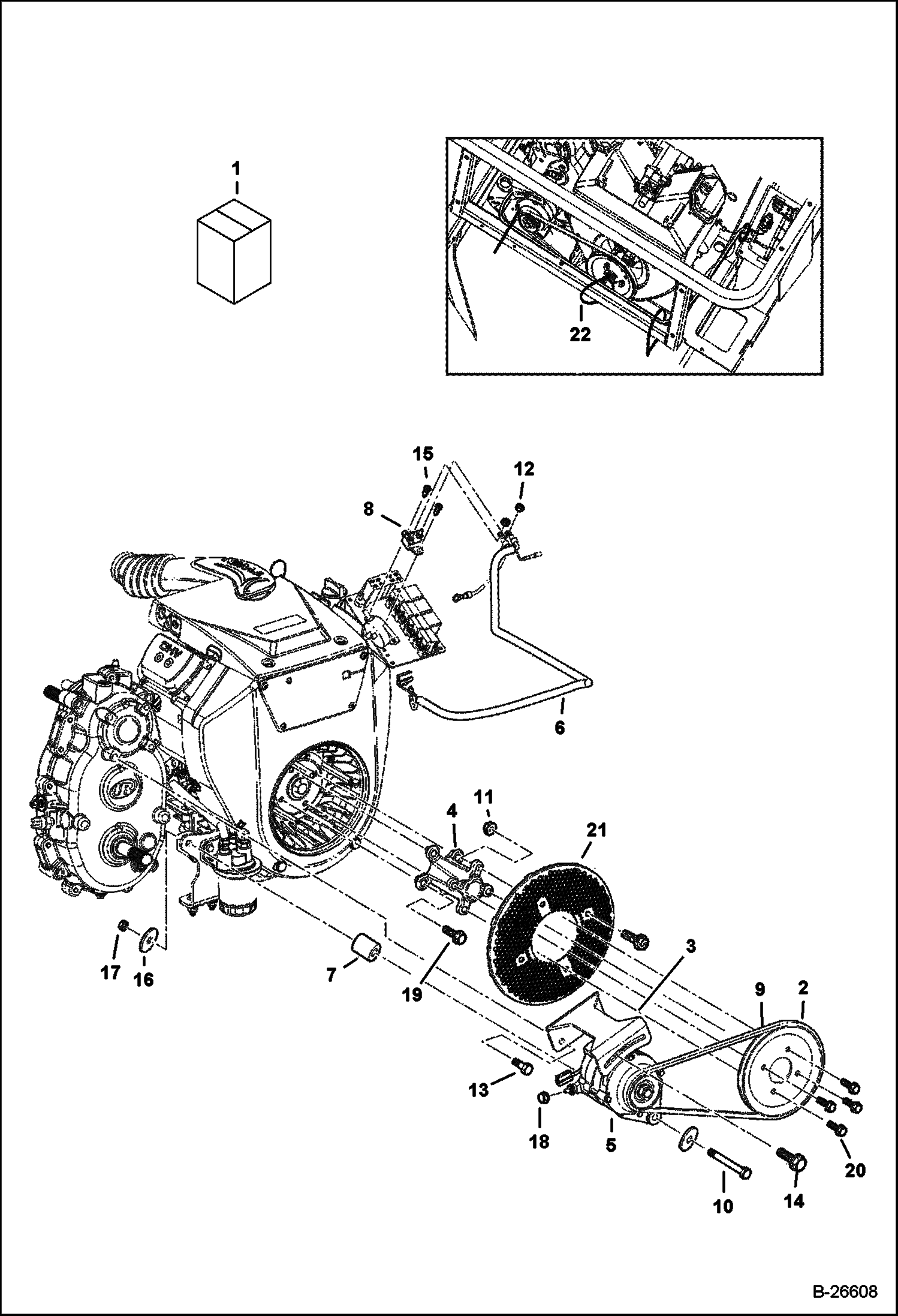
КОМПЛЕКТ МЕХАНИЗМОВ БЕССТУПЕНЧАТОЙ ТРАНСМИССИИ ДЛЯ ТОРМОЖЕНИЯ ДВИГАТЕЛЕМ ДИЗЕЛЬ
КОМПЛЕКТ МЕХАНИЗМОВ БЕССТУПЕНЧАТОЙ ТРАНСМИССИИ ДЛЯ ТОРМОЖЕНИЯ ДВИГАТЕЛЕМ ГАЗ
КОМПЛЕКТ ОГРАЖДЕНИЙ ЗАЩИТНОГО ЧЕХЛА РЕГУЛИРУЮЩЕГО КЛАПАНА
ПРЕДУПРЕЖДАЮЩИЕ ТАБЛИЧКИ
ПРЕДУПРЕЖДАЮЩИЕ ТАБЛИЧКИ
ДИЗЕЛЬНЫЙ КОМПЛЕКТ НАГРЕВАТЕЛЕЙ
КОМПЛЕКТ ПРОТИВОТУМАННЫХ ФАР
КОМПЛЕКТ МЕХАНИЗМОВ БЛОКИРОВКИ ПЕРЕДНЕГО ДИФФЕРЕНЦИАЛА (КРЕПЛЕНИЯ ВЫКЛЮЧАТЕЛЯ НА ПЕДАЛИ)
КОМПЛЕКТ ПОДВЕСОК С ВЫСОКОЙ ГРУЗОПОДЪЕМНОСТЬЮ
КОМПЛЕКТ ИНСТРУМЕНТОВ ДЛЯ ПЕРЕХОДНИКА МАСЛЯНОГО ФИЛЬТРА (KAWASAKI ДВИГАТЕЛЬ)
РЕМКОМПЛЕКТ ГЕНЕРАТОРА AMP 50 (KAWASAKI ДВИГАТЕЛЬ)
РЕМКОМПЛЕКТ ГЕНЕРАТОРА AMP 50 (HONDA ДВИГАТЕЛЬ)
СТОЙКИ ДЛЯ НАГНЕТАТЕЛЕЙ
КОМПЛЕКТ ДВИГАТЕЛЯ KAWASAKI (ЗАМЕНА ДВИГАТЕЛЯ HONDA )
КОМПЛЕКТ ФАР БЛИЖНЕГО СВЕТА С КОНТРОЛЕМ ПО КЛЮЧУ
КОМПЛЕКТ ДЛЯ УСТАНОВКИ БАЛКИ NERF
КОМПЛЕКТ ГИДРОУСИЛИТЕЛЯ
КОМПЛЕКТ ДЕТАЛЕЙ ЛЕБЕДКИ
НАБОР ИНСТРУМЕНТОВ ДЛЯ УСТАНОВКИ ВЕТРОВОГО СТЕКЛА (ОДНО ЛОБОВОЕ СТЕКЛО)
НАБОР ИНСТРУМЕНТОВ ДЛЯ УСТАНОВКИ ВЕТРОВОГО СТЕКЛА (СКЛАДНОЕ ВЕТРОВОЕ СТЕКЛО)