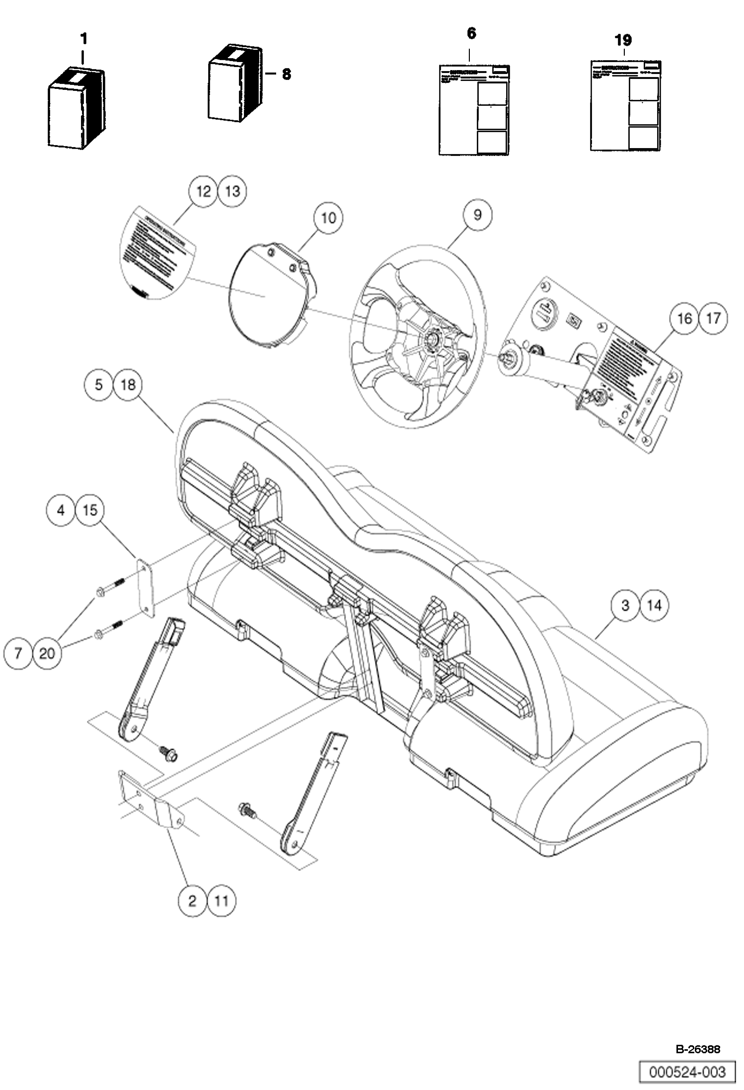
КОМПЛЕКТ ТРАНСФОРМИРУЮЩЕГО МНОГОМЕСТНОГО НЕРАЗДЕЛЕНОГО СИДЕНЬЯ на дизельные автомобили Bobcat 2200 A59Y11001 И ВЫШЕ, A59Z11001 И ВЫШЕ

1 103183101CC BENCH SEAT KIT W/Ref. 2-7 Заказать зап.часть
2 102759901CC BRACKET Заказать зап.часть
3 SEAT BOTTOM See Illustration BENCH SEAT CONVERSION/ NA2407 NLA - Order 103647201CC gray bench seat kit & 103643901CC conversion kit - Was 102879201CC - A Заказать зап.часть
4 102879401CC BRACKET Заказать зап.часть
5 SEAT BACK See Illustration BENCH SEAT CONVERSION/ NA2407 NLA - Order 103647201CC gray bench seat kit & 103643901CC conversion kit - Was 102879201CC - A Заказать зап.часть
6 INSTRUCTIONS NLA - instructions not serviced - Was 103187701CC - D Заказать зап.часть
7 103262601CC BOLT Заказать зап.часть
8 NLA - W/Ref. 9-20 - Was 103183201CC - A Заказать зап.часть
9 AM1229401CC WHEEL, STEERING Was 102537801CC - A Заказать зап.часть
10 102540802CC CENTER PLATE Заказать зап.часть
11 102759901CC BRACKET Заказать зап.часть
12 DECAL NLA - warning lamp, gas - Was 102889001CC - A Заказать зап.часть
13 DECAL NLA - warning lamp, diesel - Was 102889101CC - A Заказать зап.часть
14 SEAT BOTTOM See Illustration BENCH SEAT CONVERSION/ NA2407 NLA - Order 103647201CC gray bench seat kit & 103643901CC conversion kit - Was 102879201CC - A Заказать зап.часть
15 102879401CC BRACKET Заказать зап.часть
16 DECAL NLA - operating instructions-diesel - Was 102873901CC - A Заказать зап.часть
17 102878301CC DECAL operating instructions-gas Заказать зап.часть
18 SEAT BACK See Illustration BENCH SEAT CONVERSION/ NA2407 NLA - Order 103647201CC gray bench seat kit & 103643901CC conversion kit - Was 102912301CC - A Заказать зап.часть
19 INSTRUCTIONS NLA - instructions not serviced - Was 103187701CC - D Заказать зап.часть
20 103262601CC BOLT flng, m8x55 - W/threadlocker Заказать зап.часть
Запчасти на  / КОМПЛЕКТ ТРАНСФОРМИРУЮЩЕГО МНОГОМЕСТНОГО НЕРАЗДЕЛЕНОГО СИДЕНЬЯ / Bobcat (Бобкэт)?> КОМПЛЕКТ ТРАНСФОРМИРУЮЩЕГО МНОГОМЕСТНОГО НЕРАЗДЕЛЕНОГО СИДЕНЬЯ Показать большое изображение

Чтобы узнать цены и наличие данных запчастей, а также купить или получить дополнительную информацию, достаточно отправить запрос на сайте или проконсультироваться с нашими менеджерами по телефону 8-800-2229-469