88007754294
sales@remzona-parts.ru
Найти
88007754294
sales@remzona-parts.ru
Обратный звонок
Заказать запчасть
0 позиций
0 руб.
Оформить заказ
Вход
Регистрация
Найти
Каталог запасных частей
Bobcat
Шарнирно-сочлененный погрузчик
Навесное оборудование
Экскаватор–погрузчик
Мини-трактор
Мини-экскаватор
Другая техника
Мини-погрузчик
Телескопический погрузчик
Дизельные автомобили
Электрокар
Doosan
Бульдозеры
Экскаваторы
Колесные погрузчики
Погрузчики с бортовым поворотом
Лесотехнические машины
Самосвалы Moxy
Быстросъем
Навесное оборудование
Специальное исполнение
Прочие запчасти (другие)
EP Equipment
Запчасти для ТО
Шины для спецтехники
Гусеницы для спецтехники
Навесное оборудование
Прицепы для перевозки мини-спецтехники
Дополнительное оборудование
Новости
Ремонт и сервис
О проекте
Проект Ремзона
Оптовикам
Поставщикам
Регионам
Отзывы
Акции
Статьи
Контакты
Помощь
Как оформить заказ
Оплата
Доставка
Поиск запасных частей
Возврат деталей
Авторизация
Войти
Забыли пароль?
Регистрация
Обратный звонок
Главная
Каталог запасных частей
Каталог запасных частей Bobcat
Другая техника
ГЕНЕРАТОР
BAP185
904811001 И ВЫШЕ, 904911001 И ВЫШЕ
АКСЕСCУАРЫ И ОПЦИИ
АКСЕСCУАРЫ И ОПЦИИ на генератор BobcatBAP185904811001 И ВЫШЕ, 904911001 И ВЫШЕ
Ничего не найдено
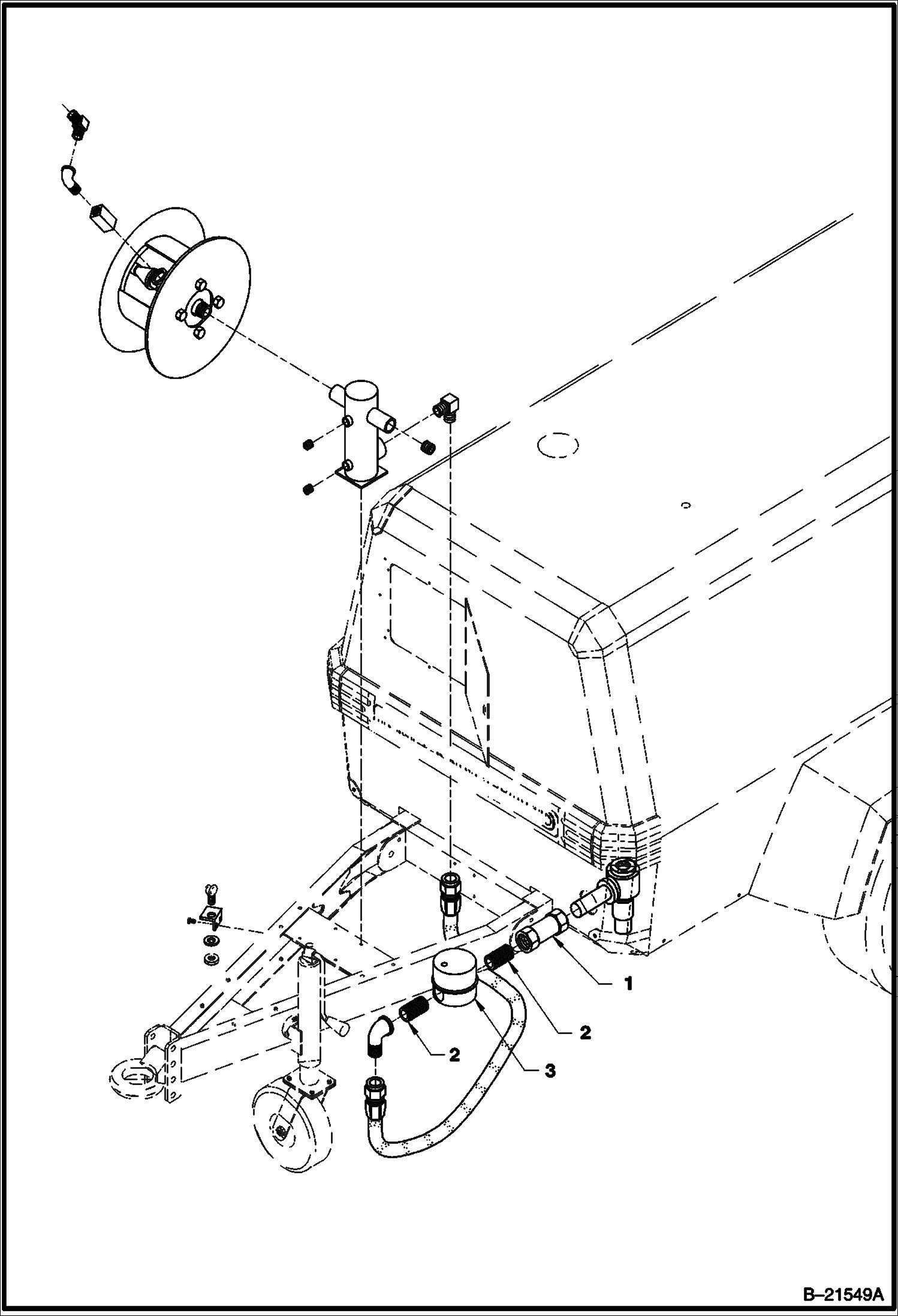
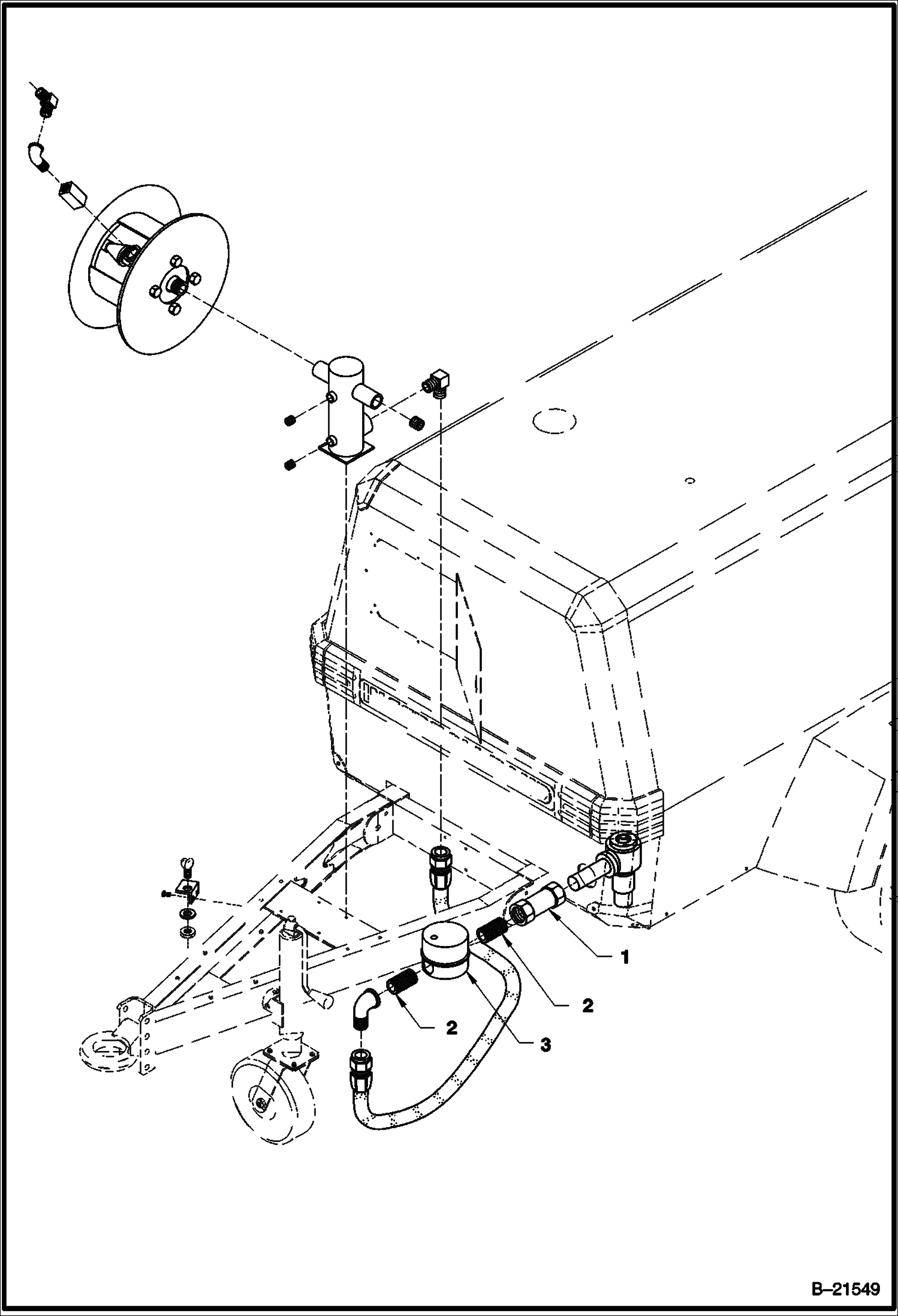
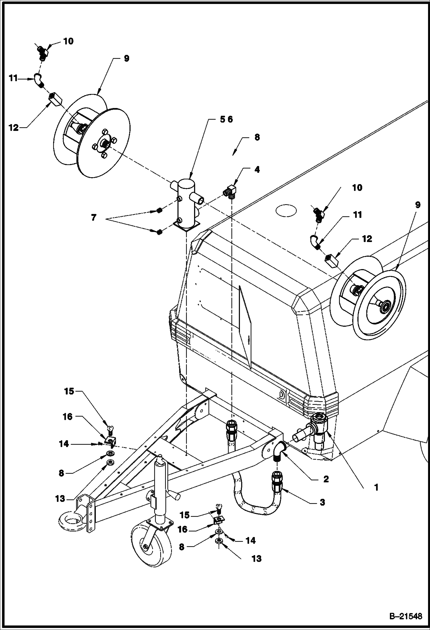
ДВУХРУКАВНАЯ КАТУШКА
1 QT ПРИСПОСОБЛЕНИЕ ДЛЯ СМАЗКИ БАРАБАНА ДЛЯ НАМАТЫВАНИЯ ШЛАНГА
2 QT ПРИСПОСОБЛЕНИЕ ДЛЯ СМАЗКИ БАРАБАНА ДЛЯ НАМАТЫВАНИЯ ШЛАНГА
СЕРВИСНЫЙ ИНДИКАТОР ЭЛЕКТРОФИЛЬТРА
ЗАДНЯЯ ОПОРА
4-УСТРОЙСТВА ОСВЕЩЕНИЯ В СБОРЕ
ФУНКЦИЯ ВРАЩАЮЩЕГОСЯ ПРОЖЕКТОРА
ФУНКЦИЯ ДВОЙНОЙ РЕГУЛИРОВКИ
ПОЛНОСТЬЮ УСТАНОВЛЕННАЯ ПАНЕЛЬ БЕЗ ПРЕДОХРАНИТЕЛЬНОГО КЛАПАНА
ПУСКОВОЙ КЛАПАН
КЛАПАН МИНИМАЛЬНОГО ДАВЛЕНИЯ
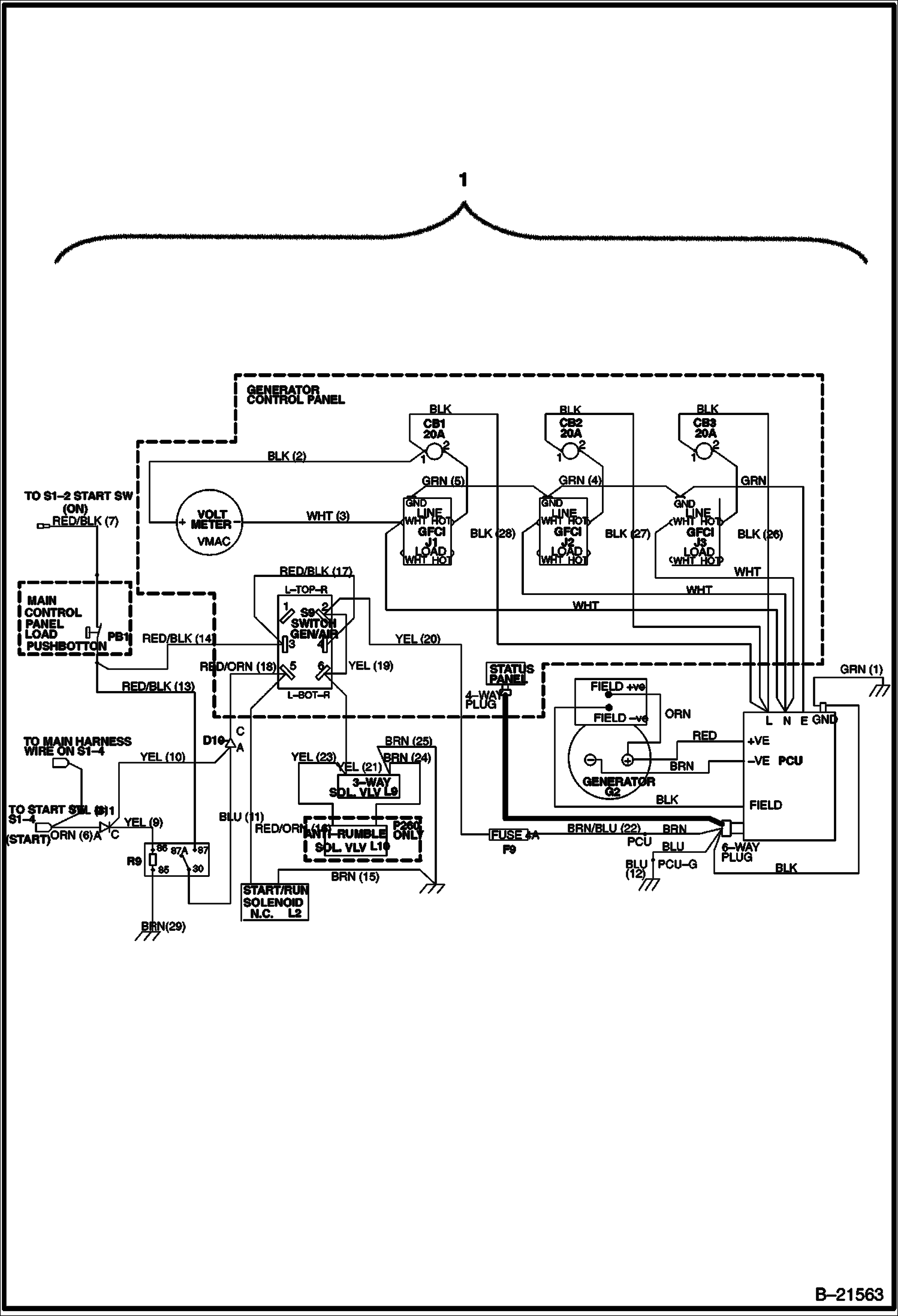
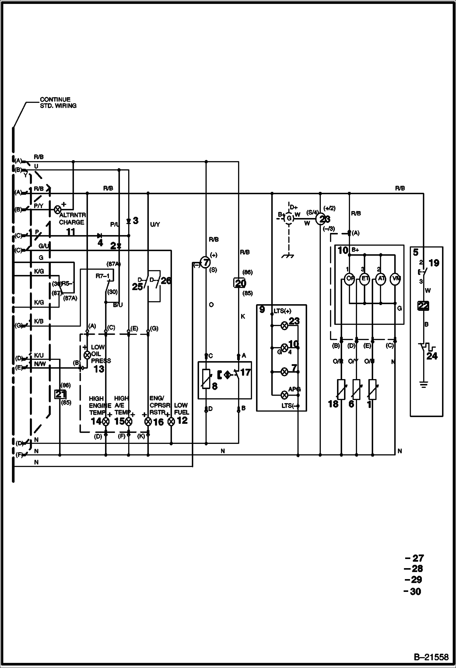
СХЕМА РАСПОЛОЖЕНИЯ ПРОВОДКИ
ДРУГИЕ ВОЗМОЖНОСТИ
4.5 КВТ ГЕНЕРАТОР (ОПЦИЯ)
4 ПРИНЦИПИАЛЬНАЯ ЭЛЕКТРИЧЕСКАЯ СХЕМА УСТРОЙСТВ ОСВЕЩЕНИЯ
6 КВТ СХЕМА ПРОВОДКИ ГЕНЕРАТОРА
110 VAC СХЕМА ПРОВОДКИ ОБОГРЕВАТЕЛЯ