88007754294
sales@remzona-parts.ru
Найти
88007754294
sales@remzona-parts.ru
Обратный звонок
Заказать запчасть
0 позиций
0 руб.
Оформить заказ
Вход
Регистрация
Найти
Каталог запасных частей
Bobcat
Шарнирно-сочлененный погрузчик
Навесное оборудование
Экскаватор–погрузчик
Мини-трактор
Мини-экскаватор
Другая техника
Мини-погрузчик
Телескопический погрузчик
Дизельные автомобили
Электрокар
Doosan
Бульдозеры
Экскаваторы
Колесные погрузчики
Погрузчики с бортовым поворотом
Лесотехнические машины
Самосвалы Moxy
Быстросъем
Навесное оборудование
Специальное исполнение
Прочие запчасти (другие)
EP Equipment
Запчасти для ТО
Шины для спецтехники
Гусеницы для спецтехники
Навесное оборудование
Прицепы для перевозки мини-спецтехники
Дополнительное оборудование
Новости
Ремонт и сервис
О проекте
Проект Ремзона
Оптовикам
Поставщикам
Регионам
Отзывы
Акции
Статьи
Контакты
Помощь
Как оформить заказ
Оплата
Доставка
Поиск запасных частей
Возврат деталей
Авторизация
Войти
Забыли пароль?
Регистрация
Обратный звонок
Главная
Каталог запасных частей
Каталог запасных частей Bobcat
Мини-погрузчик
Bobcat T450
AUVP11001 И ВЫШЕ
ЭЛЕКТРИЧЕСКАЯ СИСТЕМА
ЭЛЕКТРИЧЕСКАЯ СИСТЕМА на мини-погрузчик Bobcat T450AUVP11001 И ВЫШЕ
Ничего не найдено
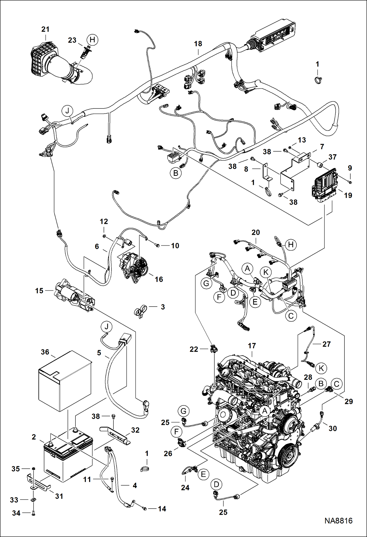
ЭЛЕКТРИЧЕСКАЯ СХЕМА (Датчики двигателя, АКБ, Генератор и стартер)
ЭЛЕКТРИЧЕСКАЯ СХЕМА (Задние огни, сигнал заднего хода.)
ЭЛЕКТРОСХЕМА ДВИГАТЕЛЯ (ЗАДНИЕ ФОНАРИ И КОМПЛЕКТ СИГНАЛА ЗАДНЕГО ХОДА) (ФАРЫ ЗАДНЕГО СВЕТА ТИПА EURO)
ЭЛЕКТРОСХЕМА ДВИГАТЕЛЯ (ГЛАВНЫЙ ЖГУТ ПРОВОДОВ ДВИГАТЕЛЯ)
ЭЛЕКТРИЧЕСКОЕ УПРАВЛЕНИЕ (Ручное управление)
ЭЛЕКТРИЧЕСКОЕ УПРАВЛЕНИЕ (Управление с джойстиков)
ЭЛЕКТРИЧЕСКИЕ УСТРОЙСТВА УПРАВЛЕНИЯ(МНОГОРЕЖИМНЫЙ ДЖОЙСТИК УПРАВЛЕНИЯ) (УПОР РУКОЯТИ В СБОРЕ) (СЕРИЙНЫЙ НОМЕР AUVP11001 - AUVP12751)
ЭЛЕКТРИЧЕСКИЕ УСТРОЙСТВА УПРАВЛЕНИЯ(МНОГОРЕЖИМНЫЙ ДЖОЙСТИК УПРАВЛЕНИЯ) (УПОР РУКОЯТИ В СБОРЕ) (СЕРИЙНЫЙ НОМЕР AUVP12752 И ВЫШЕ)
ЭЛЕКТРИЧЕСКИЕ УСТРОЙСТВА УПРАВЛЕНИЯ (СИСТЕМА УСОВЕРШЕНСТВОВАННОГО КОНТРОЛЯ)
ЭЛЕКТРИЧЕСКИЕ УСТРОЙСТВА УПРАВЛЕНИЯ (СИСТЕМА УСОВЕРШЕНСТВОВАННОГО КОНТРОЛЯ) (РУКОЯТЬ В СБОРЕ)
СТАРТЕР
ГЕНЕРАТОР