88007754294
sales@remzona-parts.ru
Найти
88007754294
sales@remzona-parts.ru
Обратный звонок
Заказать запчасть
0 позиций
0 руб.
Оформить заказ
Вход
Регистрация
Найти
Каталог запасных частей
Bobcat
Шарнирно-сочлененный погрузчик
Навесное оборудование
Экскаватор–погрузчик
Мини-трактор
Мини-экскаватор
Другая техника
Мини-погрузчик
Телескопический погрузчик
Дизельные автомобили
Электрокар
Doosan
Бульдозеры
Экскаваторы
Колесные погрузчики
Погрузчики с бортовым поворотом
Лесотехнические машины
Самосвалы Moxy
Быстросъем
Навесное оборудование
Специальное исполнение
Прочие запчасти (другие)
EP Equipment
Запчасти для ТО
Шины для спецтехники
Гусеницы для спецтехники
Навесное оборудование
Прицепы для перевозки мини-спецтехники
Дополнительное оборудование
Новости
Ремонт и сервис
О проекте
Проект Ремзона
Оптовикам
Поставщикам
Регионам
Отзывы
Акции
Статьи
Контакты
Помощь
Как оформить заказ
Оплата
Доставка
Поиск запасных частей
Возврат деталей
Авторизация
Войти
Забыли пароль?
Регистрация
Обратный звонок
Главная
Каталог запасных частей
Каталог запасных частей Bobcat
Мини-погрузчик
Bobcat T450
AUVP11001 И ВЫШЕ
ТРАНСМИССИЯ
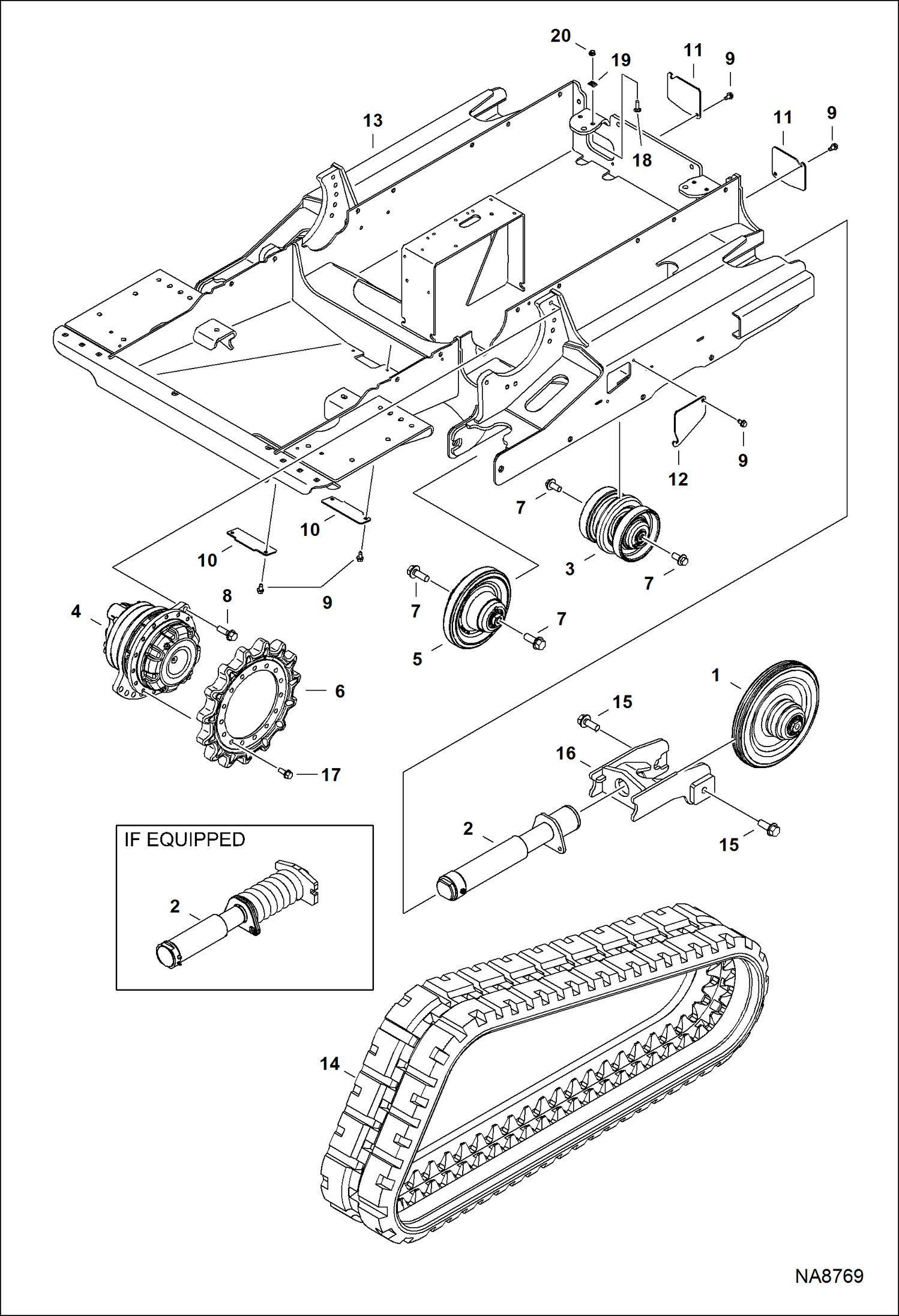
ТРАНСМИССИЯ на мини-погрузчик Bobcat T450AUVP11001 И ВЫШЕ
Ничего не найдено
ПРИВОДНОЙ МЕХАНИЗМ (ПРОЧНОЕ КРЕПЛЕНИЕ)
ПЕРЕДНЕЕ НАТЯЖНОЕ КОЛЕСО
ЗАДНЕЕ НАТЯЖНОЕ КОЛЕСО
РОЛИК ГУСЕНИЦЫ
НАТЯЖИТЕЛЬ ГУСЕНИЦЫ С КЛАПАНОМ ПРОКАЧКИ ТОРМОЗНОЙ СИСТЕМЫ
НАТЯЖИТЕЛЬ ГУСЕНИЦЫ БЕЗ КЛАПАНА ПРОКАЧКИ ТОРМОЗНОЙ СИСТЕМЫ