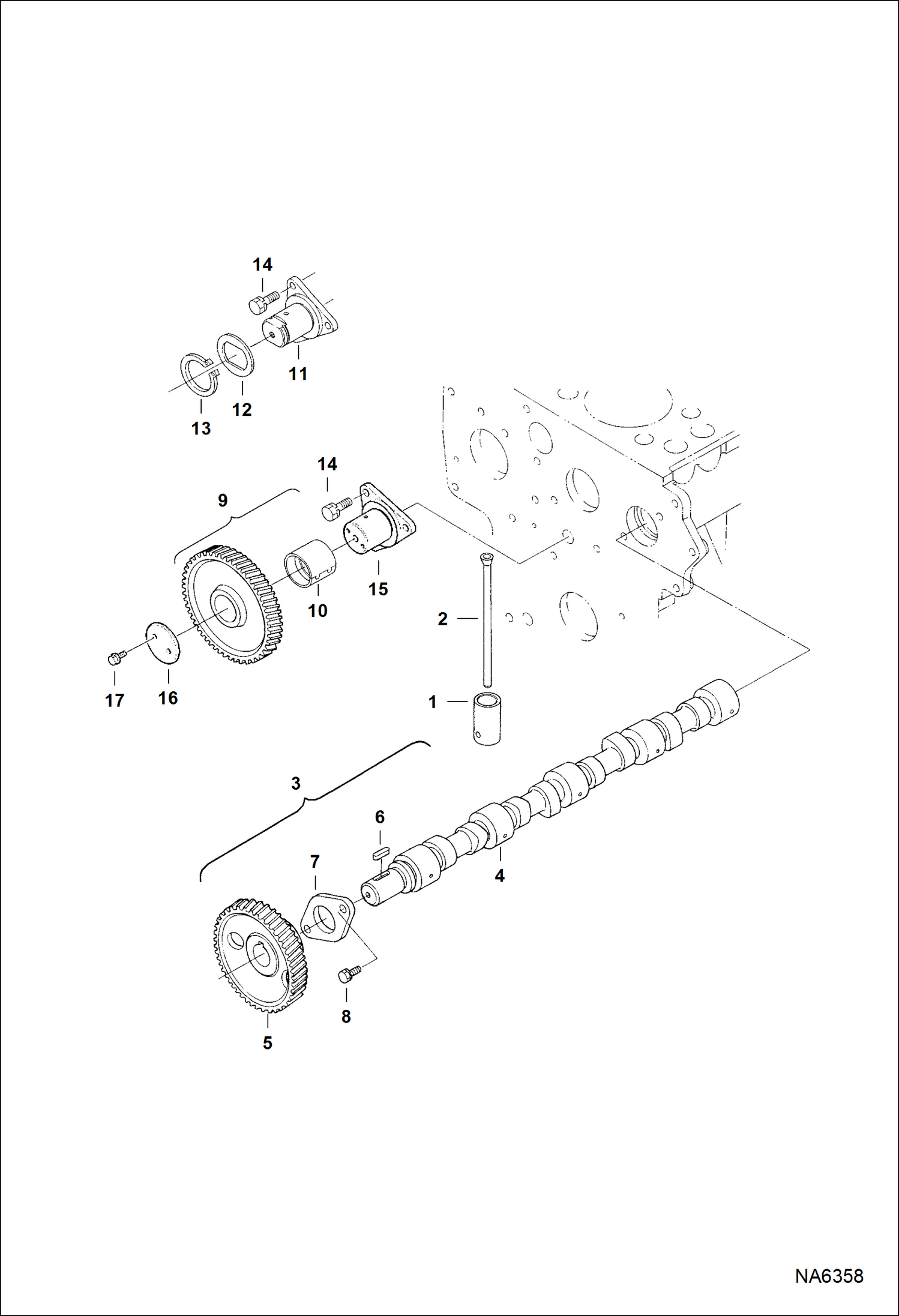
РАСПРЕДЕЛИТЕЛЬНЫЙ ВАЛ И ПРОМЕЖУТОЧНЫЙ ВАЛ на мини-погрузчик Bobcat T110 AE0H11001 И ВЫШЕ, AE0J11001 И ВЫШЕ

1 7015269 TAPPET Was 6667428 - A Заказать зап.часть
2 6686035 PUSH ROD Заказать зап.часть
3 6698418 CAMSHAFT Ref. 4-8 Заказать зап.часть
4 CAMSHAFT NLA - Order Ref. 3 Заказать зап.часть
5 6684792 GEAR Заказать зап.часть
6 3974546 KEY Заказать зап.часть
7 3974547 STOPPER Заказать зап.часть
8 6969812 BOLT Заказать зап.часть
9 6684793 GEAR W/Ref. 10 Заказать зап.часть
10 6684794 BUSHING Заказать зап.часть
11 6698113 SHAFT, IDLE GEAR Заказать зап.часть
12 6684795 COLLAR Заказать зап.часть
13 6667433 CIRCLIP external Заказать зап.часть
14 6969812 BOLT Заказать зап.часть
15 7023925 SHAFT, GEAR IDLE Заказать зап.часть
16 7023924 COLLAR Заказать зап.часть
17 6653578 BOLT Заказать зап.часть
Запчасти на  / РАСПРЕДЕЛИТЕЛЬНЫЙ ВАЛ И ПРОМЕЖУТОЧНЫЙ ВАЛ / Bobcat (Бобкэт)?> РАСПРЕДЕЛИТЕЛЬНЫЙ ВАЛ И ПРОМЕЖУТОЧНЫЙ ВАЛ Показать большое изображение

Чтобы узнать цены и наличие данных запчастей, а также купить или получить дополнительную информацию, достаточно отправить запрос на сайте или проконсультироваться с нашими менеджерами по телефону 8-800-2229-469