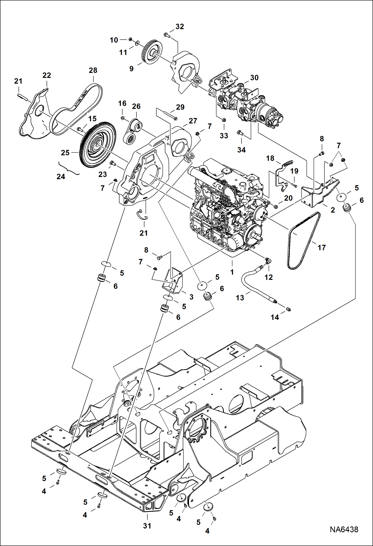
| 1 | 7163022 | ENG, V2403MDI EPA IT4 / EU STG IIIB W/Ref. 15 | Заказать зап.часть |
| 2 | 7195046 | MOUNT, ENGINE Was 7163326 - A | Заказать зап.часть |
| 3 | 7158596 | ENGINE MOUNT W/A | Заказать зап.часть |
| 4 | 29CM1070 | BOLT | Заказать зап.часть |
| 5 | 7110825 | SHIELD ENG MOUNT | Заказать зап.часть |
| 6 | 6688383 | DAMPER VIBRATION | Заказать зап.часть |
| 7 | 51DM10 | NUT | Заказать зап.часть |
| 8 | 6719827 | BOLT | Заказать зап.часть |
| 9 | 7160537 | PUMP PULLEY MACH | Заказать зап.часть |
| 10 | 5CM825 | BOLT | Заказать зап.часть |
| 11 | 619021 | WASHER, 5 | Заказать зап.часть |
| 12 | 7164510 | FITTING HYD | Заказать зап.часть |
| 13 | 7163085 | HOSE ASSEMBLY | Заказать зап.часть |
| 14 | 36K6 | CAP | Заказать зап.часть |
| 15 | 6598275 | BOLT | Заказать зап.часть |
| 16 | 51DM10 | NUT | Заказать зап.часть |
| 17 | 7190530 | BELT, ALTERNATOR Was 7165426 - A | Заказать зап.часть |
| 18 | 7183210 | MOUNT, ALTERNATOR Was 6730867 - A | Заказать зап.часть |
| 19 | 1CM880 | BOLT | Заказать зап.часть |
| 20 | 6817566 | BUSHING | Заказать зап.часть |
| 21 | 6703022 | CLIP | Заказать зап.часть |
| 22 | 7163331 | SHIELD DRIVE | Заказать зап.часть |
| 23 | 6733378 | SCREW | Заказать зап.часть |
| 24 | 7160532 | FLYWHEEL ASSY W/Ref. 25 | Заказать зап.часть |
| 25 | 6510470 | RING GEAR | Заказать зап.часть |
| 26 | 6689611 | IDLER MICRO-V | Заказать зап.часть |
| 27 | 7155886 | BELLHOUSE MOUNT | Заказать зап.часть |
| 28 | 7248736 | BELT, DRIVE Was 7162826 - C | Заказать зап.часть |
| 29 | 29CM1080 | SCREW | Заказать зап.часть |
| 30 | 7001032 | PUMP HYDRST See Illustration HYDROSTATIC PUMP / GEAR PUMP/ EM8105 | Заказать зап.часть |
| 31 | 7111343 | TRANSMISSION W/A See Illustration MAIN FRAME/ EM7430 | Заказать зап.часть |
| 32 | 59CM1040 | SCREW HX FLNG W/T8.8 | Заказать зап.часть |
| 33 | 43DM10 | NUT | Заказать зап.часть |
| 34 | 1CM1025 | BOLT | Заказать зап.часть |
ДВИГАТЕЛЬ И КРЕПЕЖНЫЕ ДЕТАЛИ (СИСТЕМА РЕМНЕЙ ПРИВОДА И КРЕПЛЕНИЕ ДВИГАТЕЛЯ) (РУКОВОДСТВО ПО УПРАВЛЕНИЮ)
Показать большое изображение
Чтобы узнать цены и наличие данных запчастей, а также купить или получить дополнительную информацию, достаточно отправить запрос на сайте или проконсультироваться с нашими менеджерами по телефону 8-800-2229-469