88007754294
sales@remzona-parts.ru
Найти
88007754294
sales@remzona-parts.ru
Обратный звонок
Заказать запчасть
0 позиций
0 руб.
Оформить заказ
Вход
Регистрация
Найти
Каталог запасных частей
Bobcat
Шарнирно-сочлененный погрузчик
Навесное оборудование
Экскаватор–погрузчик
Мини-трактор
Мини-экскаватор
Другая техника
Мини-погрузчик
Телескопический погрузчик
Дизельные автомобили
Электрокар
Doosan
Бульдозеры
Экскаваторы
Колесные погрузчики
Погрузчики с бортовым поворотом
Лесотехнические машины
Самосвалы Moxy
Быстросъем
Навесное оборудование
Специальное исполнение
Прочие запчасти (другие)
EP Equipment
Запчасти для ТО
Шины для спецтехники
Гусеницы для спецтехники
Навесное оборудование
Прицепы для перевозки мини-спецтехники
Дополнительное оборудование
Новости
Ремонт и сервис
О проекте
Проект Ремзона
Оптовикам
Поставщикам
Регионам
Отзывы
Акции
Статьи
Контакты
Помощь
Как оформить заказ
Оплата
Доставка
Поиск запасных частей
Возврат деталей
Авторизация
Войти
Забыли пароль?
Регистрация
Обратный звонок
Главная
Каталог запасных частей
Каталог запасных частей Bobcat
Мини-погрузчик
Bobcat S450
AUVB11001 И ВЫШЕ
АКСЕСCУАРЫ И ОПЦИИ
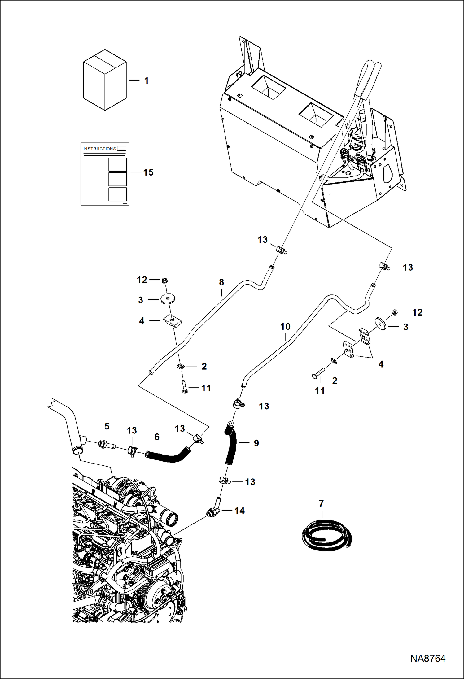
АКСЕСCУАРЫ И ОПЦИИ на мини-погрузчик Bobcat S450AUVB11001 И ВЫШЕ
Ничего не найдено
КРЫШКА
ГЛАВНЫЙ ЖГУТ ДОПОЛНИТЕЛЬНОГО ОБОРУДОВАНИЯ КОМПЛЕКТ
КОМПЛЕКТ КОНДИЦИОНИРОВАНИЯ ВОЗДУХА
КОМПЛЕКТ СИГНАЛА ЗАДНЕГО ХОДА (РУКОВОДСТВО ПОЛЬЗОВАТЕЛЯ УСТРОЙСТВАМИ УПРАВЛЕНИЯ, СИСТЕМА РУЧНОГО УПРАВЛЕНИЯ И СИСТЕМА УСОВЕРШЕНСТВОВАННОГО КОНТРОЛЯ)
КОМПЛЕКТ СИГНАЛА ЗАДНЕГО ХОДА (МНОГОРЕЖИМНЫЙ ДЖОЙСТИК УПРАВЛЕНИЯ)
МАЯЧОК
ВЕРХНЯЯ ЧАСТЬ БЛОКА ДВИГАТЕЛЯ
СТОП-СИГНАЛЫ
КОМПЛЕКТ ПРЕДОХРАНИТЕЛЬНЫХ СБРОСНЫХ КЛАПАНОВ
КОМПЛЕКТ ПОЛОЖЕНИЯ КОВША
КЛАПАН РЕГУЛИРОВКИ ПОЛОЖЕНИЯ КОВША
КОМПЛЕКСТ БАМПЕРОВ (ЗАДНИЙ)
ДВЕРЦА КАБИНЫ (175 ММ (6.90?) КРОНШТЕЙН КРЕПЛЕНИЯ УДЛИНЕННЫХ СТЕКЛООЧИСТИТЕЛЕЙ)
ДВЕРЦА КАБИНЫ (159 ММ) (6.25?) КРОНШТЕЙН КРЕПЛЕНИЯ СТЕКЛООЧИСТИТЕЛЕЙ (ФОРСУНКА ОМЫВАТЕЛЯ, УСТАНОВЛЕННАЯ СВЕРХУ)
ДВЕРЦА КАБИНЫ (159 ММ) (6.25?) КРОНШТЕЙН КРЕПЛЕНИЯ СТЕКЛООЧИСТИТЕЛЕЙ (ФОРСУНКА ОМЫВАТЕЛЯ, УСТАНОВЛЕННАЯ СВЕРХУ)
ДВЕРЦА КАБИНЫ (СПЕЦИАЛЬНЫЕ ПРИЛОЖЕНИЯ)
КОРПУС КАБИНЫ (СПЕЦИАЛЬНЫЕ ПРИЛОЖЕНИЯ)
КОМПЛЕКТ ИЗОЛЯЦИИ КАБИНЫ
КОМПЛЕКТ РЕБЕР ЖЕСТКОСТИ ДЛЯ КАБИНЫ
ОКНА КАБИНЫ (ЗАДНЕЕ) (ПОЛИКАРБОНАТ) (666 ММ) (26.2--) X (379 ММ) (14.92--) ОТКРЫТАЯ КАБИНА
ОКНА КАБИНЫ (ЗАДНИЕ) (ПОЛИКАРБОНАТ) (678 ММ) (26.7--) X (390 ММ) (15.37--) ОТКРЫТАЯ КАБИНА
ОКНА КАБИНЫ (КОМПЛЕКТ ИНСТРУМЕНТОВ ДЛЯ СНЯТИЯ ЗАДНЕГО СТЕКЛА)
ОКНА КАБИНЫ (БОКОВОЕ) (СТЕКЛО)
ОКНА КАБИНЫ (СТОРОНА) (ПОЛИКОРБАНАТ)
НАБОР ПРОТИВОВЕСОВ (ПЕРЕДНИЙ МОСТ)
КОМПЛЕКТ КРЕПЛЕНИЙ МАНЖЕТ
НАКЛЕКИ (ВНУТРЕННИЕ)
НАКЛЕЙКИ НАРУЖНИЕ
КОМПЛЕКТ МАТЕРИАЛА ОБИВКИ КРЫШИ ТИПА DELUXE
КОМПЛЕКТ МАТЕРИАЛОВ ДЛЯ ВНУТРЕННЕЙ ОТДЕЛКИ ТИПА DELUXE (ГЛАВНЫЙ ЖГУТ ПРОВОДОВ 3-СОЕДИНИТЕЛЯ)
КОМПЛЕКТ ЭЛЕКТРИЧЕСКИХ РЕГУЛЯТОРОВ (7-КОНТАКТНЫЙ)
КОМПЛЕКТ ЭЛЕКТРИЧЕСКИХ РЕГУЛЯТОРОВ (14-КОНТАКТНЫЙ)
ОГНЕТУШИТЕЛЬ (КОМПЛЕКТ)
ОГНЕТУШИТЕЛЬ
ПРОБЛЕСКОВЫЕ ФАРЫ (4-СТОРОННИЕ)
КОМПЛЕКТ НАВЕСОВ СИСТЕМА ЗАЩИТЫ ОТ ПАДАЮЩИХ ПРЕДМЕТОВ (СИСТЕМА ЗАЩИТЫ ОТ ПАДАЮЩИХ ПРЕДМЕТОВ)
КОМПЛЕКТ СТЕКОЛ НАВЕСОВ СИСТЕМА ЗАЩИТЫ ОТ ПАДАЮЩИХ ПРЕДМЕТОВ (СИСТЕМА ЗАЩИТЫ ОТ ПАДАЮЩИХ ПРЕДМЕТОВ)
КОМПЛЕКТ ПЕРЕПУСКНЫХ УСТРОЙСТВ ДЛЯ ТОПЛИВА
АМОРТИЗАТОР
ОБОГРЕВАТЕЛЬ И КОНДИЦИОНЕР (КОМПЛЕКТ ОБОГРЕВАТЕЛЕЙ) (ПЛАСТИКОВЫЙ КОРПУС)
ОБОГРЕВАТЕЛЬ И КОНДИЦИОНЕР (ОБОГРЕВАТЕЛЬ В СБОРЕ) (ПЛАСТИКОВЫЙ КОРПУС)
ОБОГРЕВАТЕЛЬ И КОНДИЦИОНЕР (НАГРЕВАТЕЛЬ В СБОРЕ) (ОБОГРЕВАТЕЛИ С ПЛАСТИКОВЫМ КОРПУСОМ)
ОБОГРЕВАТЕЛЬ КАБИНЫ И КОНДИЦИОНЕР (КОМПЛЕКТ ТРУБОПРОВОДОВ ОБОГРЕВАТЕЛЯ)
ОБОГРЕВАТЕЛЬ И КОНДИЦИОНЕР (КОМПЛЕКТ ОСНОВНОГО ОБОРУДОВАНИЯ СИСТЕМЫ ОВК)
ОБОГРЕВАТЕЛЬ И КОНДИЦИОНЕР (КОМПЛЕКТ НИЖНИХ КАНАЛОВ)
КОМПЛЕКТ ВЫСОКОЭФФЕКТИВНЫХ СУХИХ ВОЗДУШНЫХ ФИЛЬТРОВ
КОМПЛЕКТ КЛАКСОНОВ (РУКОВОДСТВО ПОЛЬЗОВАТЕЛЯ УСТРОЙСТВАМИ УПРАВЛЕНИЯ, СИСТЕМА РУЧНОГО УПРАВЛЕНИЯ И СИСТЕМА УСОВЕРШЕНСТВОВАННОГО КОНТРОЛЯ)
КОМПЛЕКТ КЛАКСОНОВ (МНОГОРЕЖИМНЫЙ ДЖОЙСТИК УПРАВЛЕНИЯ)
НАПРАВЛЯЮЩАЯ ШЛАНГА В СБОРЕ
КОМПЛЕКТ СТЕКЛООЧИСТИТЕЛЕЙ С ПРЕРЫВИСТЫМ РЕЖИМОМ РАБОТЫ (ДВЕРЦА КАБИНЫ)
КОМПЛЕКТ БЕСКЛЮЧЕВЫХ ПАНЕЛЕЙ (DELUXE) (ПОВОРОТНЫЙ ВЫКЛЮЧАТЕЛЬ)
КОМПЛЕКТ БЕСКЛЮЧЕВЫХ ПАНЕЛЕЙ (ПОВОРОТНЫЙ ВЫКЛЮЧАТЕЛЬ)
КОМПЛЕКТ МЕХАНИЗМОВ ПОДЪЕМА (4 ТОЧКИ)
КОМПЛЕКТ МЕХАНИЗМОВ ПОДЪЕМА
КОМПЛЕКТ ОГРАЖДЕНИЙ ДЛЯ УСТРОЙСТВ ОСВЕЩЕНИЯ (ФРОНТАЛЬНЫЙ)
КОМПЛЕКТ ОГРАЖДЕНИЙ ДЛЯ УСТРОЙСТВ ОСВЕЩЕНИЯ (ЗАДНИЙ)
КОМПЛЕКТ СВЕТОДИОДНЫХ ФАР ПОГРУЗЧИКА
НАБОР ДЛЯ ОБСЛУЖИВАНИЯ ПЛАТФОРМЫ
ФУНКЦИЯ ВКЛЮЧЕНИЯ НЕЙТРАЛЬНОГО СВЕТА
УДЛИНИТЕЛИ ПЕДАЛЕЙ
ПИТАНИЕ BOBTACH (КОМПЛЕКТ)
ПИТАНИЕ BOB-TACH (ЦИЛИНДР) (НИЖНИЙ И БОКОВОЙ ПОРТ) (54 ММ) (2.125--) OD ЦИЛИНДР (44,45 ММ) (1.75--) ДИАМЕТР ОТВЕРСТИЯ
ПИТАНИЕ BOB-TACH (ЦИЛИНДР) (НИЖНЯЯ ЧАСТЬ И ОКНА, МОНТИРУЕМЫЕ НА БОКОВОЙ СТОРОНЕ) (47,6 ММ) (1.875--) OD ЦИЛИНДР (38,1 ММ) (1.5--) ДИАМЕТР ОТВЕРСТИЯ
ПИТАНИЕ BOB-TACH (ЦИЛИНДР) (ШПИЛЬКА ЗАЩИТНОГО ОГРАЖДЕНИЯ)
ПИТАНИЕ BOB-TACH (КЛАПАН) (ДВЕ КАТУШКИ СОЕДИНИТЕЛЯ С ВНУТРЕННЕЙ РЕЗЬБОЙ) (JEM)
ПИТАНИЕ BOB-TACH (КЛАПАН) (ДВЕ КАТУШКИ СОЕДИНИТЕЛЯ С ВНУТРЕННЕЙ РЕЗЬБОЙ)
КОМПЛЕКТ РАДИО
КОМПЛЕКТ ВСПОМОГАТЕЛЬНОГО ОБОРУДОВАНИЯ ЗАДНЕЙ ЧАСТИ
ЗАМОК ЗАДНЕЙ ДВЕРИ
КОМПЛЕКТ ЗАДНИХ СТЕКЛООЧИСТИТЕЛЕЙ КАБИНЫ (666 ММ) (26.2--) X (379 ММ) (14.92--) ОТКРЫТАЯ КАБИНА
ПУЛЬТ УПРАВЛЕНИЯ РАДИО (МНОГОРЕЖИМНЫЙ ДЖОЙСТИК УПРАВЛЕНИЯ)
КОМПЛЕКТ ДЛЯ ПОВТОРНОЙ ГЕРМЕТИЗАЦИИ (ОТВЕРСТИЯ ДЛЯ УПЛОТНЕНИЯ ОТКРЫТОЙ КАБИНЫ)
КОМПЛЕКТ ДЛЯ РЕГУЛИРОВКИ ПЛАВНОСТИ ХОДА
СИДЕНИЕ (ПОДВЕСКА) (ВОЗДУХ)
СИДЕНИЕ - 80 ММ (ПОДВЕСКА)
РЕМЕНЬ БЕЗОПАСНОСТИ - 2-- (ТРИ ИЗМЕНЯЕМЫХ ТОЧКИ КРЕПЛЕНИЯ)
РЕМЕНЬ БЕЗОПАСНОСТИ - - 3-- (ВЫДВИЖНОЙ)
РЕМЕНЬ БЕЗОПАСНОСТИ - 3-- (ТРИ ИЗМЕНЯЕМЫХ ТОЧКИ КРЕПЛЕНИЯ)
КОМПЛЕКТ ОПОРЫ СИДЕНЬЯ - 3--
УЗЕЛ СИДЕНЬЯ - 80 ММ (ПОДВЕСКА)
УЗЕЛ СИДЕНЬЯ - 80 ММ (ПОДВЕСКА) (ВОЗДУХ)
ЧЕХЛЫ СИДЕНИЙ (СИДЕНЬЕ С ПОДВЕСКОЙ)
ЧЕХЛЫ СИДЕНИЙ (СИДЕНЬЕ С ОТДЕЛКОЙ ИЗ ИСКУССТВЕННОЙ КОЖИ)
ЗАЩИТНЫЕ ЭКРАНЫ (ЦИЛИНДР НАКЛОНА)
ЗАЩИТНЫЕ ЭКРАНЫ (ТРУБОПРОВОД НАКЛОНА)
УЛУЧШЕННАЯ ШУМОИЗОЛЯЦИЯ
УЛУЧШЕННАЯ ШУМОИЗОЛЯЦИЯ МНОГОРЕЖИМНЫЙ ДЖОЙСТИК УПРАВЛЕНИЯ KIT (МНОГОРЕЖИМНЫЙ ДЖОЙСТИК УПРАВЛЕНИЯ)
ЗВУКОВОЙ/ФУНКЦИЯ ШУМОПОДАВЛЕНИЯ (РУКОВОДСТВО УПРАВЛЕНИЯ)
ЗВУКОВОЙ/ФУНКЦИЯ ШУМОПОДАВЛЕНИЯ (МНОГОРЕЖИМНЫЙ ДЖОЙСТИК УПРАВЛЕНИЯ)
ЗВУКОВАЯ/ФУНКЦИЯ ШУМОПОДАВЛЕНИЯ (КОНТРОЛЕР) (ГИДРАВЛИЧЕСКИЙ ГЛУШИТЕЛЬ)
ЗВУКОВОЙ/ФУНКЦИЯ ШУМОПОДАВЛЕНИЯ (КОНТРОЛЕР) (ИЗОЛЯЦИЯ)
ЗВУКОВАЯ/ФУНКЦИЯ ШУМОПОДАВЛЕНИЯ (НАУШНИКИ ДЛЯ ВОДИТЕЛЯ)
КОМПЛЕКТ ДЛЯ ЗВУКОИЗОЛЯЦИИ
КОМПЛЕКТ ПРУЖИННОГО АМОРТИЗАТОРА
КОМПЛЕКТ ГАСИТЕЛЯ ВИБРАЦИЙ РУЛЕВОГО МЕХАНИЗМА (ДВОЙНОЙ)
КОМПЛЕКТ ИЗОЛЯТОРА РУЛЕВОГО ПРИВОДА
ПОБЛЕСКОВЫЙ МАЯЧОК
ИНТЕГРИРОВАННЫЕ СРЕДСТВА ПЕРЕДАЧИ И ОБРАБОТКИ ИНФОРМАЦИИ
КОЖУХ ПАТРУБКОВ ЦИЛИНДРА НАКЛОНА
ШИНЫ И ДИСКИ (ПНЕВМАТИЧЕСКАЯ ШИНА)
ШИНЫ И ДИСКИ (СПЛОШНАЯ ШИНА)
КОМПЛЕКТ ИСКУССТВЕННОЙ КОЖИ ДЛЯ КАБИНЫ
КОМПЛЕКТ СВЕТЛЫХ НАКЛЕЕК