88007754294
sales@remzona-parts.ru
Найти
88007754294
sales@remzona-parts.ru
Обратный звонок
Заказать запчасть
0 позиций
0 руб.
Оформить заказ
Вход
Регистрация
Найти
Каталог запасных частей
Bobcat
Шарнирно-сочлененный погрузчик
Навесное оборудование
Экскаватор–погрузчик
Мини-трактор
Мини-экскаватор
Другая техника
Мини-погрузчик
Телескопический погрузчик
Дизельные автомобили
Электрокар
Doosan
Бульдозеры
Экскаваторы
Колесные погрузчики
Погрузчики с бортовым поворотом
Лесотехнические машины
Самосвалы Moxy
Быстросъем
Навесное оборудование
Специальное исполнение
Прочие запчасти (другие)
EP Equipment
Запчасти для ТО
Шины для спецтехники
Гусеницы для спецтехники
Навесное оборудование
Прицепы для перевозки мини-спецтехники
Дополнительное оборудование
Новости
Ремонт и сервис
О проекте
Проект Ремзона
Оптовикам
Поставщикам
Регионам
Отзывы
Акции
Статьи
Контакты
Помощь
Как оформить заказ
Оплата
Доставка
Поиск запасных частей
Возврат деталей
Авторизация
Войти
Забыли пароль?
Регистрация
Обратный звонок
Главная
Каталог запасных частей
Каталог запасных частей Bobcat
Другая техника
МИНИ-ТРАК
MT52
B38R11001 И ВЫШЕ
ЗАПЧАСТИ ДВИГАТЕЛЯ
ЗАПЧАСТИ ДВИГАТЕЛЯ на мини-трак BobcatMT52B38R11001 И ВЫШЕ
Ничего не найдено
ДВИГАТЕЛЬ И КРЕПЕЖНЫЕ ДЕТАЛИ (СИСТЕМА ОХЛАЖДЕНИЯ В СБОРЕ)
ДВИГАТЕЛЬ И КРЕПЕЖНЫЕ ДЕТАЛИ (ВХОДНОЕ ОТВЕРСТИК И ВЫХЛОПНОЙ КОЛЛЕКТОР)
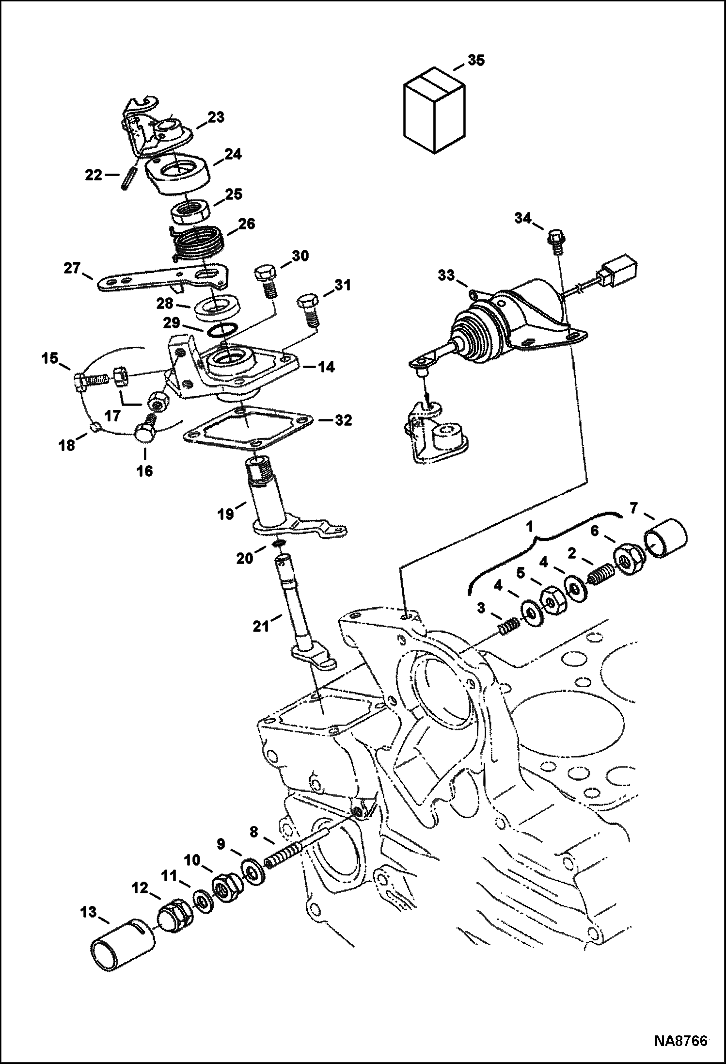
ДВИГАТЕЛЬ, ЕГО ЧАСТИ
ДРОССЕЛЬНАЯ ЗАСЛОНКА
КОМПЛЕКТ НИЖНИХ ПРОКЛАДОК
КОМПЛЕКТ ПРОКЛАДОК ВЕРХНЕЙ ЧАСТИ
КОМПЛЕКТ НИЖНИХ ПРОКЛАДОК
КРЫШКА КОРОМЫСЛА КЛАПАНА
КОРОМЫСЛО КЛАПАНА И КЛАПАНЫ
ГОЛОВКА БЛОКА ЦИЛИНДРОВ
МАСЛЯНЫЙ ПОДДОН
РЕДУКТОР
КАРТЕР ДВИГАТЕЛЯ
ПОРШНИ И КОЛЕНВАЛ
РАСПРЕДВАЛ
ТОПЛИВНЫЙ РАСПРЕДЕЛИТЕЛЬНЫЙ ВАЛ
РЕГУЛЯТОР ОБОРОТОВ
РЕГУЛЯТОР СКОРОСТИ И СТОПОРНАЯ РУКОЯТКА
ВОДЯНАЯ ПОМПА
ВОДЯНОЙ ФЛАНЕЦ И ТЕРМОСТАТ
КОЛЛЕКТОР
ТОПЛИВНАЯ СИСТЕМА И НАСОС ВПРЫСКА
ФОРСУНКИ
ДЕРЖАТЕЛЬ ФОРСУНКИ
ВОЗДУШНЫЙ ФИЛЬТР