88007754294
sales@remzona-parts.ru
Найти
88007754294
sales@remzona-parts.ru
Обратный звонок
Заказать запчасть
0 позиций
0 руб.
Оформить заказ
Вход
Регистрация
Найти
Каталог запасных частей
Bobcat
Шарнирно-сочлененный погрузчик
Навесное оборудование
Экскаватор–погрузчик
Мини-трактор
Мини-экскаватор
Другая техника
Мини-погрузчик
Телескопический погрузчик
Дизельные автомобили
Электрокар
Doosan
Бульдозеры
Экскаваторы
Колесные погрузчики
Погрузчики с бортовым поворотом
Лесотехнические машины
Самосвалы Moxy
Быстросъем
Навесное оборудование
Специальное исполнение
Прочие запчасти (другие)
EP Equipment
Запчасти для ТО
Шины для спецтехники
Гусеницы для спецтехники
Навесное оборудование
Прицепы для перевозки мини-спецтехники
Дополнительное оборудование
Новости
Ремонт и сервис
О проекте
Проект Ремзона
Оптовикам
Поставщикам
Регионам
Отзывы
Акции
Статьи
Контакты
Помощь
Как оформить заказ
Оплата
Доставка
Поиск запасных частей
Возврат деталей
Авторизация
Войти
Забыли пароль?
Регистрация
Обратный звонок
Главная
Каталог запасных частей
Каталог запасных частей Bobcat
Другая техника
ВАЛОЧНО-ПАКЕТИРУЮЩАЯ МАШИНА
1213
503411001 И ВЫШЕ
ЗАПЧАСТИ ДВИГАТЕЛЯ
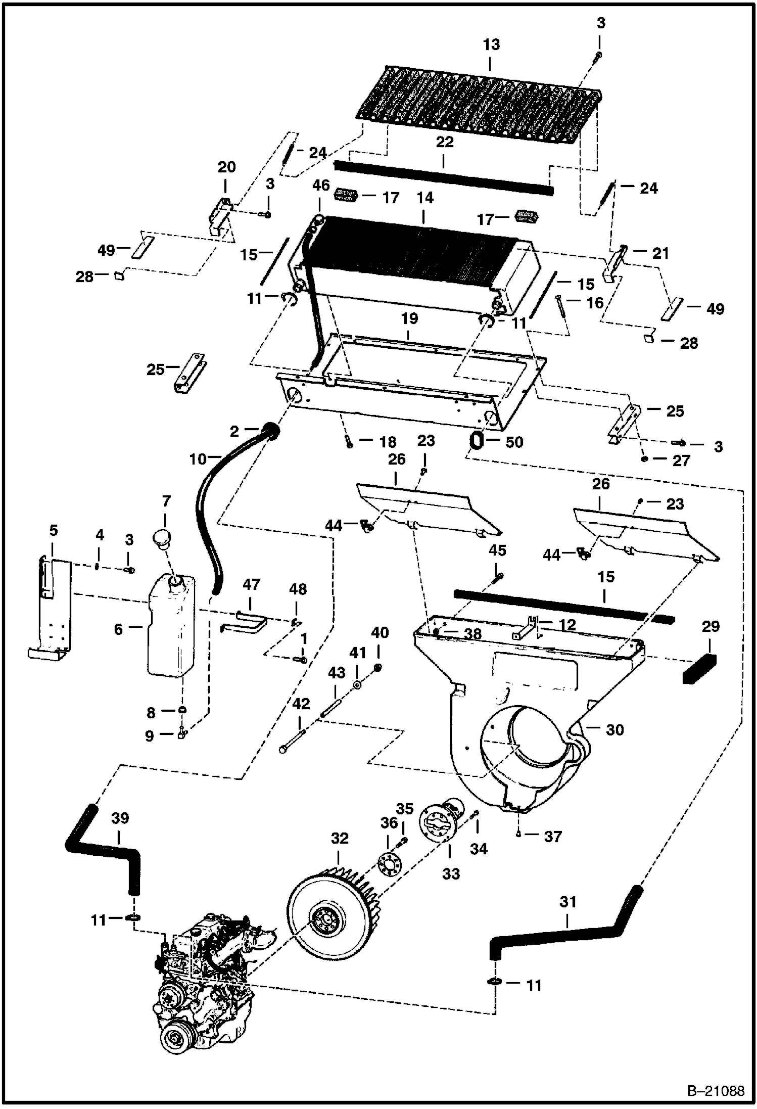
ЗАПЧАСТИ ДВИГАТЕЛЯ на валочно-пакетирующая машина Bobcat1213503411001 И ВЫШЕ
Ничего не найдено
ДВИГАТЕЛЬ И КРЕПЕЖНЫЕ ДЕТАЛИ
ДРОССЕЛЬНАЯ ЗАСЛОНКА
КАРДАННЫЙ ШАРНИР
ДВИГАТЕЛЬ
КОЛЛЕКТОР
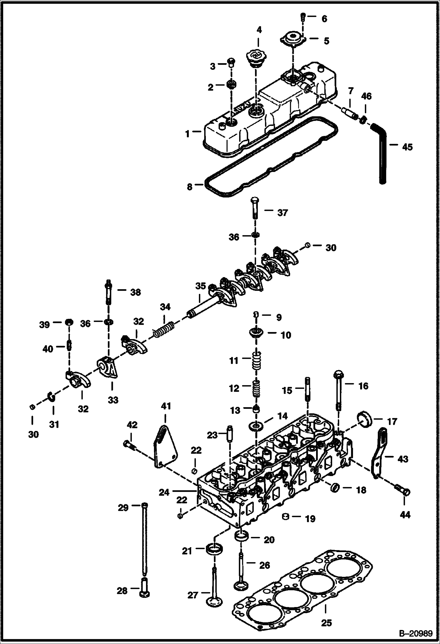
КРЫШКА ГОЛОВКИ ЦИЛИНДРА
РАСПРЕДЕЛИТЕЛЬНЫЙ ВАЛ И ШЕСТЕРНЯ РАСПРЕДЕЛИТЕЛЬНОГО ВАЛА
БЛОК ЦИЛИНДРОВ И ПОДДОН КАРТЕРА (ДЛЯ ДВИГАТЕЛЯ СПЕЦИФИКАЦИИ #4JBIPK)
БЛОК ЦИЛИНДРОВ И ПОДДОН КАРТЕРА (ДЛЯ ДВИГАТЕЛЯ СПЕЦИФИКАЦИИ #4JBIPK01)
ПОРШНИ И КОЛЕНЧАТЫЙ ВАЛ
МАСЛЯНЫЙ ФИЛЬТР ДВИГАТЕЛЯ
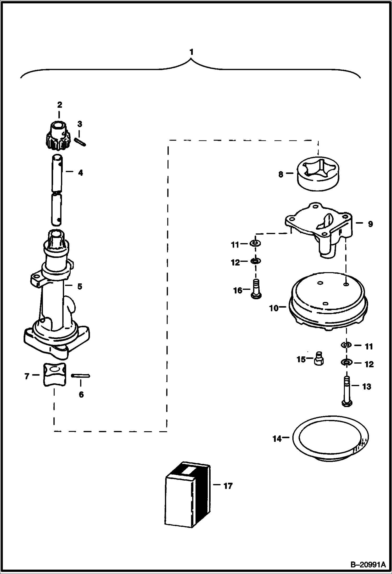
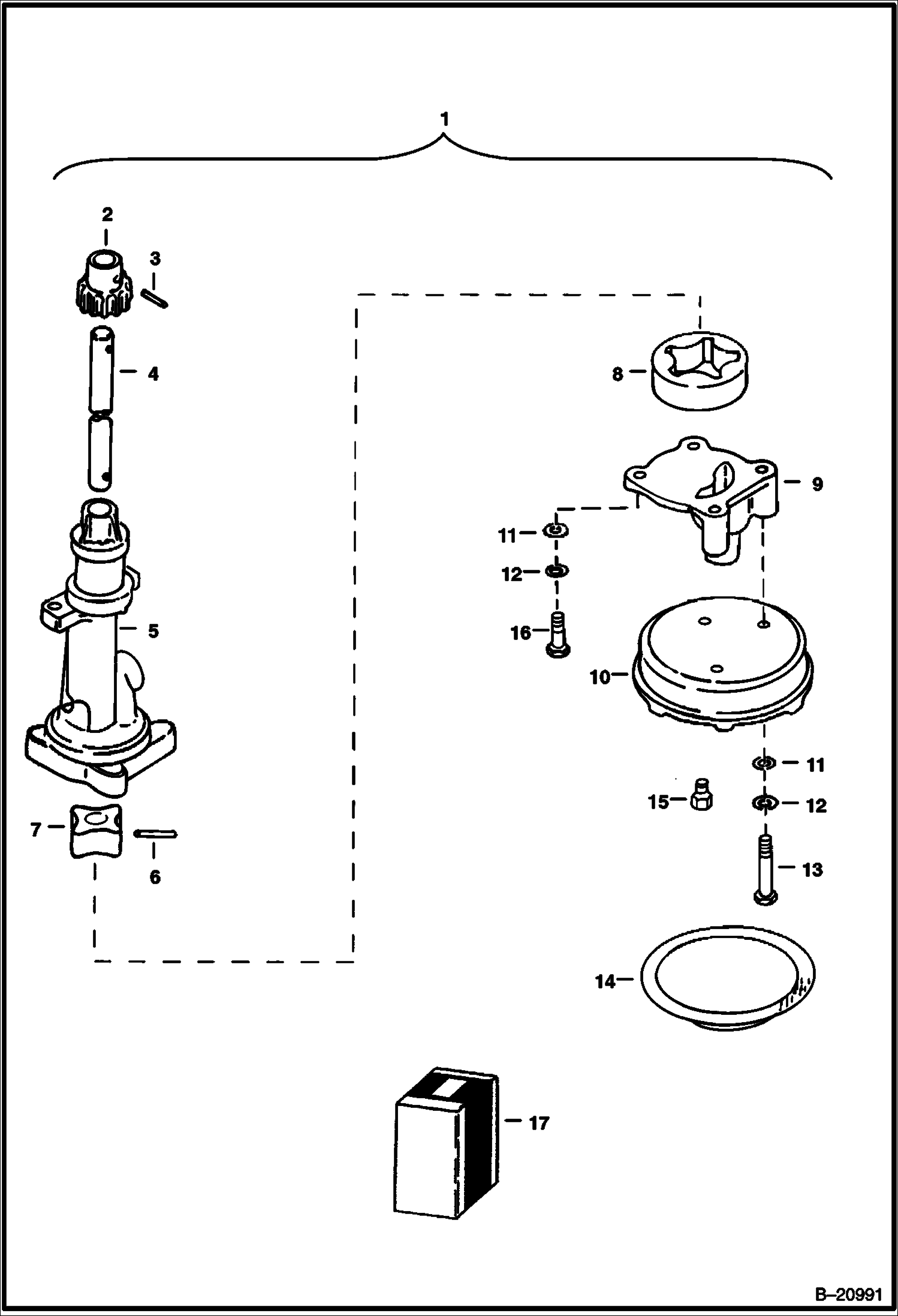
МАСЛЯНЫЙ НАСОС (ДЛЯ ДВИГАТЕЛЯ СПЕЦИФИКАЦИИ #4JBIPK)
МАСЛЯНЫЙ НАСОС (ДЛЯ ДВИГАТЕЛЯ СПЕЦИФИКАЦИИ #4JBIPK01)
КОРПУС ТЕРМОСТАТА
ВОДЯНАЯ ПОМПА
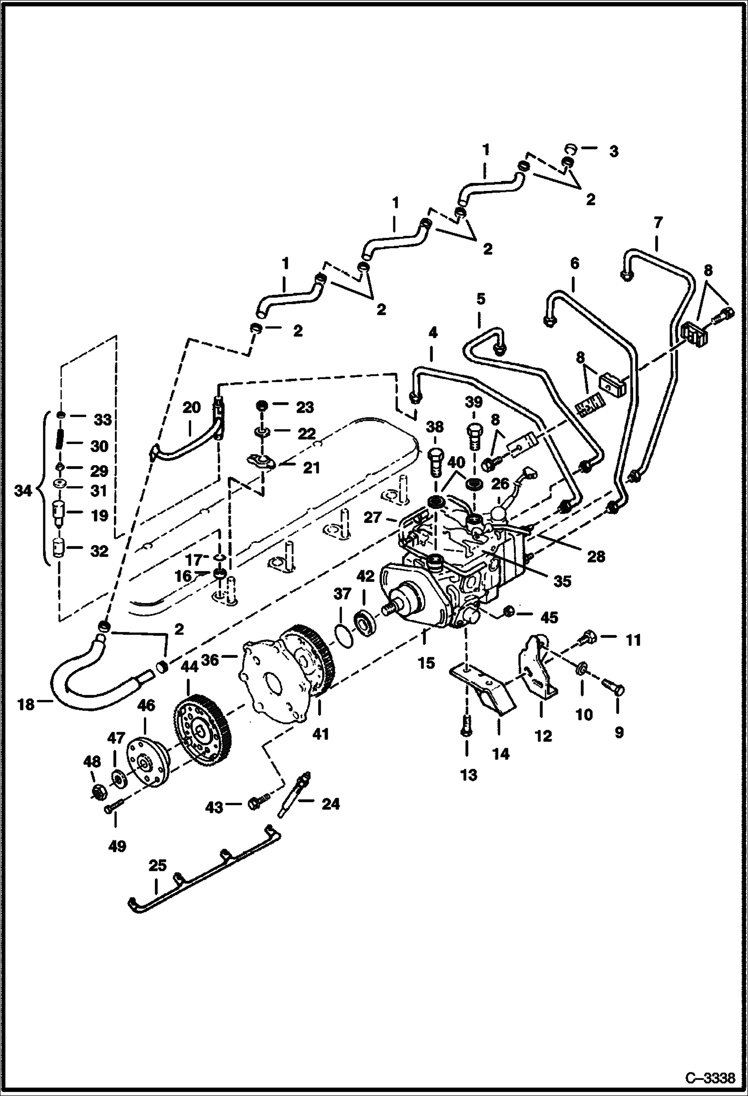
СИСТЕМА ВПРЫСКА ТОПЛИВА
ФИЛЬТР ДЛЯ ТОПЛИВА (СЕРИЙНЫЙ НОМЕР 11058 И НИЖЕ)
ФИЛЬТР ДЛЯ ТОПЛИВА (СЕРИЙНЫЙ НОМЕР 11059 И ВЫШЕ)
КОМПЛЕКТ ПРОКЛАДОК (ДЛЯ ДВИГАТЕЛЯ СПЕЦИФИКАЦИЕЙ #4JBIPK)
КОМПЛЕКТ ПРОКЛАДОК (ДЛЯ ДВИГАТЕЛЯ СПЕЦИФИКАЦИИ #4JBIPK01)
ВОЗДУШНЫЙ ФИЛЬТР
НАГРЕВАТЕЛЬ БЛОКА ЦИЛИНДРОВ