88007754294
sales@remzona-parts.ru
Найти
88007754294
sales@remzona-parts.ru
Обратный звонок
Заказать запчасть
0 позиций
0 руб.
Оформить заказ
Вход
Регистрация
Найти
Каталог запасных частей
Bobcat
Шарнирно-сочлененный погрузчик
Навесное оборудование
Экскаватор–погрузчик
Мини-трактор
Мини-экскаватор
Другая техника
Мини-погрузчик
Телескопический погрузчик
Дизельные автомобили
Электрокар
Doosan
Бульдозеры
Экскаваторы
Колесные погрузчики
Погрузчики с бортовым поворотом
Лесотехнические машины
Самосвалы Moxy
Быстросъем
Навесное оборудование
Специальное исполнение
Прочие запчасти (другие)
EP Equipment
Запчасти для ТО
Шины для спецтехники
Гусеницы для спецтехники
Навесное оборудование
Прицепы для перевозки мини-спецтехники
Дополнительное оборудование
Новости
Ремонт и сервис
О проекте
Проект Ремзона
Оптовикам
Поставщикам
Регионам
Отзывы
Акции
Статьи
Контакты
Помощь
Как оформить заказ
Оплата
Доставка
Поиск запасных частей
Возврат деталей
Авторизация
Войти
Забыли пароль?
Регистрация
Обратный звонок
Главная
Каталог запасных частей
Каталог запасных частей Bobcat
Мини-погрузчик
Bobcat A220
519611001 И ВЫШЕ, 519711001 И ВЫШЕ
ГИДРОСТАТИЧЕСКАЯ СИСТЕМА
ГИДРОСТАТИЧЕСКАЯ СИСТЕМА на мини-погрузчик Bobcat A220519611001 И ВЫШЕ, 519711001 И ВЫШЕ
Ничего не найдено
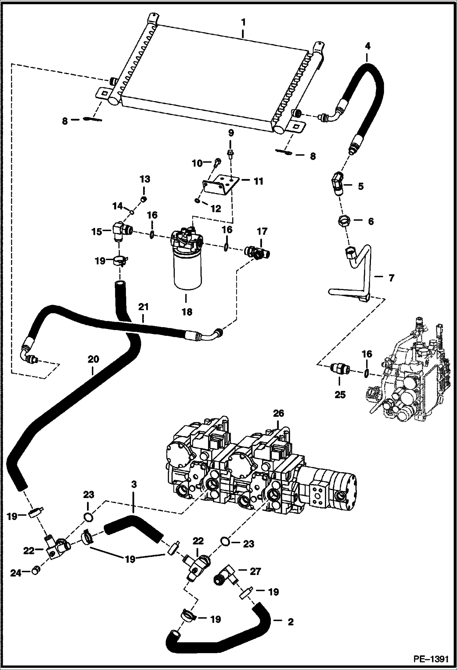
СХЕМА ГИДРОСТАТИЧЕСКОЙ СИСТЕМЫ (С ДВИГАТЕЛЯМИ)
СХЕМА ГИДРОСТАТИЧЕСКОЙ СИСТЕМЫ (С КАМЕРОЙ ОХЛАЖДЕНИЯ)
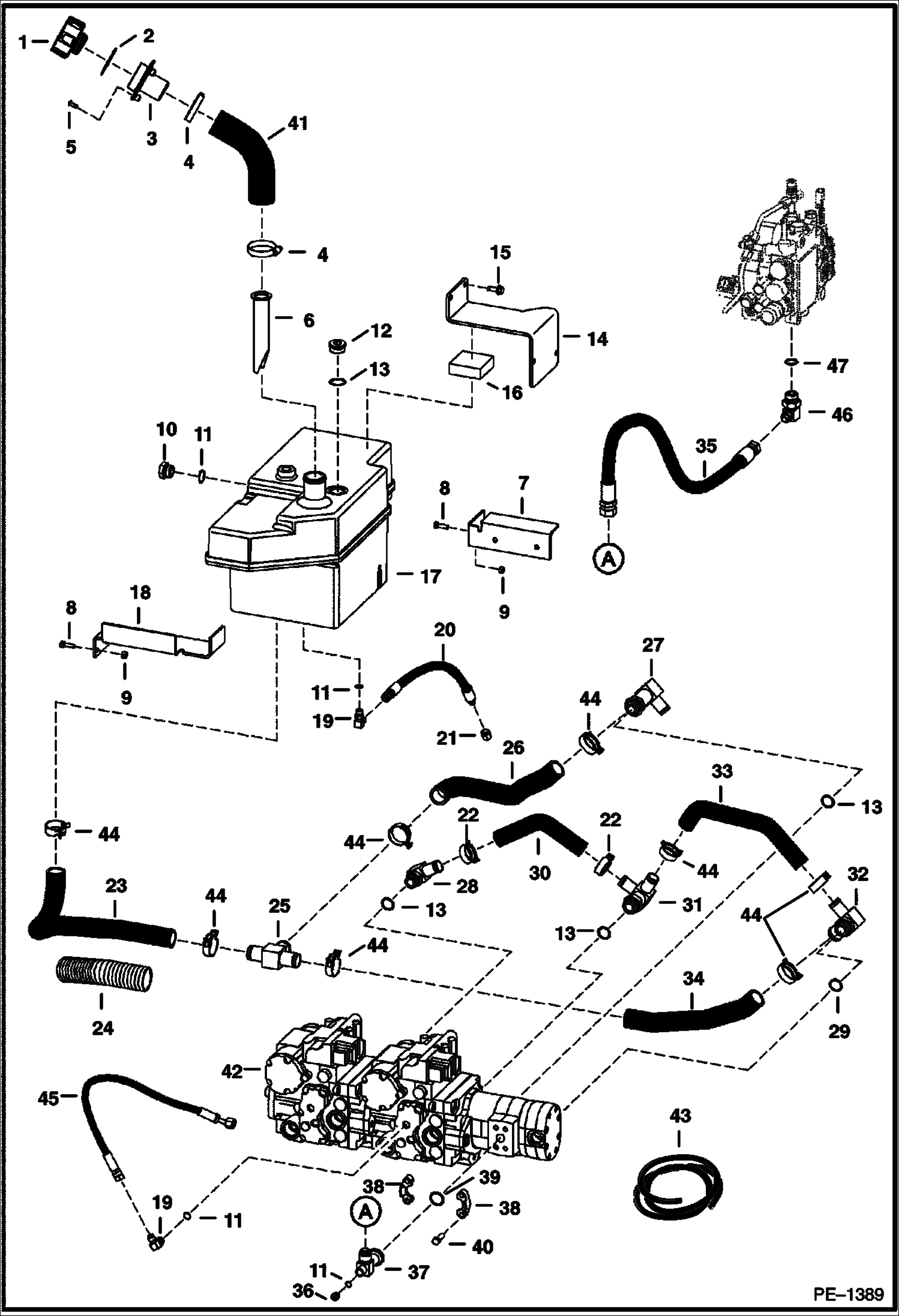
СХЕМА ГИДРОСТАТИЧЕСКОЙ СИСТЕМЫ (С БАКОМ)
СХЕМА ГИДРОСТАТИЧЕСКОЙ СИСТЕМЫ (КЛАПАН РУЛЕВОГО УПРАВЛЕНИЯ)
СХЕМА ГИДРОСТАТИЧЕСКОЙ СИСТЕМЫ (2-ФУНКЦИЯ РЕГУЛИРОВКИ ЧИСЛА ОБОРОТОВ ДВИГАТЕЛЯ)
ГИДРОСТАТИЧЕСКИЙ ДВИГАТЕЛЬ (R921805316)
ГИДРОСТАТИЧЕСКИЙ ДВИГАТЕЛЬ (R921811668)
ГИДРОСТАТИЧЕСКИЙ ДВИГАТЕЛЬ И ТОРМОЗ
ГИДРОСТАТИЧЕСКИЙ ДВИГАТЕЛЬ И ТОРМОЗ (R921810294)
ГИДРОСТАТИЧЕСКИЙ ДВИГАТЕЛЬ И ТОРМОЗ (2-ФУНКЦИЯ РЕГУЛИРОВКИ ЧИСЛА ОБОРОТОВ ДВИГАТЕЛЯ) (ВСПОМОГАТЕЛЬНЫЙ) (R921811649)
ГИДРОСТАТИЧЕСКИЙ НАСОС (РУЛЕВОЕ УПРАВЛЕНИЕ С УСИЛИТЕЛЕМ) (ПРАВОСТОРОННИЙ)
ГИДРОСТАТИЧЕСКИЙ НАСОС (РУЛЕВОЕ УПРАВЛЕНИЕ С УСИЛИТЕЛЕМ) (ЛЕВАЯ ПОЛОВИНА)
ШЕСТЕРЕННЫЙ НАСОС
КЛАПАН РУЛЕВОГО УПРАВЛЕНИЯ
КЛАПАН ПЕРЕКЛЮЧЕНИЯ 2-СКОРОСТНОГО ДИАПАЗОНА
ФИЛЬТР ГИДРОСТАТИЧЕСКОГО МАСЛА (В СОСТАВЕ ЛИНИИ)
ФИЛЬТР ГИДРОСТАТИЧЕСКОГО МАСЛА (В СОСТАВЕ ЛИНИИ) (ФИЛЬТР РУЛЕВОГО УПРАВЛЕНИЯ)
ФИЛЬТР ГИДРОСТАТИЧЕСКОГО МАСЛА