88007754294
sales@remzona-parts.ru
Найти
88007754294
sales@remzona-parts.ru
Обратный звонок
Заказать запчасть
0 позиций
0 руб.
Оформить заказ
Вход
Регистрация
Найти
Каталог запасных частей
Bobcat
Шарнирно-сочлененный погрузчик
Навесное оборудование
Экскаватор–погрузчик
Мини-трактор
Мини-экскаватор
Другая техника
Мини-погрузчик
Телескопический погрузчик
Дизельные автомобили
Электрокар
Doosan
Бульдозеры
Экскаваторы
Колесные погрузчики
Погрузчики с бортовым поворотом
Лесотехнические машины
Самосвалы Moxy
Быстросъем
Навесное оборудование
Специальное исполнение
Прочие запчасти (другие)
EP Equipment
Запчасти для ТО
Шины для спецтехники
Гусеницы для спецтехники
Навесное оборудование
Прицепы для перевозки мини-спецтехники
Дополнительное оборудование
Новости
Ремонт и сервис
О проекте
Проект Ремзона
Оптовикам
Поставщикам
Регионам
Отзывы
Акции
Статьи
Контакты
Помощь
Как оформить заказ
Оплата
Доставка
Поиск запасных частей
Возврат деталей
Авторизация
Войти
Забыли пароль?
Регистрация
Обратный звонок
Главная
Каталог запасных частей
Каталог запасных частей Bobcat
Мини-погрузчик
Bobcat A220
519611001 И ВЫШЕ, 519711001 И ВЫШЕ
ГИДРАВЛИЧЕСКАЯ СИСТЕМА
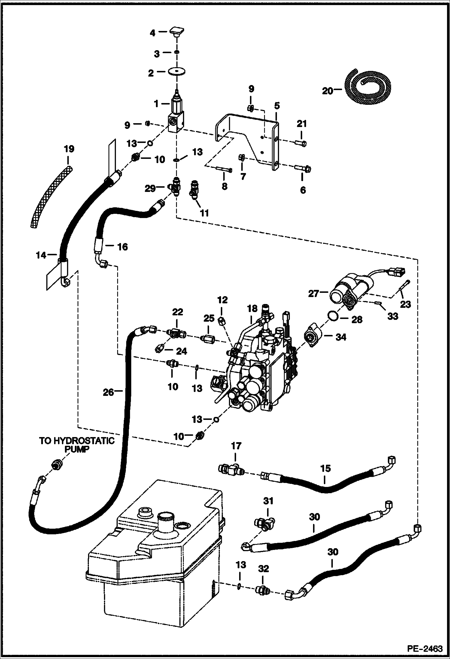
ГИДРАВЛИЧЕСКАЯ СИСТЕМА на мини-погрузчик Bobcat A220519611001 И ВЫШЕ, 519711001 И ВЫШЕ
Ничего не найдено
СХЕМА ГИДРАВЛИЧЕСКОЙ СИСТЕМЫ (БЕЗ КЛАПАНА РЕГУЛТРОВКИ ПОЛОЖЕНИЯ КОВША)
СХЕМА ГИДРАВЛИЧЕСКОЙ СИСТЕМЫ (С КЛАПАНОМ РЕГУЛИРОВКИ ПОЛОЖЕНИЯ КОВША)
РУКОВОДСТВО ПО ОТКЛЮЧЕНИЮ ПОДЪЕМНОГО УСТРОЙСТВА
ВСПОМОГАТЕЛЬНЫЕ ГИДРАВЛИЧЕСКИЕ МЕХАНИЗМЫ (СЕРИЙНЫЙ НОМЕР 5196 11123, 5197 11003 И НИЖЕ)
ВСПОМОГАТЕЛЬНЫЕ ГИДРАВЛИЧЕСКИЕ МЕХАНИЗМЫ (СЕРИЙНЫЙ НОМЕР 5196 11124, 5197 11004 И ВЫШЕ)
ЦИЛИНДР НАКЛОНА
ЦИЛИНДР ПОДЪЕМА
РУЛЕВОЙ ЦИЛИНДР
РУКОВОДСТВО ПО ЭКСПЛУАТАЦИИ КЛАПАНА УСТРОЙСТВА ДЛЯ ОТПУСКАНИЯ
ГИДРАВЛИЧЕСКИЙ РЕГУЛИРУЮЩИЙ КЛАПАН
ГИДРАВЛИЧЕСКИЙ РЕГУЛИРУЮЩИЙ КЛАПАН (РЕЗЕРВНЫЙ КЛАПАН)
РЕГУЛИРУЮЩИЙ КЛАПАН СИСТЕМЫ БЛОКИРОВКИ УПРАВЛЕНИЯ (BICS)
КЛАПАН РЕГУЛИРОВКИ ПОЛОЖЕНИЯ КОВША