88007754294
sales@remzona-parts.ru
Найти
88007754294
sales@remzona-parts.ru
Обратный звонок
Заказать запчасть
0 позиций
0 руб.
Оформить заказ
Вход
Регистрация
Найти
Каталог запасных частей
Bobcat
Шарнирно-сочлененный погрузчик
Навесное оборудование
Экскаватор–погрузчик
Мини-трактор
Мини-экскаватор
Другая техника
Мини-погрузчик
Телескопический погрузчик
Дизельные автомобили
Электрокар
Doosan
Бульдозеры
Экскаваторы
Колесные погрузчики
Погрузчики с бортовым поворотом
Лесотехнические машины
Самосвалы Moxy
Быстросъем
Навесное оборудование
Специальное исполнение
Прочие запчасти (другие)
EP Equipment
Запчасти для ТО
Шины для спецтехники
Гусеницы для спецтехники
Навесное оборудование
Прицепы для перевозки мини-спецтехники
Дополнительное оборудование
Новости
Ремонт и сервис
О проекте
Проект Ремзона
Оптовикам
Поставщикам
Регионам
Отзывы
Акции
Статьи
Контакты
Помощь
Как оформить заказ
Оплата
Доставка
Поиск запасных частей
Возврат деталей
Авторизация
Войти
Забыли пароль?
Регистрация
Обратный звонок
Главная
Каталог запасных частей
Каталог запасных частей Bobcat
Мини-погрузчик
Bobcat 900s
970
4964MA100000 - 109999, 4964MA110000 И ВЫШЕ
ЗАПЧАСТИ ДВИГАТЕЛЯ
ЗАПЧАСТИ ДВИГАТЕЛЯ на Bobcat 900s Bobcat9704964MA100000 - 109999, 4964MA110000 И ВЫШЕ
Ничего не найдено
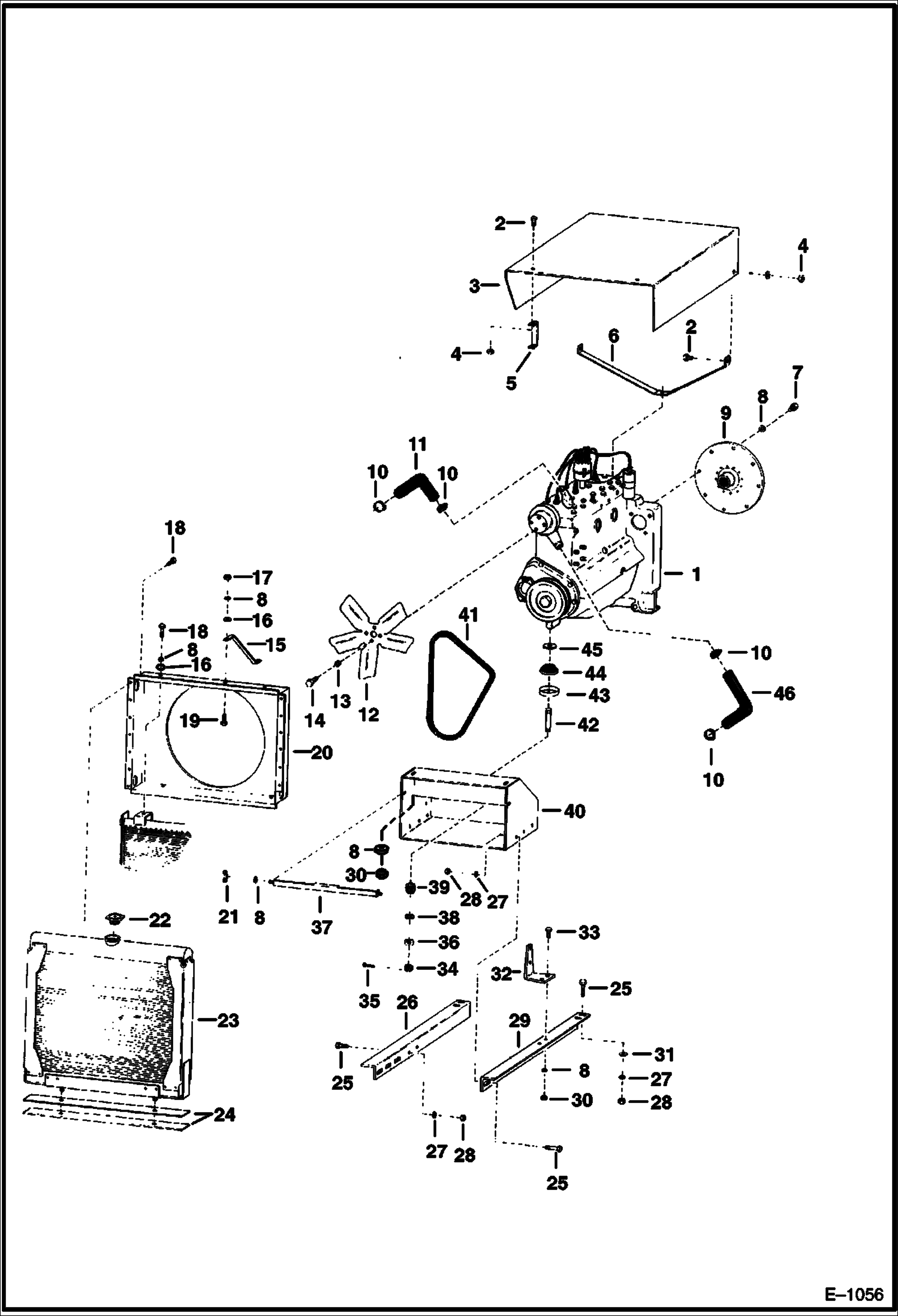
СИСТЕМА ОХЛАЖДЕНИЯ ДВИГАТЕЛЯ И КРЕПЕЖНЫЕ ДЕТАЛИ (БЕНЗИН)
ТОПЛИВО ДЛЯ ДВИГАТЕЛЯ И КРЕПЕЖНЫЕ ДЕТАЛИ ВЫХЛОПНОГО КОЛЛЕКТОРА (БЕНЗИН)
СМАЗКА ДВИГАТЕЛЯ И КРЕПЕЖНЫЕ ДЕТАЛИ ЭЛЕКТРИЧЕСКИХ МЕХАНИЗМОВ (БЕНЗИН)
БЛОК ЦИЛИНДРОВ И КРЕПЕЖНЫЕ ДЕТАЛИ (CONTINENTAL)
КОЛЕНЧАТЫЙ ВАЛ И КОМПЛЕКТУЮЩИЕ ДЕТАЛИ (CONTINENTAL)
КРЫШКА КОРОБКИ ПЕРЕДАЧ (CONTINENTAL)
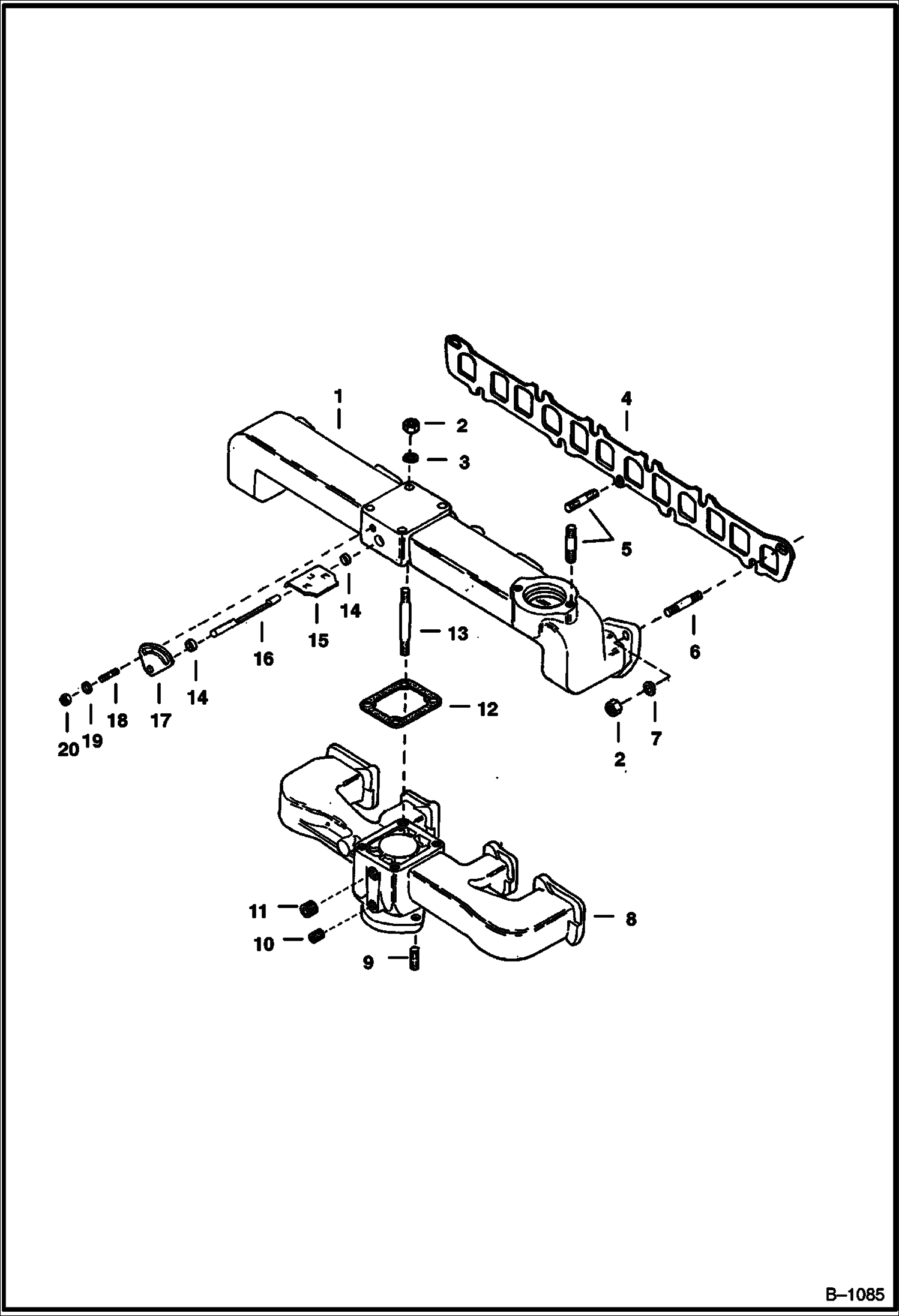
КОЛЛЕКТОР (CONTINENTAL)
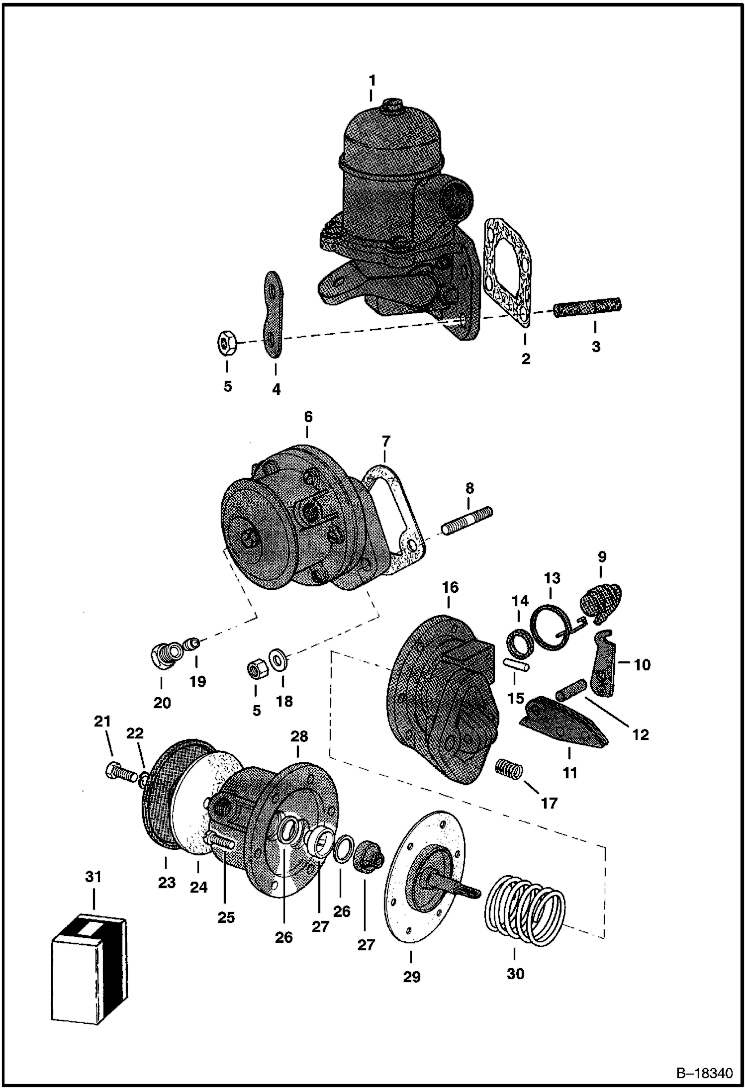
ВОДЯНАЯ ПОМПА (CONTINENTAL)
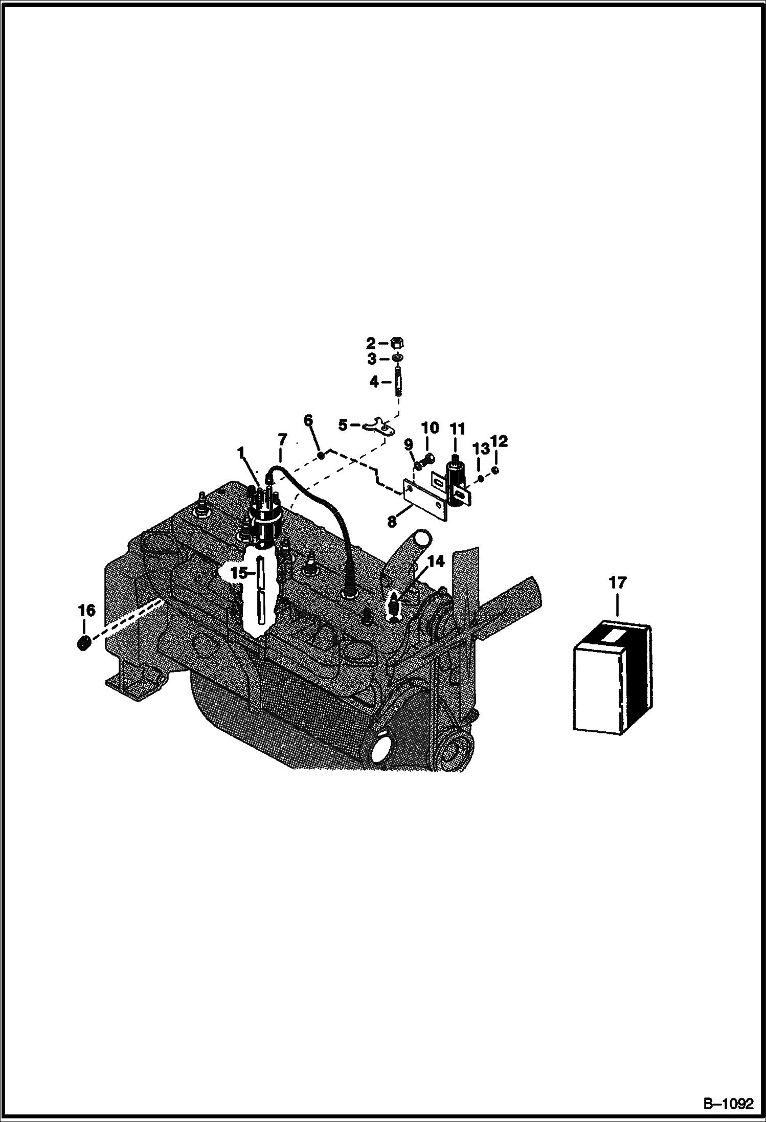
СИСТЕМА ЗАЖИГАНИЯ (CONTINENTAL)
КАРБЮРАТОР (CONTINENTAL)
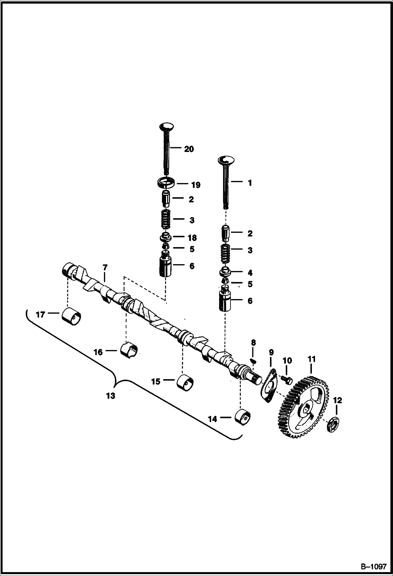
КЛАПАН И РАСПРЕДЕЛИТЕЛЬНЫЙ ВАЛ (CONTINENTAL)
РАСПРЕДЕЛИТЕЛЬ (CONTINENTAL)
МАСЛЯНЫЙ НАСОС (CONTINENTAL)
РЕГУЛЯТОРА ОБОРОТОВ (CONTINENTAL)
ДИЗЕЛЬНЫЙ ДВИГАТЕЛЬ PERKINS
ПРОКЛАДКА (ДИЗЕЛЬ)
СИСТЕМА ОХЛАЖДЕНИЯ ДВИГАТЕЛЯ И КРЕПЕЖНЫЕ ДЕТАЛИ (ДИЗЕЛЬ)
ТОПЛИВО ДЛЯ ДВИГАТЕЛЯ И ДЕТАЛИ ВЫХЛОПНОГО КОЛЛЕКТОРА (ДИЗЕЛЬ)
СМАЗКА ДВИГАТЕЛЯ И КРЕПЕЖНЫЕ ДЕТАЛИ ЭЛЕКТРИЧЕСКИХ МЕХАНИЗМОВ (ДИЗЕЛЬ)
БЛОК ЦИЛИНДРОВ (PERKINS)
ГОЛОВКА ЦИЛИНДРА (PERKINS)
КОЛЕНЧАТЫЙ ВАЛ И КОМПЛЕКТУЮЩИЕ ДЕТАЛИ (PERKINS)
КРЫШКА КОРОМЫСЛА КЛАПАНА (PERKINS)
ОСЬ КЛАПАННОГО КОРОМЫСЛА (PERKINS)
СОЕДИНИТЕЛЬНАЯ ТЯГА И ПОРШЕНЬ (PERKINS)
ШЕСТЕРНИ РАСПРЕДЕЛИТЕЛЬНОГО ВАЛА (PERKINS)
БАЛАНСИРОВОЧНЫЙ УЗЕЛ (PERKINS)
СМАЗОЧНАЯ СИСТЕМА (PERKINS)
КОРПУС И МАХОВИК (PERKINS)
КОЛЛЕКТОРЫ (PERKINS)
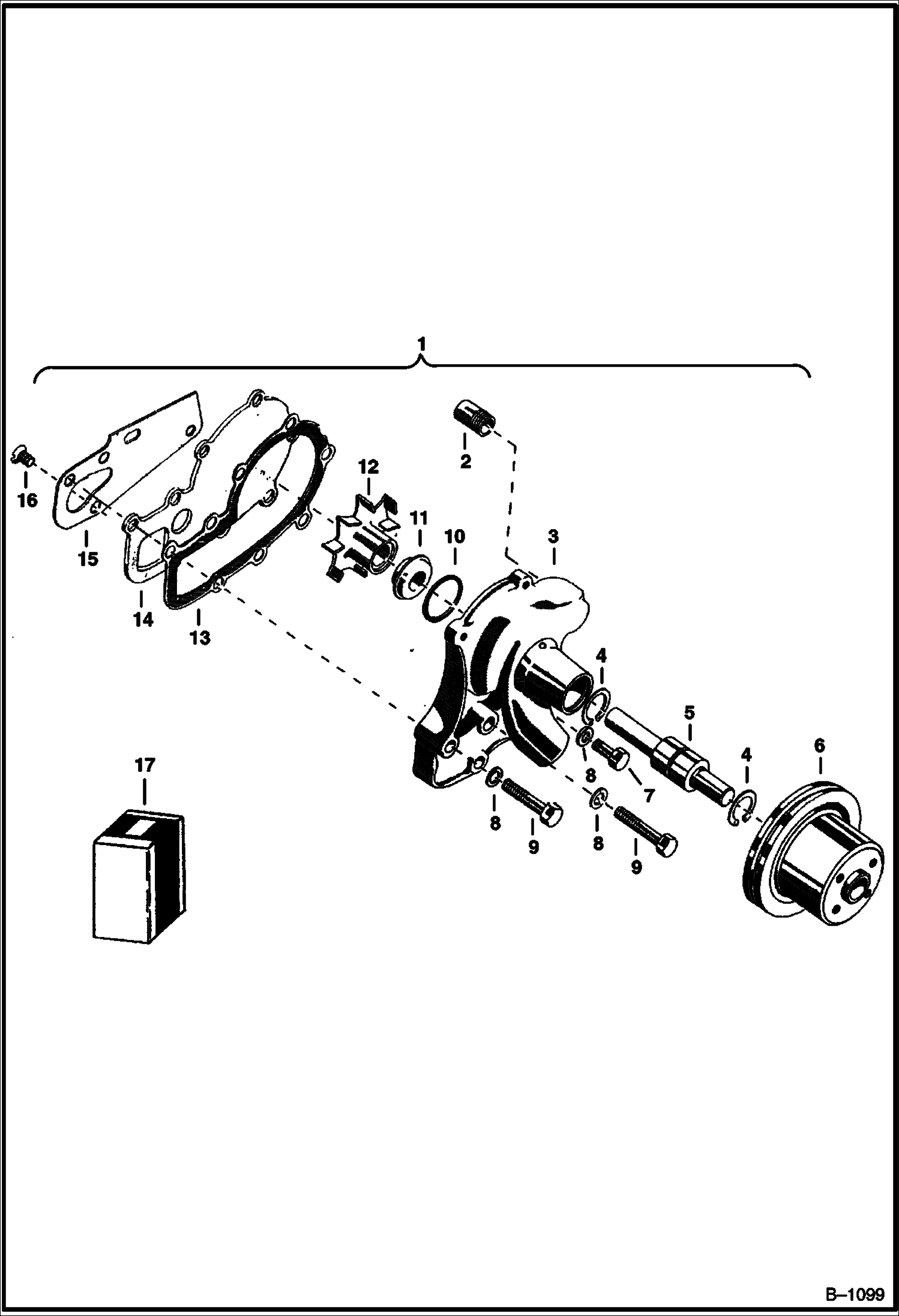
ВОДЯНАЯ ПОМПА (PERKINS)
КОРПУС ВОДООТВОДЯЩЕГО ПАТРУБКА (PERKINS)
ВОЗДУШНЫЙ ФИЛЬТР
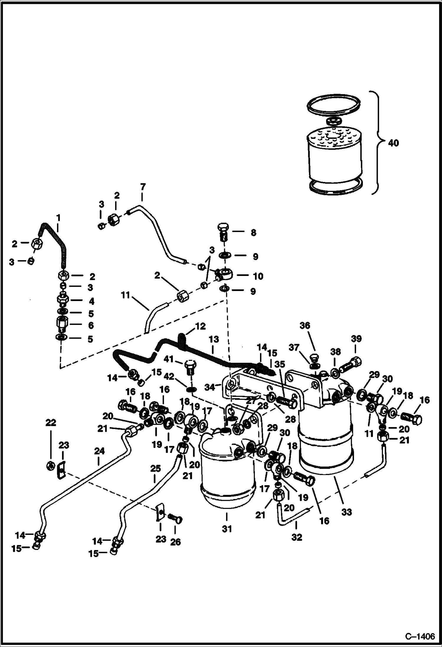
ТОПЛИВНЫЙ НАСОС (PERKINS)
ФИЛЬТР ДЛЯ ТОПЛИВА (PERKINS - ДВИГАТЕЛЬ СПЕЦИФИКАЦИИ LD 22557)
ФИЛЬТР ДЛЯ ТОПЛИВА (PERKINS - ДВИГАТЕЛЬ СПЕЦИФИКАЦИИ LD 70095)
ДВОЙНОЙ ФИЛЬТР (PERKINS - ДВИГАТЕЛЬ СПЕЦИФИКАЦИИ LD 22557)
СИСТЕМА ВПРЫСКА ТОПЛИВА (PERKINS)