88007754294
sales@remzona-parts.ru
Найти
88007754294
sales@remzona-parts.ru
Обратный звонок
Заказать запчасть
0 позиций
0 руб.
Оформить заказ
Вход
Регистрация
Найти
Каталог запасных частей
Bobcat
Шарнирно-сочлененный погрузчик
Навесное оборудование
Экскаватор–погрузчик
Мини-трактор
Мини-экскаватор
Другая техника
Мини-погрузчик
Телескопический погрузчик
Дизельные автомобили
Электрокар
Doosan
Бульдозеры
Экскаваторы
Колесные погрузчики
Погрузчики с бортовым поворотом
Лесотехнические машины
Самосвалы Moxy
Быстросъем
Навесное оборудование
Специальное исполнение
Прочие запчасти (другие)
EP Equipment
Запчасти для ТО
Шины для спецтехники
Гусеницы для спецтехники
Навесное оборудование
Прицепы для перевозки мини-спецтехники
Дополнительное оборудование
Новости
Ремонт и сервис
О проекте
Проект Ремзона
Оптовикам
Поставщикам
Регионам
Отзывы
Акции
Статьи
Контакты
Помощь
Как оформить заказ
Оплата
Доставка
Поиск запасных частей
Возврат деталей
Авторизация
Войти
Забыли пароль?
Регистрация
Обратный звонок
Главная
Каталог запасных частей
Каталог запасных частей Bobcat
Мини-погрузчик
Bobcat 900s
963
562211001 - 562214999
АКСЕСCУАРЫ И ОПЦИИ
АКСЕСCУАРЫ И ОПЦИИ на Bobcat 900s Bobcat963562211001 - 562214999
Ничего не найдено
КРЫШКА (ЗАЛИВНАЯ КРЫШКА ГИДРАВЛИЧЕСКОГО БАКА)
ФИЛЬТР ПРЕДВАРИТЕЛЬНОЙ ОЧИСТКИ ВОЗДУХА
КОМПЛЕКТ ВСПОМОГАТЕЛЬНЫХ СТОКОВ ИЗ КОРПУСА
КОМПЛЕКТ СИГНАЛА ЗАДНЕГО ХОДА
КОМПЛЕКТ АККУМУЛЯТОРОВ (ДВОЙНОЙ)
СИГНАЛЬНЫЙ МАЯЧОК
ВЕРХНЯЯ ЧАСТЬ БЛОКА ДВИГАТЕЛЯ
BOB-TACH КОМПЛЕКТ ДЛЯ ПЕРЕОБОРУДОВАНИЯ
КОМПЛЕКТ БЛОКОВ УПРАВЛЕНИЯ ТОРМОЗАМИ
РАСПРЕДЕЛИТЕЛЬ ТОРМОЗА
ДВЕРЦА КАБИНЫ (С ЛЕВОЙ СТОРОНЫ КРЕПЛЕНИЕ ПЕТЕЛЬ)
ОКНА КАБИНЫ
КОМПЛЕКТ ПРОТИВОВЕСОВ (3650 ФУНТОВ - БОКОВОЙ МОНТАЖ)
НАКЛЕЙКИ
КОМПЛЕКТ ОГРАНИЧИТЕЛЕЙ ОПРОКИДЫВАНИЯ
КОМПЛЕКТ ЭЛЕКТРИЧЕСКИХ РЕГУЛЯТОРОВ (НАВЕСНОЕ ОБОРУДОВАНИЕ)
КОМПЛЕКТ ЭЛЕКТРИЧЕСКИХ РЕГУЛЯТОРОВ (НАВЕСНОЕ ОБОРУДОВАНИЕ) (ДЛЯ ТЕХНИКИ С СИСТЕМОЙ РУЧНОГО УПРАВЛЕНИЯ (AHC))
КОМПЛЕКТ ТОРЦЕВЫХ ЗАГЛУШЕК (ВСПОМОГАТЕЛЬНАЯ КАТУШКА)
КОМПЛЕКТ БАЛЛОНОВ С ЭФИРОМ (СЕРИЙНЫЙ НОМЕР И ВЫШЕ)
ЕВРОПЕЙСКОЕ ДОПОЛНИТЕЛЬНОЕ ОБОРУДОВАНИЕ
ЕВРОПЕЙСКОЕ ДОПОЛНИТЕЛЬНОЕ ОБОРУДОВАНИЕ (ГЛАВНЫЙ ЖГУТ ПРОВОДОВ УСТРОЙСТВА УПРАВЛЕНИЯ НАВЕСНЫМ ОБОРУДОВАНИЕМ) (ТОЛЬКО РУЧНОЕ УПРАВЛЕНИЕ)
ЕВРОПЕЙСКОЕ ДОПОЛНИТЕЛЬНОЕ ОБОРУДОВАНИЕ (ГИДРАВЛИЧЕСКИЙ ГЛУШИТЕЛЬ)
ЕВРОПЕЙСКОЕ ДОПОЛНИТЕЛЬНОЕ ОБОРУДОВАНИЕ (ПРОБЛЕСКОВЫЕ ФАРЫ - 4 СТОРОНЫ)
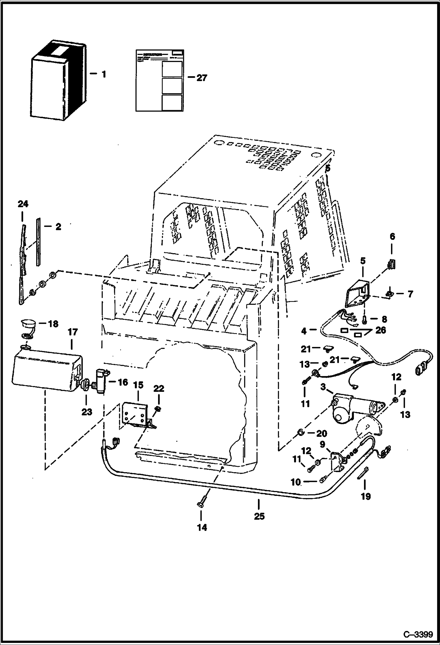
ЕВРОПЕЙСКОЕ ДОПОЛНИТЕЛЬНОЕ ОБОРУДОВАНИЕ (СТЕКЛООЧИСТИТЕЛЬ ЗАДНЕГО СТЕКЛА)
ЕВРОПЕЙСКОЕ ДОПОЛНИТЕЛЬНОЕ ОБОРУДОВАНИЕ (КРЫШКА КРЕПЛЕНИЯ САЛАЗОК СИДЕНЬЯ - СИДЕНЬЕ С ГИДРАВЛИЧЕСКОЙ ПОДВЕСКОЙ GRAMMER)
ОГНЕТУШИТЕЛЬ
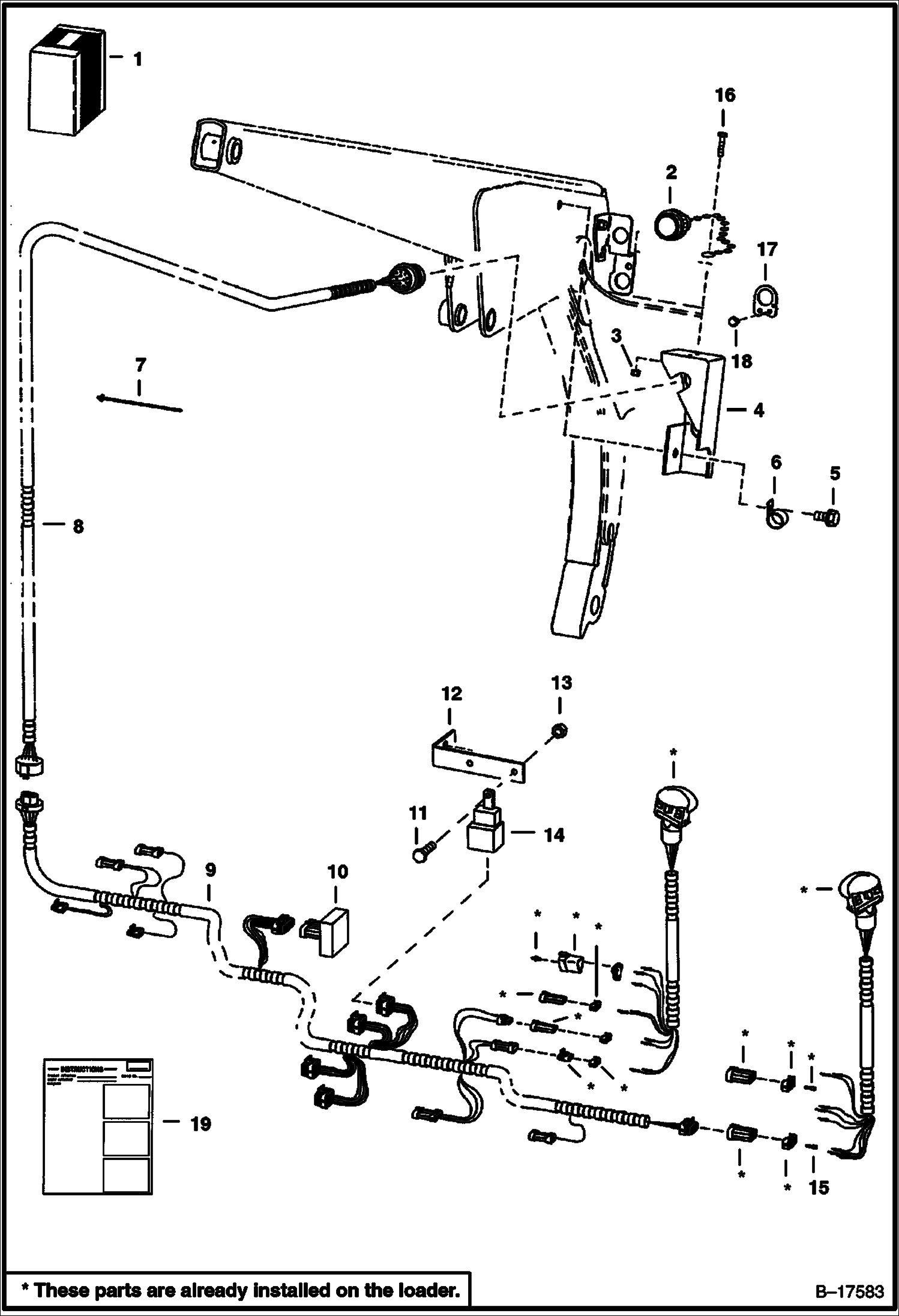
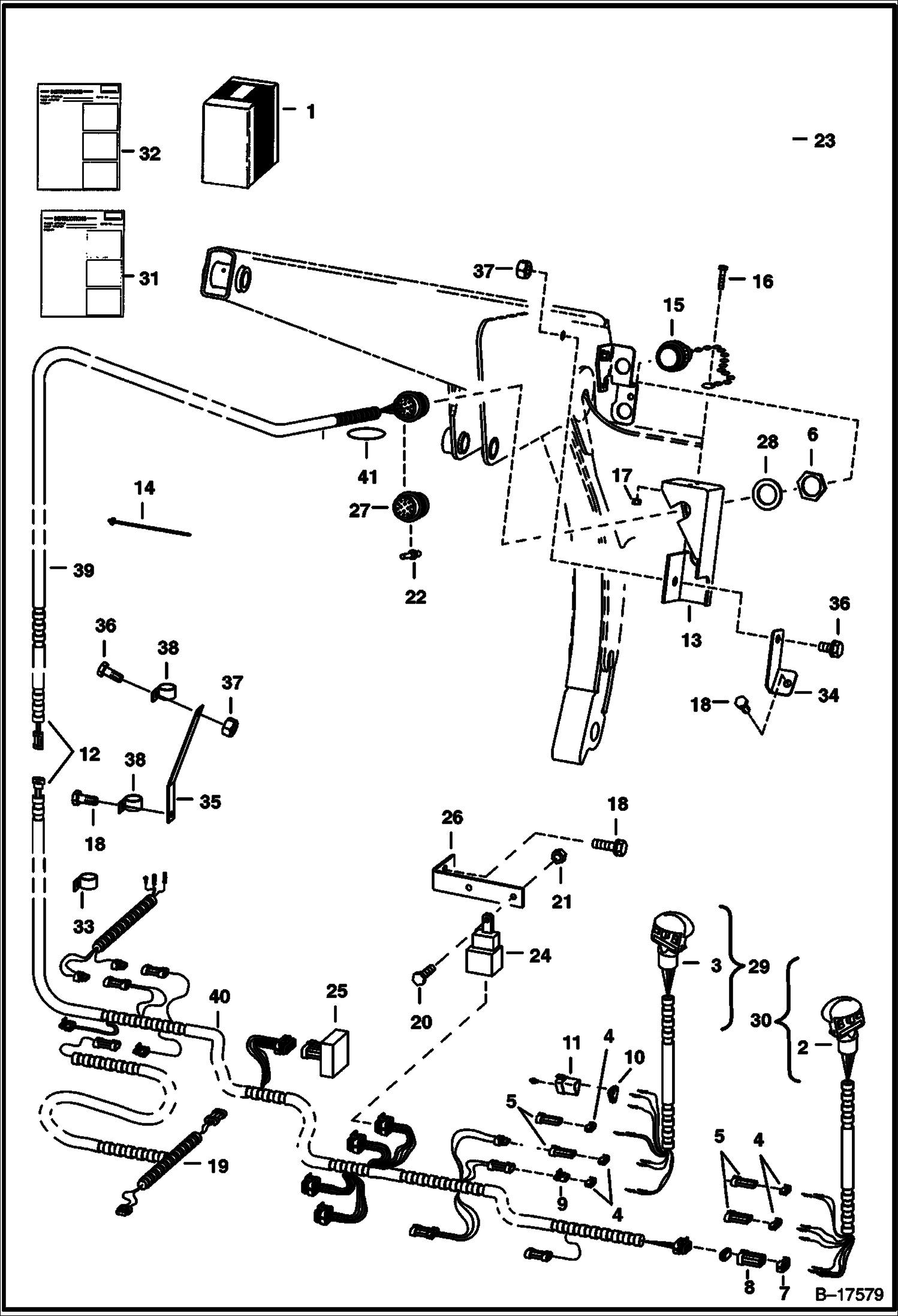
ПРОБЛЕСКОВЫЕ ФАРЫ
4-КОМПЛЕКТА ТОЧКИ ПОДЪЕМА
4-КОМПЛЕКТ ПРОБЛЕСКОВЫХ СИГНАЛОВ
КОМПЛЕКТ ПЕРЕДНИХ ВСПОМОГАТЕЛЬНЫХ УСТРОЙСТВ (953 СЦЕПКА)
КОМПЛЕКТ ПЕРЕДНИХ ВСПОМОГАТЕЛЬНЫХ УСТРОЙСТВ (СЕРИЙНЫЙ НОМЕР 562211877 И НИЖЕ, 516511091 И НИЖЕ)
КОМПЛЕКТ УСТРОЙСТВА РУЧНОГО УПРАВЛЕНИЯ (ДЛЯ ПОГРУЗЧИКА, ОСНАЩЕННОГО ПЕРЕДОВЫМИ УСТРОЙСТВАМИ РУЧНОГО УПРАВЛЕНИЯ) (КНОПКА ВКЛЮЧЕНИЯ)
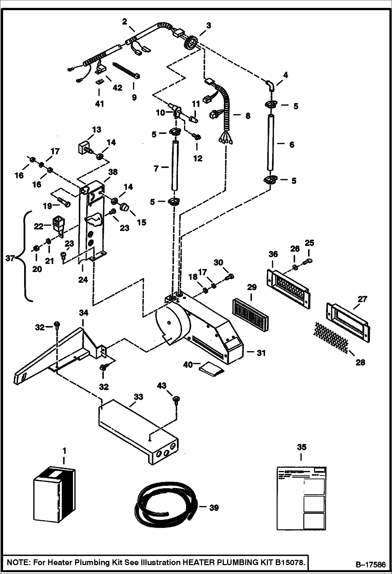
ОБОГРЕВАТЕЛЬ (СВЕЖИЙ ВОЗДУХ)
КОМПЛЕКТ ОБОГРЕВАТЕЛЕЙ (СВЕЖИЙ ВОЗДУХ)
КОМПЛЕКТ ТРУБОПРОВОДОВ ОБОГРЕВАТЕЛЯ (СВЕЖИЙ ВОЗДУХ)
КОМПЛЕКТ КЛАКСОНОВ
КОМПЛЕКТ СЧЕТЧИКОВ МОТОЧАСОВ
КОМПЛЕКТ ЗАЩИТНЫХ СЕТОК ОТ НАСЕКОМЫХ
УСТРОЙСТВО ЗАЖИГАНИЯ БЕЗ КЛЮЧА
ОЧИСТНОЕ УСТРОЙСТВО, ГЛУШИТЕЛЬ
КОМПЛЕКТ ВКЛЮЧЕНИЯ (НОЖНЫЕ ПЕДАЛИ)
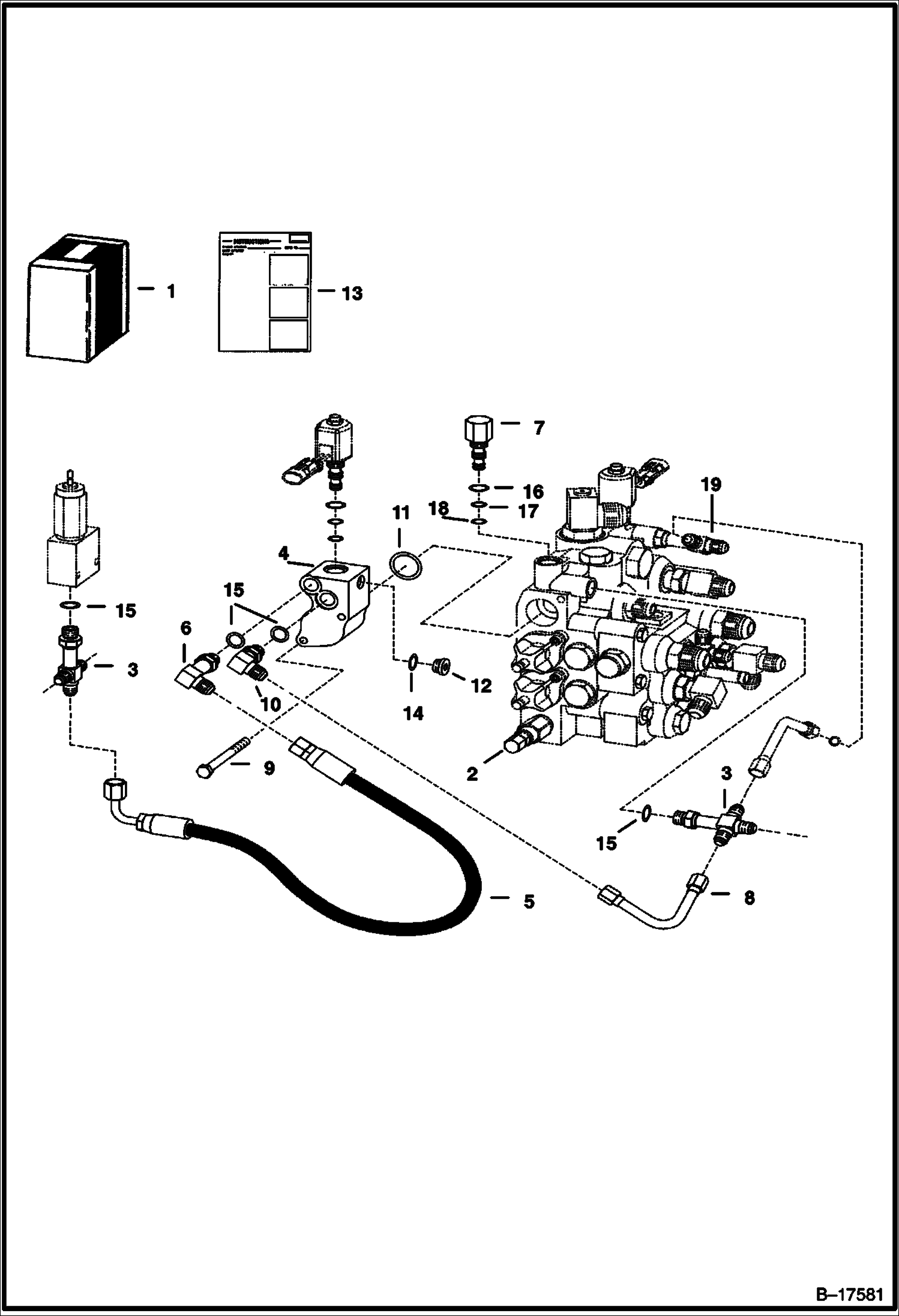
КОМПЛЕКТ ГИДРАВЛИКИ ВСПОМОГАТЕЛЬНОГО ОБОРУДОВАНИЯ, РАСПОЛОЖЕННОГО СЗАДИ
ВСПОМОГАТЕЛЬНЫЙ КЛАПАН ЗАДНЕЙ ЧАСТИ (ДЛЯ ИСПОЛЬЗОВАНИЯ С СОЕДИНИТЕЛЬНЫМ УСТРОЙСТВОМ С ПЛОСКИМ ТОРЦОМ)
НАБОР ДЛЯ АРЕНДЫ
КОМПЛЕКТ ОПОРЫ СИДЕНЬЯ (ПЕРЕДНЕЕ ПОЛОЖЕНИЕ - НАЖИМНАЯ ПРУЖИНА)
3-- РЕМЕНЬ БЕЗОПАСНОСТИ
ЧЕХЛЫ СИДЕНИЙ (СИДЕНЬЕ С ОТДЕЛКОЙ ИЗ ИСКУССТВЕННОЙ КОЖИ)
КОМПЛЕКТ СИДЕНИЙ (БОКОВОЙ ШАРНИР) (ДЛЯ СТАНДАРТНОГО И СИДЕНЬЯ С ПОДВЕСКОЙ)
КОМПЛЕКТ КРЫШЕК КРЕПЛЕНИЯ САЛАЗОК СИДЕНЬЯ
КОМПЛЕКТ ДЛЯ РЕГУЛИРОВКИ СИДЕНЬЯ
КОМПЛЕКТ ВСПОМОГАТЕЛЬНЫХ ГИДРОСИСТЕМ (ПРАВАЯ СТОРОНА)
КОМПЛЕКТ БОКОВОЙ ПАНЕЛИ
ФУНКЦИИ ШУМОПОГЛОЩЕНИЯ
КАСКА С ЗАЩИТОЙ ОТ ШУМА
ПОБЛЕСКОВЫЙ МАЯЧОК
СИДЕНЬЕ С ПОДВЕСКОЙ (GRAMMER)
СИДЕНЬЕ С ПОДВЕСКОЙ (МИЧИГАН)
СИДЕНИЕ С ПОДВЕСКОЙ (ПОДВЕСКА - MILSCO)
ШИНЫ И ДИСКИ (ПНЕВМАТИЧЕСКАЯ ШИНА)
ШИНЫ И КОЛЕСНЫЕ ДИСКИ (СПЛОШНАЯ ШИНА) (SEGMENTED)
ШИНЫ И ДИСКИ (СПЛОШНАЯ ШИНА)
TWO КОМПЛЕКТ ТОЧКИ ПОДЪЕМА
КРУПНОГАБАРИТНЫЕ ПРЕДМЕТЫ (СМОТРИТЕ ПРИМЕЧАНИЕ)