88007754294
sales@remzona-parts.ru
Найти
88007754294
sales@remzona-parts.ru
Обратный звонок
Заказать запчасть
0 позиций
0 руб.
Оформить заказ
Вход
Регистрация
Найти
Каталог запасных частей
Bobcat
Шарнирно-сочлененный погрузчик
Навесное оборудование
Экскаватор–погрузчик
Мини-трактор
Мини-экскаватор
Другая техника
Мини-погрузчик
Телескопический погрузчик
Дизельные автомобили
Электрокар
Doosan
Бульдозеры
Экскаваторы
Колесные погрузчики
Погрузчики с бортовым поворотом
Лесотехнические машины
Самосвалы Moxy
Быстросъем
Навесное оборудование
Специальное исполнение
Прочие запчасти (другие)
EP Equipment
Запчасти для ТО
Шины для спецтехники
Гусеницы для спецтехники
Навесное оборудование
Прицепы для перевозки мини-спецтехники
Дополнительное оборудование
Новости
Ремонт и сервис
О проекте
Проект Ремзона
Оптовикам
Поставщикам
Регионам
Отзывы
Акции
Статьи
Контакты
Помощь
Как оформить заказ
Оплата
Доставка
Поиск запасных частей
Возврат деталей
Авторизация
Войти
Забыли пароль?
Регистрация
Обратный звонок
Главная
Каталог запасных частей
Каталог запасных частей Bobcat
Мини-погрузчик
Bobcat 900s
953
513111001 И ВЫШЕ, 513115001 И ВЫШЕ
АКСЕСCУАРЫ И ОПЦИИ
АКСЕСCУАРЫ И ОПЦИИ на Bobcat 900s Bobcat953513111001 И ВЫШЕ, 513115001 И ВЫШЕ
Ничего не найдено
ВСПОМОГАТЕЛЬНАЯ ГИДРАВЛИЧЕСКАЯ ЦЕПЬ (НОЖНИЦЫ LABOUNTY)
КРЫШКА (ЗАЛИВНАЯ КРЫШКА ГИДРАВЛИЧЕСКОГО БАКА)
КОМПЛЕКТ СИГНАЛА ЗАДНЕГО ХОДА
КОМПЛЕКТ АККУМУЛЯТОРОВ (ДВОЙНОЙ)
ВЕРХНЯЯ ЧАСТЬ БЛОКА ДВИГАТЕЛЯ
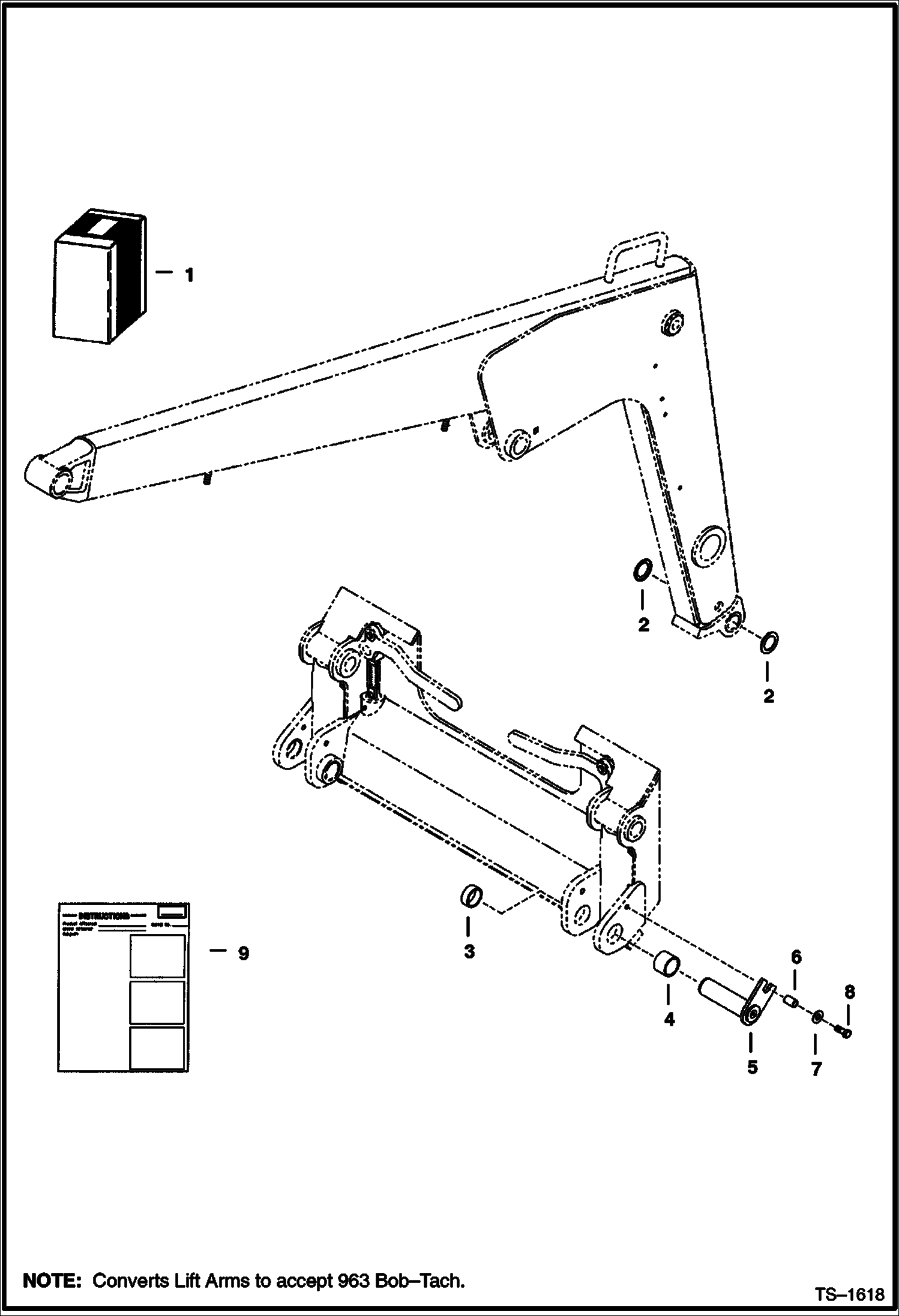
BOB-TACH КОМПЛЕКТ ДЛЯ ПЕРЕОБОРУДОВАНИЯ
ДВЕРЦА КАБИНЫ (ПРАВОСТОРОННЯЯ ПРИКРЕПЛЯЕТЬСЯ НА ПЕТЛЯХ)
ДВЕРЦА КАБИНЫ (С ЛЕВОЙ СТОРОНЫ КРЕПЛЕНИЕ ПЕТЕЛЬ)
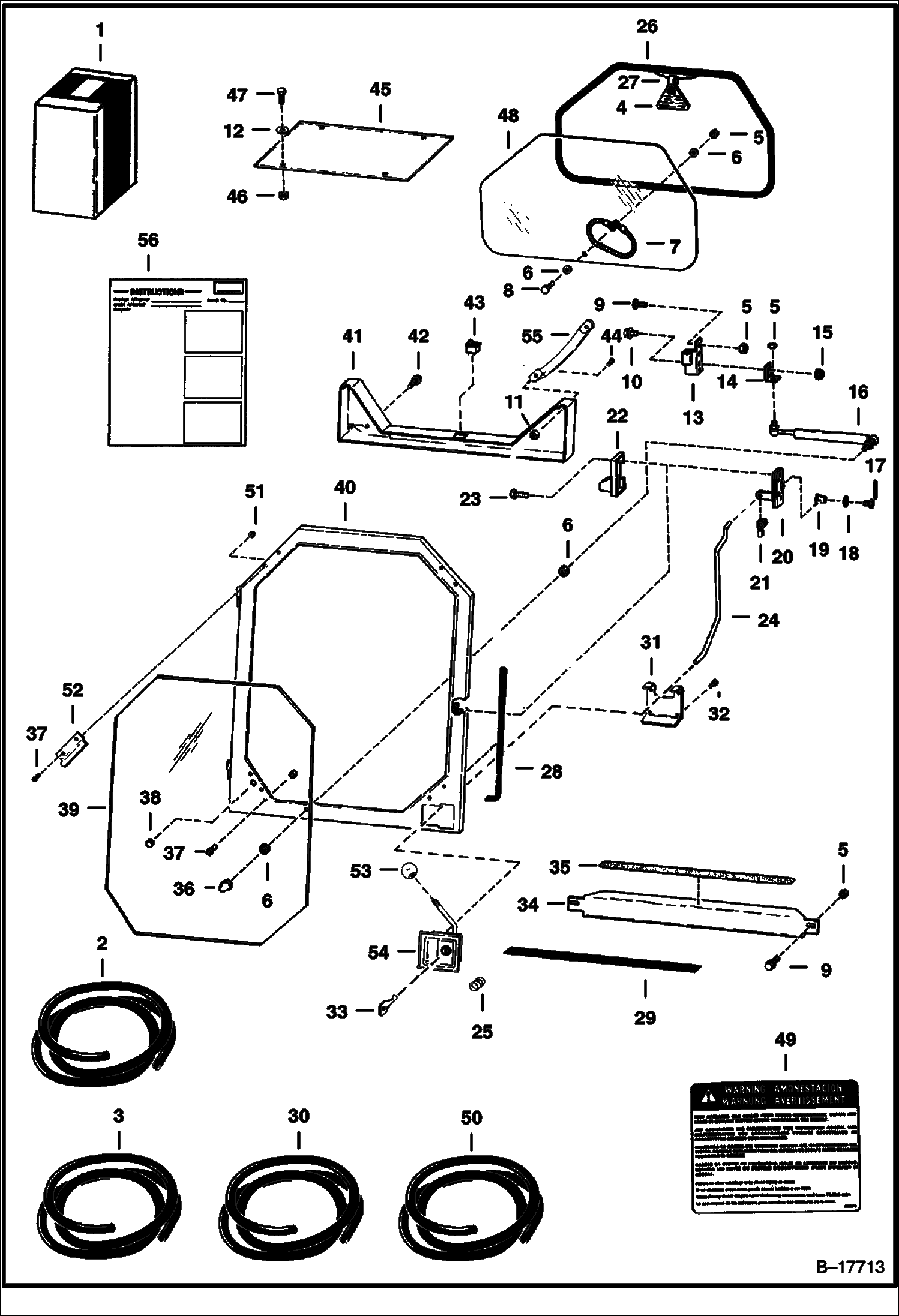
ОКНА КАБИНЫ
КОРПУС КАБИНЫ (ПРАВОСТОРОННЯЯ СПЕЦИАЛЬНОГО НАЗНАЧЕНИЯ)
НАКЛЕЙКИ
КОМПЛЕКТ БАЛЛОНОВ С ЭФИРОМ
ЕВРОПЕЙСКОЕ ДОПОЛНИТЕЛЬНОЕ ОБОРУДОВАНИЕ
ЕВРОПЕЙСКОЕ ДОПОЛНИТЕЛЬНОЕ ОБОРУДОВАНИЕ (СТЕКЛООЧИСТИТЕЛЬ ЗАДНЕГО СТЕКЛА)
ЕВРОПЕЙСКОЕ ДОПОЛНИТЕЛЬНОЕ ОБОРУДОВАНИЕ (КРЫШКА КРЕПЛЕНИЯ САЛАЗОК СИДЕНЬЯ - СИДЕНЬЕ С ГИДРАВЛИЧЕСКОЙ ПОДВЕСКОЙ GRAMMER)
ОГНЕТУШИТЕЛЬ
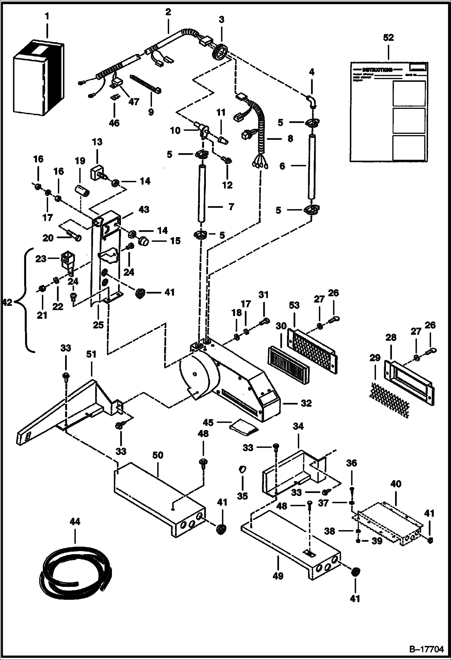
ПРОБЛЕСКОВЫЕ ФАРЫ
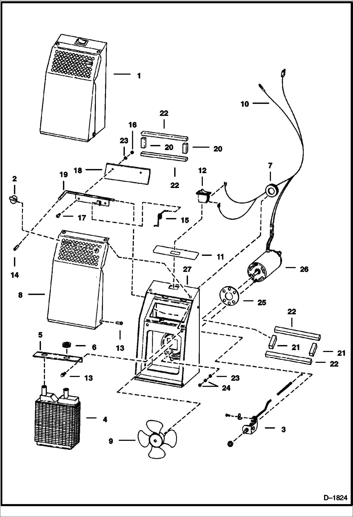
КОМПЛЕКТ ОБОГРЕВАТЕЛЕЙ
ОБОГРЕВАТЕЛЬ
КОМПЛЕКТ ОБОГРЕВАТЕЛЕЙ (СВЕЖИЙ ВОЗДУХ)
ОБОГРЕВАТЕЛЬ (СВЕЖИЙ ВОЗДУХ)
КОМПЛЕКТ ТРУБОПРОВОДОВ ОБОГРЕВАТЕЛЯ (СВЕЖИЙ ВОЗДУХ)
КОМПЛЕКТ КЛАКСОНОВ
КОМПЛЕКТ СЧЕТЧИКОВ МОТОЧАСОВ
КОМПЛЕКТ ЗАЩИТНЫХ СЕТОК ОТ НАСЕКОМЫХ
УСТРОЙСТВО ЗАЖИГАНИЯ БЕЗ КЛЮЧА
КОМПЛЕКТ ПОДЪЕМНЫХ ПРОУШИН
ОЧИСТНОЕ УСТРОЙСТВО/КОМПЛЕКТ ВЫХЛОПНЫХ КОЛЛЕКТОРОВ
КОМПЛЕКТ ВКЛЮЧЕНИЯ
КОМПЛЕКТ ГИДРАВЛИКИ ВСПОМОГАТЕЛЬНОГО ОБОРУДОВАНИЯ, РАСПОЛОЖЕННОГО СЗАДИ
НАБОР ДЛЯ АРЕНДЫ
3-- РЕМЕНЬ БЕЗОПАСНОСТИ
ЧЕХЛЫ СИДЕНИЙ (СИДЕНЬЕ С ОТДЕЛКОЙ ИЗ ИСКУССТВЕННОЙ КОЖИ)
КОМПЛЕКТ СИДЕНИЙ (БОКОВОЙ ШАРНИР) (ДЛЯ СТАНДАРТНОГО И СИДЕНЬЯ С ПОДВЕСКОЙ)
КОМПЛЕКТ КРЫШЕК КРЕПЛЕНИЯ САЛАЗОК СИДЕНЬЯ
РЕГУЛИРОВКА СИДЕНЬЯ
СТРОБОСКОПЫ (ЯНТАРНЫЙ -2414 ALW)
КОМПЛЕКТ СТРОБОСКОПОВ (ЯНТАРНЫЙ - 3414ALW)
СИДЕНЬЕ С ПОДВЕСКОЙ (GRAMMER)
СИДЕНЬЕ С ПОДВЕСКОЙ (МИЧИГАН)
ШИНЫ И ДИСКИ
ШИНЫ И КОЛЕСНЫЕ ДИСКИ (СПЛОШНАЯ ШИНА - SETCO)
ШИНЫ И КОЛЕСНЫЕ ДИСКИ (СПЛОШНАЯ ШИНА - IATCO)
КОМПЛЕКТ ДАТЧИКА УКАЗАТЕЛЯ УРОВНЯ ВОДЫ
КРУПНОГАБАРИТНЫЕ ПРЕДМЕТЫ (СМОТРИТЕ ПРИМЕЧАНИЕ)