88007754294
sales@remzona-parts.ru
Найти
88007754294
sales@remzona-parts.ru
Обратный звонок
Заказать запчасть
0 позиций
0 руб.
Оформить заказ
Вход
Регистрация
Найти
Каталог запасных частей
Bobcat
Шарнирно-сочлененный погрузчик
Навесное оборудование
Экскаватор–погрузчик
Мини-трактор
Мини-экскаватор
Другая техника
Мини-погрузчик
Телескопический погрузчик
Дизельные автомобили
Электрокар
Doosan
Бульдозеры
Экскаваторы
Колесные погрузчики
Погрузчики с бортовым поворотом
Лесотехнические машины
Самосвалы Moxy
Быстросъем
Навесное оборудование
Специальное исполнение
Прочие запчасти (другие)
EP Equipment
Запчасти для ТО
Шины для спецтехники
Гусеницы для спецтехники
Навесное оборудование
Прицепы для перевозки мини-спецтехники
Дополнительное оборудование
Новости
Ремонт и сервис
О проекте
Проект Ремзона
Оптовикам
Поставщикам
Регионам
Отзывы
Акции
Статьи
Контакты
Помощь
Как оформить заказ
Оплата
Доставка
Поиск запасных частей
Возврат деталей
Авторизация
Войти
Забыли пароль?
Регистрация
Обратный звонок
Главная
Каталог запасных частей
Каталог запасных частей Bobcat
Мини-погрузчик
Bobcat 800s
883
520111001 И ВЫШЕ, 520211001 И ВЫШЕ
ЭЛЕКТРИЧЕСКАЯ СИСТЕМА
ЭЛЕКТРИЧЕСКАЯ СИСТЕМА на Bobcat 800s Bobcat883520111001 И ВЫШЕ, 520211001 И ВЫШЕ
Ничего не найдено
ЭЛЕКТРИЧЕСКАЯ СИСТЕМА КАБИНЫ
ЭЛЕКТРИЧЕСКАЯ СИСТЕМА ДВИГАТЕЛЯ
ЭЛЕКТРООБОРУДОВАНИЕ ДВИГАТЕЛЯ
ЭЛЕКТРИЧЕСКИЕ РЕГУЛЯТОРЫ
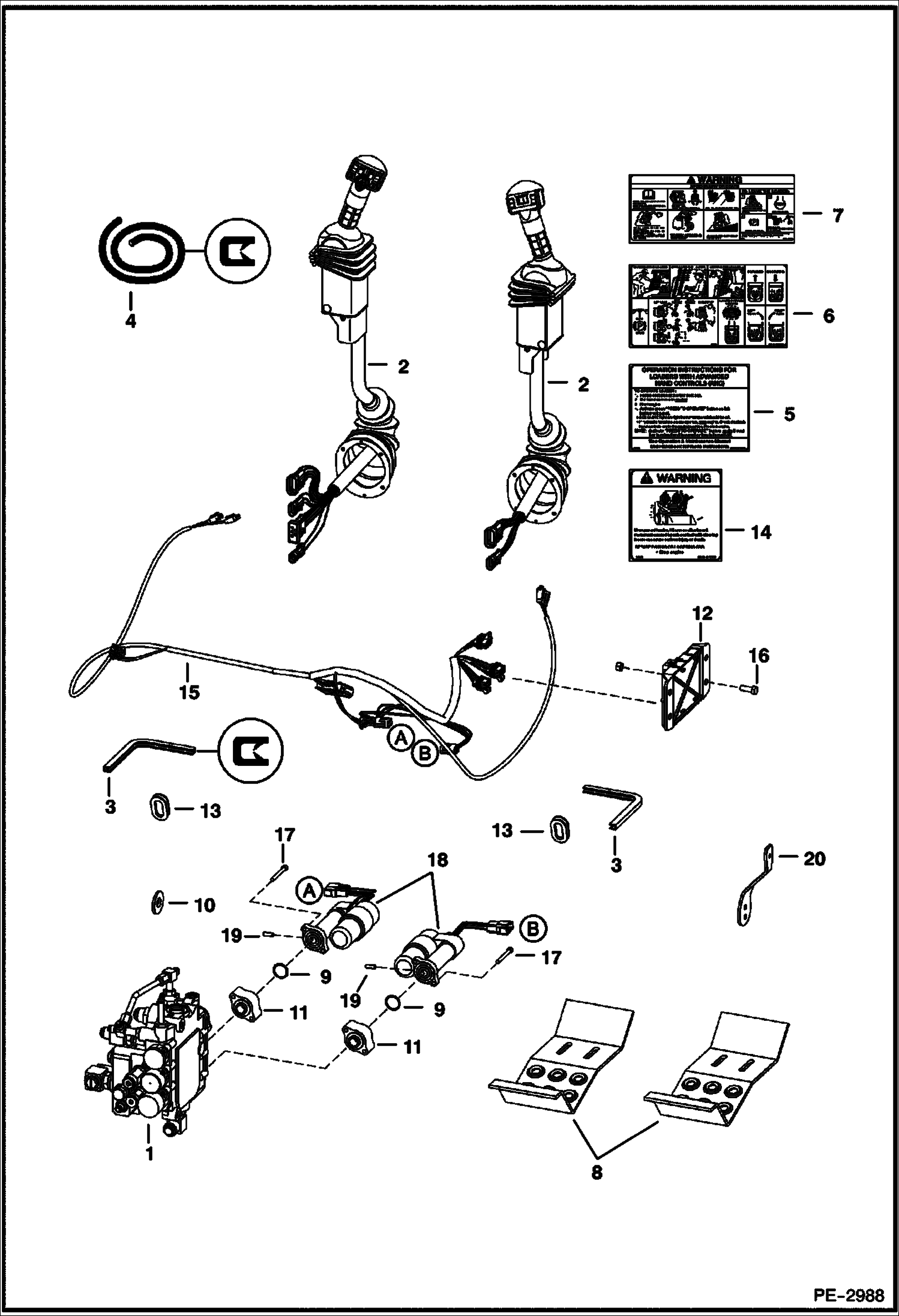
ЭЛЕКТРИЧЕСКИЕ РЕГУЛЯТОРЫ (СИСТЕМА УСОВЕРШЕНСТВОВАННОГО РУЧНОГО УПРАВЛЕНИЯ (ОПЦИЯ))
ЭЛЕКТРИЧЕСКИЕ СИСТЕМЫ УПРАВЛЕНИЯ (СИСТЕМА РУЧНОГО УПРАВЛЕНИЯ (СИСТЕМА РУЧНОГО УПРАВЛЕНИЯ (AHC)) (РУКОЯТКА В СБОРЕ)
ЭЛЕКТРИЧЕСКИЕ УСТРОЙСТВА УПРАВЛЕНИЯ (СИСТЕМА УСОВЕРШЕНСТВОВАННОГО КОНТРОЛЯ)
ЭЛЕКТРИЧЕСКИЕ УСТРОЙСТВА УПРАВЛЕНИЯ (СИСТЕМА УСОВЕРШЕНСТВОВАННОГО КОНТРОЛЯ) (РУКОЯТЬ В СБОРЕ)
ЭЛЕКТРИЧЕСКИЕ УСТРОЙСТВА УПРАВЛЕНИЯ (НОЖНАЯ ПЕДАЛЬ В СБОРЕ)
ГЕНЕРАТОР
СТАРТЕР
СТАРТЕР