88007754294
sales@remzona-parts.ru
Найти
88007754294
sales@remzona-parts.ru
Обратный звонок
Заказать запчасть
0 позиций
0 руб.
Оформить заказ
Вход
Регистрация
Найти
Каталог запасных частей
Bobcat
Шарнирно-сочлененный погрузчик
Навесное оборудование
Экскаватор–погрузчик
Мини-трактор
Мини-экскаватор
Другая техника
Мини-погрузчик
Телескопический погрузчик
Дизельные автомобили
Электрокар
Doosan
Бульдозеры
Экскаваторы
Колесные погрузчики
Погрузчики с бортовым поворотом
Лесотехнические машины
Самосвалы Moxy
Быстросъем
Навесное оборудование
Специальное исполнение
Прочие запчасти (другие)
EP Equipment
Запчасти для ТО
Шины для спецтехники
Гусеницы для спецтехники
Навесное оборудование
Прицепы для перевозки мини-спецтехники
Дополнительное оборудование
Новости
Ремонт и сервис
О проекте
Проект Ремзона
Оптовикам
Поставщикам
Регионам
Отзывы
Акции
Статьи
Контакты
Помощь
Как оформить заказ
Оплата
Доставка
Поиск запасных частей
Возврат деталей
Авторизация
Войти
Забыли пароль?
Регистрация
Обратный звонок
Главная
Каталог запасных частей
Каталог запасных частей Bobcat
Мини-погрузчик
Bobcat 600s
653
514811001 И ВЫШЕ
АКСЕСCУАРЫ И ОПЦИИ
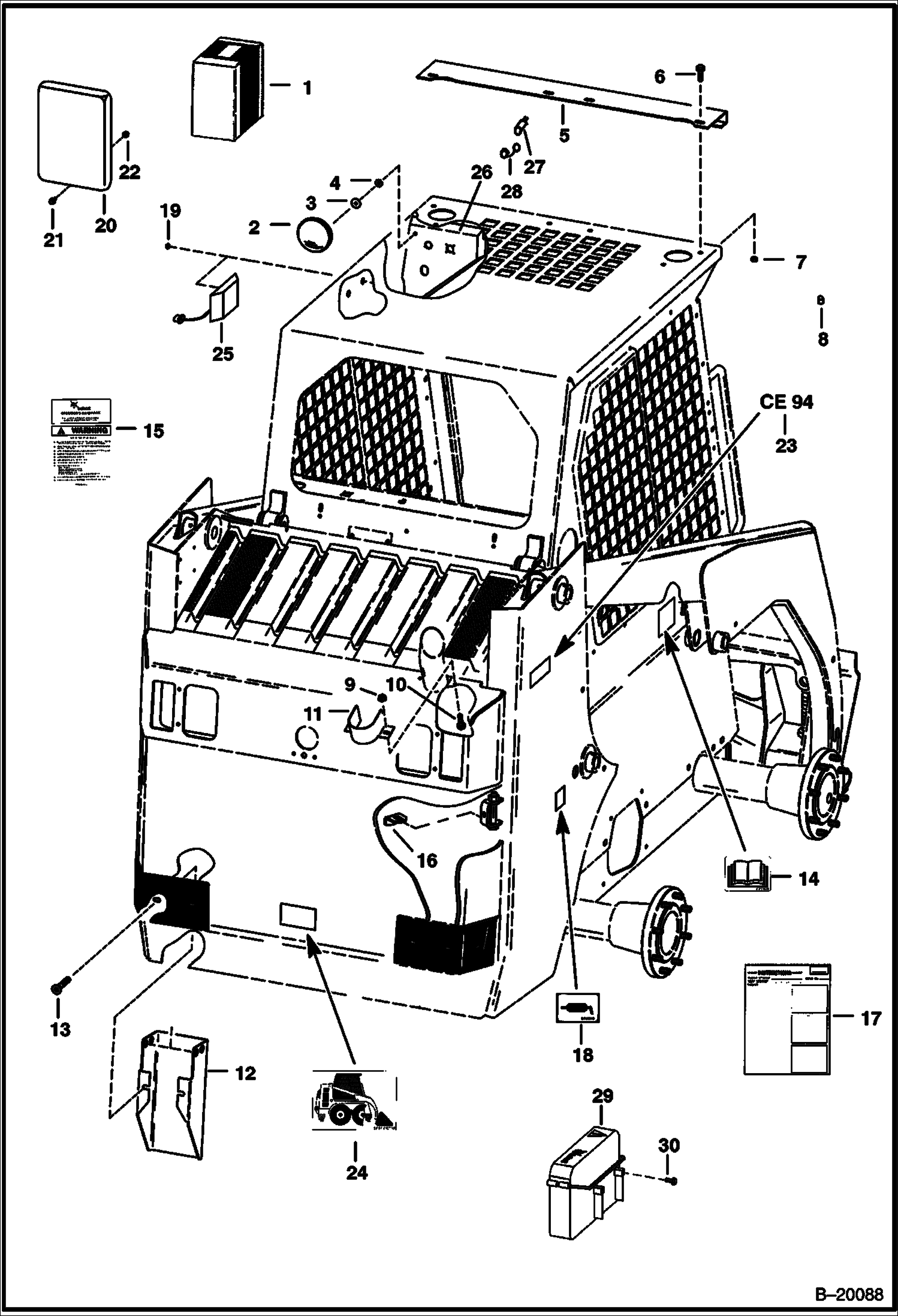
АКСЕСCУАРЫ И ОПЦИИ на Bobcat 600s Bobcat653514811001 И ВЫШЕ
Ничего не найдено
КРЫШКА (ОЧИСТКА - НИЖНЯЯ ПЕРЕДНЯЯ СТОРОНА КОРОБКИ ДЛЯ УКЛАДКИ ЦЕПИ)
КРЫШКА (ЗАЛИВНАЯ КРЫШКА ГИДРАВЛИЧЕСКОГО БАКА)
РЕМКОМПЛЕКТ ВОЗДУШНОГО ДЕФЛЕКТОРА
КОМПЛЕКТ УПЛОТНЕНИЙ ОСИ
СИГНАЛ ЗАДНЕГО ХОДА
НАГРЕВАТЕЛЬ БЛОКА ЦИЛИНДРОВ (400 ВТ 120В)
НАГРЕВАТЕЛЬ БЛОКА ЦИЛИНДРОВ (600 ВТ 120В)
BOB-TACH РЫЧАГИ (ДЛЯ ИСПОЛЬЗОВАНИЯ С ПРОМЫШЛЕННЫМИ ГРЕЙФЕРНЫМИ ВИЛАМИ)
КОМПЛЕКТ ПЕРЕКЛЮЧАТЕЛЕЙ ПОЗИЦИИ ОТКРЫТО-ЗАКРЫТО КОВША
КОМПЛЕКТ КЛАПАНОВ РЕГУЛИРОВКИ ПОЛОЖЕНИЯ КОВША (СЕРИЙНЫЙ НОМЕР 5148 11115 И НИЖЕ)
КОМПЛЕКТ КЛАПАНОВ РЕГУЛИРОВКИ ПОЛОЖЕНИЯ КОВША (СЕРИЙНЫЙ НОМЕР 5148 11116 И ВЫШЕ) (ДЛЯ ВСТРОЕННЫЙ РЕГУЛИРУЮЩИЙСЯ КЛАПАН СИСТЕМЫ БЛОКИРОВКИ УПРАВЛЕНИЯ (BICS))
БАМПЕРЫ (ЗАДНЯЯ ДВЕРЬ)
КОРПУС КАБИНЫ (ВИНИЛ)
ДВЕРЦА КАБИНЫ (ПРАВОСТОРОННЯЯ ПРИКРЕПЛЯЕТЬСЯ НА ПЕТЛЯХ)
ДВЕРЦА КАБИНЫ (С ЛЕВОЙ СТОРОНЫ КРЕПЛЕНИЕ ПЕТЕЛЬ)
КОРПУС КАБИНЫ (ИСПОЛЬЗОВАНИЕ НЕ ПО НАЗНАЧЕНИЮ) (ПРАВОСТОРОННЯЯ НАВЕСНАЯ ДВЕРЬ)
ОКНА КАБИНЫ
ГЕНЕРАТОР ПОД ТОКОМ (30 AMP. MOTOROLA ИЛИ PRESTOLITE)
НАБОР ПРОТИВОВЕСОВ (ПЕРЕДНИЙ МОСТ)
НАКЛЕЙКИ
КОМПЛЕКТ ЭЛЕКТРИЧЕСКИХ РЕГУЛЯТОРОВ (НАВЕСНОЕ ОБОРУДОВАНИЕ)
КОМПЛЕКТ ДЛЯ УСТАНОВКИ ДВИГАТЕЛЯ (ДЛЯ ИСПОЛЬЗОВАНИЯ В УСЛОВИЯХ ЖЕСТКОЙ ЭКСПЛУАТАЦИИ)
ЕВРОПЕЙСКОЕ ДОПОЛНИТЕЛЬНОЕ ОБОРУДОВАНИЕ
СИГНАЛЬНЫЙ МАЯЧОК
ЕВРОПЕЙСКОЕ ДОПОЛНИТЕЛЬНОЕ ОБОРУДОВАНИЕ (КОМПЛЕКТ КЛЕЩЕВОГО ТОРМОЗА)
ЕВРОПЕЙСКОЕ ДОПОЛНИТЕЛЬНОЕ ОБОРУДОВАНИЕ (ЦИЛИНДР МАЧТЫ - КЛЕЩЕВЫЕ ТОРМОЗА)
ЕВРОПЕЙСКОЕ ДОПОЛНИТЕЛЬНОЕ ОБОРУДОВАНИЕ (ТОРМОЗ В СБОРЕ)
ЕВРОПЕЙСКОЕ ДОПОЛНИТЕЛЬНОЕ ОБОРУДОВАНИЕ (ПРОБЛЕСКОВЫЕ ФАРЫ - 4 СТОРОНЫ)
ЕВРОПЕЙСКОЕ ДОПОЛНИТЕЛЬНОЕ ОБОРУДОВАНИЕ (ФАРЫ)
ЕВРОПЕЙСКОЕ ДОПОЛНИТЕЛЬНОЕ ОБОРУДОВАНИЕ (ФУНКЦИЯ ШУМОПОГЛОЩЕНИЯ)
ОГНЕТУШИТЕЛЬ
ПРОБЛЕСКОВЫЕ ФАРЫ (СЕРИЙНЫЙ НОМЕР 5127 27612 И НИЖЕ)
4-КОМПЛЕКТ ПРОБЛЕСКОВЫХ СИГНАЛОВ (СЕРИЙНЫЙ НОМЕР 5144 11983 И ВЫШЕ)
КОМПЛЕКТ ПЕРЕДНИХ ВСПОМОГАТЕЛЬНЫХ УСТРОЙСТВ (С УПОРОМ СЦЕПКИ) (5148 11080 И НИЖЕ)
КОМПЛЕКТ ПЕРЕДНИХ ВСПОМОГАТЕЛЬНЫХ УСТРОЙСТВ (С СОЕДИНИТЕЛЬНЫМ УСТРОЙСТВОМ С ПЛОСКИМ ТОРЦОМ) (5148 11081 И ВЫШЕ)
КОМПЛЕКТ ПЕРЕДНИХ ВСПОМОГАТЕЛЬНЫХ УСТРОЙСТВ СБРОСА ДАВЛЕНИЯ
КЛАПАН ВЫПУСКА ДАВЛЕНИЯ (ПЕРЕДНИЕ ВСПОМОГАТЕЛЬНЫЕ УСТРОЙСТВА)
КОМПЛЕКТ УСТРОЙСТВА РУЧНОГО УПРАВЛЕНИЯ
КОМПЛЕКТ РУКОЯТОК
КОМПЛЕКТ ОБОГРЕВАТЕЛЕЙ (СВЕЖИЙ ВОЗДУХ)
ОБОГРЕВАТЕЛЬ (СВЕЖИЙ ВОЗДУХ)
КОМПЛЕКТ ТРУБОПРОВОДОВ ОБОГРЕВАТЕЛЯ (СВЕЖИЙ ВОЗДУХ)
КОМПЛЕКТ КЛАКСОНОВ
КОМПЛЕКТ СЧЕТЧИКОВ МОТОЧАСОВ
КОМПЛЕКТ ЗАЩИТНЫХ СЕТОК ОТ НАСЕКОМЫХ
УСТРОЙСТВО ЗАЖИГАНИЯ БЕЗ КЛЮЧА
КОМПЛЕКТ МЕХАНИЗМОВ ПОДЪЕМА (4 ТОЧКИ КРЕПЛЕНИЯ - .75-- ШИРОКИЙ ПОДЪЕМ НА УРОВНЕ ГЛАЗ)
КОМПЛЕКТ МЕХАНИЗМОВ ПОДЪЕМА (4 ТОЧКИ КРЕПЛЕНИЯ - .75 ДЮЙМ ШИРОКИЙ ПОДЪЕМ НА УРОВНЕ ГЛАЗ)
КОМПЛЕКТ МЕХАНИЗМОВ ПОДЪЕМА
КОМПЛЕКТ УСТРОЙСТВ ОСВЕЩЕНИЯ (ФРОНТАЛЬНЫЙ И ЗАДНИЙ)
ГЛУШИТЕЛЬ/ОЧИСТНОЕ УСТРОЙСТВО
КОМПЛЕКТ ДЕТАЛЕЙ ДЛЯ ЖАЛЮЗИ РАДИАТОРА
ВСПОМОГАТЕЛЬНОЕ ОБОРУДОВАНИЕ ЗАДНЕЙ ЧАСТИ (С УПОРОМ СЦЕПКИ)
ВСПОМОГАТЕЛЬНОЕ ОБОРУДОВАНИЕ ЗАДНЕЙ ЧАСТИ (С ТЕХНИЧЕСКИМИ ХАРАКТЕРИСТИКАМИ СНИЖЕНИЯ ДАВЛЕНИЯ И СОЕДИНИТЕЛЬНЫЕ УСТРОЙСТВА С ПЛОСКИМ ТОРЦОМ)
ВСПОМОГАТЕЛЬНЫЙ КЛАПАН ЗАДНЕЙ ЧАСТИ (ДЛЯ ИСПОЛЬЗОВАНИЯ С УПОРОМ СЦЕПКИ)
ВСПОМОГАТЕЛЬНЫЙ КЛАПАН ЗАДНЕЙ ЧАСТИ (ДЛЯ ИСПОЛЬЗОВАНИЯ С СОЕДИНИТЕЛЬНЫМ УСТРОЙСТВОМ С ПЛОСКИМ ТОРЦОМ)
ВСПОМОГАТЕЛЬНОЕ ОБОРУДОВАНИЕ ЗАДНЕЙ ЧАСТИ ВСТРОЕННЫЙ ФИЛЬТР
ЗАМОК ЗАДНЕЙ ДВЕРИ
КОМПЛЕКТ ЗАДНИХ СТЕКЛООЧИСТИТЕЛЕЙ КАБИНЫ
НАБОР ДЛЯ АРЕНДЫ
КОМПЛЕКТ ОПОРЫ СИДЕНЬЯ (НАЖИМНАЯ ПРУЖИНА)
КОМПЛЕКТ ОПОРЫ СИДЕНЬЯ (ПЕРЕДНЕЕ ПОЛОЖЕНИЕ НАЖИМНОЙ ПРУЖИНЫ)
РЕМНИ БЕЗОПАСНОСТИ (3-- ШИРОКИЕ)
ЧЕХЛЫ СИДЕНИЙ (СИДЕНЬЕ С ОТДЕЛКОЙ ИЗ ИСКУССТВЕННОЙ КОЖИ)
КОМПЛЕКТ СИДЕНИЙ (БОКОВОЙ ШАРНИР) (ДЛЯ СТАНДАРТНОГО И СИДЕНЬЯ С ПОДВЕСКОЙ)
КОМПЛЕКТ КРЫШЕК КРЕПЛЕНИЯ САЛАЗОК СИДЕНЬЯ
РЕГУЛИРОВКА СИДЕНЬЯ (МЕХАНИЧЕСКОЕ РУЧНОЕ УПРАВЛЕНИЕ)
РЕГУЛИРОВКА СИДЕНЬЯ (НОЖНЫЕ ПЕДАЛИ)
КОМПЛЕКТ ВКЛЮЧЕНИЯ (НОЖНЫЕ ПЕДАЛИ)
КОМПЛЕКТ ВКЛЮЧЕНИЯ (МЕХАНИЧЕСКОЕ РУЧНОЕ УПРАВЛЕНИЕ)
КОМПЛЕКТ БОКОВОЙ ПАНЕЛИ
КОМПЛЕКТ ДЛЯ ШУМОПОГЛОЩЕНИЯ
КАСКА С ЗАЩИТОЙ ОТ ШУМА
ПОБЛЕСКОВЫЙ МАЯЧОК
СТРОБОСКОПЫ (ЯНТАРНЫЙ - 3414 ALW)
СИДЕНИЕ С ПОДВЕСКОЙ (MILSCO)
СИДЕНЬЕ С ПОДВЕСКОЙ (МИЧИГАН)
СИДЕНЬЕ С ПОДВЕСКОЙ (GRAMMER)
ШИНЫ И ДИСКИ
ШИНЫ И ДИСКИ (СПЛОШНАЯ ШИНА)
ШИНЫ И КОЛЕСНЫЕ ДИСКИ (СПЛОШНАЯ ШИНА - SETCO)
ЯЩИК ДЛЯ ИНСТРУМЕНТОВ
КОМПЛЕКТ ВОДООТДЕЛИТЕЛЯ
КРУПНОГАБАРИТНЫЕ ПРЕДМЕТЫ (СМОТРИТЕ ПРИМЕЧАНИЕ)