88007754294
sales@remzona-parts.ru
Найти
88007754294
sales@remzona-parts.ru
Обратный звонок
Заказать запчасть
0 позиций
0 руб.
Оформить заказ
Вход
Регистрация
Найти
Каталог запасных частей
Bobcat
Шарнирно-сочлененный погрузчик
Навесное оборудование
Экскаватор–погрузчик
Мини-трактор
Мини-экскаватор
Другая техника
Мини-погрузчик
Телескопический погрузчик
Дизельные автомобили
Электрокар
Doosan
Бульдозеры
Экскаваторы
Колесные погрузчики
Погрузчики с бортовым поворотом
Лесотехнические машины
Самосвалы Moxy
Быстросъем
Навесное оборудование
Специальное исполнение
Прочие запчасти (другие)
EP Equipment
Запчасти для ТО
Шины для спецтехники
Гусеницы для спецтехники
Навесное оборудование
Прицепы для перевозки мини-спецтехники
Дополнительное оборудование
Новости
Ремонт и сервис
О проекте
Проект Ремзона
Оптовикам
Поставщикам
Регионам
Отзывы
Акции
Статьи
Контакты
Помощь
Как оформить заказ
Оплата
Доставка
Поиск запасных частей
Возврат деталей
Авторизация
Войти
Забыли пароль?
Регистрация
Обратный звонок
Главная
Каталог запасных частей
Каталог запасных частей Bobcat
Мини-погрузчик
Bobcat 600s
643
501511001 И ВЫШЕ
ЭЛЕКТРИЧЕСКАЯ СИСТЕМА
ЭЛЕКТРИЧЕСКАЯ СИСТЕМА на Bobcat 600s Bobcat643501511001 И ВЫШЕ
Ничего не найдено
ЭЛЕКТРИЧЕСКАЯ СИСТЕМА КАБИНЫ (СЕРИЙНЫЙ НОМЕР 12999 И НИЖЕ)
ЭЛЕКТРИЧЕСКАЯ СИСТЕМА КАБИНЫ (СЕРИЙНЫЙ НОМЕР 13001 ЧЕРЕЗ 19999)
ЭЛЕКТРИЧЕСКАЯ СИСТЕМА КАБИНЫ (СЕРИЙНЫЙ НОМЕР 20001 ЧЕРЕЗ 22555)
ЭЛЕКТРОСХЕМА КАБИНЫ (СЕРИЙНЫЙ НОМЕР 22556 И ВЫШЕ)
ЭЛЕКТРОСХЕМА ДВИГАТЕЛЯ (СЕРИЙНЫЙ НОМЕР 12999 И НИЖЕ)
ЭЛЕКТРОСХЕМА ДВИГАТЕЛЯ (СЕРИЙНЫЙ НОМЕР 13001 ЧЕРЕЗ 25013)
ЭЛЕКТРОСХЕМА ДВИГАТЕЛЯ (СЕРИЙНЫЙ НОМЕР 25014 И ВЫШЕ)
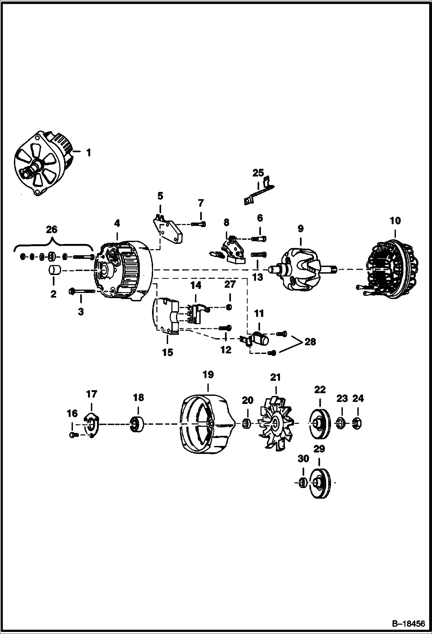
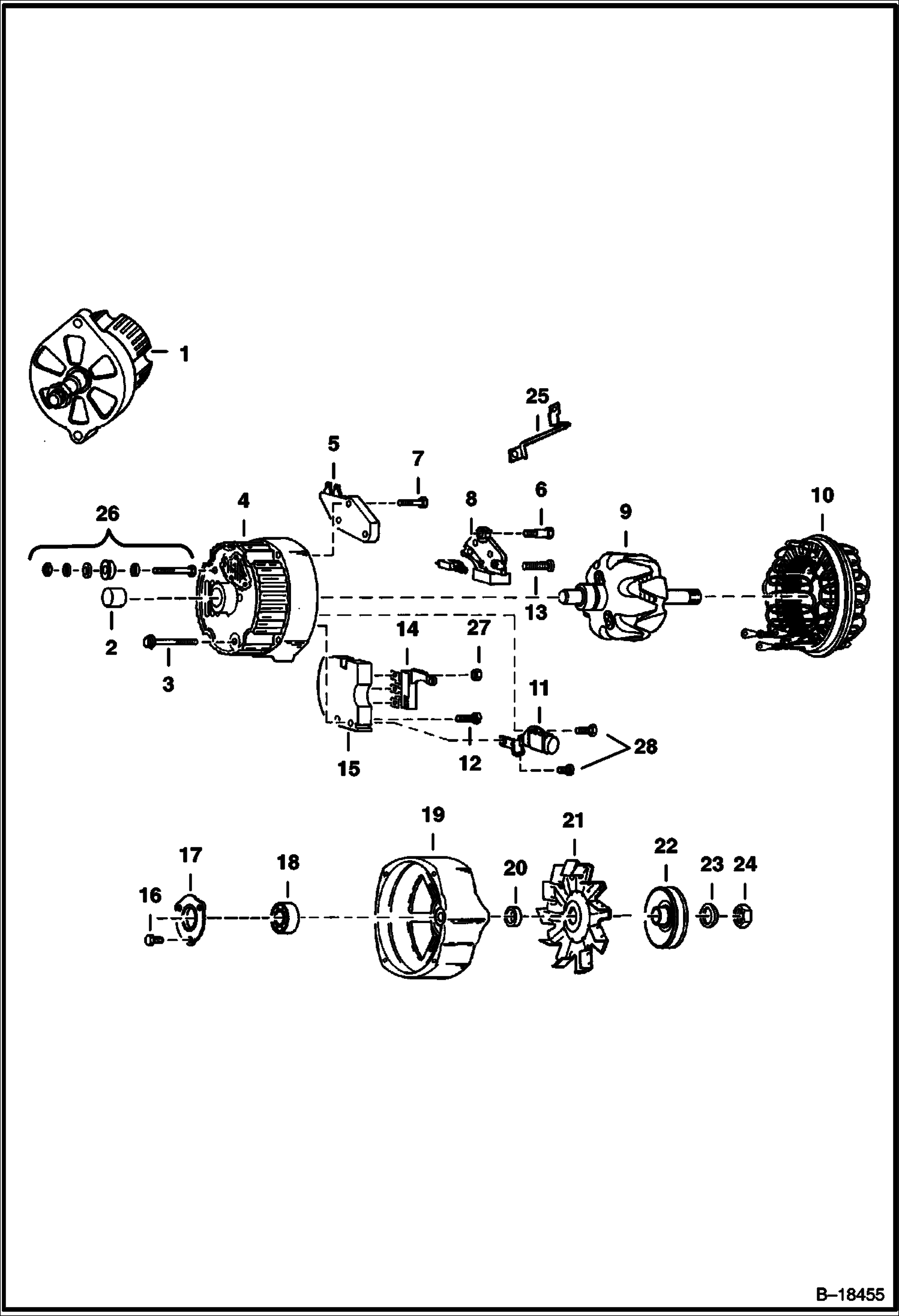
ГЕНЕРАТОР ПЕРЕМЕННОГО ТОКА (DELCO 1103133) (ОТКРЫТЫЙ)
ГЕНЕРАТОР ПЕРЕМЕННОГО ТОКА (DELCO 1105070 ИЛИ 1105422) (ОТКРЫТЫЙ)
ГЕНЕРАТОР ПЕРЕМЕННОГО ТОКА (BOBCAT)
СТАРТЕР
СТАРТЕР (DELCO 1998339 И 1113598)
СТАРТЕР (DELCO 1113273 ИЛИ 10479613)
СТАРТЕР (NIPPONDENSO)
КОМПЛЕКТ СТАРТЕРА (СОВРЕМЕННОЕ ОБОРУДОВАНИЕ ДЛЯ КОМПАНИИ DELCO )