88007754294
sales@remzona-parts.ru
Найти
88007754294
sales@remzona-parts.ru
Обратный звонок
Заказать запчасть
0 позиций
0 руб.
Оформить заказ
Вход
Регистрация
Найти
Каталог запасных частей
Bobcat
Шарнирно-сочлененный погрузчик
Навесное оборудование
Экскаватор–погрузчик
Мини-трактор
Мини-экскаватор
Другая техника
Мини-погрузчик
Телескопический погрузчик
Дизельные автомобили
Электрокар
Doosan
Бульдозеры
Экскаваторы
Колесные погрузчики
Погрузчики с бортовым поворотом
Лесотехнические машины
Самосвалы Moxy
Быстросъем
Навесное оборудование
Специальное исполнение
Прочие запчасти (другие)
EP Equipment
Запчасти для ТО
Шины для спецтехники
Гусеницы для спецтехники
Навесное оборудование
Прицепы для перевозки мини-спецтехники
Дополнительное оборудование
Новости
Ремонт и сервис
О проекте
Проект Ремзона
Оптовикам
Поставщикам
Регионам
Отзывы
Акции
Статьи
Контакты
Помощь
Как оформить заказ
Оплата
Доставка
Поиск запасных частей
Возврат деталей
Авторизация
Войти
Забыли пароль?
Регистрация
Обратный звонок
Главная
Каталог запасных частей
Каталог запасных частей Bobcat
Мини-погрузчик
Bobcat 600s
642
504025001 И ВЫШЕ
АКСЕСCУАРЫ И ОПЦИИ
АКСЕСCУАРЫ И ОПЦИИ на Bobcat 600s Bobcat642504025001 И ВЫШЕ
Ничего не найдено
ВОЗДУХОНЕПРОНИЦАЕМОЕ УПЛОТНЕНИЕ/КОМПЛЕКТ СТЕКОЛ
КОМПЛЕКТ ВСПОМОГАТЕЛЬНОЙ ГИДРАВЛИКИ
КОМПЛЕКТ УПЛОТНЕНИЙ ОСИ
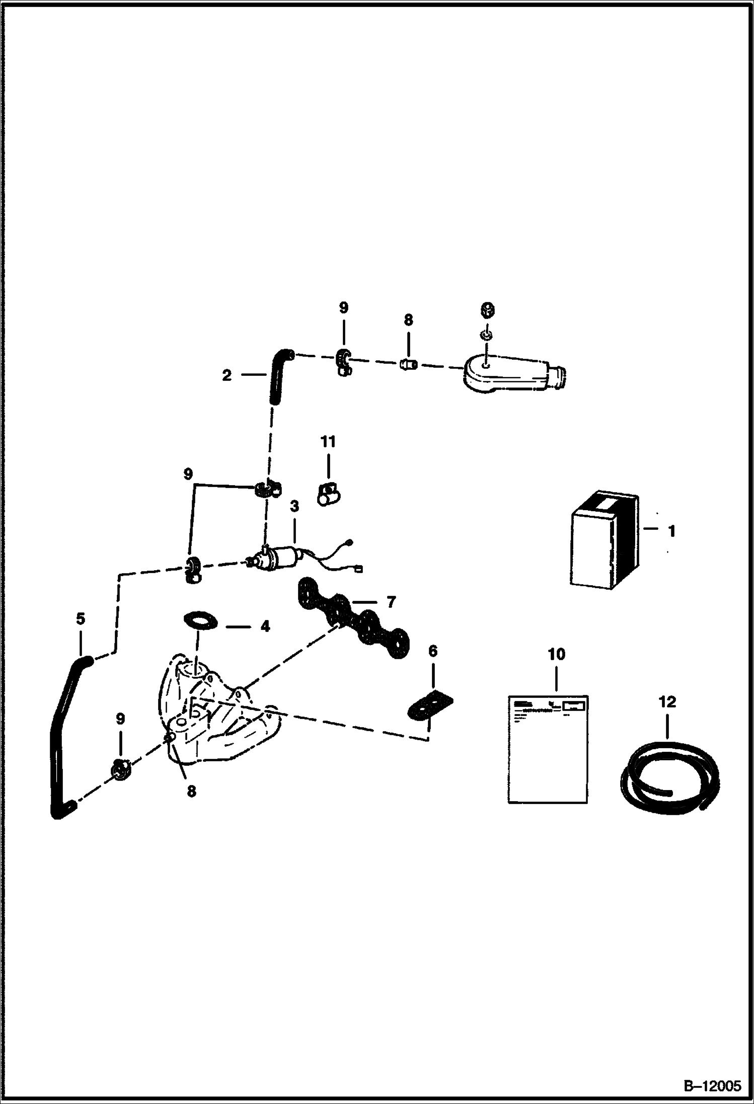
РЕМКОМПЛЕКТ УСТРОЙСТВА, ПРЕПЯТСТВУЮЩЕГО РАБОТЕ ДИЗЕЛЯ (СЕРИЙНЫЙ НОМЕР 27841 И НИЖЕ)
КОМПЛЕКТ СИГНАЛА ЗАДНЕГО ХОДА
BOB-TACH КОМПЛЕКТ МЕХАНИЗМОВ УПРАВЛЕНИЯ
ВЕРХНЯЯ ЧАСТЬ БЛОКА ДВИГАТЕЛЯ
КЛАПАН РЕГУЛИРОВКИ ПОЛОЖЕНИЯ КОВША
КОМПЛЕКСТ КЛАПАНОВ РЕГУЛИРОВКИ ПОЛОЖЕНИЯ КОВША
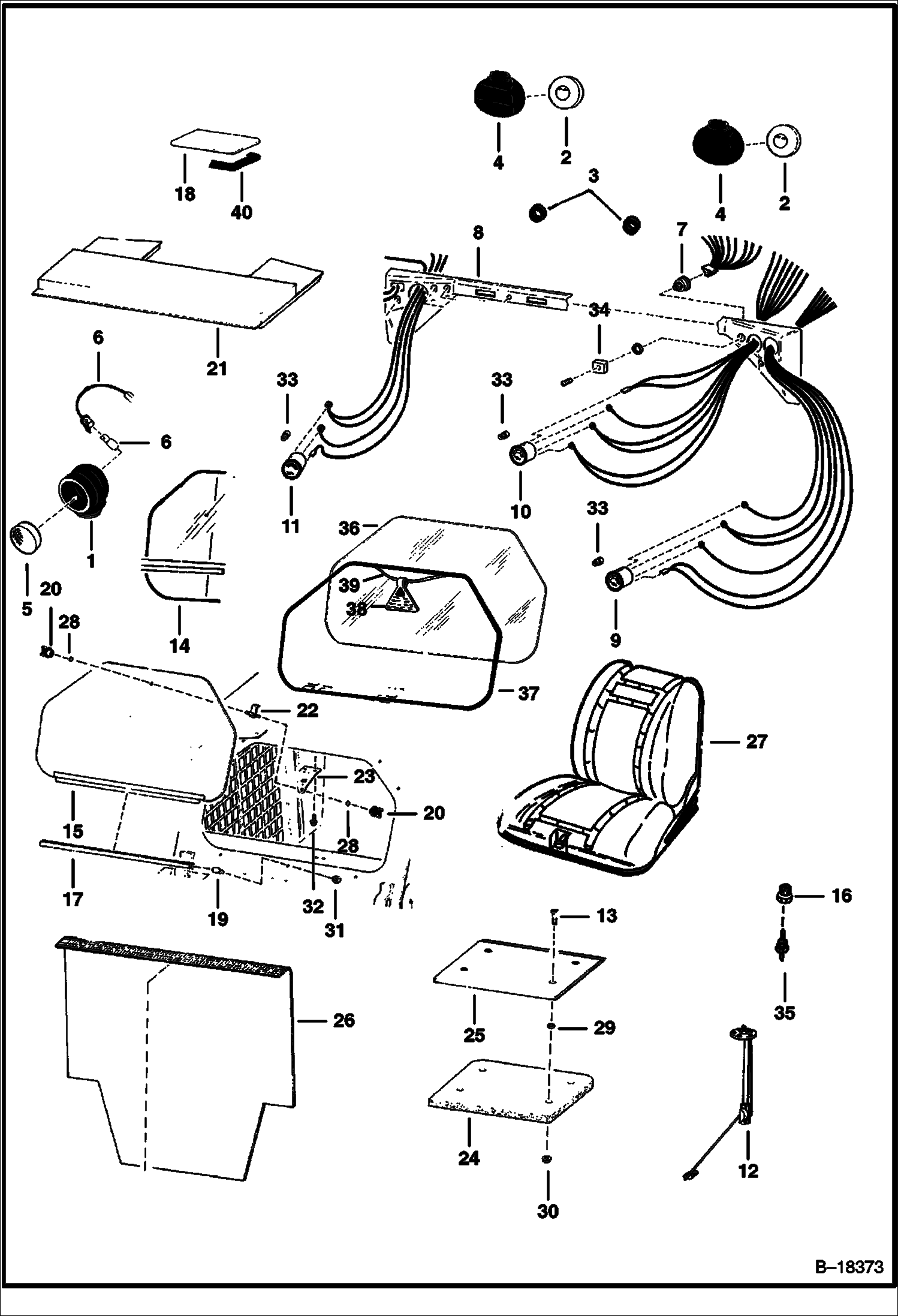
КОРПУС КАБИНЫ (ЧЕХОЛ)
ДВЕРЦА КАБИНЫ (ПРАВОСТОРОННЯЯ ПРИКРЕПЛЯЕТЬСЯ НА ПЕТЛЯХ)
ДВЕРЦА КАБИНЫ (С ЛЕВОЙ СТОРОНЫ КРЕПЛЕНИЕ ПЕТЕЛЬ)
ЗАДНИЕ ОКНА
КОМПЛЕКТ ДЕТАЛЕЙ ЗАДНЕГО СТЕКЛА
КОРПУС КАБИНЫ (СПЕЦИАЛЬНЫЕ ПРИЛОЖЕНИЯ)
ВАРИАНТЫ КАБИНЫ (СТАНДАРТ)
ВАРИАНТЫ КАБИНЫ (DELUXE)
ЭЛЕКТРООБОРУДОВАНИЕ КАБИНЫ (СТАНДАРТ И DELUXE КАБИНА (ОПЦИЯ)) (СЕРИЙНЫЙ НОМЕР 27321 И ВЫШЕ)
ГЕНЕРАТОР ПОД ТОКОМ (30 AMP. MOTOROLA ИЛИ PRESTOLITE)
КОМПЛЕКТ СОРОУДЕРЖИВАЮЩИХ РЕШЕТОК
НАКЛЕЙКИ
ОГНЕТУШИТЕЛЬ
ПРОБЛЕСКОВЫЕ ФАРЫ
КОМПЛЕКТ ШЕСТЕРЕННЫХ НАСОСОВ
КОМПЛЕКТ УСТРОЙСТВА РУЧНОГО УПРАВЛЕНИЯ
КОМПЛЕКТ ОБОГРЕВАТЕЛЕЙ (КРАСНАЯ ТОЧКА ЦЕЛЕУКАЗАТЕЛЯ)
КОПЛЕКТ ОБОГРЕВАТЕЛЯ (PERRIN)
ОБОГРЕВАТЕЛЬ (КРАСНАЯ ТОЧКА ЦЕЛЕУКАЗАТЕЛЯ)
ОБОГРЕВАТЕЛЬ (PERRIN)
КОМПЛЕКТ ТРУБОПРОВОДОВ ОБОГРЕВАТЕЛЯ (КРАСНАЯ ТОЧКА ЦЕЛЕУКАЗАТЕЛЯ)
КОМПЛЕКТ ТРУБОПРОВОДОВ ОБОГРЕВАТЕЛЯ (PERRIN)
КОМПЛЕКТ КЛАКСОНОВ (ВНУТРЕННИЙ И ЕВРОПЕЙСКИЙ)
КОМПЛЕКТ ХОМУТОВ ШЛАНГА (НИЖНИЕ ПОДЪЕМНЫЕ РУКОЯТИ)
УСТРОЙСТВО ЗАЖИГАНИЯ БЕЗ КЛЮЧА
ОСТАНОВ ПОДЪЕМНОЙ РУКОЯТИ
ПРОЖЕКТОРЫ И КОМПЛЕКТ ИЗМЕРИТЕЛЬНЫХ ПРИБОРОВ
ГЛУШИТЕЛЬ/НАБОР ДЕТАЛЕЙ ОЧИСТНОГО УСТРОЙСТВА
НАБОР ДЛЯ АРЕНДЫ (СЕРИЙНЫЙ НОМЕР 20001 И ВЫШЕ)
ОПОРА СИДЕНЬЯ (КОМПЛЕКТ ДЛЯ ПЕРЕСТАНОВКИ ЦИЛИНДРА)
КОМПЛЕКТ ОПОРЫ СИДЕНЬЯ
КОМПЛЕКТ ОПОРЫ СИДЕНЬЯ (НАЖИМНАЯ ПРУЖИНА)
КОМПЛЕКТ ОПОРЫ СИДЕНЬЯ (ПЕРЕДНЕЕ ПОЛОЖЕНИЕ НАЖИМНОЙ ПРУЖИНЫ)
РЕМЕНЬ БЕЗОПАСНОСТИ (3-- ШИРОКИЙ)
ЧЕХЛЫ СИДЕНИЙ (СИДЕНЬЕ С ОТДЕЛКОЙ ИЗ ИСКУССТВЕННОЙ КОЖИ)
ОДНОТОЧЕЧНЫЙ ПОДЪЕМ
ФУНКЦИЯ ШУМОПОГЛОЩЕНИЯ
КАСКА С ЗАЩИТОЙ ОТ ШУМА
КОМПЛЕКТ СТРОБОСКОПОВ (ЯНТАРНЫЙ)
СТРОБОСКОПЫ (ЯНТАРНЫЙ - 3414ALW)
СИДЕНЬЕ С ПОДВЕСКОЙ (GRAMMER)
СИДЕНИЕ С ПОДВЕСКОЙ (MILSCO)
КОМПЛЕКТ ОГРАНИЧИТЕЛЯ НАКЛОНА
ШИНЫ И ДИСКИ
КОМПЛЕКТ ДАТЧИКА УКАЗАТЕЛЯ УРОВНЯ ВОДЫ
КОМПЛЕКТ ДЕТАЛЕЙ РАБОЧЕГО ОСВЕЩЕНИЯ
КРУПНОГАБАРИТНЫЕ ПРЕДМЕТЫ (СМОТРИТЕ ПРИМЕЧАНИЕ)