88007754294
sales@remzona-parts.ru
Найти
88007754294
sales@remzona-parts.ru
Обратный звонок
Заказать запчасть
0 позиций
0 руб.
Оформить заказ
Вход
Регистрация
Найти
Каталог запасных частей
Bobcat
Шарнирно-сочлененный погрузчик
Навесное оборудование
Экскаватор–погрузчик
Мини-трактор
Мини-экскаватор
Другая техника
Мини-погрузчик
Телескопический погрузчик
Дизельные автомобили
Электрокар
Doosan
Бульдозеры
Экскаваторы
Колесные погрузчики
Погрузчики с бортовым поворотом
Лесотехнические машины
Самосвалы Moxy
Быстросъем
Навесное оборудование
Специальное исполнение
Прочие запчасти (другие)
EP Equipment
Запчасти для ТО
Шины для спецтехники
Гусеницы для спецтехники
Навесное оборудование
Прицепы для перевозки мини-спецтехники
Дополнительное оборудование
Новости
Ремонт и сервис
О проекте
Проект Ремзона
Оптовикам
Поставщикам
Регионам
Отзывы
Акции
Статьи
Контакты
Помощь
Как оформить заказ
Оплата
Доставка
Поиск запасных частей
Возврат деталей
Авторизация
Войти
Забыли пароль?
Регистрация
Обратный звонок
Главная
Каталог запасных частей
Каталог запасных частей Bobcat
Мини-погрузчик
Bobcat 600s
631
4977M11001 И ВЫШЕ, 5005M11001 И ВЫШЕ
ЗАПЧАСТИ ДВИГАТЕЛЯ
ЗАПЧАСТИ ДВИГАТЕЛЯ на Bobcat 600s Bobcat6314977M11001 И ВЫШЕ, 5005M11001 И ВЫШЕ
Ничего не найдено
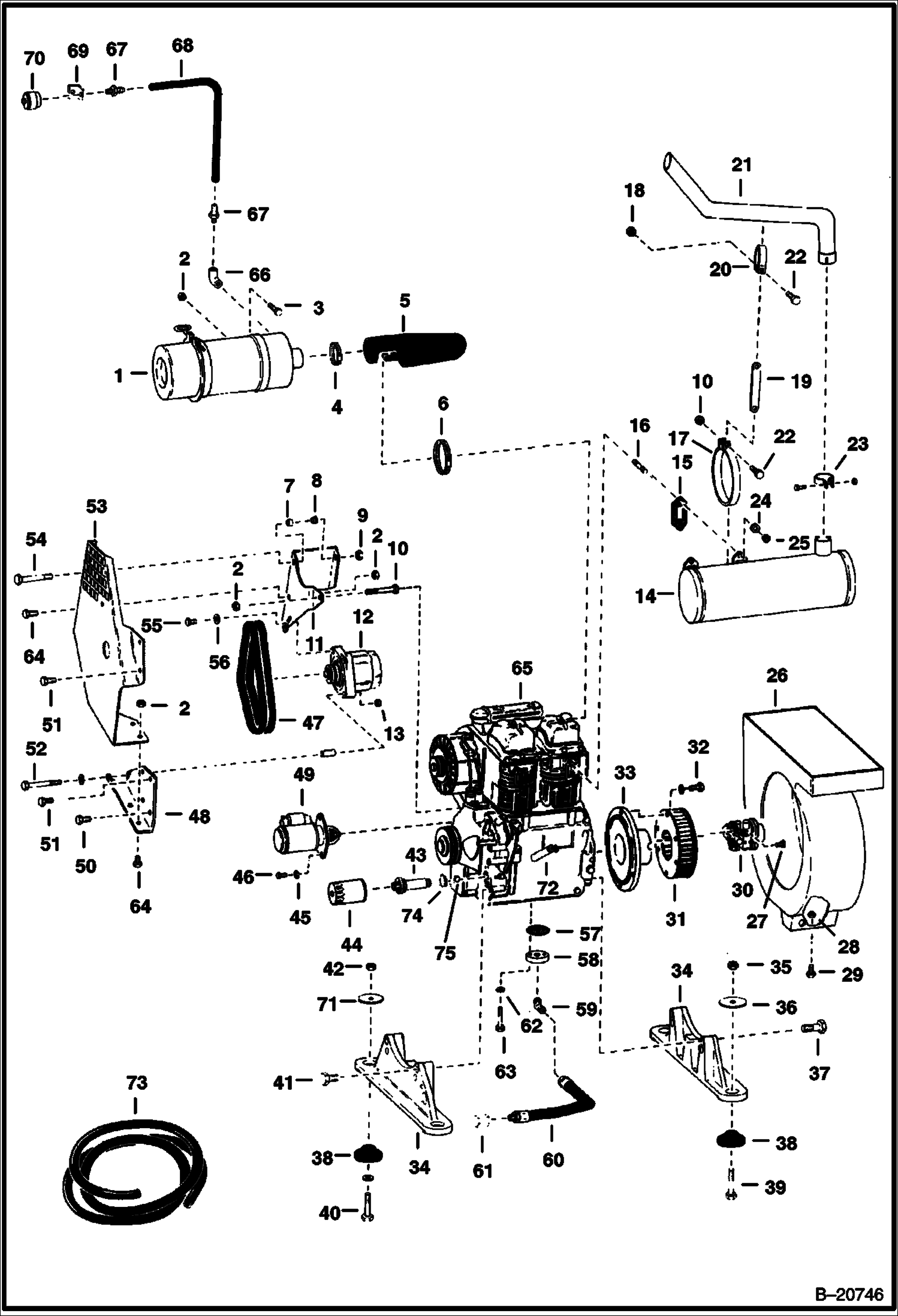
ДВИГАТЕЛЬ И КРЕПЕЖНЫЕ ДЕТАЛИ (DEUTZ 411)
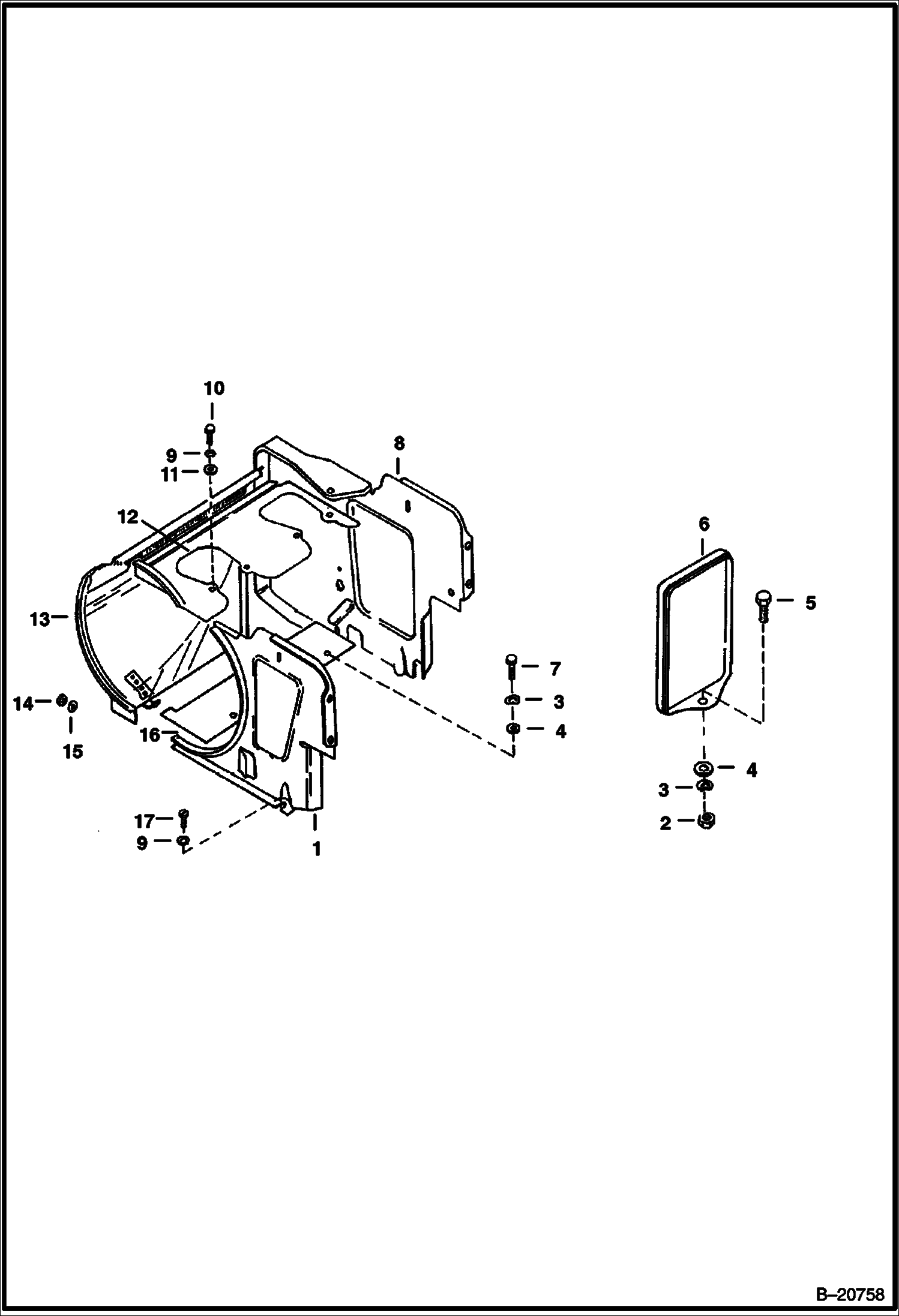
ЗАЩИТНЫЙ КОЖУХ ДВИГАТЕЛЯ (DEUTZ 411)
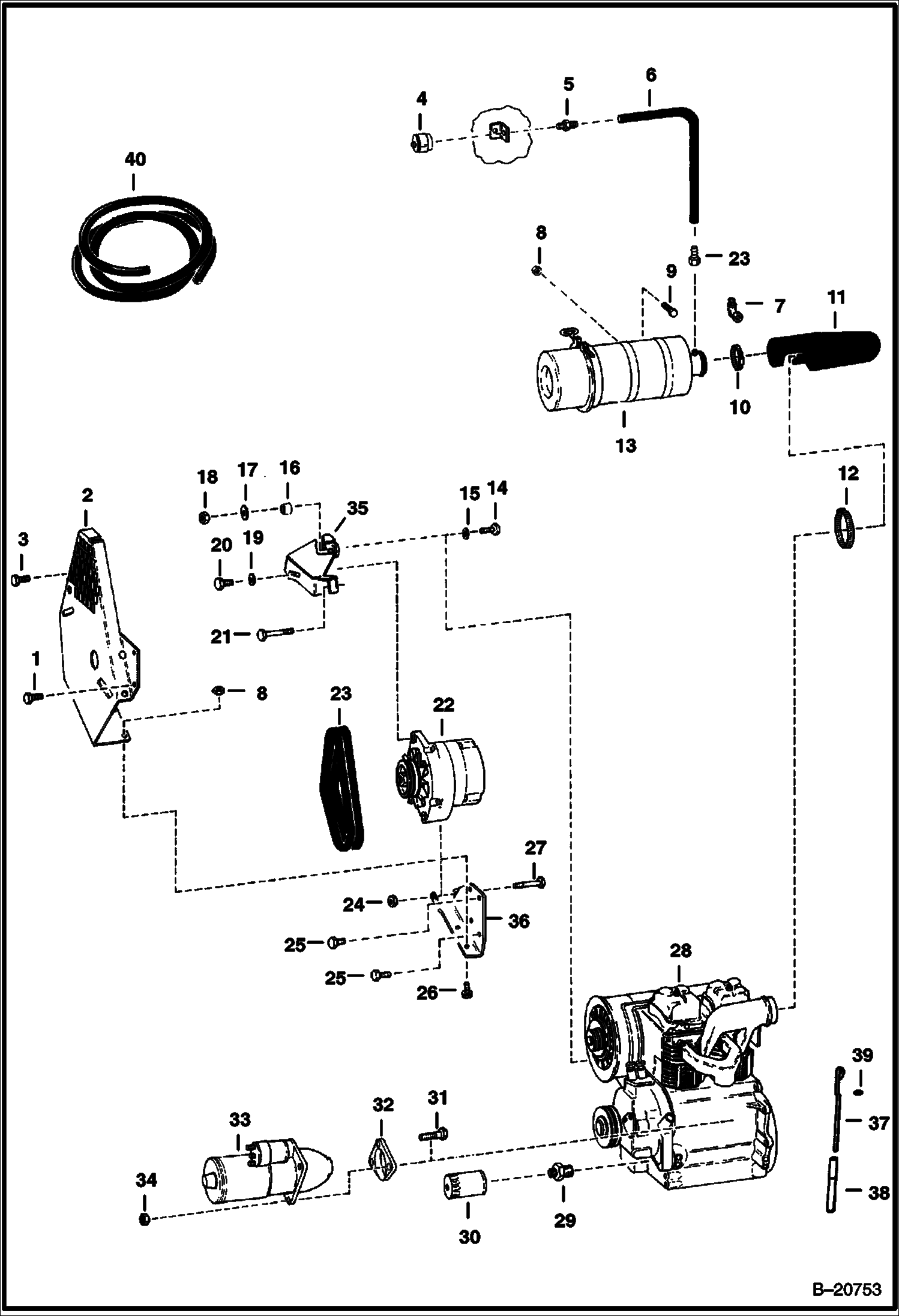
КАРДАННЫЙ ШАРНИР (DEUTZ 411)
ДРОССЕЛЬНАЯ ЗАСЛОНКА (DEUTZ 411)
ДВИГАТЕЛЬ И КОМПЛЕКТ ПРОКЛАДОК (DEUTZ 411)
КОЛЛЕКТОРЫ (DEUTZ 411)
ВОЗДУШНЫЙ КОЖУХ (DEUTZ 411)
ВОЗДУХОДУВКА (DEUTZ 411)
ПЕРЕДНЯЯ КРЫШКА (DEUTZ 411)
РЫЧАГ ДРОССЕЛЬНОЙ ЗАСЛОНКИ И РЕГУЛЯТОРА ОБОРОТОВ (DEUTZ 411)
МАСЛОНАСОС ДВИГАТЕЛЯ (DEUTZ 411)
БЛОК ЦИЛИНДРОВ (DEUTZ 411)
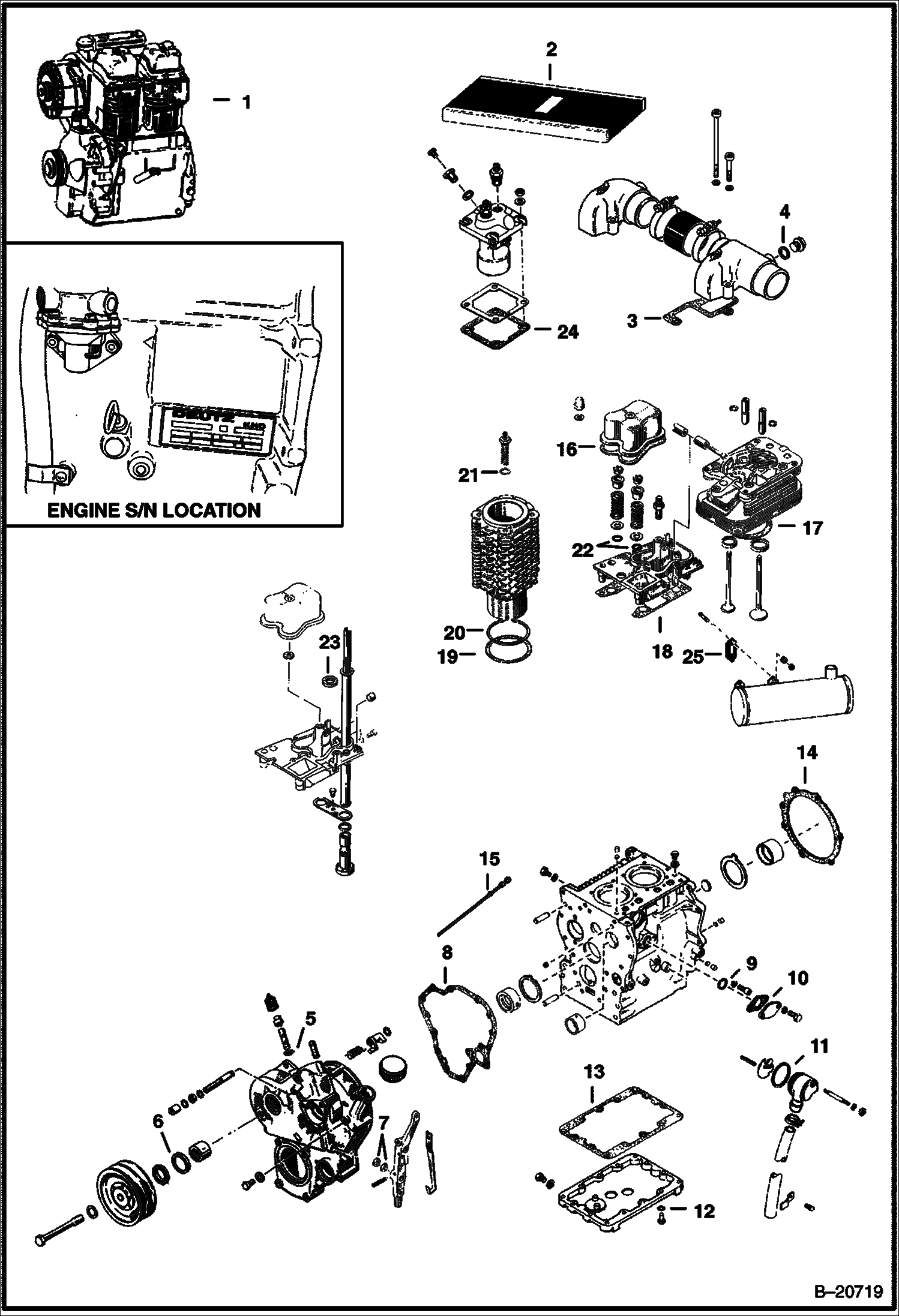
БЛОК ЦИЛИНДРОВ И ГОЛОВКИ (DEUTZ 411)
КОЛЕНЧАТЫЙ ВАЛ, ПОРШЕНЬ И МАХОВИК (DEUTZ 411)
РАСПРЕДЕЛИТЕЛЬНЫЙ ВАЛ И КУЛАЧОК ПОДЪЕМА КЛАПАНА (DEUTZ 411)
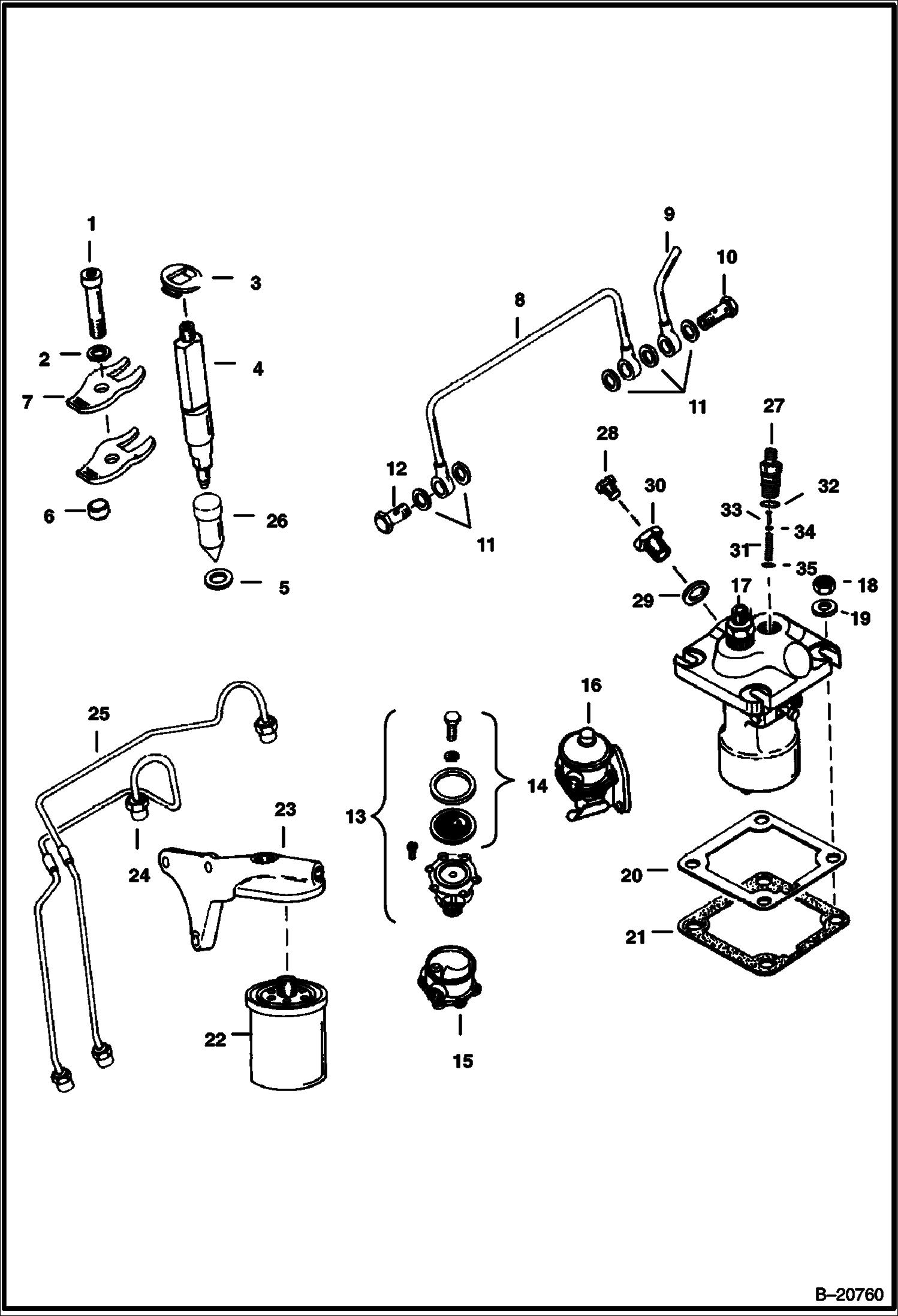
СИСТЕМА ПОДАЧИ ТОПЛИВА (DEUTZ 411)
ВОЗДУХООЧИСТИТЕЛЬ (DEUTZ 411)
ДВИГАТЕЛЬ И КРЕПЕЖНЫЕ ДЕТАЛИ (DEUTZ 511 - СЕРИЙНЫЙ НОМЕР 13999 И НИЖЕ)
ДВИГАТЕЛЬ И КРЕПЕЖНЫЕ ДЕТАЛИ (DEUTZ 511 - СЕРИЙНЫЙ НОМЕР 14001 И ВЫШЕ)
ЗАЩИТНЫЙ КОЖУХ ДВИГАТЕЛЯ (DEUTZ 511 - СЕРИЙНЫЙ НОМЕР 14001 И ВЫШЕ)
ЗАЩИТНЫЙ КОЖУХ ДВИГАТЕЛЯ (DEUTZ 511 - СЕРИЙНЫЙ НОМЕР 13999 И НИЖЕ)
ДРОССЕЛЬНАЯ ЗАСЛОНКА (DEUTZ 511)
КАРДАННЫЙ ШАРНИР (DEUTZ 511)
ДВИГАТЕЛЬ И КОМПЛЕКТ ПРОКЛАДОК (DEUTZ F2L-511)
ПЕРЕДНЯЯ КРЫШКА (DEUTZ 511)
РЫЧАГ ДРОССЕЛЬНОЙ ЗАСЛОНКИ И РЕГУЛЯТОРА ОБОРОТОВ (DEUTZ 511)
ЦИЛИНДР И ГОЛОВКИ (DEUTZ 511)
КОЛЕНЧАТЫЙ ВАЛ, ПОРШЕНЬ И МАХОВИК (DEUTZ 511)
РАСПРЕДЕЛИТЕЛЬНЫЙ ВАЛ, КЛАПАН И ПОДЪЕМНОЕ УСТРОЙСТВО (DEUTZ 511)
БЛОК ЦИЛИНДРОВ (DEUTZ 511)
ВОЗДУШНЫЙ КОЖУХ (DEUTZ 511)
ВОЗДУХОДУВКА (DEUTZ 511)
ВОЗДУХОЗАБОРНЫЙ КОЛЛЕКТОР (DEUTZ 511)
ВЫХЛОПНОЙ ТРУБОПРОВОД ДВИГАТЕЛЯ (DEUTZ 511)
ОХЛАДИТЕЛЬ СМАЗОЧНОГО МАСЛА (DEUTZ 511)
МАСЛОНАСОС ДВИГАТЕЛЯ (DEUTZ 511)
СИСТЕМА ПОДАЧИ ТОПЛИВА (DEUTZ 511)
ВОЗДУХООЧИСТИТЕЛЬ (DEUTZ 511 - ЕДИНЫЙ ЭЛЕМЕНТ)
ВОЗДУХООЧИСТИТЕЛЬ (DEUTZ 511 - ДВА ЭЛЕМЕНТА)
ФИЛЬТР ДЛЯ ТОПЛИВА