88007754294
sales@remzona-parts.ru
Найти
88007754294
sales@remzona-parts.ru
Обратный звонок
Заказать запчасть
0 позиций
0 руб.
Оформить заказ
Вход
Регистрация
Найти
Каталог запасных частей
Bobcat
Шарнирно-сочлененный погрузчик
Навесное оборудование
Экскаватор–погрузчик
Мини-трактор
Мини-экскаватор
Другая техника
Мини-погрузчик
Телескопический погрузчик
Дизельные автомобили
Электрокар
Doosan
Бульдозеры
Экскаваторы
Колесные погрузчики
Погрузчики с бортовым поворотом
Лесотехнические машины
Самосвалы Moxy
Быстросъем
Навесное оборудование
Специальное исполнение
Прочие запчасти (другие)
EP Equipment
Запчасти для ТО
Шины для спецтехники
Гусеницы для спецтехники
Навесное оборудование
Прицепы для перевозки мини-спецтехники
Дополнительное оборудование
Новости
Ремонт и сервис
О проекте
Проект Ремзона
Оптовикам
Поставщикам
Регионам
Отзывы
Акции
Статьи
Контакты
Помощь
Как оформить заказ
Оплата
Доставка
Поиск запасных частей
Возврат деталей
Авторизация
Войти
Забыли пароль?
Регистрация
Обратный звонок
Главная
Каталог запасных частей
Каталог запасных частей Bobcat
Мини-погрузчик
Bobcat 600s
631
4977M11001 И ВЫШЕ, 5005M11001 И ВЫШЕ
ЭЛЕКТРИЧЕСКАЯ СИСТЕМА
ЭЛЕКТРИЧЕСКАЯ СИСТЕМА на Bobcat 600s Bobcat6314977M11001 И ВЫШЕ, 5005M11001 И ВЫШЕ
Ничего не найдено
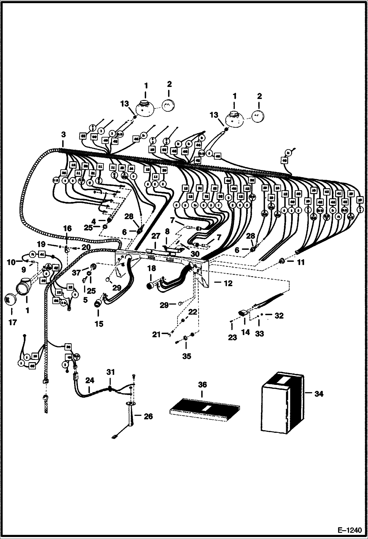
ЭЛЕКТРИЧЕСКАЯ СИСТЕМА КАБИНЫ (СЕРИЙНЫЙ НОМЕР 4997 12999 И НИЖЕ)
ЭЛЕКТРИЧЕСКАЯ СИСТЕМА КАБИНЫ (СЕРИЙНЫЙ НОМЕР 5005 11001 И ВЫШЕ)
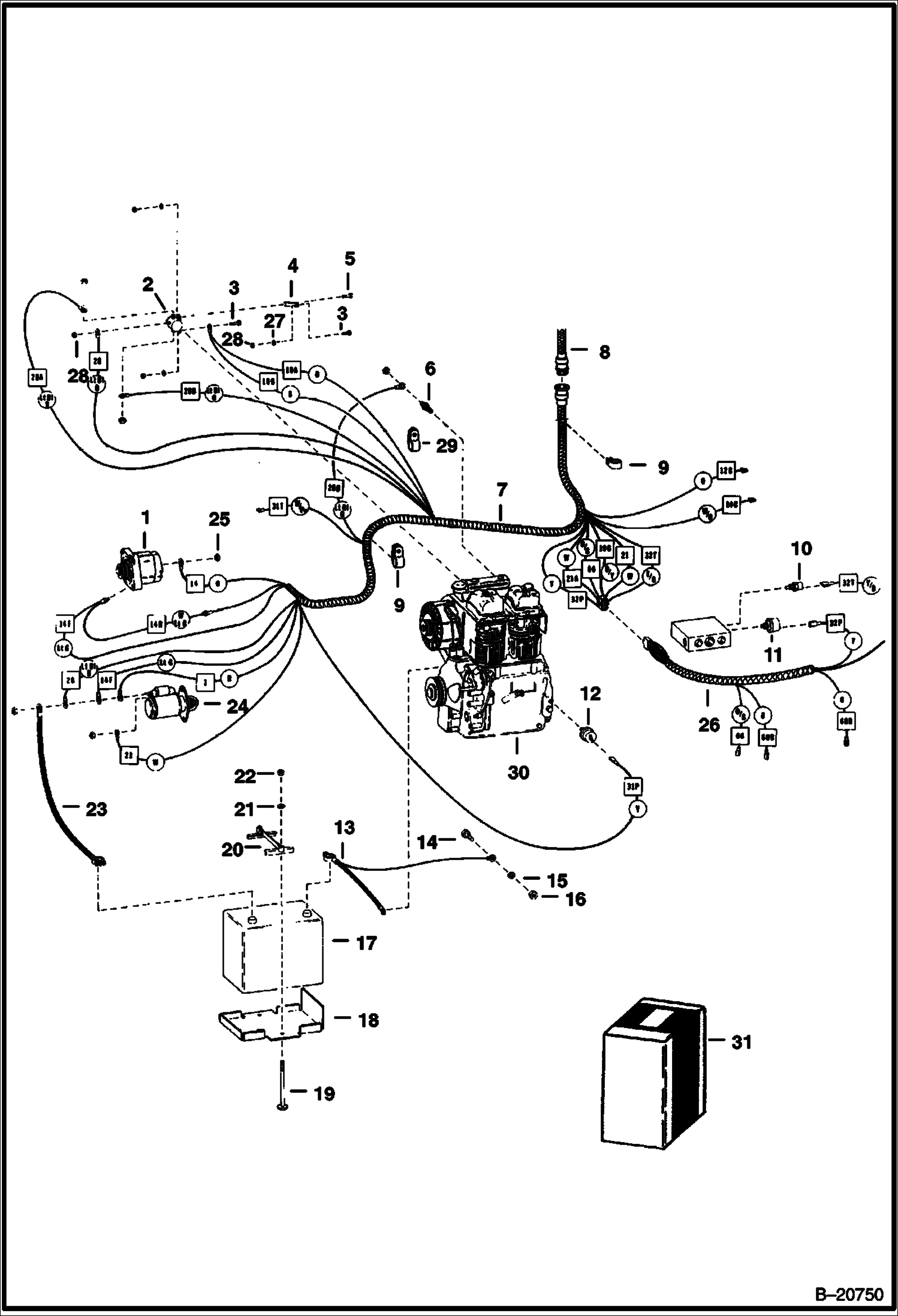
ЭЛЕКТРИЧЕСКАЯ СИСТЕМА ДВИГАТЕЛЯ (СЕРИЙНЫЙ НОМЕР 4997 12999 И НИЖЕ)
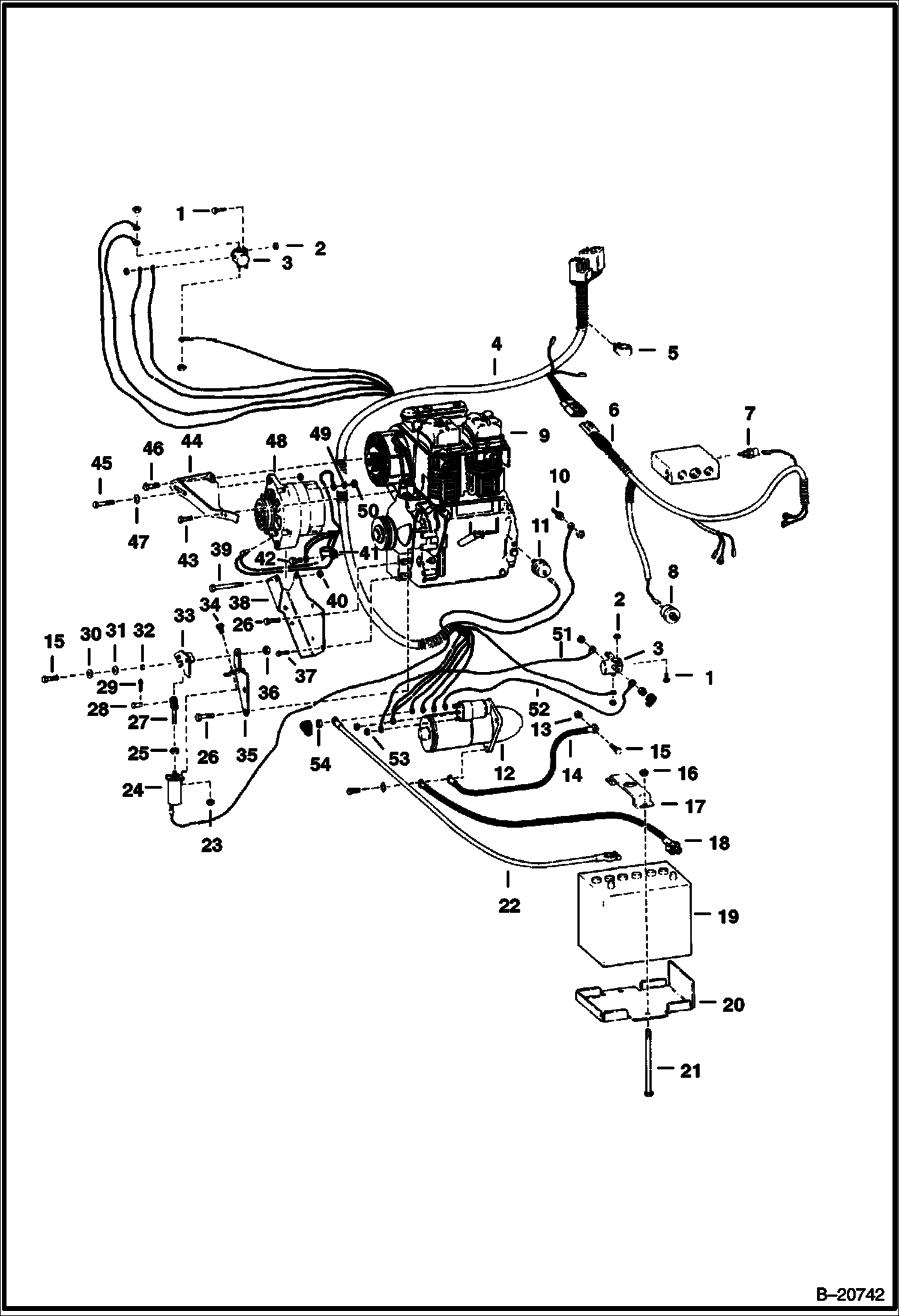
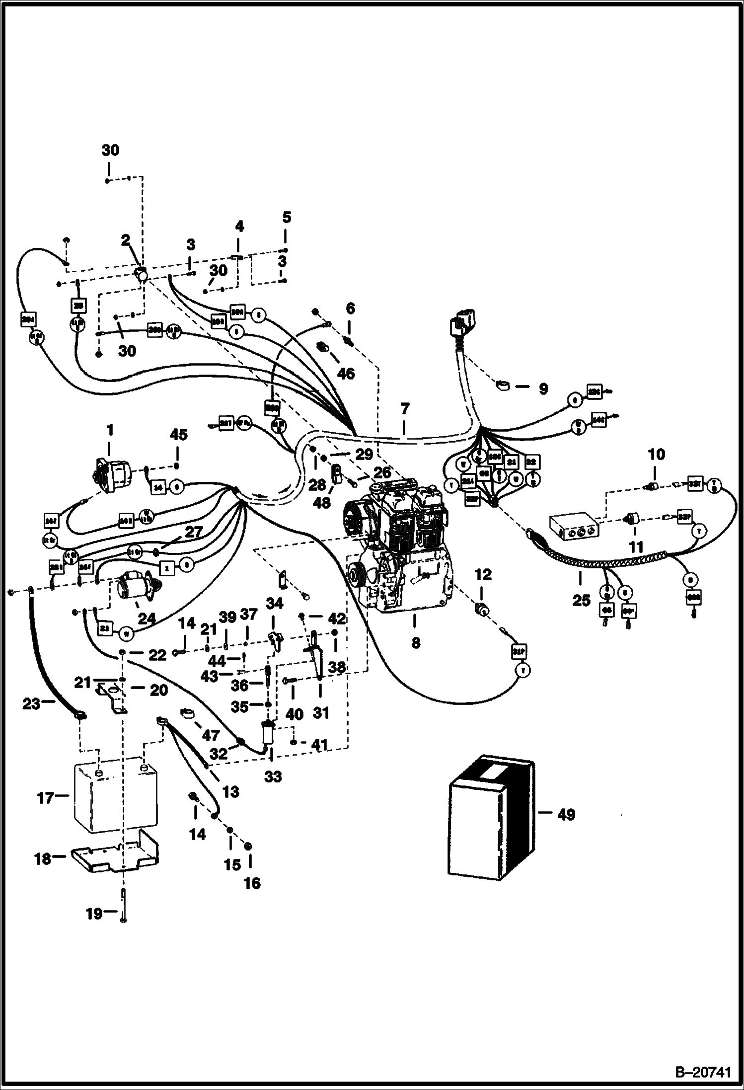
ЭЛЕКТРИЧЕСКАЯ СИСТЕМА ДВИГАТЕЛЯ (СЕРИЙНЫЙ НОМЕР 5005 11001 TO СЕРИЙНЫЙ НОМЕР 5005 13999)
ЭЛЕКТРИЧЕСКАЯ СИСТЕМА ДВИГАТЕЛЯ (СЕРИЙНЫЙ НОМЕР 5005 14001 И ВЫШЕ)
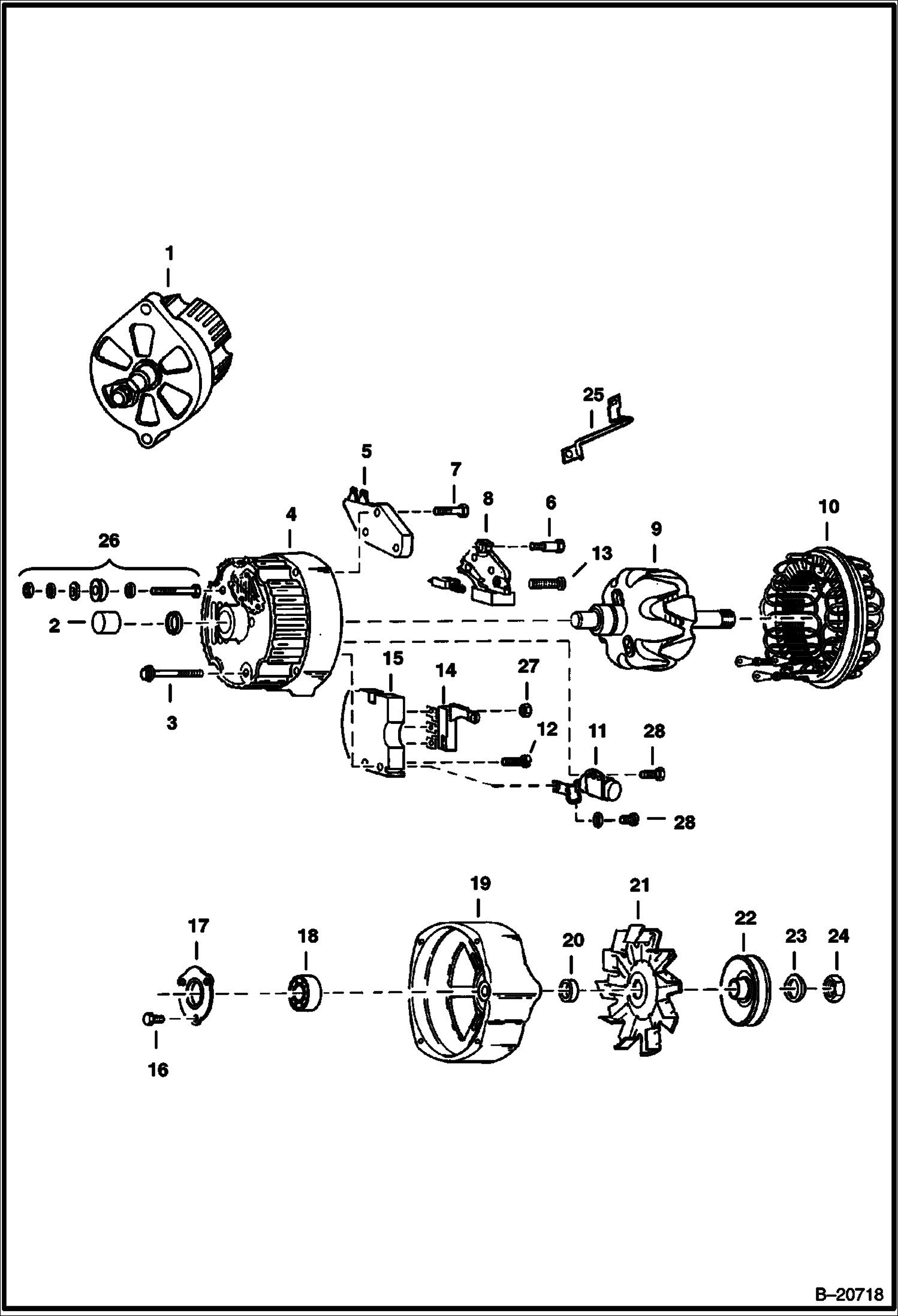
ГЕНЕРАТОР ПЕРЕМЕННОГО ТОКА (ОТКРЫТЫЙ)
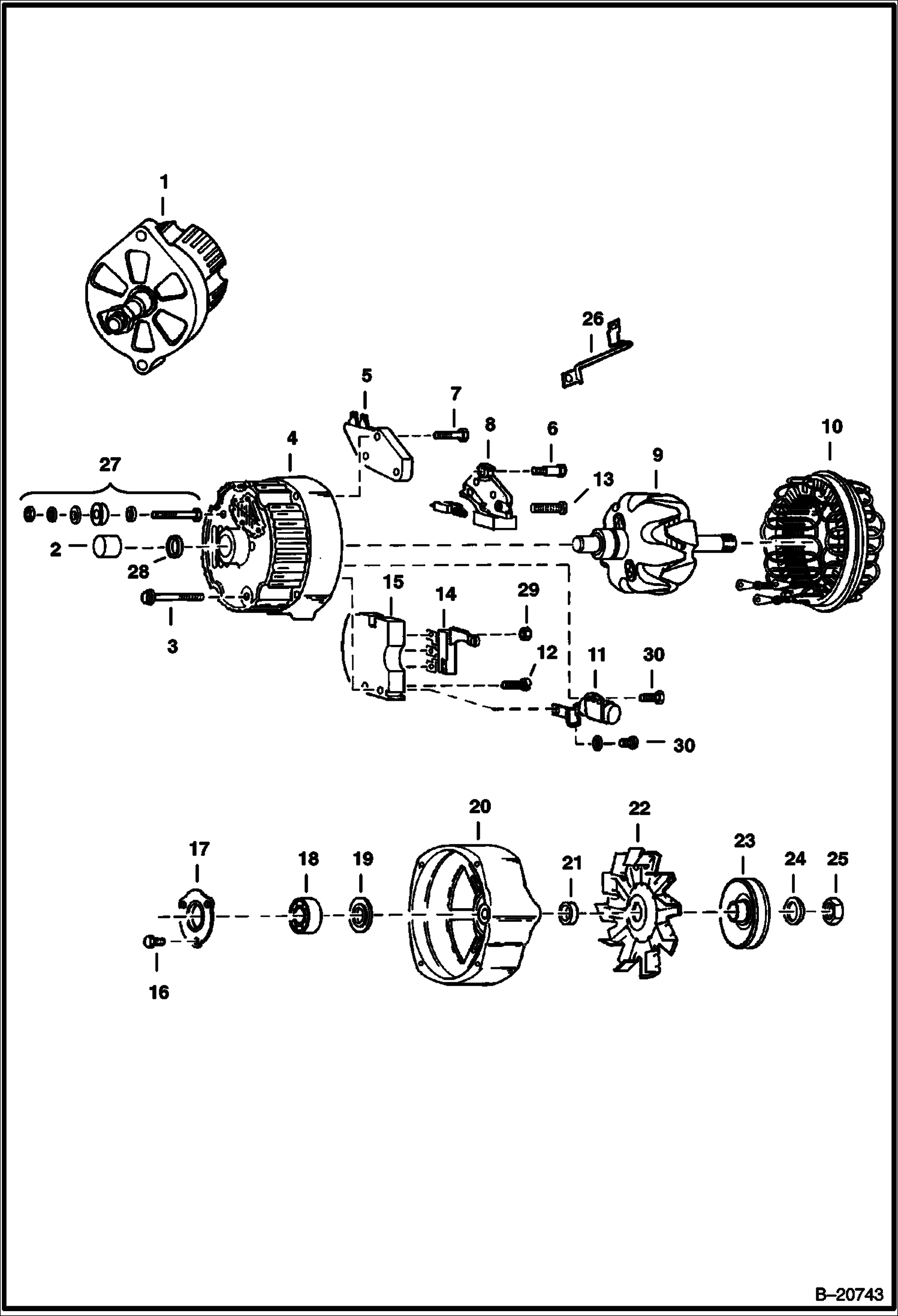
ГЕНЕРАТОР ПЕРЕМЕННОГО ТОКА (DELCO 1105070 ИЛИ 1105422 - ОТКРЫТАЯ)
СТАРТЕР (СЕРИЙНЫЙ НОМЕР 4997 12999 И 5005 13999 И НИЖЕ)
СТАРТЕР (СЕРИЙНЫЙ НОМЕР 5005 14001 И ВЫШЕ)
СТАРТЕР (5005 11001 И ВЫШЕ)
СТАРТЕР (1113285) (5005 11001 И ВЫШЕ)