88007754294
sales@remzona-parts.ru
Найти
88007754294
sales@remzona-parts.ru
Обратный звонок
Заказать запчасть
0 позиций
0 руб.
Оформить заказ
Вход
Регистрация
Найти
Каталог запасных частей
Bobcat
Шарнирно-сочлененный погрузчик
Навесное оборудование
Экскаватор–погрузчик
Мини-трактор
Мини-экскаватор
Другая техника
Мини-погрузчик
Телескопический погрузчик
Дизельные автомобили
Электрокар
Doosan
Бульдозеры
Экскаваторы
Колесные погрузчики
Погрузчики с бортовым поворотом
Лесотехнические машины
Самосвалы Moxy
Быстросъем
Навесное оборудование
Специальное исполнение
Прочие запчасти (другие)
EP Equipment
Запчасти для ТО
Шины для спецтехники
Гусеницы для спецтехники
Навесное оборудование
Прицепы для перевозки мини-спецтехники
Дополнительное оборудование
Новости
Ремонт и сервис
О проекте
Проект Ремзона
Оптовикам
Поставщикам
Регионам
Отзывы
Акции
Статьи
Контакты
Помощь
Как оформить заказ
Оплата
Доставка
Поиск запасных частей
Возврат деталей
Авторизация
Войти
Забыли пароль?
Регистрация
Обратный звонок
Главная
Каталог запасных частей
Каталог запасных частей Bobcat
Мини-погрузчик
Bobcat 600s
611
4960MA11001 И ВЫШЕ, 4967MA11001 И ВЫШЕ
ЗАПЧАСТИ ДВИГАТЕЛЯ
ЗАПЧАСТИ ДВИГАТЕЛЯ на Bobcat 600s Bobcat6114960MA11001 И ВЫШЕ, 4967MA11001 И ВЫШЕ
Ничего не найдено
ДИЗЕЛЬНЫЙ ДВИГАТЕЛЬ DEUTZ F2L411D
ДВИГАТЕЛЬ И КРЕПЕЖНЫЕ ДЕТАЛИ DEUTZ F2L411D
ДРОССЕЛЬНАЯ ЗАСЛОНКА DEUTZ F2L411D
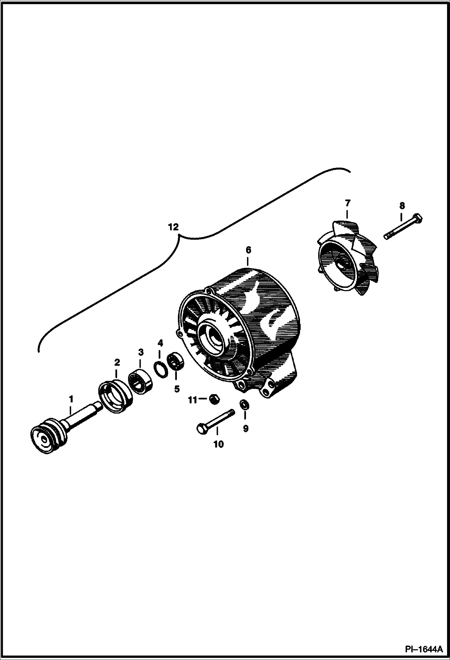
НАТЯЖНОЕ КОЛЕСО DEUTZ F2L411D
ВХОДНОЕ ОТВЕРСТИЕ И ВЫХЛОПНЫЕ ТРУБОПРОВОДЫ ДВИГАТЕЛЯ DEUTZ F2L411D
ВОЗДУХОДУВКА DEUTZ F2L411D
ВОЗДУХООЧИСТИТЕЛЬ DEUTZ F2L411D
ПЕРЕДНЯЯ КРЫШКА DEUTZ F2L411D
РЫЧАГ ДРОССЕЛЬНОЙ ЗАСЛОНКИ И РЕГУЛЯТОРА ОБОРОТОВ DEUTZ F2L411D
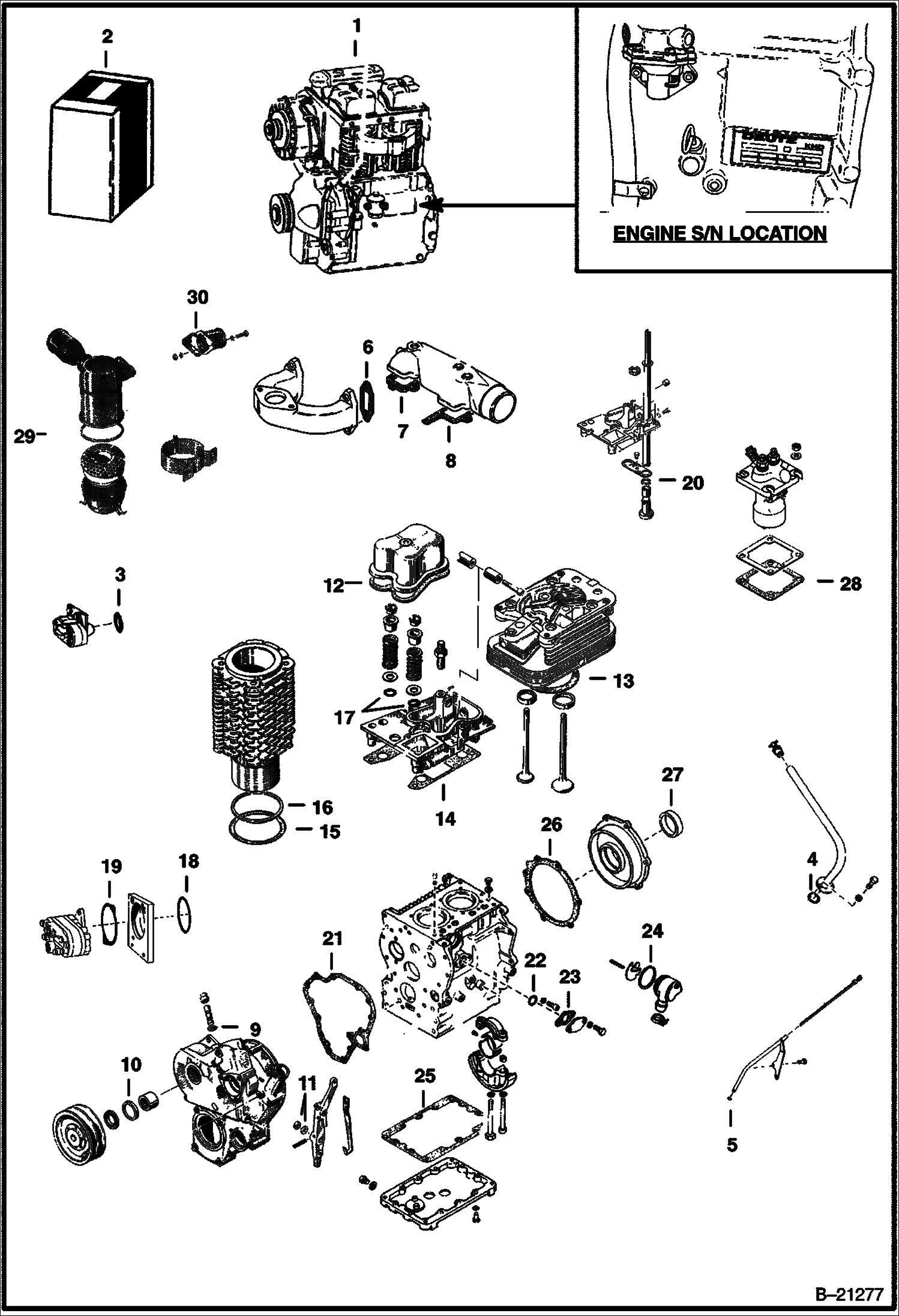
БЛОК ЦИЛИНДРОВ И ГОЛОВКИ DEUTZ F2L411D
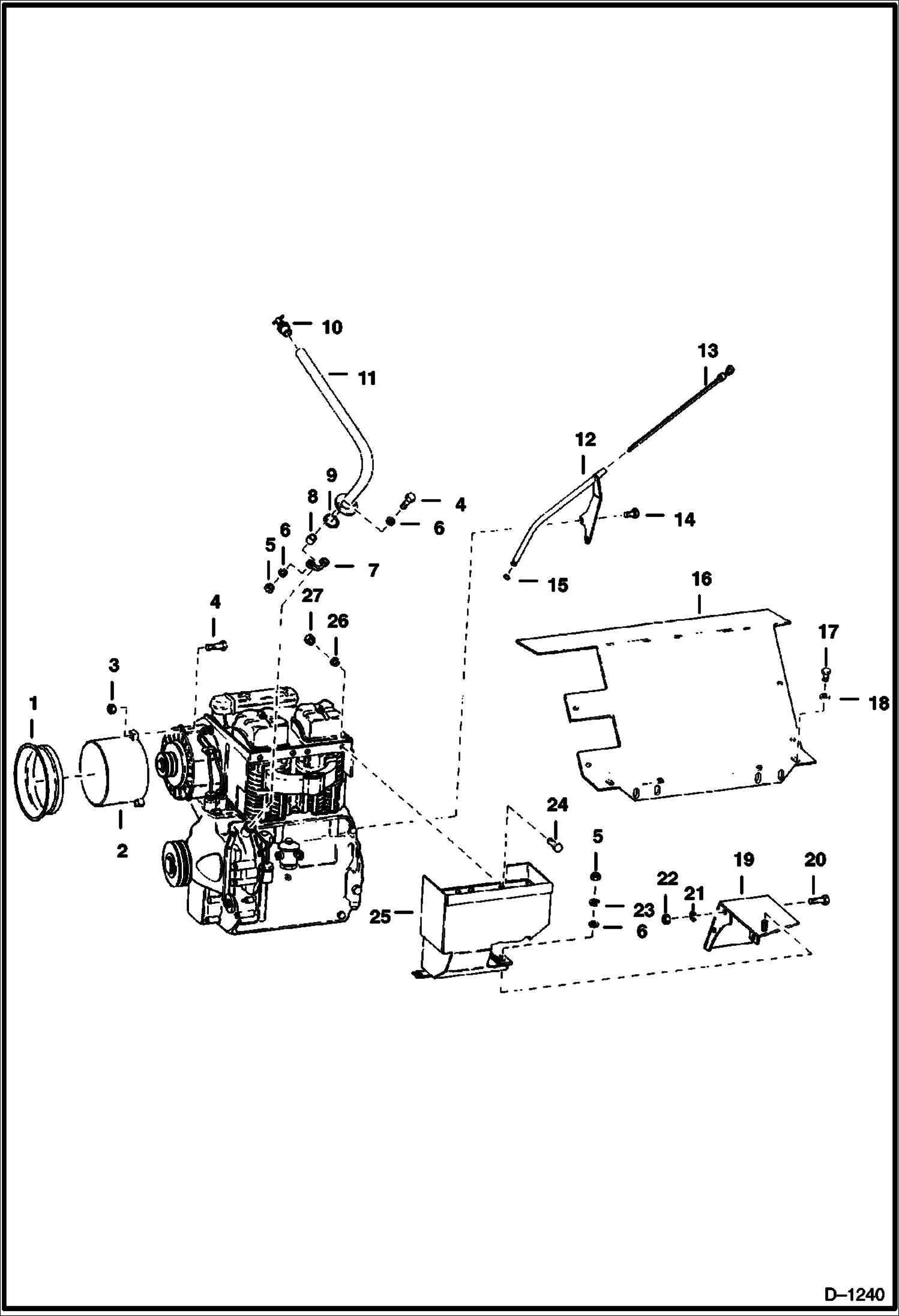
МОНТАЖ ГИДРОПРИВОДНОГО НАСОСА DEUTZ F2L411D
РАСПРЕДЕЛИТЕЛЬНЫЙ ВАЛ И КУЛАЧОК ПОДЪЕМА КЛАПАНА DEUTZ F2L411D
БЛОК ЦИЛИНДРОВ DEUTZ F2L411D
КОЛЕНЧАТЫЙ ВАЛ, ПОРШЕНЬ И МАХОВИК DEUTZ F2L411D
МАСЛЯНЫЙ НАСОС DEUTZ F2L411D
СИСТЕМА ПОДАЧИ ТОПЛИВА DEUTZ F2L411D
ДИЗЕЛЬНЫЙ ДВИГАТЕЛЬ DEUTZ F2L411W
ДВИГАТЕЛЬ И КРЕПЕЖНЫЕ ДЕТАЛИ DEUTZ F2L411W
ДРОССЕЛЬНАЯ ЗАСЛОНКА DEUTZ F2L411W
НАТЯЖНОЕ КОЛЕСО DEUTZ F2L411W
ВХОДНОЕ ОТВЕРСТИЕ И ВЫХЛОПНЫЕ ТРУБОПРОВОДЫ ДВИГАТЕЛЯ DEUTZ F2L411W
ВОЗДУХОДУВКА DEUTZ F2L411W
ЗАЩИТНЫЙ КОЖУХ ДВИГАТЕЛЯ DEUTZ F2L411W
ПЕРЕДНЯЯ КРЫШКА DEUTZ F2L411W
РЫЧАГ ДРОССЕЛЬНОЙ ЗАСЛОНКИ И РЕГУЛЯТОРА ОБОРОТОВ DEUTZ F2L411W
БЛОК ЦИЛИНДРОВ И ГОЛОВКИ DEUTZ F2L411W
МОНТАЖ ГИДРОПРИВОДНОГО НАСОСА DEUTZ F2L411W
РАСПРЕДЕЛИТЕЛЬНЫЙ ВАЛ И КУЛАЧОК ПОДЪЕМА КЛАПАНА DEUTZ F2L411W
БЛОК ЦИЛИНДРОВ DEUTZ F2L411W
КОЛЕНЧАТЫЙ ВАЛ, ПОРШЕНЬ И МАХОВИК DEUTZ F2L411W
МАСЛОНАСОС ДВИГАТЕЛЯ
СИСТЕМА ПОДАЧИ ТОПЛИВА DEUTZ F2L411W
ГЛУШИТЕЛЬ-ОЧИСТИТЕЛЬ DEUTZ F2L411W
ВОЗДУХООЧИСТИТЕЛЬ DEUTZ F2L411W