88007754294
sales@remzona-parts.ru
Найти
88007754294
sales@remzona-parts.ru
Обратный звонок
Заказать запчасть
0 позиций
0 руб.
Оформить заказ
Вход
Регистрация
Найти
Каталог запасных частей
Bobcat
Шарнирно-сочлененный погрузчик
Навесное оборудование
Экскаватор–погрузчик
Мини-трактор
Мини-экскаватор
Другая техника
Мини-погрузчик
Телескопический погрузчик
Дизельные автомобили
Электрокар
Doosan
Бульдозеры
Экскаваторы
Колесные погрузчики
Погрузчики с бортовым поворотом
Лесотехнические машины
Самосвалы Moxy
Быстросъем
Навесное оборудование
Специальное исполнение
Прочие запчасти (другие)
EP Equipment
Запчасти для ТО
Шины для спецтехники
Гусеницы для спецтехники
Навесное оборудование
Прицепы для перевозки мини-спецтехники
Дополнительное оборудование
Новости
Ремонт и сервис
О проекте
Проект Ремзона
Оптовикам
Поставщикам
Регионам
Отзывы
Акции
Статьи
Контакты
Помощь
Как оформить заказ
Оплата
Доставка
Поиск запасных частей
Возврат деталей
Авторизация
Войти
Забыли пароль?
Регистрация
Обратный звонок
Главная
Каталог запасных частей
Каталог запасных частей Bobcat
Мини-погрузчик
Bobcat 600s
610
4956M11001 И ВЫШЕ, 4989M11001 И ВЫШЕ
ЗАПЧАСТИ ДВИГАТЕЛЯ
ЗАПЧАСТИ ДВИГАТЕЛЯ на Bobcat 600s Bobcat6104956M11001 И ВЫШЕ, 4989M11001 И ВЫШЕ
Ничего не найдено
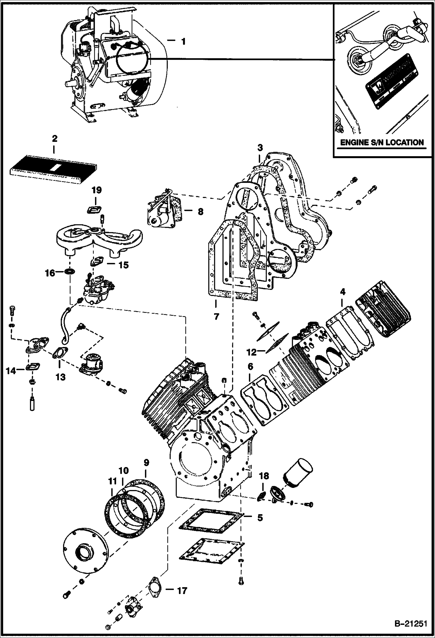
WISCONSIN ДВИГАТЕЛЬ
ДРОССЕЛЬНАЯ ЗАСЛОНКА СЕРИЙНЫЙ НОМЕР 17334 И ВЫШЕ
ДРОССЕЛЬНАЯ ЗАСЛОНКА И ВОЗДУШНАЯ ЗАСЛОНКА МЕХАНИЗМА УПРАВЛЕНИЯ
МЕХАНИЗМ УПРАВЛЕНИЯ ДРОССЕЛЬНОЙ ЗАСЛОНКОЙ
WISCONSIN ДВИГАТЕЛЬ И КРЕПЕЖНЫЕ ДЕТАЛИ
ЗАЩИТНЫЙ КОЖУХ ДВИГАТЕЛЯ
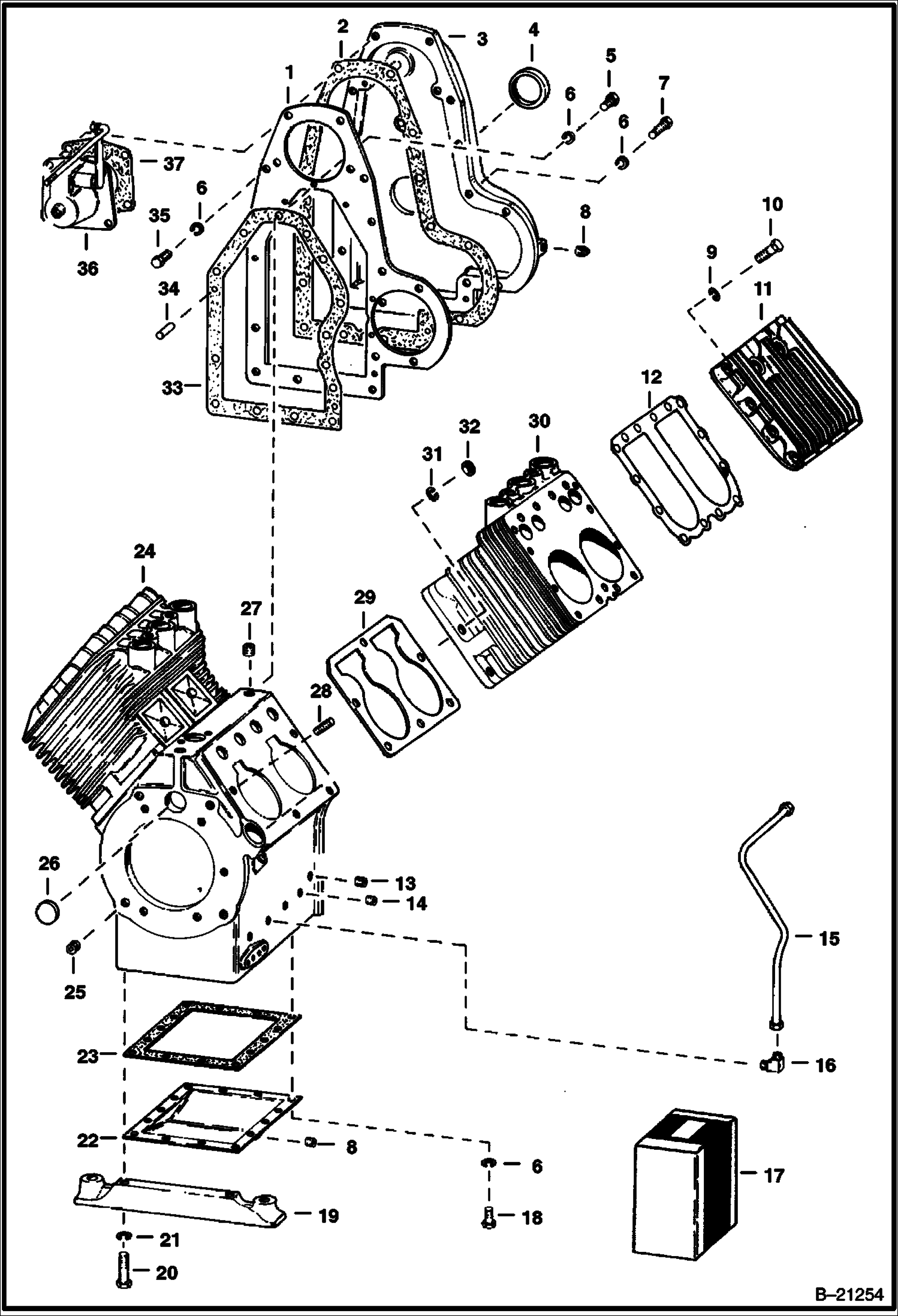
КРИВОШИПНАЯ КОРОБКА И КРЫШКА КОРОБКИ ПЕРЕДАЧ
ВНУТРЕННИЙ ДВИГАТЕЛЬ В СБОРЕ
НАСОС И ПОДШИПНИК
ЦИЛИНДР И КЛАПАНЫ
РЕГУЛЯТОРА ОБОРОТОВ И УСТРОЙСТВО УПРАВЛЕНИЯ
СИСТЕМА ПОДАЧИ ТОПЛИВА И ВЫХЛОПНОЙ УЗЕЛ
КАРБЮРАТОР ZENITH NO.13405
ВОЗДУШНЫЙ ФИЛЬТР
ФИЛЬТР ДЛЯ ТОПЛИВА
КАТУШКА ЗАЖИГАНИЯ, КАБЕЛИ И ПРИВОД РАСПРЕДЕЛИТЕЛЬНОГО УСТРОЙСТВА
РАСПРЕДЕЛИТЕЛЬНОЕ УСТРОЙСТВО (PRESTOLITE IAD-6004-2P) - (ДВИГАТЕЛЬ СЕРИЙНЫЙ НОМЕР 6164220 И НИЖЕ)
РАСПРЕДЕЛИТЕЛЬНОЕ УСТРОЙСТВО (COLT) (ДВИГАТЕЛЬ СЕРИЙНЫЙ НОМЕР 6164221 И ВЫШЕ)
РАСПРЕДЕЛИТЕЛЬНОЕ УСТРОЙСТВО ПОВЫШЕННОЙ НАДЕЖНОСТИ - ДВИГАТЕЛЬ СЕРИЙНЫЙ НОМЕР 6193828 И ВЫШЕ
МАСЛОНАСОС ДВИГАТЕЛЯ
МАСЛЯНЫЙ ФИЛЬТР ДВИГАТЕЛЯ
МАСЛО ДЛЯ ДВИГАТЕЛЯ