88007754294
sales@remzona-parts.ru
Найти
88007754294
sales@remzona-parts.ru
Обратный звонок
Заказать запчасть
0 позиций
0 руб.
Оформить заказ
Вход
Регистрация
Найти
Каталог запасных частей
Bobcat
Шарнирно-сочлененный погрузчик
Навесное оборудование
Экскаватор–погрузчик
Мини-трактор
Мини-экскаватор
Другая техника
Мини-погрузчик
Телескопический погрузчик
Дизельные автомобили
Электрокар
Doosan
Бульдозеры
Экскаваторы
Колесные погрузчики
Погрузчики с бортовым поворотом
Лесотехнические машины
Самосвалы Moxy
Быстросъем
Навесное оборудование
Специальное исполнение
Прочие запчасти (другие)
EP Equipment
Запчасти для ТО
Шины для спецтехники
Гусеницы для спецтехники
Навесное оборудование
Прицепы для перевозки мини-спецтехники
Дополнительное оборудование
Новости
Ремонт и сервис
О проекте
Проект Ремзона
Оптовикам
Поставщикам
Регионам
Отзывы
Акции
Статьи
Контакты
Помощь
Как оформить заказ
Оплата
Доставка
Поиск запасных частей
Возврат деталей
Авторизация
Войти
Забыли пароль?
Регистрация
Обратный звонок
Главная
Каталог запасных частей
Каталог запасных частей Bobcat
Мини-погрузчик
Bobcat 600s
610
4956M11001 И ВЫШЕ, 4989M11001 И ВЫШЕ
ГИДРАВЛИЧЕСКАЯ СИСТЕМА
ГИДРАВЛИЧЕСКАЯ СИСТЕМА на Bobcat 600s Bobcat6104956M11001 И ВЫШЕ, 4989M11001 И ВЫШЕ
Ничего не найдено
ПЕДАЛИ ГИДРАВЛИЧЕСКОЙ СИСТЕМЫ УПРАВЛЕНИЯ
РЫЧАГ УПРАВЛЕНИЯ ВАРИАТОРА СКОРОСТИ
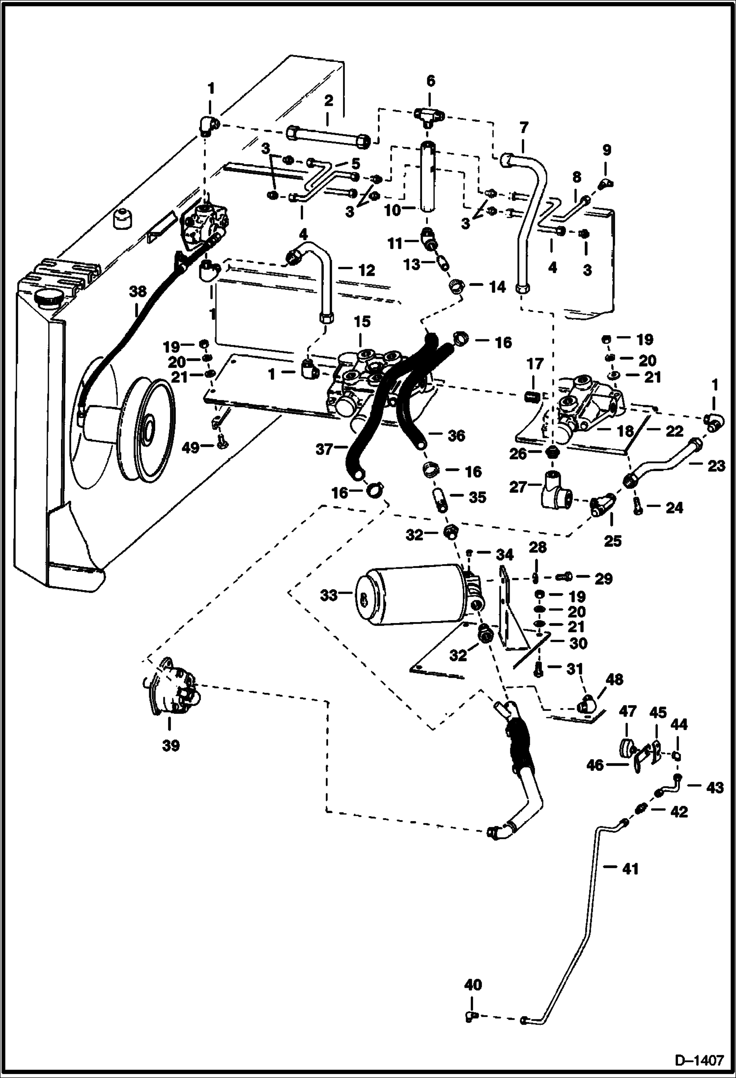
СХЕМА ГИДРАВЛИЧЕСКОЙ СИСТЕМЫ
МАСЛЯНЫЙ ФИЛЬТР ГИДРАВЛИЧЕСКОЙ СИСТЕМЫ
СХЕМА ГИДРОПРИВОДНОГО НАСОСА
ГИДРОПРИВОДНОЙ НАСОС CESSNA NO. 15510-OEBA И NO. 24305-RAE
ГИДРОПРИВОДНОЙ НАСОС PARKER H39AD2G
ГИДРОЦИЛИНДР ПОДЪЕМА И ВСПОМОГАТЕЛЬНЫЙ КЛАПАН
КЛАПАН ЦИЛИНДРА НАКЛОНА
ГЛАВНЫЙ РЕДУКЦИОННЫЙ КЛАПАН
ПРЕДОХРАНИТЕЛЬНЫЙ КЛАПАН ДАВЛЕНИЯ ФРИКЦИОНА
КОНТУР ГИДРОЦИЛИНДРА ПОДЪЕМА
КОНТУР ЦИЛИНДРА НАКЛОНА
ВСПОМОГАТЕЛЬНЫЕ ЛИНИИ РАМЫ ШАССИ
ЦИЛИНДР ПОДЪЕМА
ЦИЛИНДР НАКЛОНА
КОНТУР ЧАСТОТНОГО ПРЕОБРАЗОВАТЕЛЯ СКОРОСТИ
КЛАПАН ЧАСТОТНОГО ПРЕОБРАЗОВАТЕЛЯ СКОРОСТИ С ТЕПЛОВОЙ РАЗГРУЗКОЙ
КЛАПАН ЧАСТОТНОГО ПРЕОБРАЗОВАТЕЛЯ СКОРОСТИ БУДЕТ ИСПОЛЬЗОВАТЬСЯ С 6702641 КОМПЛЕКТОМ ТОЛЬКО
НАПРАВЛЯЮЩИЙ РОЛИК ЧАСТОТНОГО ПРЕОБРАЗОВАТЕЛЯ СКОРОСТИ