88007754294
sales@remzona-parts.ru
Найти
88007754294
sales@remzona-parts.ru
Обратный звонок
Заказать запчасть
0 позиций
0 руб.
Оформить заказ
Вход
Регистрация
Найти
Каталог запасных частей
Bobcat
Шарнирно-сочлененный погрузчик
Навесное оборудование
Экскаватор–погрузчик
Мини-трактор
Мини-экскаватор
Другая техника
Мини-погрузчик
Телескопический погрузчик
Дизельные автомобили
Электрокар
Doosan
Бульдозеры
Экскаваторы
Колесные погрузчики
Погрузчики с бортовым поворотом
Лесотехнические машины
Самосвалы Moxy
Быстросъем
Навесное оборудование
Специальное исполнение
Прочие запчасти (другие)
EP Equipment
Запчасти для ТО
Шины для спецтехники
Гусеницы для спецтехники
Навесное оборудование
Прицепы для перевозки мини-спецтехники
Дополнительное оборудование
Новости
Ремонт и сервис
О проекте
Проект Ремзона
Оптовикам
Поставщикам
Регионам
Отзывы
Акции
Статьи
Контакты
Помощь
Как оформить заказ
Оплата
Доставка
Поиск запасных частей
Возврат деталей
Авторизация
Войти
Забыли пароль?
Регистрация
Обратный звонок
Главная
Каталог запасных частей
Каталог запасных частей Bobcat
Мини-погрузчик
Bobcat 600s
610
4956M11001 И ВЫШЕ, 4989M11001 И ВЫШЕ
ЭЛЕКТРИЧЕСКАЯ СИСТЕМА
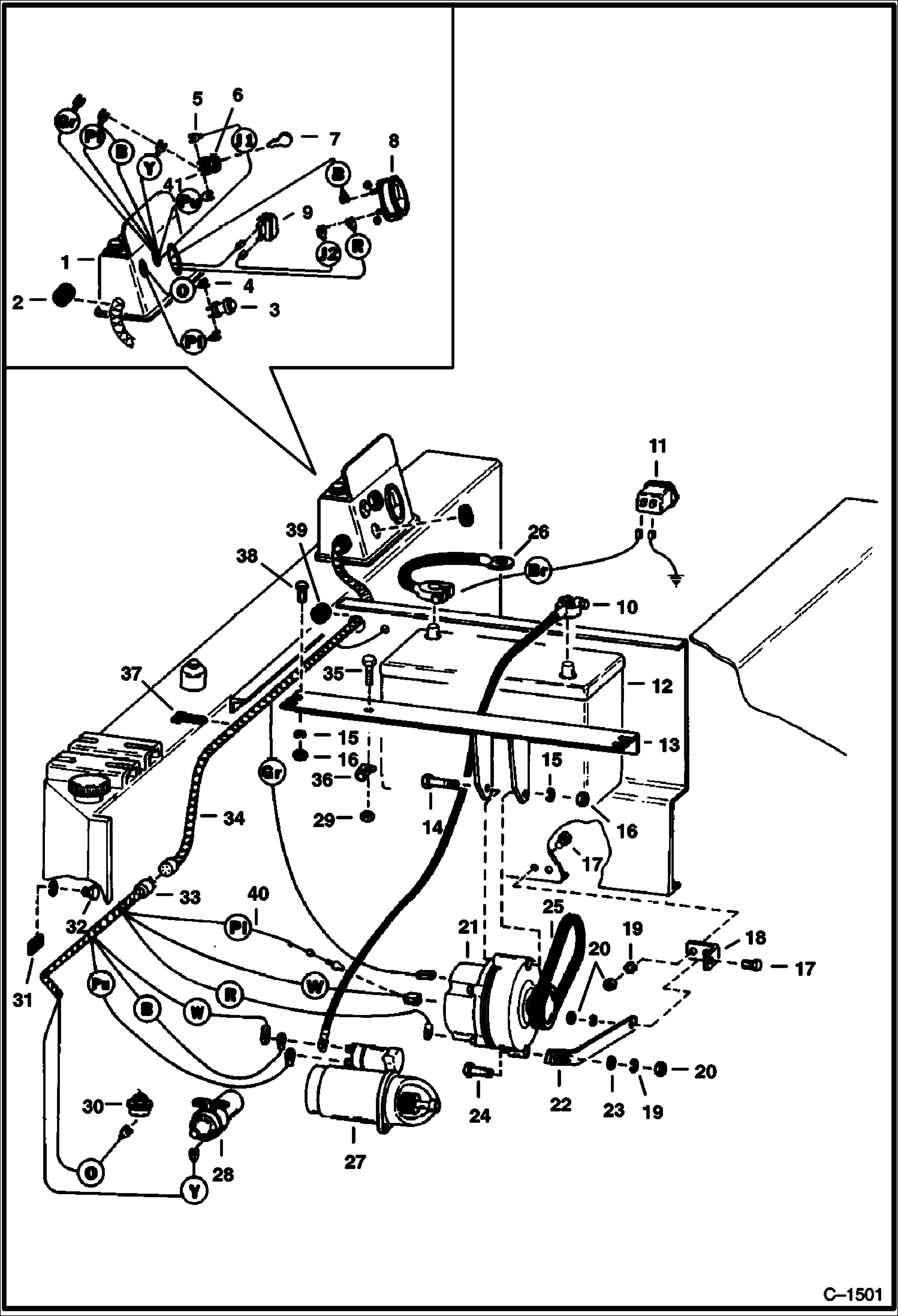
ЭЛЕКТРИЧЕСКАЯ СИСТЕМА на Bobcat 600s Bobcat6104956M11001 И ВЫШЕ, 4989M11001 И ВЫШЕ
Ничего не найдено
КОНТУР ЭЛЕКТРИЧЕСКОЙ ЦЕПИ РАМЫ ШАССИ СЕРИЙНЫЙ НОМЕР 4956 M 17179 И НИЖЕ ИЛИ 220000 И НИЖЕ
КОНТУР ЭЛЕКТРИЧЕСКОЙ ЦЕПИ РАМЫ ШАССИ СЕРИЙНЫЙ НОМЕР 4956 M 1780 ЧЕРЕЗ 19999
СТАРТЕР
ГЕНЕРАТОР ПЕРЕМЕННОГО ТОКА DELCO - REMY NO. 1100827 ЗАКРЫТ
ГЕНЕРАТОР ПЕРЕМЕННОГО ТОКА DELCO #1103133 - ОТКРЫТЫЙ
ГЕНЕРАТОР ПЕРЕМЕННОГО ТОКА DELCO #1105076 ИЛИ #10456416 - ЗАКРЫТ
ГЕНЕРАТОР ПЕРЕМЕННОГО ТОКА DELCO #1105070 ИЛИ #1105422 - ОТКРЫТЫЙ