88007754294
sales@remzona-parts.ru
Найти
88007754294
sales@remzona-parts.ru
Обратный звонок
Заказать запчасть
0 позиций
0 руб.
Оформить заказ
Вход
Регистрация
Найти
Каталог запасных частей
Bobcat
Шарнирно-сочлененный погрузчик
Навесное оборудование
Экскаватор–погрузчик
Мини-трактор
Мини-экскаватор
Другая техника
Мини-погрузчик
Телескопический погрузчик
Дизельные автомобили
Электрокар
Doosan
Бульдозеры
Экскаваторы
Колесные погрузчики
Погрузчики с бортовым поворотом
Лесотехнические машины
Самосвалы Moxy
Быстросъем
Навесное оборудование
Специальное исполнение
Прочие запчасти (другие)
EP Equipment
Запчасти для ТО
Шины для спецтехники
Гусеницы для спецтехники
Навесное оборудование
Прицепы для перевозки мини-спецтехники
Дополнительное оборудование
Новости
Ремонт и сервис
О проекте
Проект Ремзона
Оптовикам
Поставщикам
Регионам
Отзывы
Акции
Статьи
Контакты
Помощь
Как оформить заказ
Оплата
Доставка
Поиск запасных частей
Возврат деталей
Авторизация
Войти
Забыли пароль?
Регистрация
Обратный звонок
Главная
Каталог запасных частей
Каталог запасных частей Bobcat
Мини-погрузчик
Bobcat 600s
610
4956M11001 И ВЫШЕ, 4989M11001 И ВЫШЕ
АКСЕСCУАРЫ И ОПЦИИ
АКСЕСCУАРЫ И ОПЦИИ на Bobcat 600s Bobcat6104956M11001 И ВЫШЕ, 4989M11001 И ВЫШЕ
Ничего не найдено
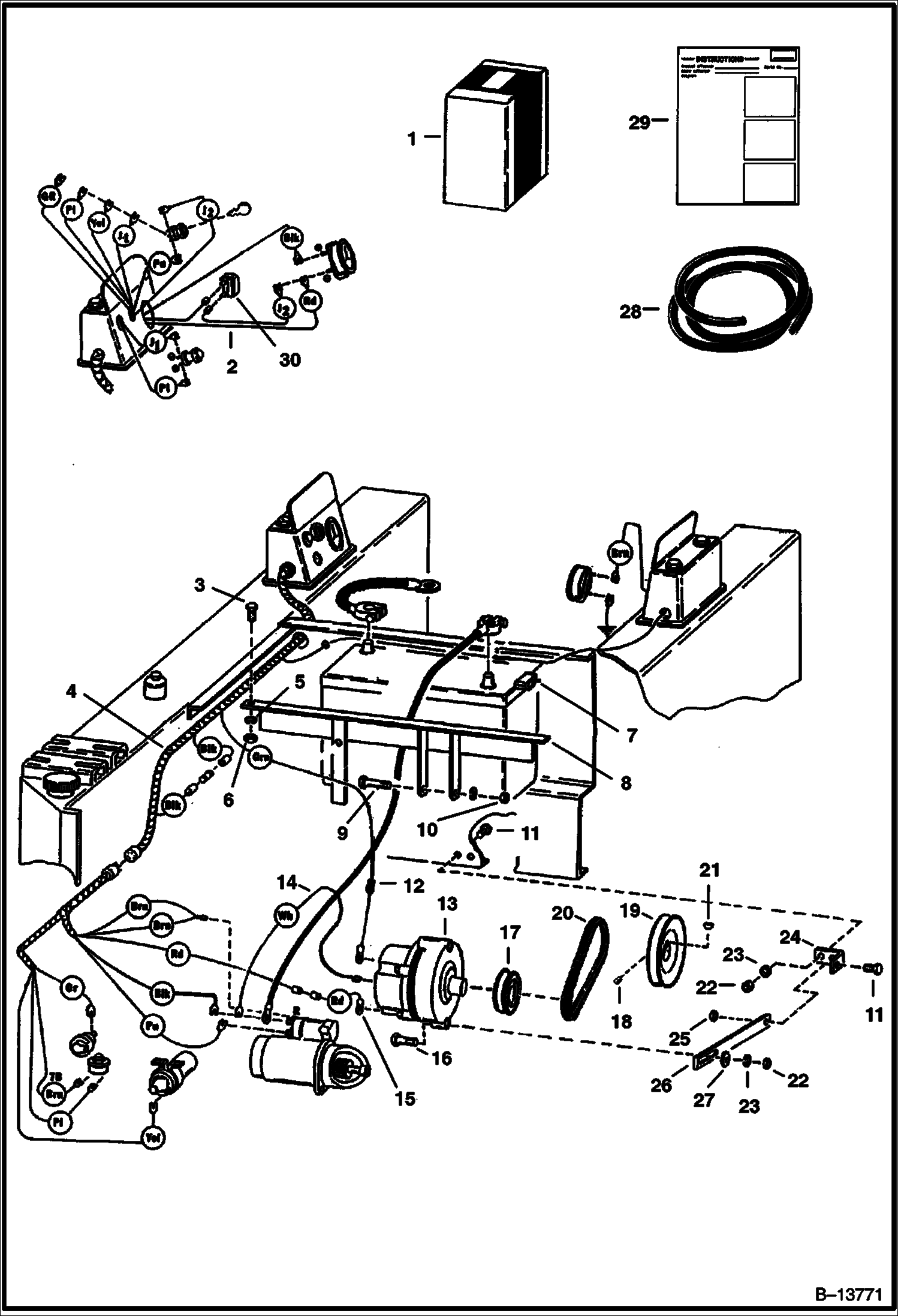
КОМПЛЕКТ ГЕНЕРАТОРА ПЕРЕМЕННОГО ТОКА
КОМПЛЕКТ ВСПОМОГАТЕЛЬНОГО ГИДРАВЛИЧЕСКОГО РЕГУЛЯТОРА СМОНТИРОВАННЫЙ НА РАМЕ - БЛОК УПРАВЛЕНИЯ
ВСПОМОГАТЕЛЬНЫЕ ГИДРОЛИНИИ СМОНТИРОВАННЫЙ НА РАМЕ - 2 БЛОКА УПРАВЛЕНИЯ
ВСПОМОГАТЕЛЬНАЯ ГИДРОСИСТЕМА УСТАНОВЛЕННАЯ ПОДЪЕМНАЯ РУКОЯТЬ - БЛОК УПРАВЛЕНИЯ
ОСЬ И ТОРМОЗ В СБОРЕ
КОМПЛЕКТ УПЛОТНЕНИЙ ОСИ
СИГНАЛ ЗАДНЕГО ХОДА
ТОРМОЗА
ТОРМОЗА И КРЕПЕЖНЫЕ ДЕТАЛИ
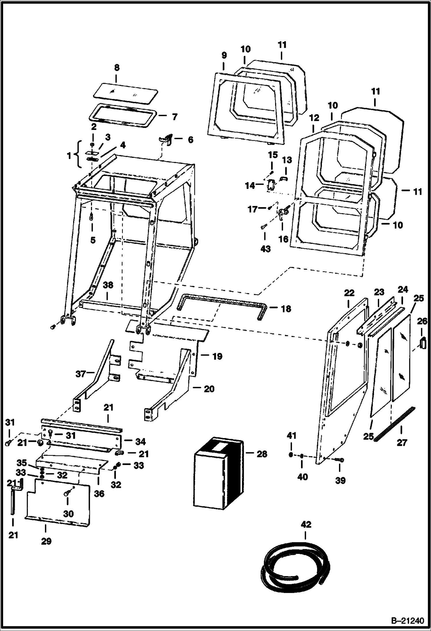
КОРПУС КАБИНЫ БРЕЗЕНТ
КОРПУС КАБИНЫ
КАРБЮРАТОР ZENITH NO. GO-12720
КОМПЛЕКТ ГЕНЕРАТОРА ПОД ТОКОМ СЕРИЙНЫЙ НОМЕР 17180 И ВЫШЕ
НАКЛЕЙКИ
ВОЗДУХООЧИСТИТЕЛЬ FARR
ОГНЕТУШИТЕЛЬ
ПРОБЛЕСКОВЫЕ ФАРЫ
ПАНЕЛЬ ПОЛА
ОТВОДНОЙ СЦЕПНОЙ ПРИБОР
КЛАКСОН И ЭЛЕКТРОСХЕМЫ
ОСТАНОВ ПОДЪЕМНОЙ РУКОЯТИ
ГИДРОЦИЛИНДР ПОДЪЕМА ДЛЯ ВЕРТИКАЛЬНОЙ МАЧТЫ
ПОДЪЕМНЫЙ КРЮК
ПРОЖЕКТОРЫ ПАНЕЛЬ ВЫКЛЮЧАТЕЛЕЙ СПРАВА
ПРОЖЕКТОРЫ ДЛЯ ПОГРУЗЧИКА БЕЗ ПРАВОСТОРОННЕЙ ПАНЕЛИ ИЗМЕРИТЕЛЬНЫХ ПРИБОРОВ
ПРОЖЕКТОРЫ УСТАНОВЛЕННАЯ ПОДЪЕМНАЯ РУКОЯТЬ
СЖИЖЕННЫЙ УГЛЕВОДОРОДНЫЙ ГАЗ (СУГ)
БАК СЖИЖЕННОГО УГЛЕВОДОРОДНОГО ГАЗА (СУГ) И КРЕПЕЖНЫЕ ДЕТАЛИ
ИСПАРИТЕЛЬ СЖИЖЕННОГО УГЛЕВОДОРОДНОГО ГАЗА (СУГ) ZENITH ИЛИ GARRETSON
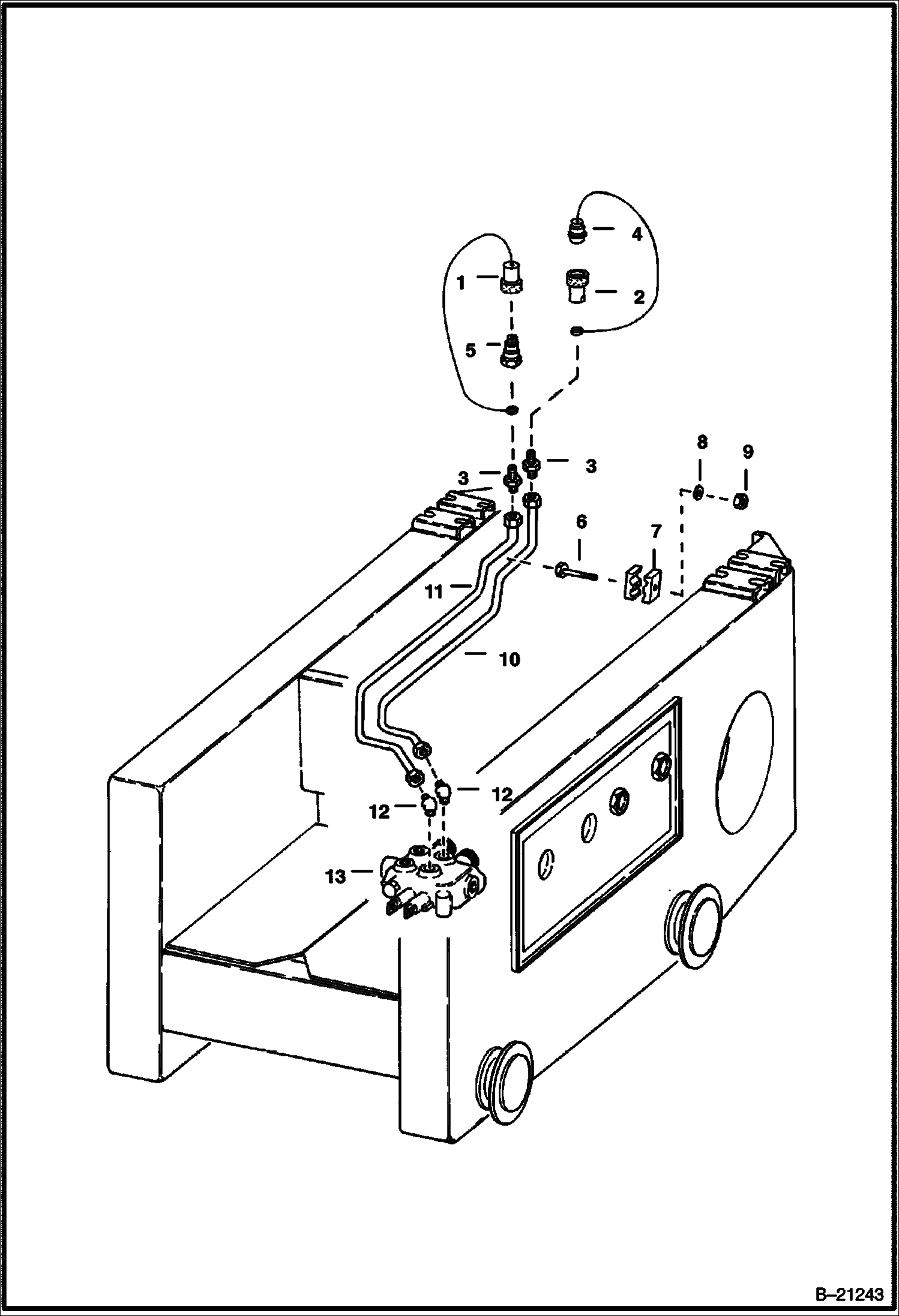
ВСПОМОГАТЕЛЬНЫЕ ЛИНИИ РАМЫ ШАССИ
ПОГРУЗЧИК БАЛАНСОВОЙ ДРЕВЕСИНЫ И КРЕПЕЖНЫЕ ДЕТАЛИ
КОМПЛЕКТ ОПОРЫ СИДЕНЬЯ
ЧЕХЛЫ СИДЕНИЙ (СИДЕНЬЕ С ОТДЕЛКОЙ ИЗ ИСКУССТВЕННОЙ КОЖИ)
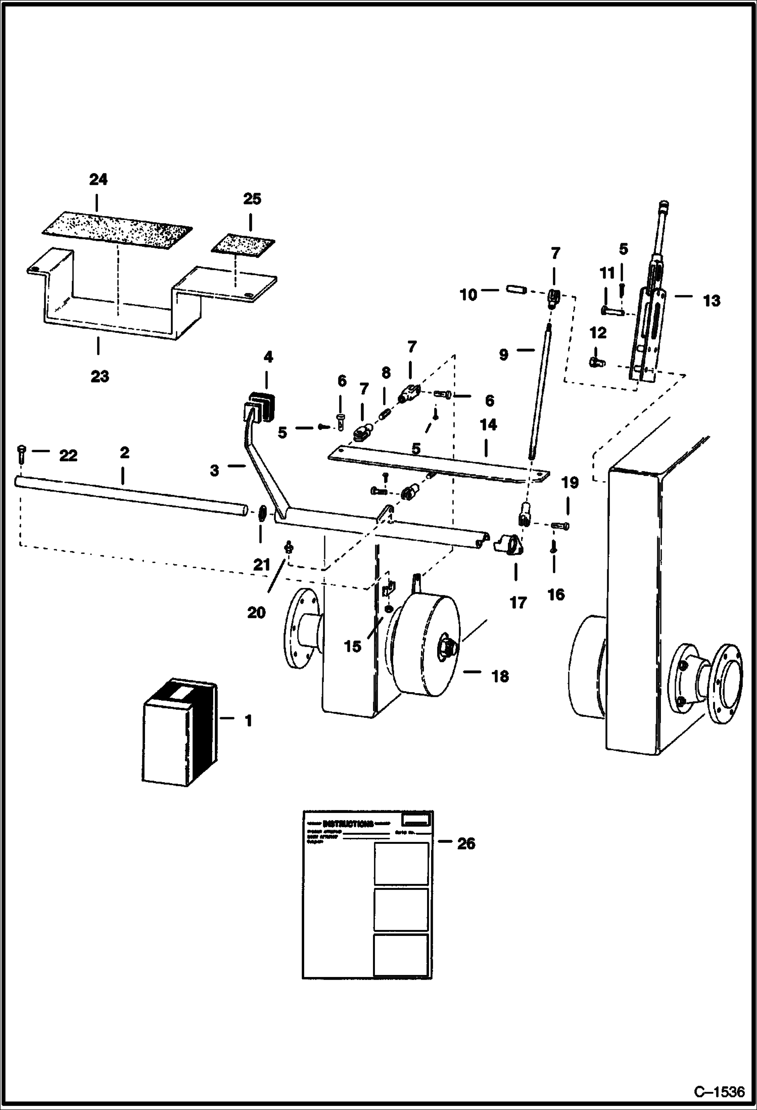
КАСКА С ЗАЩИТОЙ ОТ ШУМА
СТРОБОСКОПЫ ЯНТАРНЫЙ - 2414ALW
СТРОБОСКОПЫ ЯНТАРНЫЙ - 3414ALW
ИСКРОГАСИТЕЛЬ
ЦИЛИНДРА НАКЛОНА ВЕРТИКАЛЬНЫЙ ПОДЪЕМ
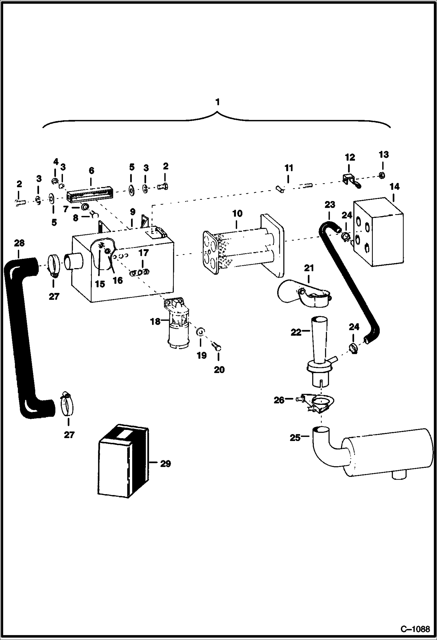
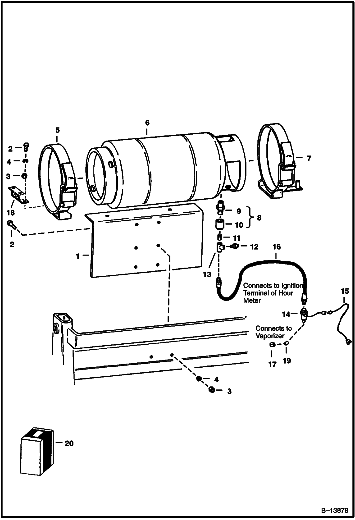
ГЛУШИТЕЛЬ-ИСКРОГАСИТЕЛЬ
КОЛЕСНАЯ ЗАЩИТА
СХЕМА ГИДРАВЛИЧЕСКОЙ СИСТЕМЫ ФРОНТАЛЬНОГО ПОГРУЗЧИКА
ФРОНТАЛЬНЫЙ ПОГРУЗЧИК M- 610 CLARK
ВЕРТИКАЛЬНАЯ МАЧТА
БЕЛОЕ СИДЕНИЕ
ШИНЫ И ДИСКИ
ЩЕТКА СТЕКЛООЧИСТИТЕЛЯ
КРУПНОГАБАРИТНЫЕ ПРЕДМЕТЫ СМ. В ПРИМЕЧАНИИ