88007754294
sales@remzona-parts.ru
Найти
88007754294
sales@remzona-parts.ru
Обратный звонок
Заказать запчасть
0 позиций
0 руб.
Оформить заказ
Вход
Регистрация
Найти
Каталог запасных частей
Bobcat
Шарнирно-сочлененный погрузчик
Навесное оборудование
Экскаватор–погрузчик
Мини-трактор
Мини-экскаватор
Другая техника
Мини-погрузчик
Телескопический погрузчик
Дизельные автомобили
Электрокар
Doosan
Бульдозеры
Экскаваторы
Колесные погрузчики
Погрузчики с бортовым поворотом
Лесотехнические машины
Самосвалы Moxy
Быстросъем
Навесное оборудование
Специальное исполнение
Прочие запчасти (другие)
EP Equipment
Запчасти для ТО
Шины для спецтехники
Гусеницы для спецтехники
Навесное оборудование
Прицепы для перевозки мини-спецтехники
Дополнительное оборудование
Новости
Ремонт и сервис
О проекте
Проект Ремзона
Оптовикам
Поставщикам
Регионам
Отзывы
Акции
Статьи
Контакты
Помощь
Как оформить заказ
Оплата
Доставка
Поиск запасных частей
Возврат деталей
Авторизация
Войти
Забыли пароль?
Регистрация
Обратный звонок
Главная
Каталог запасных частей
Каталог запасных частей Bobcat
Мини-погрузчик
Bobcat 600s
600
495011001 И ВЫШЕ, 495111001 И ВЫШЕ, 495211001 И ВЫШЕ, 495611001 И ВЫШЕ, 496011001 И ВЫШЕ, 498911001 И ВЫШЕ
ЗАПЧАСТИ ДВИГАТЕЛЯ
ЗАПЧАСТИ ДВИГАТЕЛЯ на Bobcat 600s Bobcat600495011001 И ВЫШЕ, 495111001 И ВЫШЕ, 495211001 И ВЫШЕ, 495611001 И ВЫШЕ, 496011001 И ВЫШЕ, 498911001 И ВЫШЕ
Ничего не найдено
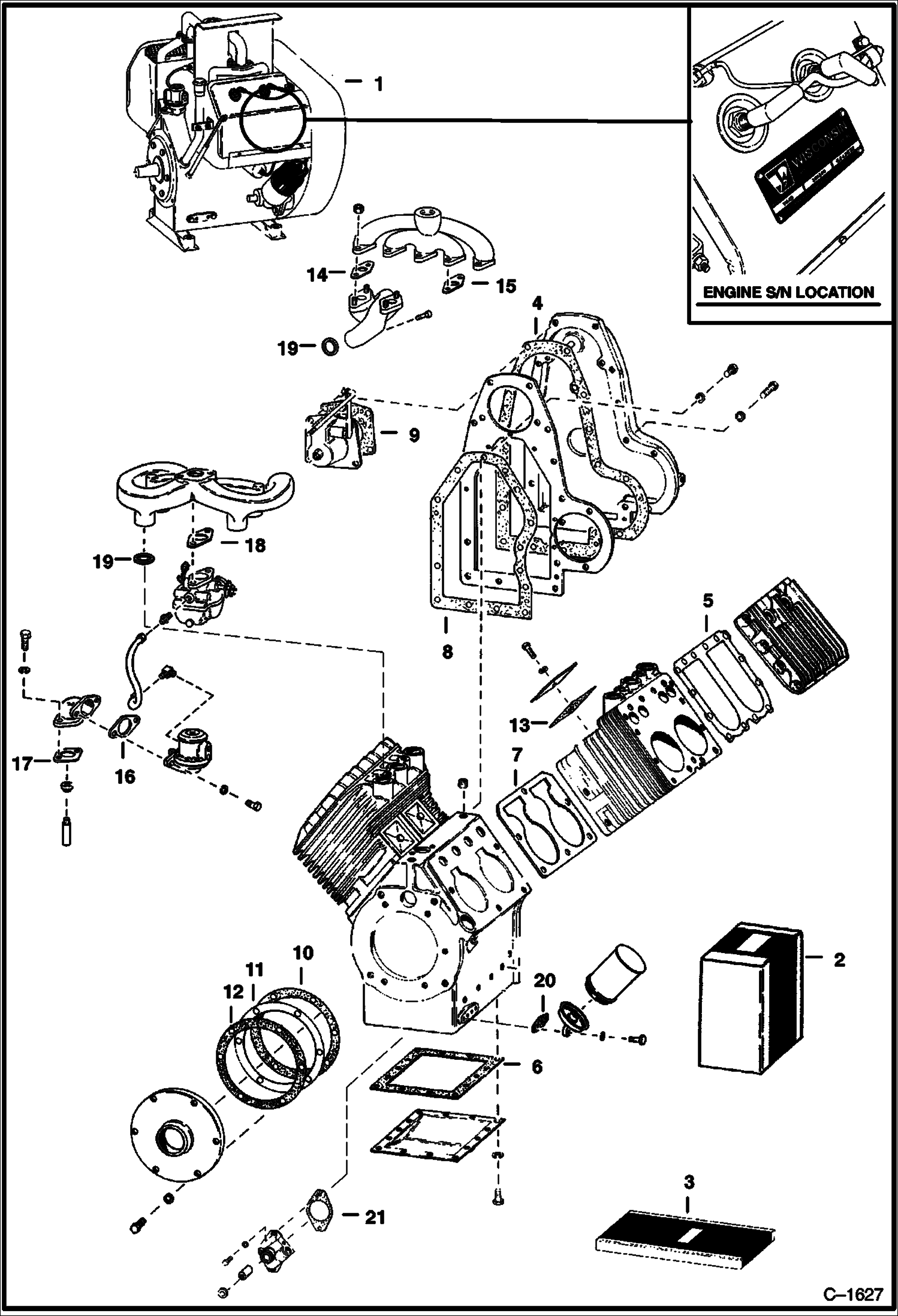
WISCONSIN ДВИГАТЕЛЬ
КРЕПЕЖНЫЕ ДЕТАЛИ ДВИГАТЕЛЯ WISCONSIN
ДРОССЕЛЬНАЯ ЗАСЛОНКА И ВОЗДУШНАЯ ЗАСЛОНКА МЕХАНИЗМА УПРАВЛЕНИЯ
МЕХАНИЗМ УПРАВЛЕНИЯ ДРОССЕЛЬНОЙ ЗАСЛОНКОЙ
ЗАЩИТНЫЙ КОЖУХ ДВИГАТЕЛЯ
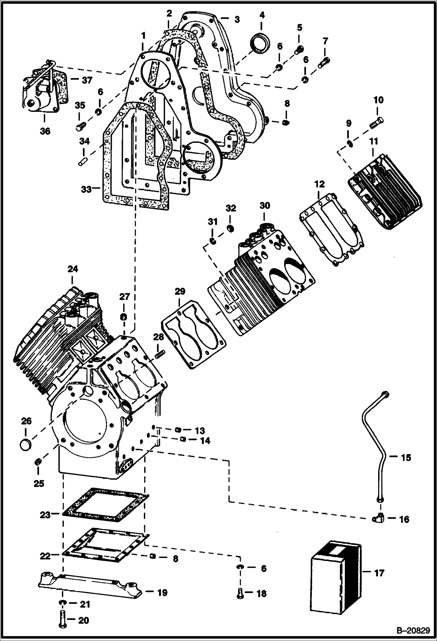
КРИВОШИПНАЯ КОРОБКА И КРЫШКА КОРОБКИ ПЕРЕДАЧ
ВНУТРЕННИЙ ДВИГАТЕЛЬ В СБОРЕ
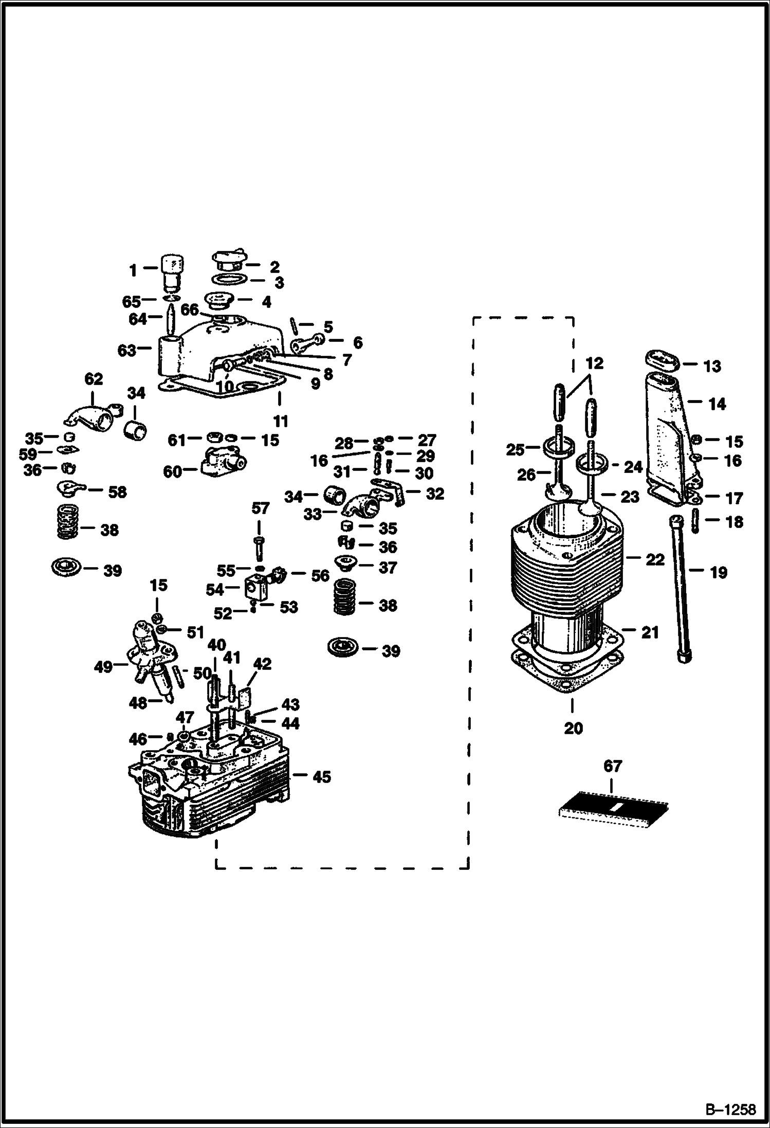
ЦИЛИНДР И КЛАПАНЫ
РЕГУЛЯТОРА ОБОРОТОВ И УСТРОЙСТВО УПРАВЛЕНИЯ
БЕНЗИНОВАЯ ТОПЛИВНАЯ СИСТЕМА И ВЫХЛОПНОЙ УЗЕЛ
КАРБЮРАТОР ZENITH NO. 13405
КАРБЮРАТОР ZENITH NO. 13271
ФИЛЬТРЫ ДЛЯ ТОПЛИВА
СЖИЖЕННЫЙ УГЛЕВОДОРОДНЫЙ ГАЗ (СУГ) VH4D ДВИГАТЕЛЬ
СЖИЖЕННЫЙ УГЛЕВОДОРОДНЫЙ ГАЗ (СУГ) VF4D
КАРБЮРАТОР ДЛЯ СЖИЖЕННОГО УГЛЕВОДОРОДНОГО ГАЗА (СУГ) ZENITH NO. 12192
КАРБЮРАТОР ДЛЯ СЖИЖЕННОГО УГЛЕВОДОРОДНОГО ГАЗА (СУГ) ZENITH NO. GO-12720
ИСПАРИТЕЛЬ СЖИЖЕННОГО УГЛЕВОДОРОДНОГО ГАЗА (СУГ) ZENITH ИЛИ GARRETSON
ДОПОЛНИТЕЛЬНЫЙ СТУПЕНЧАТЫЙ РЕГУЛЯТОР ZENITH NO. B806 D-36
БАК СЖИЖЕННОГО УГЛЕВОДОРОДНОГО ГАЗА (СУГ) И КРЕПЕЖНЫЕ ДЕТАЛИ
МАСЛО ДЛЯ ДВИГАТЕЛЯ
МАСЛЯНЫЙ ФИЛЬТР ДВИГАТЕЛЯ
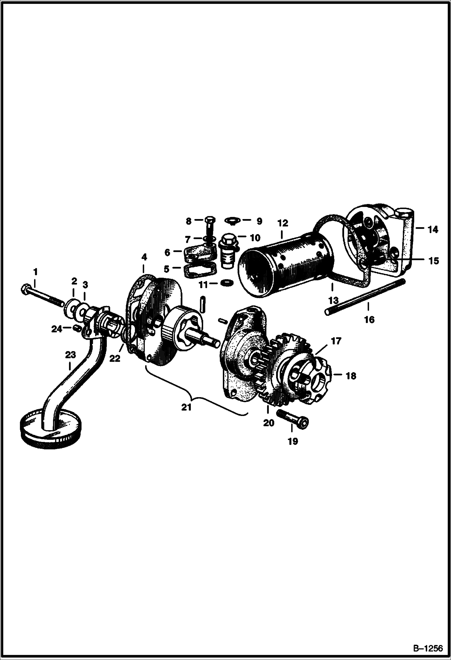
МАСЛОНАСОС ДВИГАТЕЛЯ
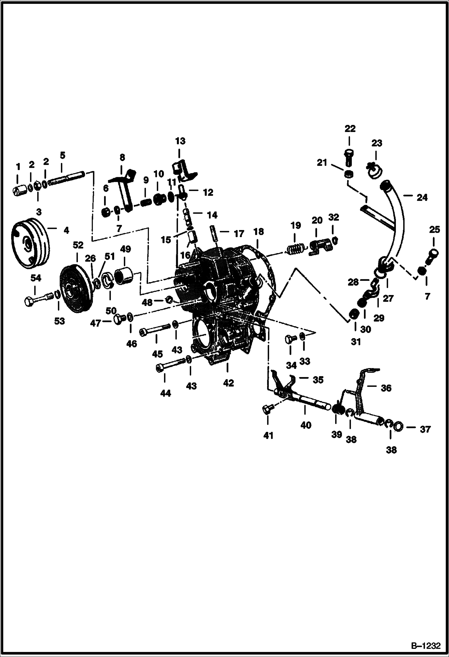
СБОРОЧНЫЙ УЗЕЛ ГИДРОПРИВОДНОГО НАСОСА
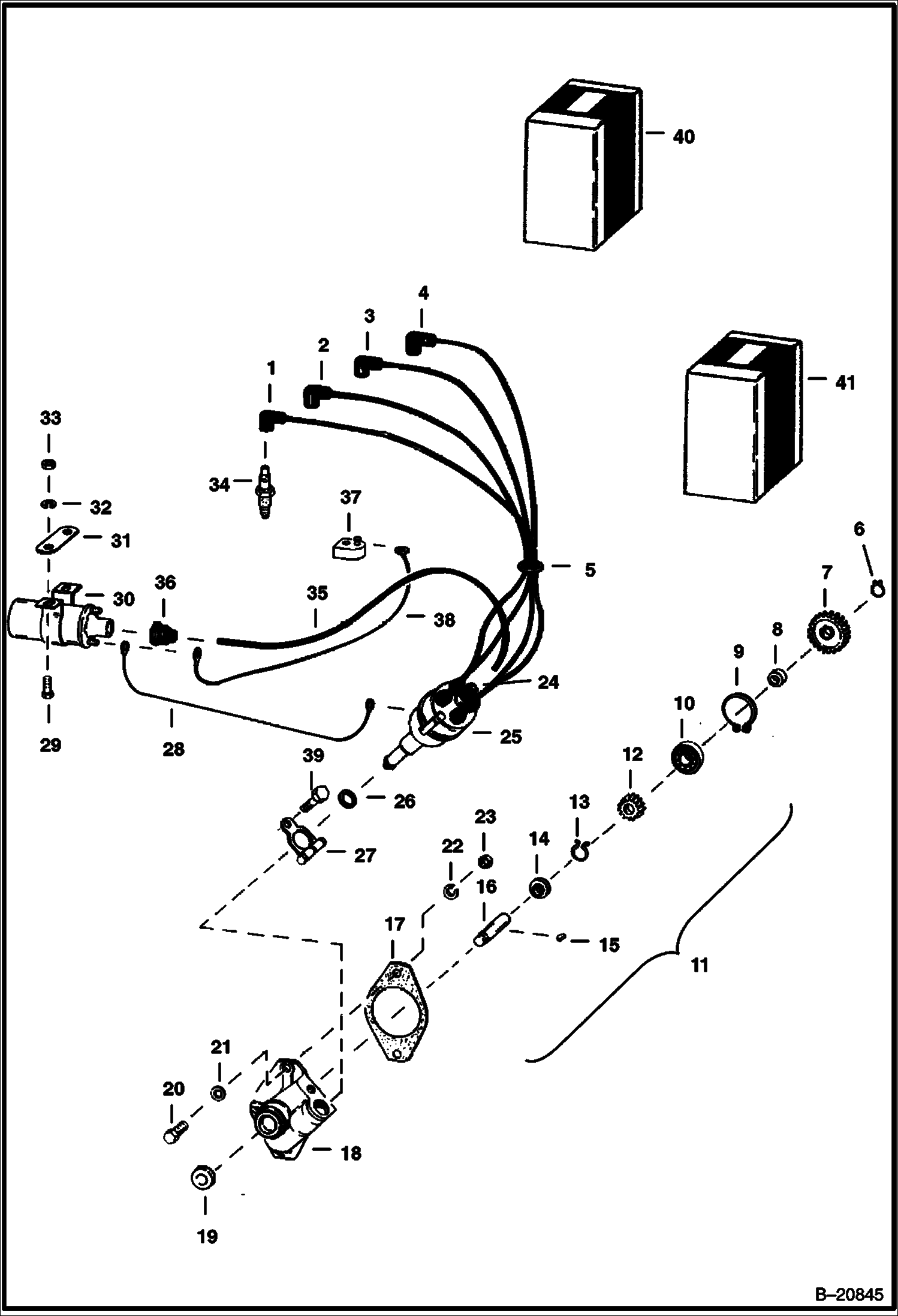
КАТУШКА ЗАЖИГАНИЯ, КАБЕЛИ И ПРИВОД РАСПРЕДЕЛИТЕЛЬНОГО УСТРОЙСТВА
РАСПРЕДЕЛИТЕЛЬНОЕ УСТРОЙСТВО
ДРОССЕЛЬНАЯ ЗАСЛОНКА
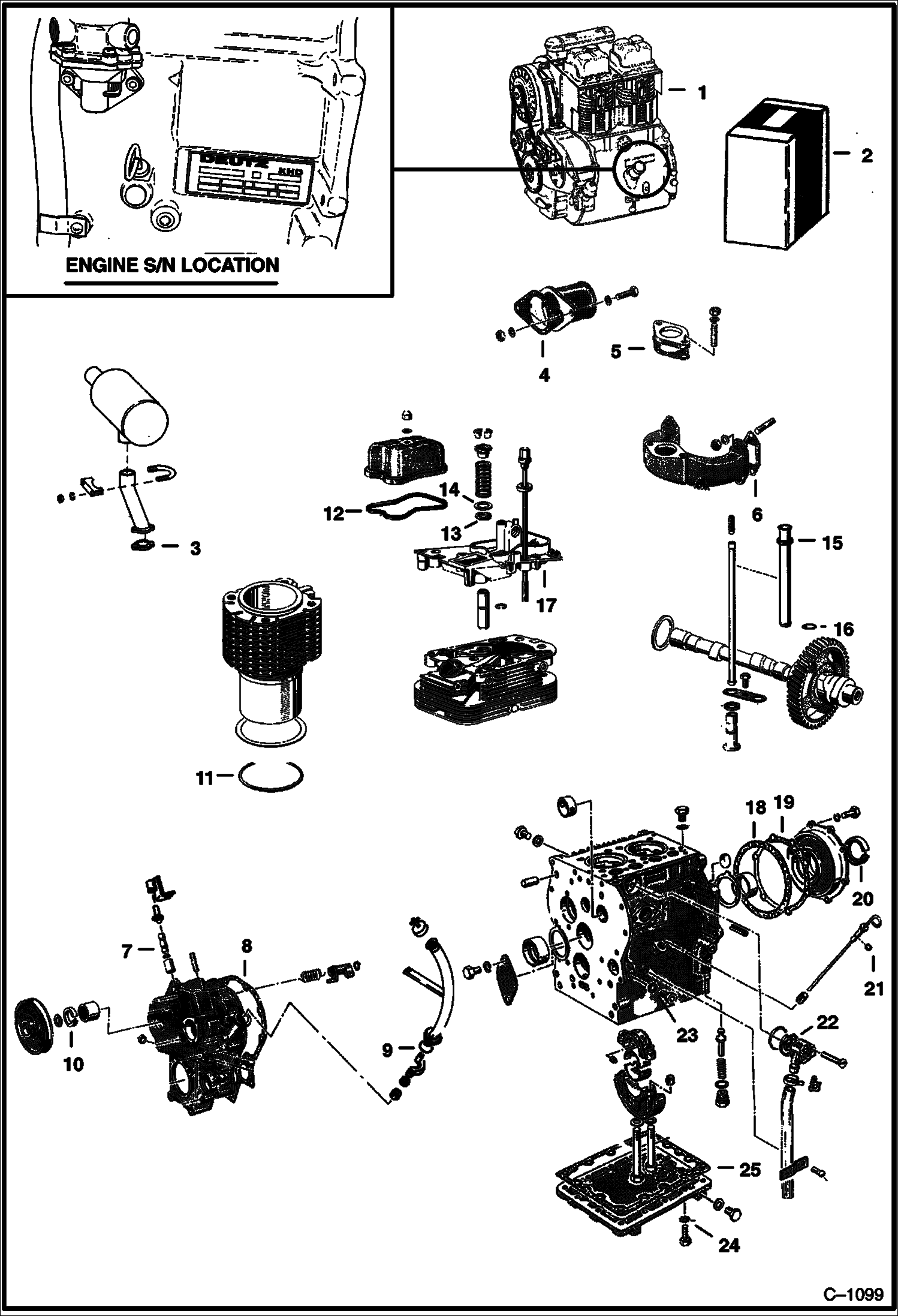
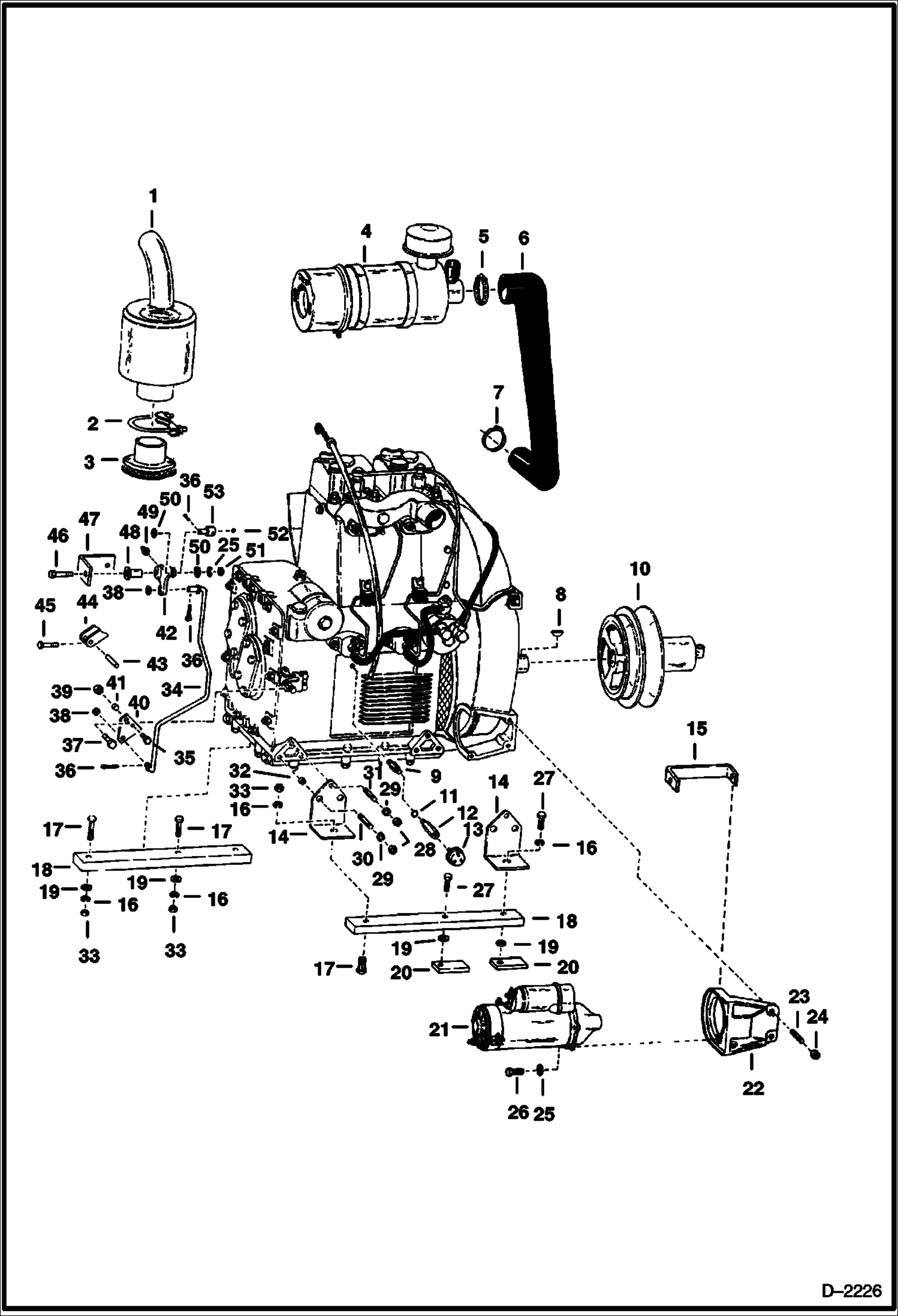
ДИЗЕЛЬНЫЙ ДВИГАТЕЛЬ DEUTZ
КРЕПЕЖНЫЕ ДЕТАЛИ ДВИГАТЕЛЯ DEUTZ
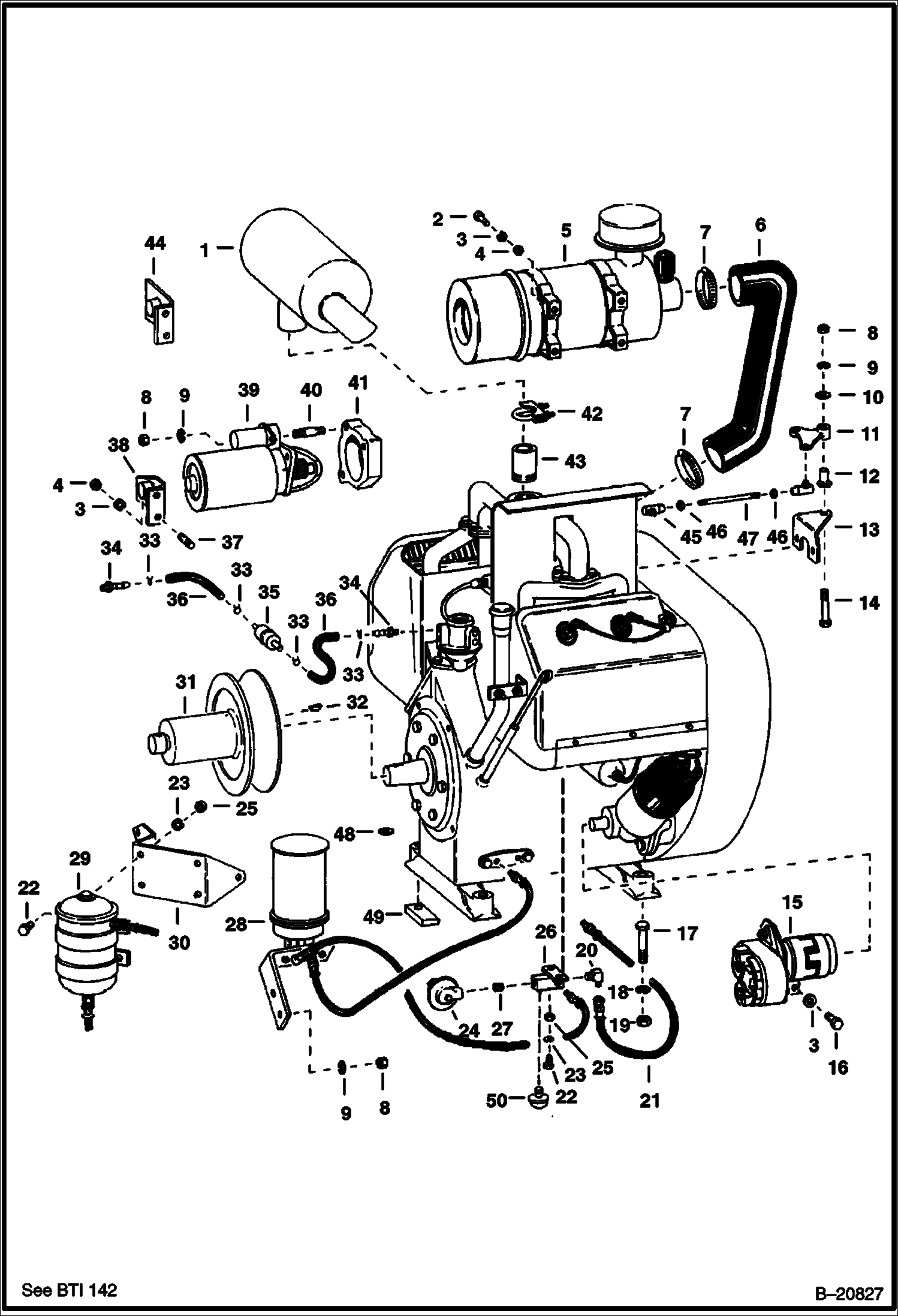
МОНТАЖ ГИДРОПРИВОДНОГО НАСОСА
ОТКЛЮЧЕНИЕ И РЫЧАГ ДРОССЕЛЬНОЙ ЗАСЛОНКИ
МЕХАНИЗМ УПРАВЛЕНИЯ ДРОССЕЛЬНОЙ ЗАСЛОНКОЙ И МЕХАНИЗМ УПРАВЛЕНИЯ
ВОЗДУХОДУВКА И КОЖУХ
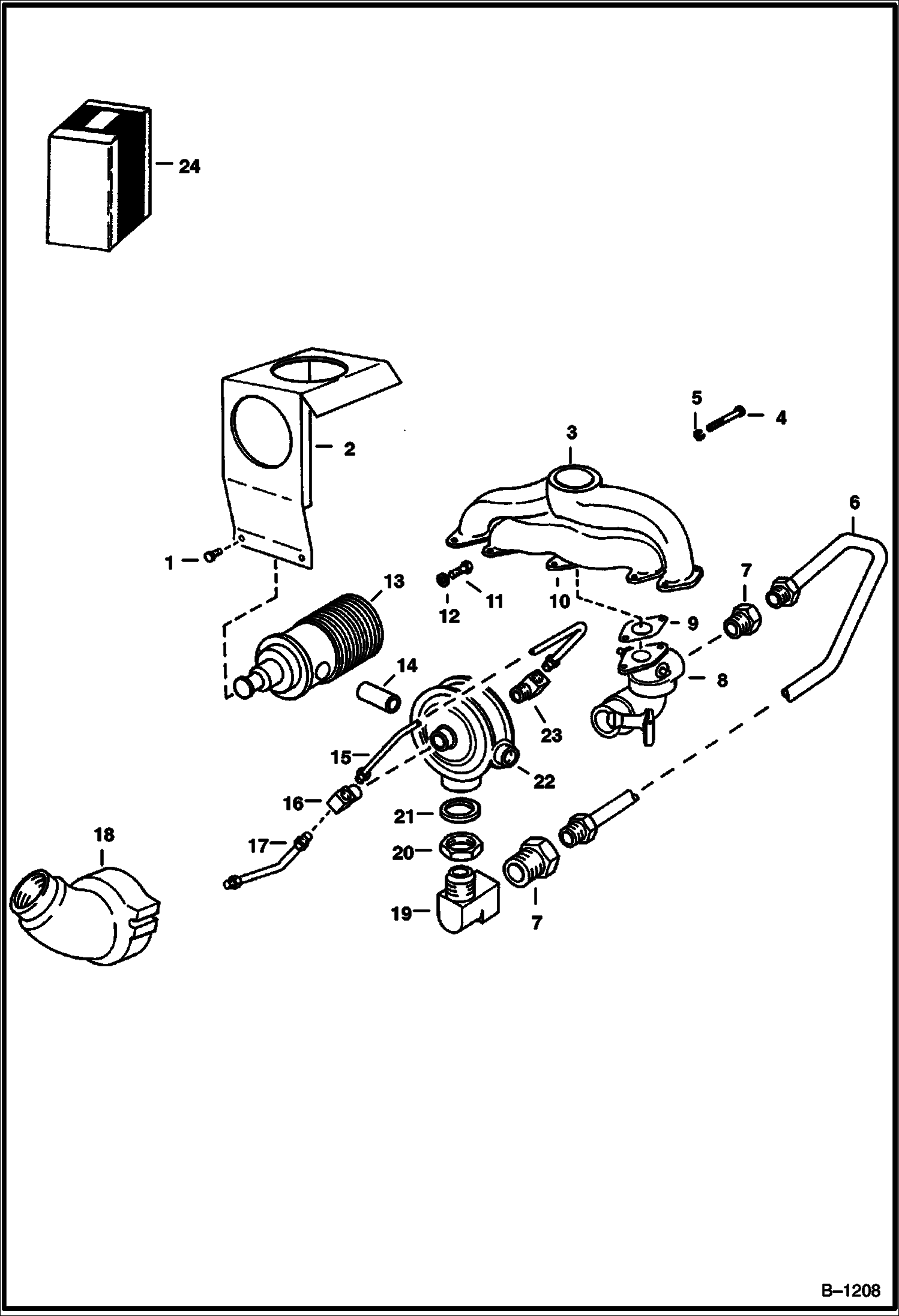
ВОЗДУХООЧИСТИТЕЛЬ И КОЛЛЕКТОР
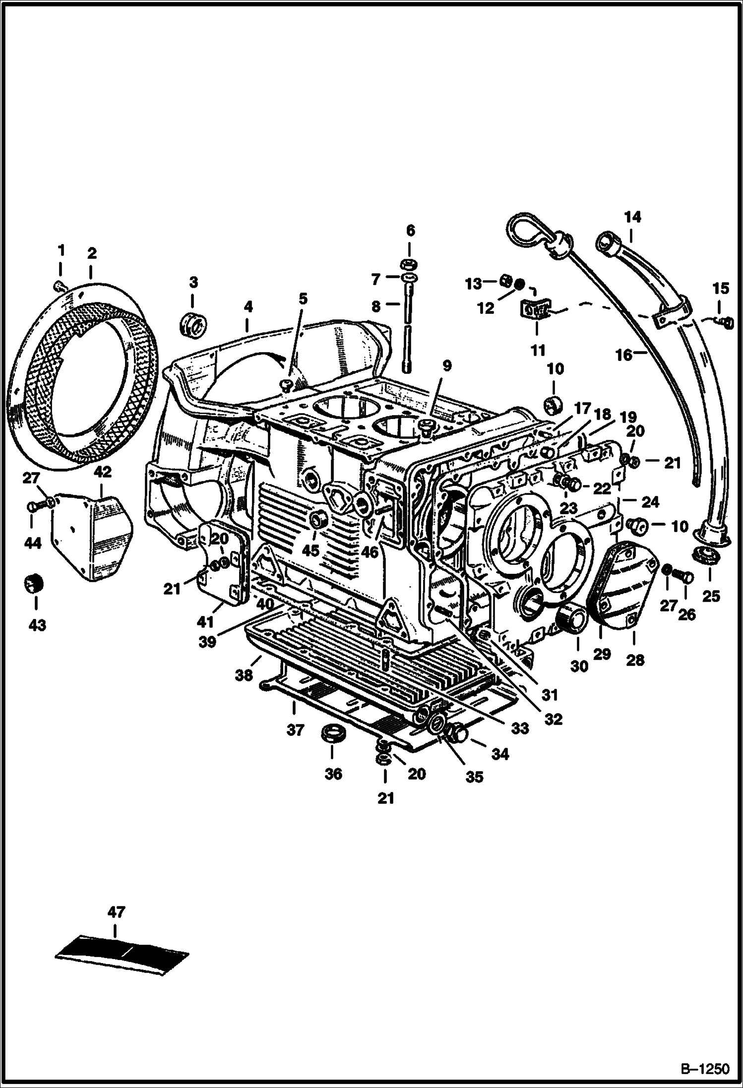
ПЕРЕДНЯЯ КРЫШКА В СБОРЕ
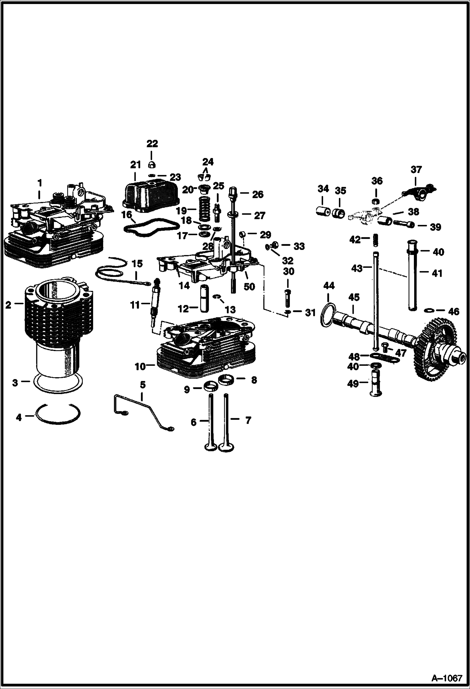
БЛОК ЦИЛИНДРОВ, ГОЛОВКИ, КЛАПАНЫ И РАСПРЕДЕЛИТЕЛЬНЫЙ ВАЛ
БЛОК В СБОРЕ
КОЛЕНЧАТЫЙ ВАЛ, ПОРШЕНЬ И МАХОВИК В СБОРЕ
УСТАНОВКА ГЕНЕРАТОРА ПЕРЕМЕННОГО ТОКА LUCAS
УСТАНОВКА ГЕНЕРАТОРА ПЕРЕМЕННОГО ТОКА DELCO
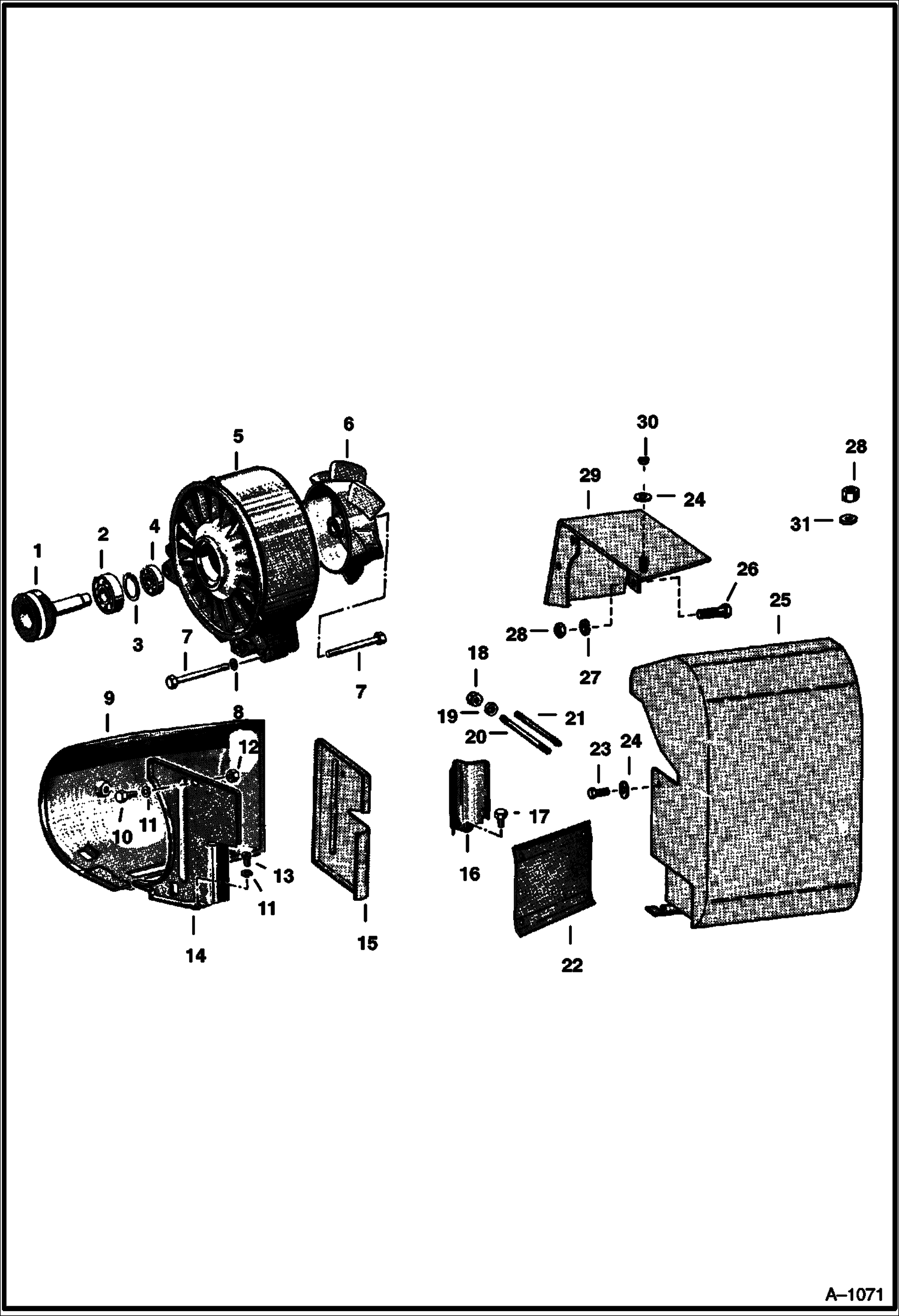
УСТАНОВКА ГЕНЕРАТОРА
МАСЛЯНЫЙ РАДИАТОР, МАСЛЯНЫЙ НАСОС И МАСЛЯНЫЙ ФИЛЬТР В СБОРЕ
ПОЛНОПОТОЧНЫЙ МАСЛЯНЫЙ ФИЛЬТР
ПОЛНОПОТОЧНЫЙ МАСЛЯНЫЙ ФИЛЬТР С ПРЕДОХРАНИТЕЛЬНЫМ КЛАПАНОМ
ТОПЛИВНАЯ СИСТЕМА
PETTER ДИЗЕЛЬНЫЙ ДВИГАТЕЛЬ
МЕХАНИЗМ УПРАВЛЕНИЯ ДВИГАТЕЛЕМ
PETTER ДВИГАТЕЛЬ И КРЕПЕЖНЫЕ ДЕТАЛИ
ВОЗДУШНЫЙ КОЖУХ
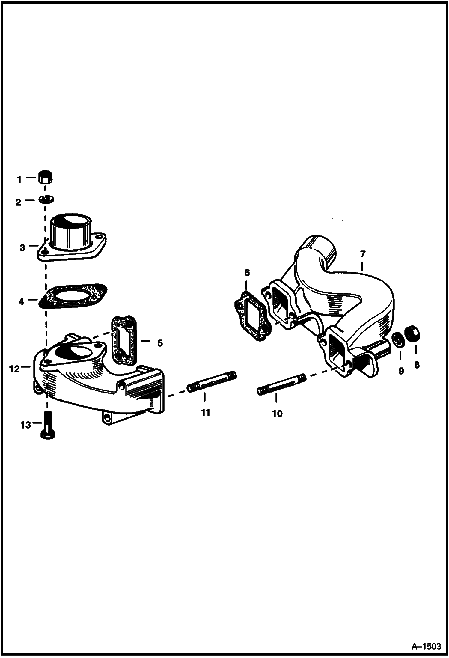
КОЛЛЕКТОР
ЦИЛИНДР И ГОЛОВКА ЦИЛИНДРА
КОЛЕНЧАТЫЙ ВАЛ И ПОРШЕНЬ
РАСПРЕДВАЛ
МАСЛЯНЫЙ НАСОС, ФИЛЬТР ПРЕДВАРИТЕЛЬНОЙ ОЧИСТКИ И ФИЛЬТР
КАРТЕР ДВИГАТЕЛЯ
РЕГУЛЯТОР ОБОРОТОВ
ТОПЛИВНЫЙ НАСОС, ФИЛЬТР, ТРУБЫ И НАСОС ВПРЫСКА
ВОЗДУХООЧИСТИТЕЛЬ DONALDSON
ВОЗДУХООЧИСТИТЕЛЬ FARR