88007754294
sales@remzona-parts.ru
Найти
88007754294
sales@remzona-parts.ru
Обратный звонок
Заказать запчасть
0 позиций
0 руб.
Оформить заказ
Вход
Регистрация
Найти
Каталог запасных частей
Bobcat
Шарнирно-сочлененный погрузчик
Навесное оборудование
Экскаватор–погрузчик
Мини-трактор
Мини-экскаватор
Другая техника
Мини-погрузчик
Телескопический погрузчик
Дизельные автомобили
Электрокар
Doosan
Бульдозеры
Экскаваторы
Колесные погрузчики
Погрузчики с бортовым поворотом
Лесотехнические машины
Самосвалы Moxy
Быстросъем
Навесное оборудование
Специальное исполнение
Прочие запчасти (другие)
EP Equipment
Запчасти для ТО
Шины для спецтехники
Гусеницы для спецтехники
Навесное оборудование
Прицепы для перевозки мини-спецтехники
Дополнительное оборудование
Новости
Ремонт и сервис
О проекте
Проект Ремзона
Оптовикам
Поставщикам
Регионам
Отзывы
Акции
Статьи
Контакты
Помощь
Как оформить заказ
Оплата
Доставка
Поиск запасных частей
Возврат деталей
Авторизация
Войти
Забыли пароль?
Регистрация
Обратный звонок
Главная
Каталог запасных частей
Каталог запасных частей Bobcat
Мини-погрузчик
Bobcat 600s
600
495011001 И ВЫШЕ, 495111001 И ВЫШЕ, 495211001 И ВЫШЕ, 495611001 И ВЫШЕ, 496011001 И ВЫШЕ, 498911001 И ВЫШЕ
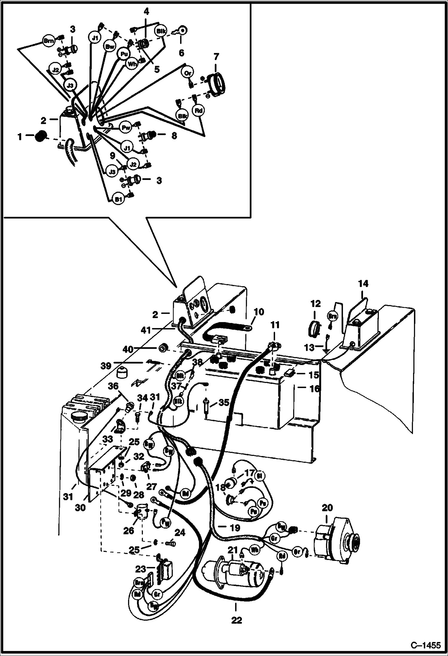
ЭЛЕКТРИЧЕСКАЯ СИСТЕМА
ЭЛЕКТРИЧЕСКАЯ СИСТЕМА на Bobcat 600s Bobcat600495011001 И ВЫШЕ, 495111001 И ВЫШЕ, 495211001 И ВЫШЕ, 495611001 И ВЫШЕ, 496011001 И ВЫШЕ, 498911001 И ВЫШЕ
Ничего не найдено
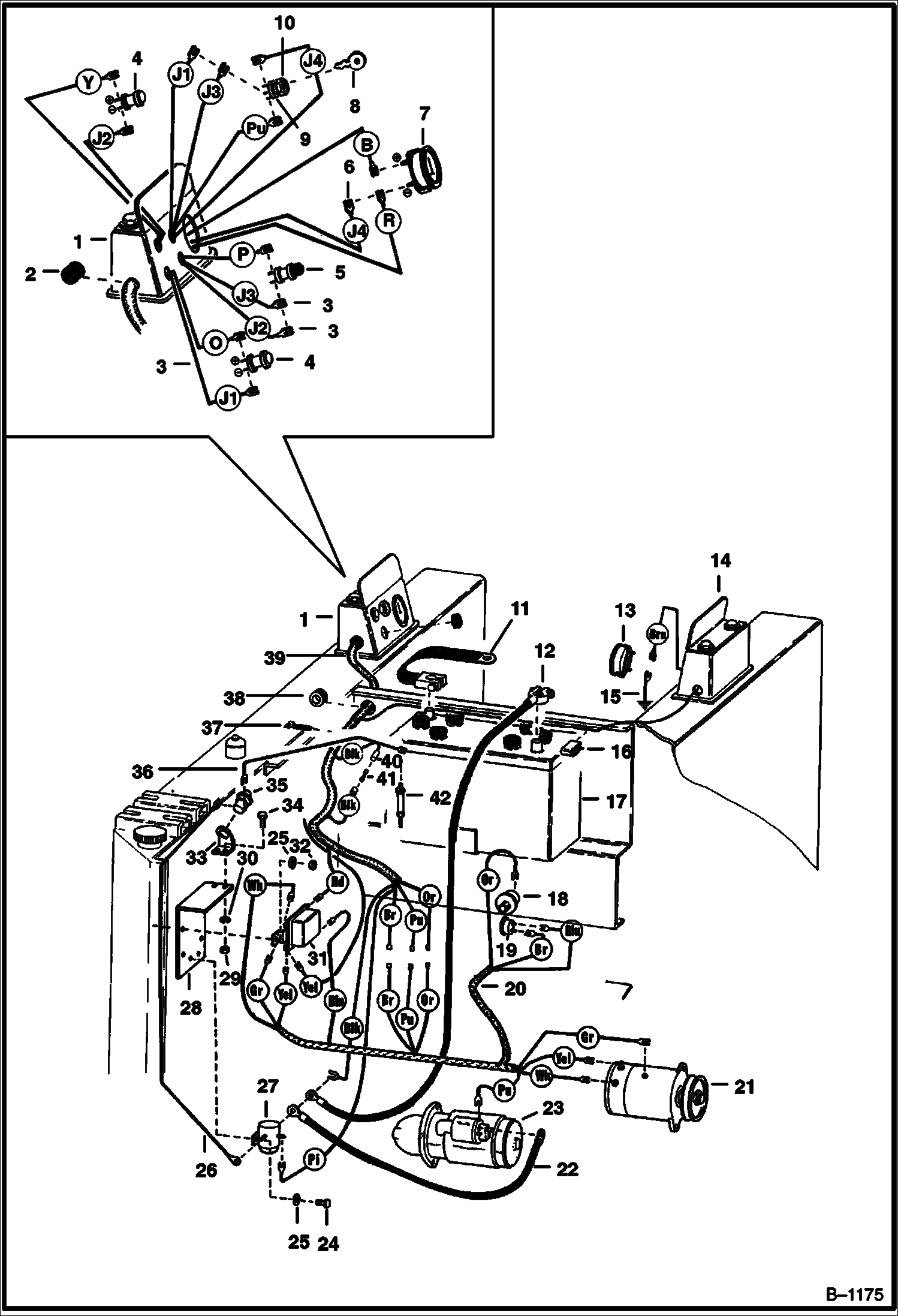
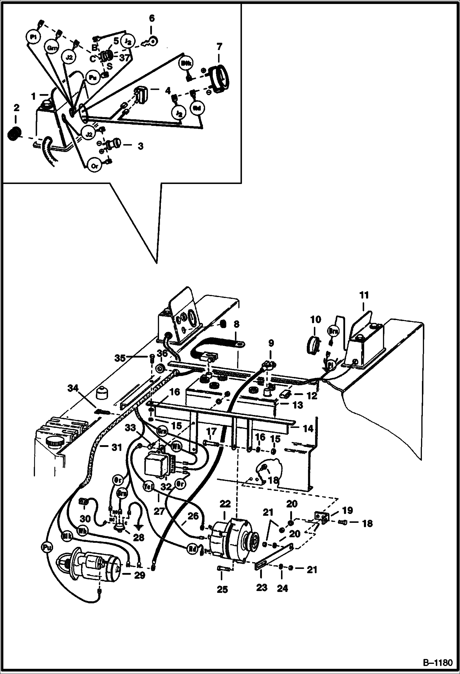
ЭЛЕКТРИЧЕСКАЯ ЦЕПЬ РАМЫ ШАССИ WISCONSIN - ВЫПРЯМИТЕЛЬ/МОДУЛЬ РЕГУЛЯТОРА - 1 БЛОК
ЭЛЕКТРИЧЕСКАЯ ЦЕПЬ РАМЫ ШАССИ WISCONSIN - ВЫПРЯМИТЕЛЬ/МОДУЛЬ РЕГУЛЯТОРА - 2 БЛОКА
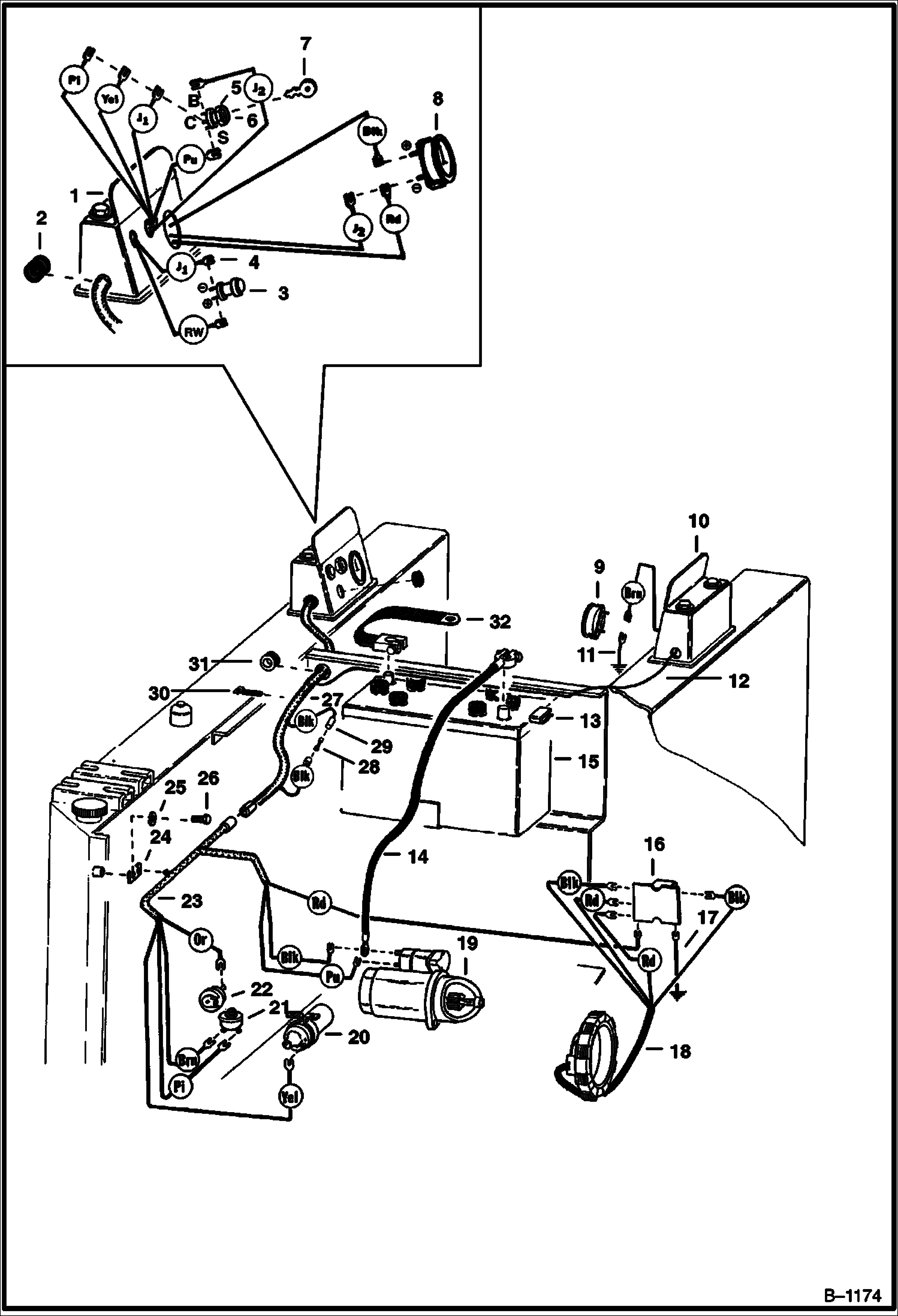
ЭЛЕКТРИЧЕСКАЯ ЦЕПЬ РАМЫ ШАССИ WISCONSIN - С ГЕНЕРАТОРОМ ПЕРЕМЕННОГО ТОКА
ЭЛЕКТРИЧЕСКАЯ ЦЕПЬ РАМЫ ШАССИ DEUTZ - С ГЕНЕРАТОРОМ
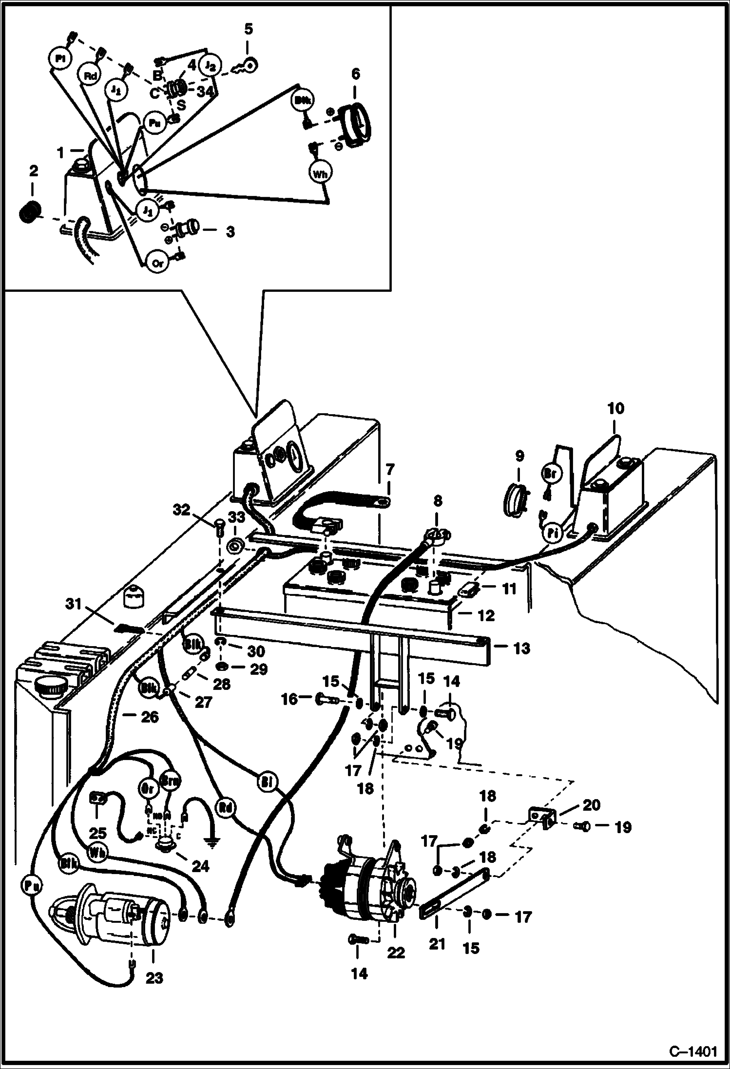
ЭЛЕКТРИЧЕСКАЯ ЦЕПЬ РАМЫ ШАССИ DEUTZ - С ГЕНЕРАТОРОМ ПЕРЕМЕННОГО ТОКА DELCO
ЭЛЕКТРИЧЕСКАЯ ЦЕПЬ РАМЫ ШАССИ DEUTZ - С ГЕНЕРАТОРОМ ПЕРЕМЕННОГО ТОКА LUCAS
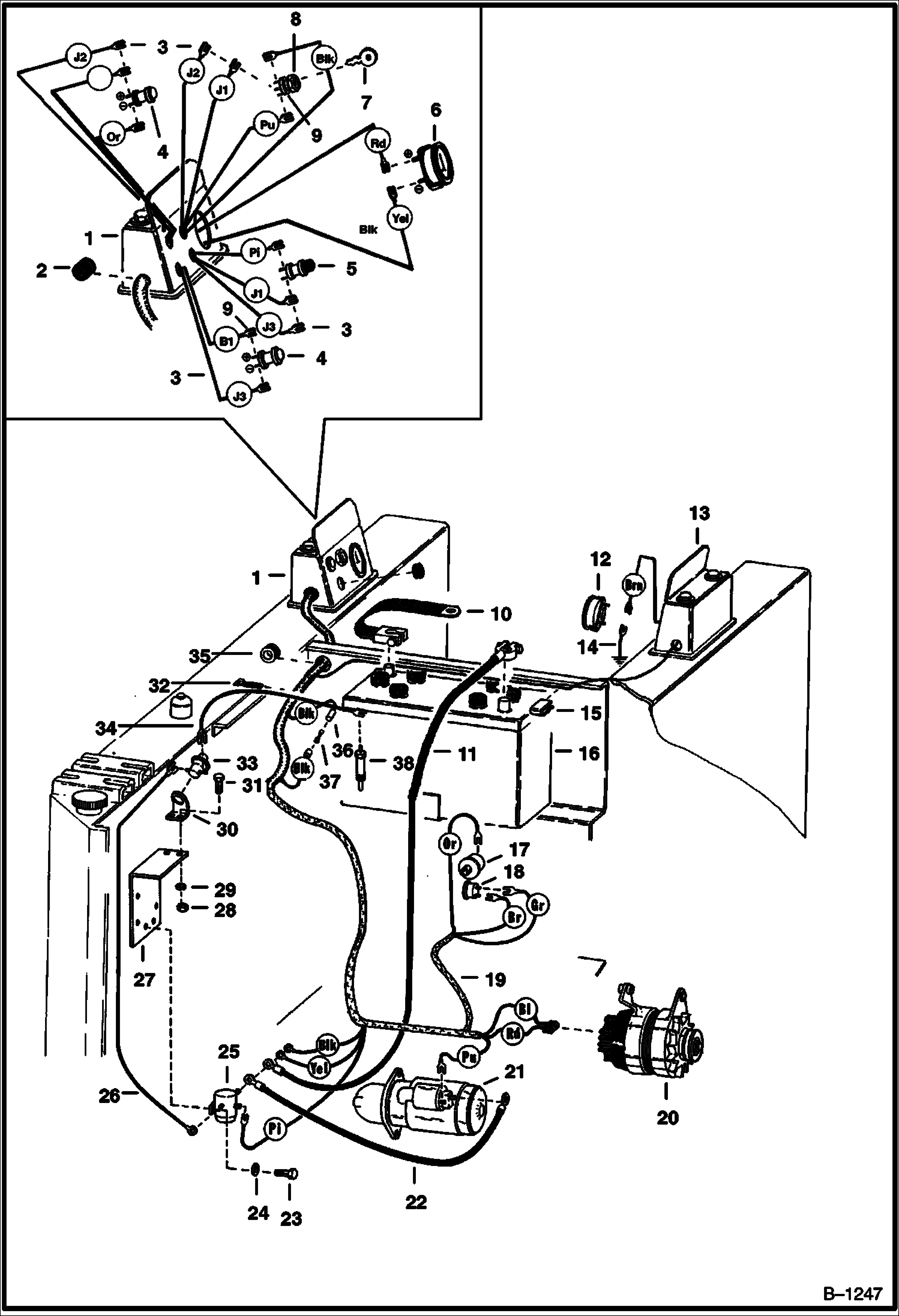
ЭЛЕКТРИЧЕСКАЯ ЦЕПЬ РАМЫ ШАССИ PETTER - С ГЕНЕРАТОРОМ ПЕРЕМЕННОГО ТОКА LUCAS
ЭЛЕКТРИЧЕСКАЯ ЦЕПЬ РАМЫ ШАССИ PETTER - С ГЕНЕРАТОРОМ ПЕРЕМЕННОГО ТОКА DELCO
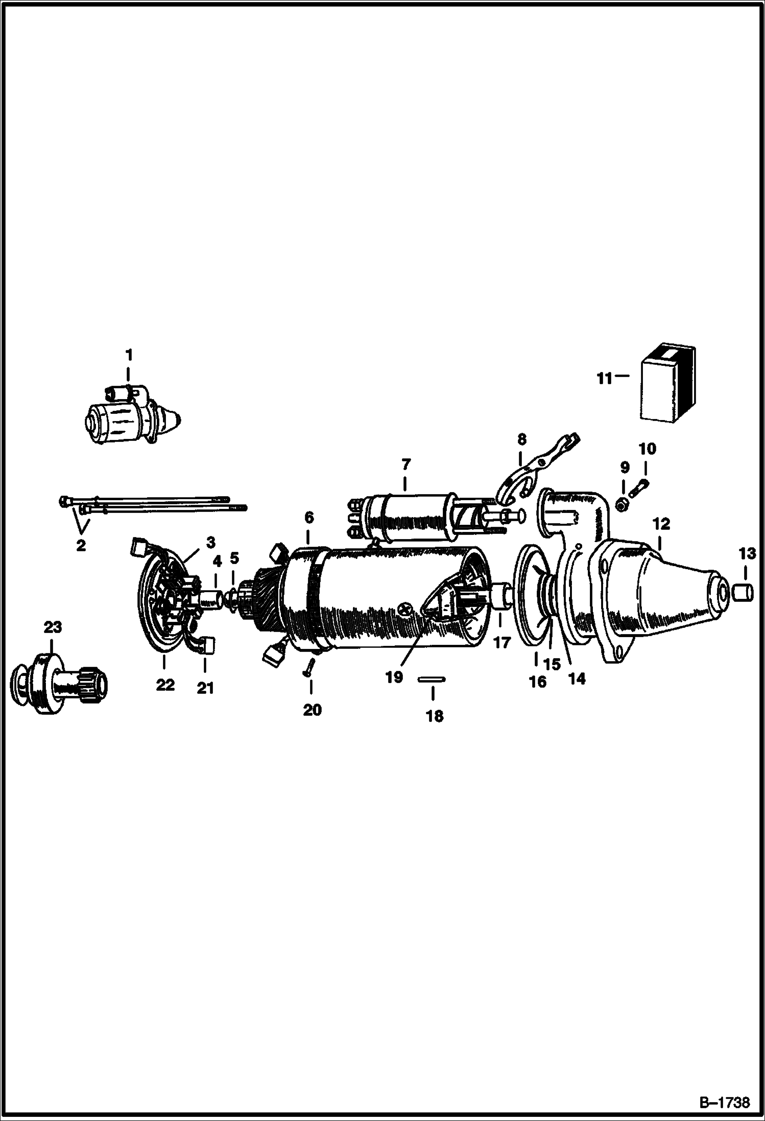
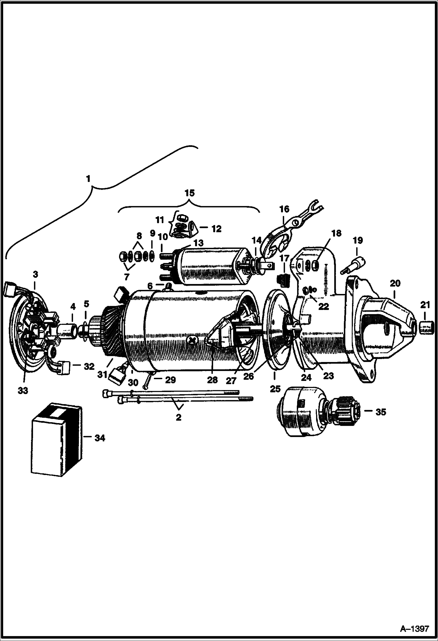
СТАРТЕР
DELCO СТАРТЕР PETTER
BOSCH СТАРТЕР DEUTZ
LUCAS СТАРТЕР PETTER - СЕРИЙНЫЙ НОМЕР 73588 И НИЖЕ
LUCAS СТАРТЕР PETTER - СЕРИЙНЫЙ НОМЕР 73589 И ВЫШЕ
ГЕНЕРАТОР ПЕРЕМЕННОГО ТОКА DELCO - REMY NO. 1100827 - ЗАКРЫТ
ГЕНЕРАТОР ПЕРЕМЕННОГО ТОКА DELCO 1105076 - ЗАКРЫТ
ГЕНЕРАТОР ПЕРЕМЕННОГО ТОКА LUCAS МОДЕЛЬ 15ACR
BOSCH ГЕНЕРАТОР DEUTZ
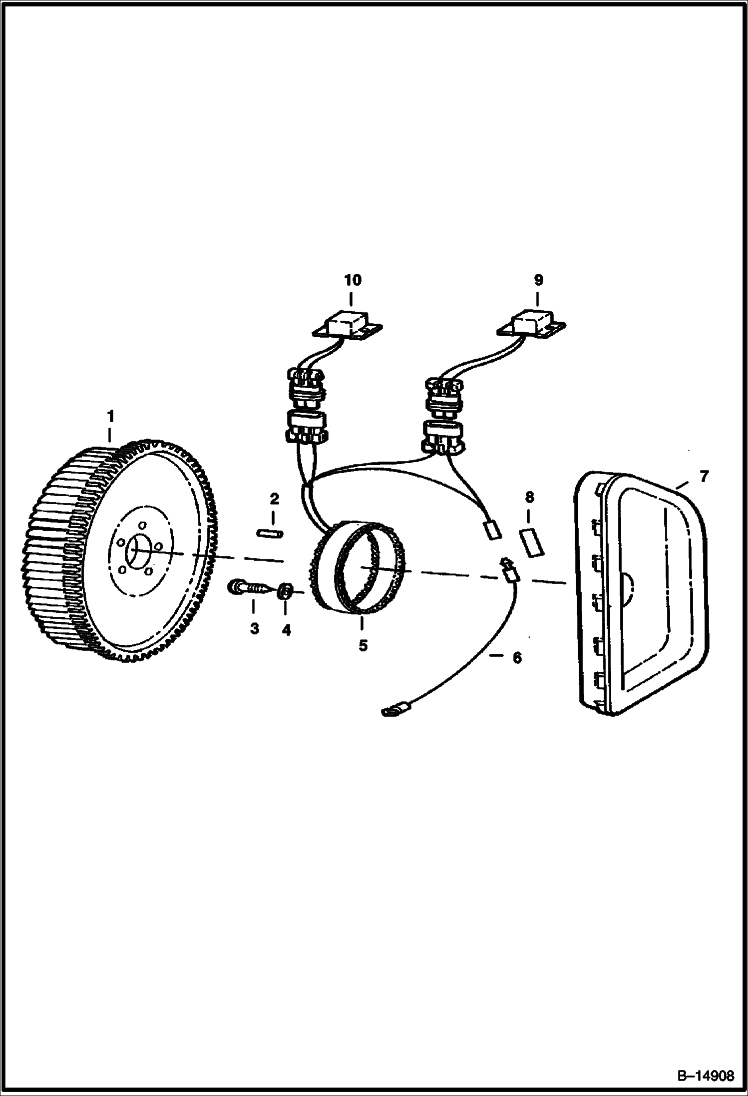
МАХОВИК ГЕНЕРАТОРА ПЕРЕМЕННОГО ТОКА WISCONSIN 1 СЕКЦИЯ
МАХОВИК ГЕНЕРАТОРА ПЕРЕМЕННОГО ТОКА WISCONSIN 2 СЕКЦИИ